Aquí encontrará todas las piezas y dibujos técnicos disponibles de 'Hikoki W6VM'. Desde aquí podrá pedir todas las piezas deseadas directamente. Para muchas piezas de repuesto, es necesario pasar un pedido al fabricante. Dependiendo de la marca, el plazo de entrega puede variar entre una y cuatro semanas. Toda la información que tenemos está en nuestro sitio web. No podremos aconsejarle sobre lo que necesita hasta que entregue la máquina para su reparación. Tenga en cuenta lo siguiente a la hora de cursar su pedido:
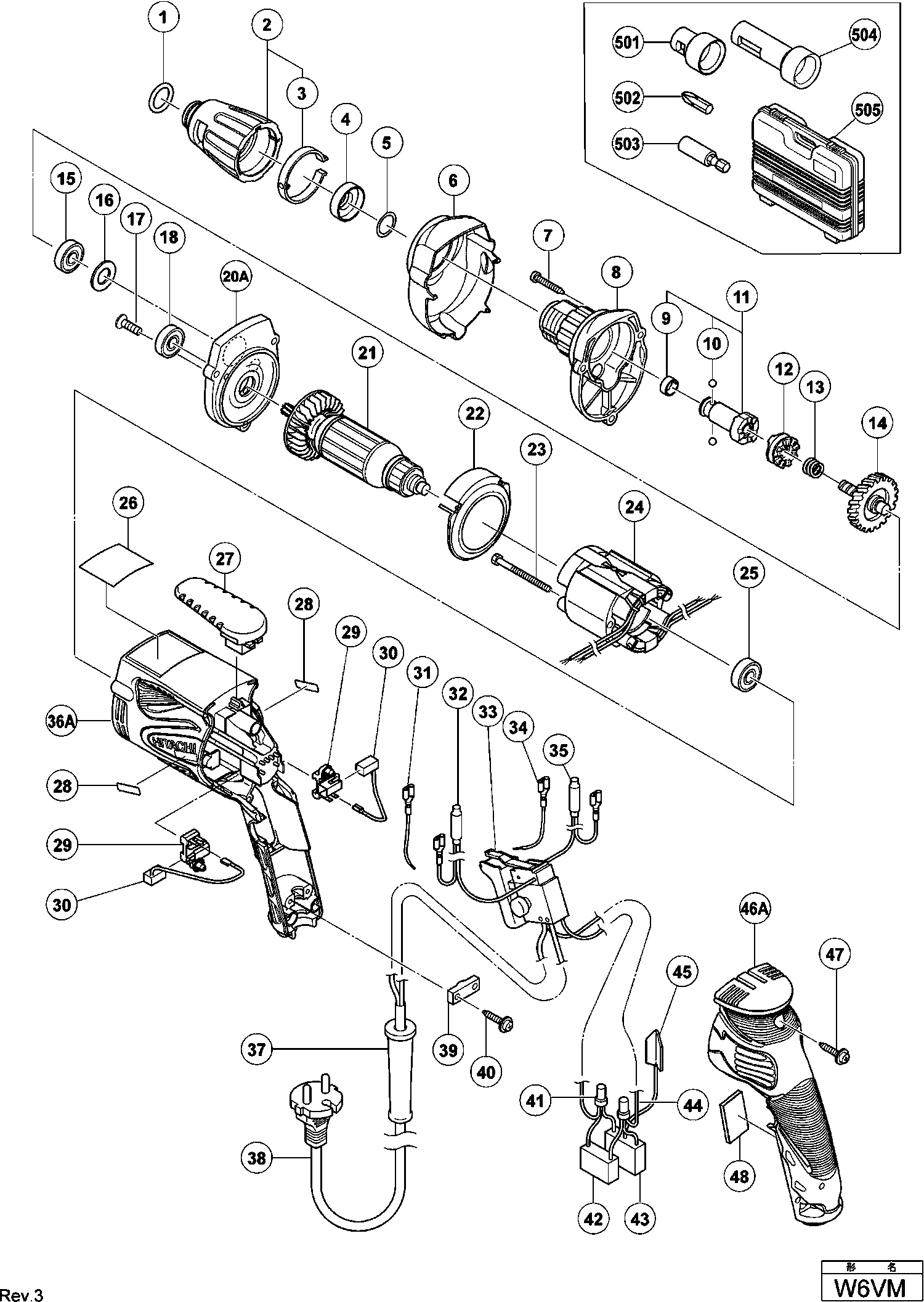
Dibujo técnico de los/las Hikoki W6VM
Lista de las piezas de repuesto de Hikoki W6VM
| Pos. | Descripción | Precio con el IVA excluido | Precio con el IVA incluido | |
| Los precios mostrados incluyen el IVA | ||||
| No hay información disponible, no se puede pedir | ||||
| *11 | 323491 | |||
| ARMADURA 230V | ||||
| *21 | 360677E | 38.64 | 46.75 | |
| ANKER 110 VOLT | ||||
| *21 | 360676 | 36.08 | 43.66 | |
| Stator 220v-230v H-90sa Includ.103 Para Nzl,saf | ||||
| *24 | 340599E | 19.39 | 23.46 | |
| VELD 110-120 VOLT | ||||
| *24 | 340599C | 18.10 | 21.90 | |
| SNOER 2.5M 2 X 1.0 H05VV-F W/PLUG 13A/250V (OLD 50 | ||||
| *38 | 500423Z | 12.87 | 15.57 | |
| Cordón (longitud 7.5m) (Armadura de Cordón D8.8) | ||||
| *38 | 323559 | 5.55 | 6.72 | |
| No hay información disponible, no se puede pedir | ||||
| *503 | 982554Z | |||
| O-ring (s-16) | ||||
| 1 | 876031 | 1.65 | 2.00 | |
| No hay información disponible, no se puede pedir | ||||
| 2 | 323487 | |||
| Diafragma | ||||
| 3 | 323488 | 1.95 | 2.36 | |
| Fringer | ||||
| 4 | 971468 | 1.05 | 1.27 | |
| Junta tórica (f) W6v3/w6va3 | ||||
| 5 | 317662 | 1.65 | 2.00 | |
| Cubierta de Protección (a) | ||||
| 6 | 323558 | 3.90 | 4.72 | |
| Cubierta de Protección (a) | ||||
| 6A | 323558 | 3.90 | 4.72 | |
| Tornillo de rosca (con brida) D4x25 (negro) | ||||
| 7 | 321057 | 1.65 | 2.00 | |
| Cubierta de engranaje | ||||
| 8 | 323486 | 12.75 | 15.43 | |
| Arandela | ||||
| 9 | 872573 | 1.35 | 1.63 | |
| Bola de acero D3.175 (10 piezas) | ||||
| 10 | 959148 | 1.05 | 1.27 | |
| No hay información disponible, no se puede pedir | ||||
| 11 | 323491 | |||
| Disco de Embrague Dc120va | ||||
| 12 | 323476 | 3.90 | 4.72 | |
| Muelle | ||||
| 13 | 306024 | 1.35 | 1.63 | |
| Conjunto de engranajes | ||||
| 14 | 323504 | 22.83 | 27.62 | |
| Rodamiento de bolas 608vvmc2eps2l | ||||
| 15 | 608VVM | 5.70 | 6.90 | |
| Arandela | ||||
| 16 | 933545 | 1.04 | 1.26 | |
| Tornillo M4x8 | ||||
| 17 | 323556 | 1.05 | 1.27 | |
| No hay información disponible, no se puede pedir | ||||
| 18 | 6900VV | |||
| Ya no disponible, sin reemplazo | ||||
| 20A | 323503 | |||
| ARMADURA 230V | ||||
| 21 | 360677E | 38.64 | 46.75 | |
| ANKER 110 VOLT | ||||
| 21 | 360676 | 36.08 | 43.66 | |
| Guía de ventilador | ||||
| 22 | 323472 | 1.05 | 1.27 | |
| Tornillo de rosca hexagonal D4x50 | ||||
| 23 | 961672 | 1.04 | 1.26 | |
| Stator 220v-230v H-90sa Includ.103 Para Nzl,saf | ||||
| 24 | 340599E | 19.39 | 23.46 | |
| VELD 110-120 VOLT | ||||
| 24 | 340599C | 18.10 | 21.90 | |
| Rodamiento de bolas 608vvmc2eps2l | ||||
| 25 | 608VVM | 5.70 | 6.90 | |
| GANCHO | ||||
| 27 | 323471 | 1.95 | 2.36 | |
| Portaescobillas (a) | ||||
| 29 | 323512 | 3.90 | 4.72 | |
| Escobillas de Carbón de Auto-Desconexión (2 Piezas | ||||
| 30 | 999091 | 14.40 | 17.42 | |
| No hay información disponible, no se puede pedir | ||||
| 31 | 323489 | |||
| Bobina de estrangulación (con hilo interno) Marrón | ||||
| 32 | 323480 | 1.95 | 2.36 | |
| Interruptor | ||||
| 33 | 323479 | 14.99 | 18.13 | |
| No hay información disponible, no se puede pedir | ||||
| 34 | 323490 | |||
| Bobina de estrangulamiento (m/rosca interna) Azul | ||||
| 35 | 323481 | 1.95 | 2.36 | |
| Carcasa (verde) | ||||
| 36A | 326671 | 19.39 | 23.46 | |
| Carcasa (verde) | ||||
| 36C | 326671 | 19.39 | 23.46 | |
| No hay información disponible, no se puede pedir | ||||
| 37 | 953327 | |||
| Cable de 7.5 Metros Para Gbr 230 Volt | ||||
| 38 | 323560 | 15.26 | 18.47 | |
| SNOER 2.5M 2 X 1.0 H05VV-F W/PLUG 13A/250V (OLD 50 | ||||
| 38 | 500423Z | 12.87 | 15.57 | |
| SNOER 7.5 METER FOR GBR 110 VOLT | ||||
| 38 | 323562 | 10.14 | 12.27 | |
| Cordón (longitud 7.5m) (Armadura de Cordón D8.8) | ||||
| 38 | 323559 | 5.55 | 6.72 | |
| Tira de sujeción (antiguo 994566) | ||||
| 39 | 937631 | 1.04 | 1.26 | |
| No hay información disponible, no se puede pedir | ||||
| 40 | 984750 | |||
| Terminal de soldadura 50091 (10 piezas) | ||||
| 41 | 959140 | 3.30 | 3.99 | |
| Condensador (antiguo 987178) | ||||
| 42 | 930039 | 1.95 | 2.36 | |
| Condensador (antiguo 930030/991313) | ||||
| 43 | 994273 | 4.29 | 5.19 | |
| Cable interno | ||||
| 44 | 317667 | 1.65 | 2.00 | |
| Terminal de Tierra | ||||
| 45 | 992635 | 1.05 | 1.27 | |
| Cubierta del Mango | ||||
| 46A | 326672 | 12.75 | 15.43 | |
| Tornillo de roscado D4x20 con brida (negro) | ||||
| 47 | 301653 | 1.04 | 1.26 | |
| No hay información disponible, no se puede pedir | ||||
| 48 | 329770 | |||
| No hay información disponible, no se puede pedir | ||||
| 501 | 323352 | |||
| No hay información disponible, no se puede pedir | ||||
| 502 | 971511Z | |||
| No hay información disponible, no se puede pedir | ||||
| 503 | 982554Z | |||
| No hay información disponible, no se puede pedir | ||||
| 504 | 323351 | |||
| No hay información disponible, no se puede pedir | ||||
| 505 | 310904 | |||
| No hay información disponible, no se puede pedir | ||||
| 601 | 317670 | |||
| No hay información disponible, no se puede pedir | ||||
| 602 | 317671 | |||
| No hay información disponible, no se puede pedir | ||||
| 603 | 317827 | |||
| No hay información disponible, no se puede pedir | ||||
| 604 | 985330 | |||
| No hay información disponible, no se puede pedir | ||||
| 605 | 985321 | |||
| No hay información disponible, no se puede pedir | ||||
| 606 | 985322 | |||
| No hay información disponible, no se puede pedir | ||||
| 607 | 985332 | |||
| No hay información disponible, no se puede pedir | ||||
| 608 | 985326 | |||
| Ya no disponible, sin reemplazo | ||||
| 609 | 985329 | |||
| No hay información disponible, no se puede pedir | ||||
| 610 | 985327 | |||
| No hay información disponible, no se puede pedir | ||||
| 611 | 985328 | |||
| No hay información disponible, no se puede pedir | ||||
| 612 | 982563Z | |||
| No hay información disponible, no se puede pedir | ||||
| 613 | 323356 | |||
| No hay información disponible, no se puede pedir | ||||
| 614 | 323355 | |||
| No hay información disponible, no se puede pedir | ||||
| 615 | 985333 | |||
| No hay información disponible, no se puede pedir | ||||
| 616 | 971512Z | |||
| No hay información disponible, no se puede pedir | ||||
| 617 | 985334 | |||
| No hay información disponible, no se puede pedir | ||||
| 618 | 985335 | |||
| No hay información disponible, no se puede pedir | ||||
| 619 | 985336 | |||
| No hay información disponible, no se puede pedir | ||||
| 620 | 985337 | |||
| No hay información disponible, no se puede pedir | ||||
| 621 | 985338 | |||
| No hay información disponible, no se puede pedir | ||||
| 622 | 985339 | |||
| No hay información disponible, no se puede pedir | ||||
| 623 | 985340 | |||
| No hay información disponible, no se puede pedir | ||||
| 624 | 985341 | |||
| No hay información disponible, no se puede pedir | ||||
| 625 | 985342 | |||
| No hay información disponible, no se puede pedir | ||||
| 626 | 985343 | |||
| No hay información disponible, no se puede pedir | ||||
| 627 | 985344 | |||
| No hay información disponible, no se puede pedir | ||||
| 628 | 310904 | |||