Aquí encontrará todas las piezas y dibujos técnicos disponibles de 'Hikoki WH12DMR'. Desde aquí podrá pedir todas las piezas deseadas directamente. Para muchas piezas de repuesto, es necesario pasar un pedido al fabricante. Dependiendo de la marca, el plazo de entrega puede variar entre una y cuatro semanas. Toda la información que tenemos está en nuestro sitio web. No podremos aconsejarle sobre lo que necesita hasta que entregue la máquina para su reparación. Tenga en cuenta lo siguiente a la hora de cursar su pedido:
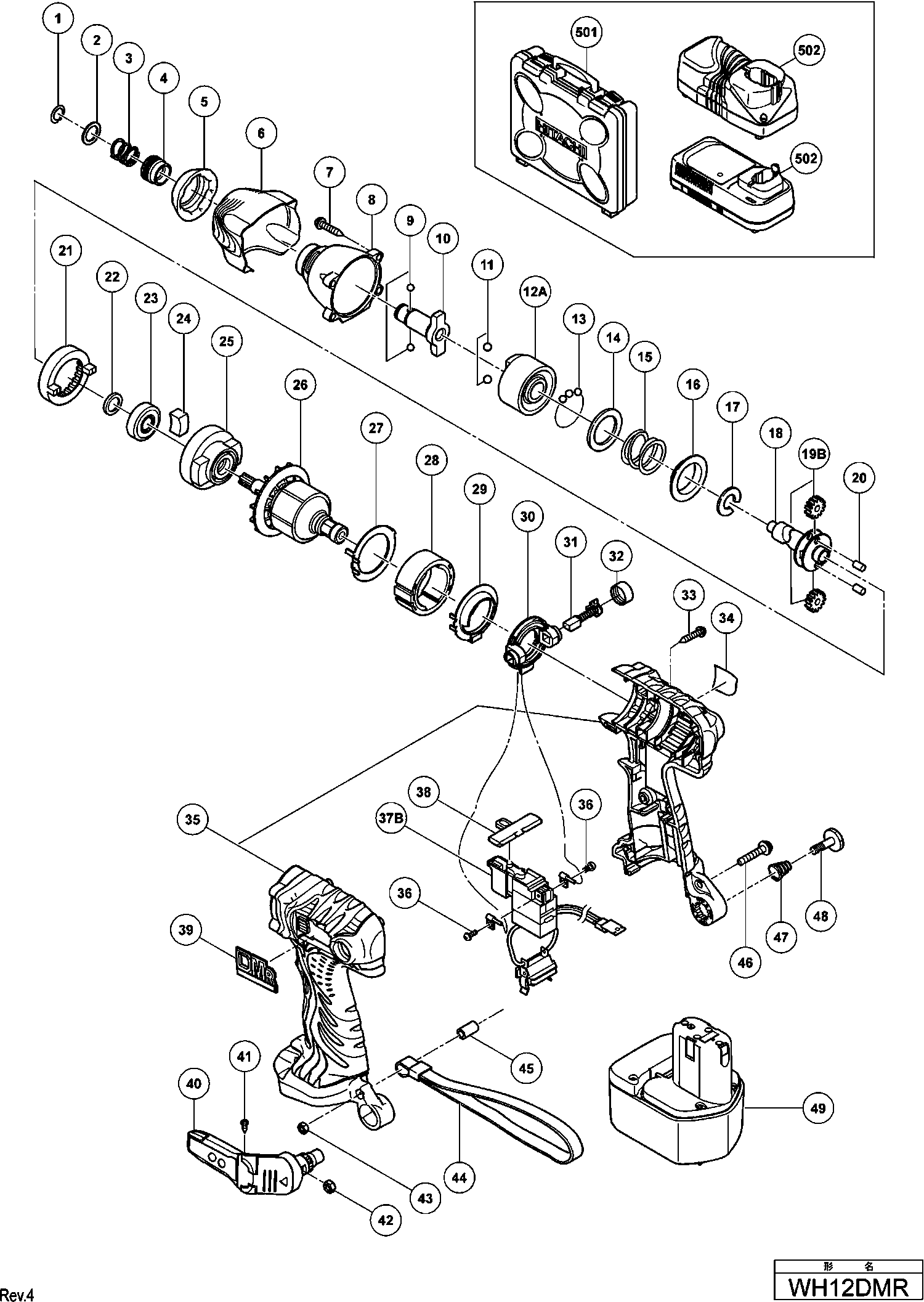
Dibujo técnico de los/las Hikoki WH12DMR
Lista de las piezas de repuesto de Hikoki WH12DMR
| Pos. | Descripción | Precio con el IVA excluido | Precio con el IVA incluido | |
| Los precios mostrados incluyen el IVA | ||||
| Arandela de resorte | ||||
| 1 | 315984 | 1.65 | 2.00 | |
| ARANDELA | ||||
| 2 | 315983 | 1.65 | 2.00 | |
| Resorte de guía (ANTIGUO 322716) | ||||
| 3 | 321657 | 1.65 | 2.00 | |
| Arbusto de guía | ||||
| 4 | 322717 | 3.30 | 3.99 | |
| No hay información disponible, no se puede pedir | ||||
| 5 | 322727 | |||
| No hay información disponible, no se puede pedir | ||||
| 6 | 322728 | |||
| Tornillo de corte D4x25 con arandela | ||||
| 7 | 319917 | 1.65 | 2.00 | |
| Caja del martillo Wh12dm2 | ||||
| 8 | 321674 | 37.95 | 45.92 | |
| BOLA DE ACERO D3,5 (10 piezas) | ||||
| 9 | 319535 | 1.65 | 2.00 | |
| Yunque | ||||
| 10 | 322248 | 35.06 | 42.43 | |
| Bola de Acero D5.556 (10 unidades) | ||||
| 11 | 959154 | 1.35 | 1.63 | |
| Martillo | ||||
| 12A | 326789 | 21.73 | 26.29 | |
| Bola de acero D3.175 (10 piezas) | ||||
| 13 | 959148 | 1.05 | 1.27 | |
| ARANDELA | ||||
| 14 | 315978 | 1.65 | 2.00 | |
| Muelle de martillo | ||||
| 15 | 321660 | 3.30 | 3.99 | |
| ARANDELA | ||||
| 16 | 316172 | 1.65 | 2.00 | |
| Tope | ||||
| 17 | 316171 | 4.35 | 5.26 | |
| BARRA TOMMY | ||||
| 18 | 321666 | 32.18 | 38.93 | |
| Conjunto de engranajes en vacío (2 Pzas.) | ||||
| 19B | 326295 | 21.31 | 25.79 | |
| Rodillo de aguja | ||||
| 20 | 319914 | 1.65 | 2.00 | |
| ENGANCHE | ||||
| 21 | 320877 | 18.15 | 21.96 | |
| Arandela | ||||
| 22 | 319911 | 1.65 | 2.00 | |
| No hay información disponible, no se puede pedir | ||||
| 23 | 6901VV | |||
| Anillo amortiguador | ||||
| 24 | 319909 | 4.80 | 5.81 | |
| Funcionamiento interno | ||||
| 25 | 321664 | 3.30 | 3.99 | |
| Armadura 12V | ||||
| 26 | 360641 | 61.33 | 74.20 | |
| Yugo lateral | ||||
| 27 | 322719 | 3.30 | 3.99 | |
| No hay información disponible, no se puede pedir | ||||
| 28 | 322723 | |||
| Anillo de polvo | ||||
| 29 | 322720 | 1.65 | 2.00 | |
| Bloque de cepillo completo | ||||
| 30 | 321662 | 10.95 | 13.25 | |
| Cepillos de carbono 5x6x11,5 (2 piezas) | ||||
| 31 | 999054 | 6.45 | 7.80 | |
| Tapa del cepillo | ||||
| 32 | 319918 | 3.30 | 3.99 | |
| Tornillo autoperforante (con brida) D4x20 (negro) | ||||
| 33 | 302086 | 1.05 | 1.27 | |
| Carcasa (a+b) Verde | ||||
| 35 | 322725 | 23.38 | 28.28 | |
| Carcasa (a+b) Oro | ||||
| 35 | 323020 | 21.31 | 25.79 | |
| Tornillo de Máquina M3x5 con Anillo | ||||
| 36 | 994532 | 1.04 | 1.26 | |
| Interruptor (Antiguo 319906) | ||||
| 37B | 324829 | 32.18 | 38.93 | |
| Botón De Empuje | ||||
| 38 | 321661 | 1.65 | 2.00 | |
| No hay información disponible, no se puede pedir | ||||
| 39 | 323021 | |||
| No hay información disponible, no se puede pedir | ||||
| 40 | 321918 | |||
| Tornillo de rosca D2x6 | ||||
| 41 | 321672 | 1.65 | 2.00 | |
| Tuerca M5 | ||||
| 42 | 320288 | 1.65 | 2.00 | |
| Tuerca M4 (10 Piezas) | ||||
| 43 | 949565 | 1.05 | 1.27 | |
| Correa (negra) | ||||
| 44 | 306952 | 4.05 | 4.90 | |
| Manga (a) | ||||
| 45 | 322718 | 1.50 | 1.82 | |
| No hay información disponible, no se puede pedir | ||||
| 46 | 676386 | |||
| Resorte de gancho | ||||
| 47 | 319926 | 1.65 | 2.00 | |
| Tornillo M5 | ||||
| 48 | 319927 | 1.65 | 2.00 | |
| Ya no disponible, sin reemplazo | ||||
| 49 | 320387 | |||
| No hay información disponible, no se puede pedir | ||||
| 501 | 322070 | |||
| No hay información disponible, no se puede pedir | ||||
| 601 | 992671 | |||
| No hay información disponible, no se puede pedir | ||||
| 602 | 992672 | |||
| No hay información disponible, no se puede pedir | ||||
| 603 | 996177 | |||
| Ya no disponible, sin reemplazo | ||||
| 604 | 985329 | |||
| No hay información disponible, no se puede pedir | ||||
| 605 | 996178 | |||
| No hay información disponible, no se puede pedir | ||||
| 606 | 996179 | |||
| No hay información disponible, no se puede pedir | ||||
| 607 | 996180 | |||
| No hay información disponible, no se puede pedir | ||||
| 608 | 996181 | |||
| No hay información disponible, no se puede pedir | ||||
| 609 | 996182 | |||
| No hay información disponible, no se puede pedir | ||||
| 610 | 996197 | |||
| No hay información disponible, no se puede pedir | ||||
| 611 | 321823 | |||
| No hay información disponible, no se puede pedir | ||||
| 612 | 307543 | |||
| Grasa (attolub Ms No.2) 500g | ||||
| 613 | 309922 | 73.01 | 88.35 | |