Aquí encontrará todas las piezas y dibujos técnicos disponibles de 'Hikoki WH14DCL'. Desde aquí podrá pedir todas las piezas deseadas directamente. Para muchas piezas de repuesto, es necesario pasar un pedido al fabricante. Dependiendo de la marca, el plazo de entrega puede variar entre una y cuatro semanas. Toda la información que tenemos está en nuestro sitio web. No podremos aconsejarle sobre lo que necesita hasta que entregue la máquina para su reparación. Tenga en cuenta lo siguiente a la hora de cursar su pedido:
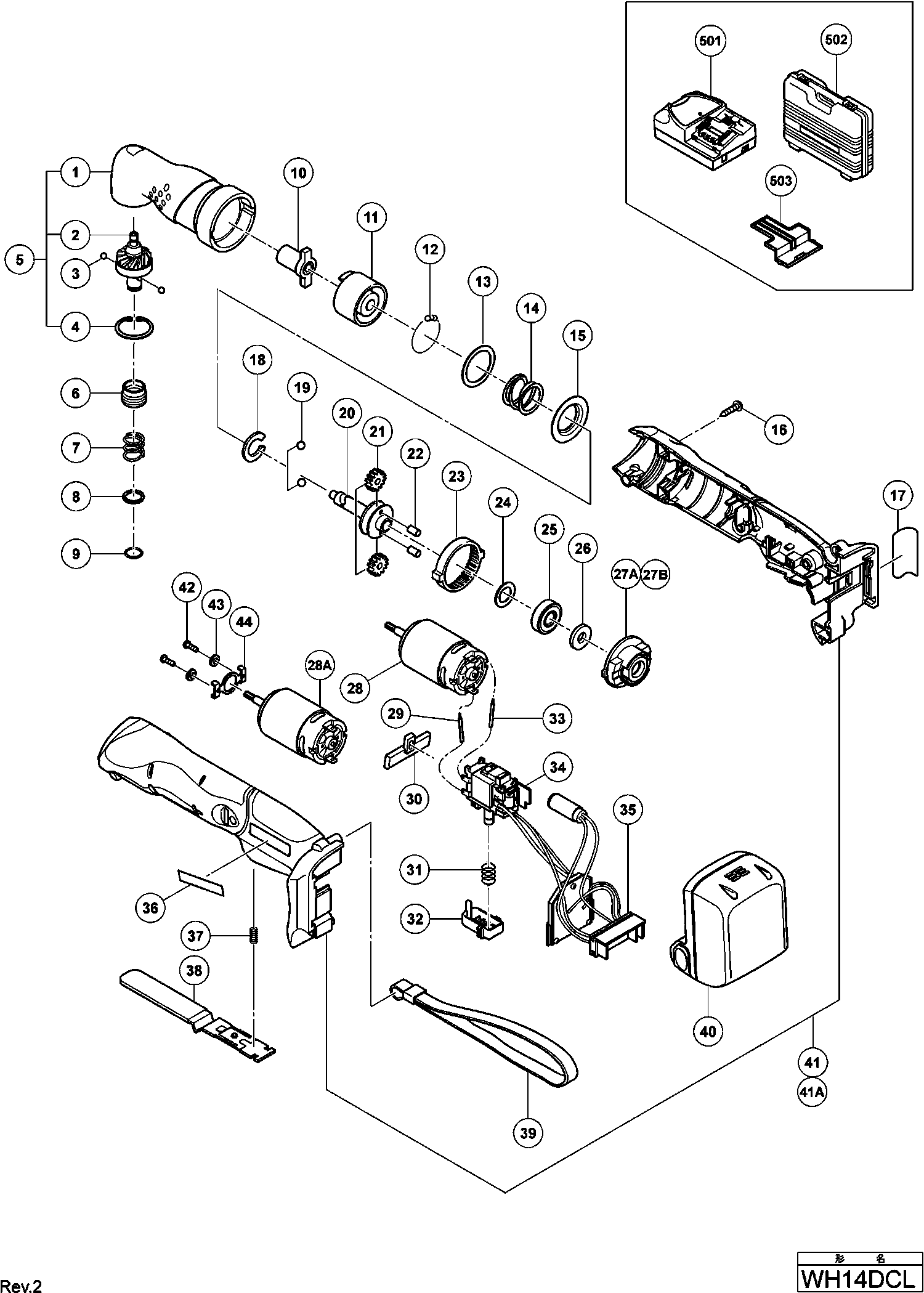
Dibujo técnico de los/las Hikoki WH14DCL
Lista de las piezas de repuesto de Hikoki WH14DCL
| Pos. | Descripción | Precio con el IVA excluido | Precio con el IVA incluido | |
| Los precios mostrados incluyen el IVA | ||||
| Engranaje Final | ||||
| *2 | 330624 | 15.40 | 18.63 | |
| Ya no disponible, sin reemplazo | ||||
| *28 | 329669 | |||
| Set de carcasa de martillo Incluye.1,2,4 | ||||
| *5 | 330623 | 36.16 | 43.76 | |
| Caja del martillo | ||||
| 1 | 329672 | 20.90 | 25.29 | |
| Engranaje Final | ||||
| 2 | 330624 | 15.40 | 18.63 | |
| BOLA DE ACERO D3,5 (10 piezas) | ||||
| 3 | 319535 | 1.65 | 2.00 | |
| Anillo de retención D28 (10 piezas) | ||||
| 4 | 939555 | 4.35 | 5.26 | |
| Set de carcasa de martillo Incluye.1,2,4 | ||||
| 5 | 330623 | 36.16 | 43.76 | |
| Arbusto de guía | ||||
| 6 | 322717 | 3.30 | 3.99 | |
| Muelle de guía (c) | ||||
| 7 | 330617 | 1.05 | 1.27 | |
| Arandela (d) Cm12y | ||||
| 8 | 330618 | 1.05 | 1.27 | |
| Arandela de resorte | ||||
| 9 | 330619 | 1.05 | 1.27 | |
| No hay información disponible, no se puede pedir | ||||
| 10 | 329660 | |||
| No hay información disponible, no se puede pedir | ||||
| 11 | 329665 | |||
| Bola de acero D3.175 (10 piezas) | ||||
| 12 | 959148 | 1.05 | 1.27 | |
| Anillo de sellado Wh 10dcl | ||||
| 13 | 329617 | 1.05 | 1.27 | |
| Muelle de Martillo Wh 10dl | ||||
| 14 | 329658 | 2.10 | 2.54 | |
| Anillo de sellado Wh 10dcl | ||||
| 15 | 329614 | 2.10 | 2.54 | |
| Tornillo de roscado D4x20 con brida (negro) | ||||
| 16 | 301653 | 1.04 | 1.26 | |
| Disco de freno | ||||
| 18 | 329613 | 1.05 | 1.27 | |
| Bola de acero D4.76 (10 piezas) | ||||
| 19 | 959149 | 1.04 | 1.26 | |
| No hay información disponible, no se puede pedir | ||||
| 20 | 329659 | |||
| Conjunto de engranajes en vacío (2 Pzas.) | ||||
| 21 | 329611 | 11.40 | 13.79 | |
| Rodillo de aguja | ||||
| 22 | 329612 | 1.05 | 1.27 | |
| Engranaje de Anillo | ||||
| 23 | 329610 | 3.15 | 3.81 | |
| Arandela | ||||
| 24 | 319911 | 1.65 | 2.00 | |
| No hay información disponible, no se puede pedir | ||||
| 25 | 6901VV | |||
| VILTRING | ||||
| 26 | 329518 | 1.50 | 1.82 | |
| No hay información disponible, no se puede pedir | ||||
| 27A | 329657 | |||
| CUBIERTA INTERIOR (D) (ANTIGUO 329657) | ||||
| 27B | 335004 | 1.04 | 1.26 | |
| Ya no disponible, sin reemplazo | ||||
| 28 | 329669 | |||
| No hay información disponible, no se puede pedir | ||||
| 28A | 335003 | |||
| Cable de conexión (negro) 57l | ||||
| 29 | 329671 | 1.80 | 2.18 | |
| Botón de empuje | ||||
| 30 | 329656 | 1.05 | 1.27 | |
| Primavera (s) | ||||
| 31 | 330621 | 1.05 | 1.27 | |
| No hay información disponible, no se puede pedir | ||||
| 32 | 330622 | |||
| Cable de conexión (rojo) 36l | ||||
| 33 | 329670 | 1.80 | 2.18 | |
| Interruptor | ||||
| 34 | 330853 | 22.83 | 27.62 | |
| Set de terminales del controlador | ||||
| 35 | 331808 | 38.09 | 46.09 | |
| Muelle | ||||
| 37 | 329655 | 1.05 | 1.27 | |
| Palanca de interruptor Wh14dcal | ||||
| 38 | 329654 | 11.85 | 14.34 | |
| Correa (negra) | ||||
| 39 | 306952 | 4.05 | 4.90 | |
| No hay información disponible, no se puede pedir | ||||
| 40 | 329083 | |||
| Ya no disponible, sin reemplazo | ||||
| 41 | 331807 | |||
| Carcasa Completa (Antiguo 331807) | ||||
| 41A | 335005 | 9.30 | 11.25 | |
| Tornillo de máquina M3x8 (10 piezas) | ||||
| 42 | 949203 | 1.05 | 1.27 | |
| Arandela de resorte M3 (10 piezas) | ||||
| 43 | 949451 | 1.05 | 1.27 | |
| SOPORTE DEL MOTOR | ||||
| 44 | 335002 | 10.20 | 12.34 | |
| No hay información disponible, no se puede pedir | ||||
| 502 | 329674 | |||
| Tapa protectora para batería | ||||
| 503 | 329897 | 1.80 | 2.18 | |
| No hay información disponible, no se puede pedir | ||||
| 601 | 321823 | |||
| Grasa (attolub Ms No.2) 500g | ||||
| 602 | 309922 | 73.01 | 88.35 | |
| No hay información disponible, no se puede pedir | ||||
| 603 | 992671 | |||
| No hay información disponible, no se puede pedir | ||||
| 604 | 992672 | |||
| No hay información disponible, no se puede pedir | ||||
| 605 | 996177 | |||
| Ya no disponible, sin reemplazo | ||||
| 606 | 985329 | |||
| No hay información disponible, no se puede pedir | ||||
| 607 | 996178 | |||
| No hay información disponible, no se puede pedir | ||||
| 608 | 996179 | |||
| No hay información disponible, no se puede pedir | ||||
| 609 | 996180 | |||
| No hay información disponible, no se puede pedir | ||||
| 610 | 996185 | |||
| No hay información disponible, no se puede pedir | ||||
| 611 | 996181 | |||
| No hay información disponible, no se puede pedir | ||||
| 612 | 996182 | |||
| No hay información disponible, no se puede pedir | ||||
| 613 | 996186 | |||
| No hay información disponible, no se puede pedir | ||||
| 614 | 996197 | |||
| No hay información disponible, no se puede pedir | ||||
| 615 | 996184 | |||
| No hay información disponible, no se puede pedir | ||||
| 616 | 987575 | |||
| No hay información disponible, no se puede pedir | ||||
| 617 | 930119 | |||
| No hay información disponible, no se puede pedir | ||||
| 618 | 307543 | |||
| No hay información disponible, no se puede pedir | ||||
| 619 | 306927 | |||