Aquí encontrará todas las piezas y dibujos técnicos disponibles de 'Hikoki WH18DDL'. Desde aquí podrá pedir todas las piezas deseadas directamente. Para muchas piezas de repuesto, es necesario pasar un pedido al fabricante. Dependiendo de la marca, el plazo de entrega puede variar entre una y cuatro semanas. Toda la información que tenemos está en nuestro sitio web. No podremos aconsejarle sobre lo que necesita hasta que entregue la máquina para su reparación. Tenga en cuenta lo siguiente a la hora de cursar su pedido:
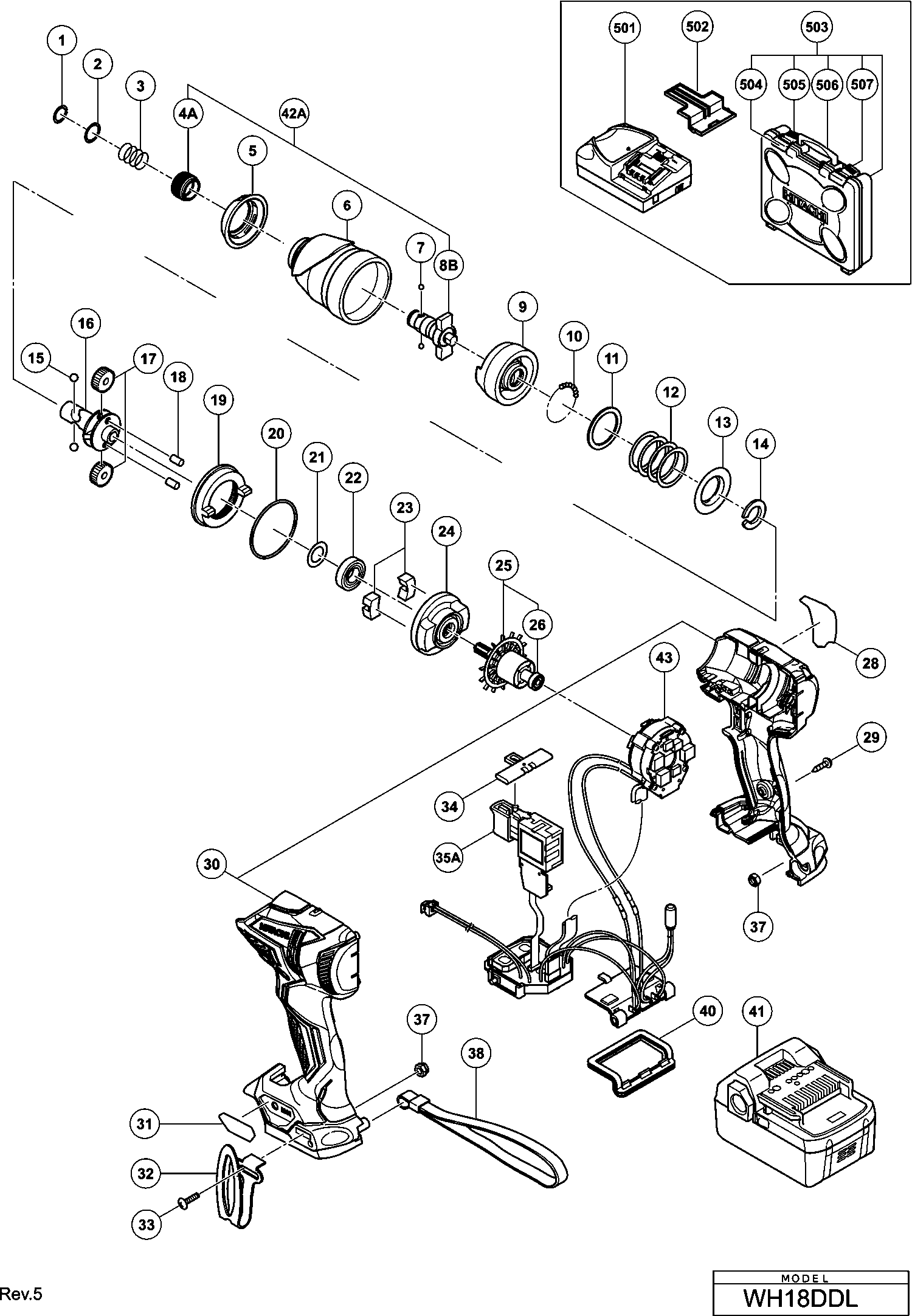
Dibujo técnico de los/las Hikoki WH18DDL
Lista de las piezas de repuesto de Hikoki WH18DDL
| Pos. | Descripción | Precio con el IVA excluido | Precio con el IVA incluido | |
| Los precios mostrados incluyen el IVA | ||||
| Arandela de resorte | ||||
| 1 | 315984 | 1.65 | 2.00 | |
| Arandela (d) Cm12y | ||||
| 2 | 330856 | 1.88 | 2.27 | |
| Resorte de guía (ANTIGUO 322716) | ||||
| 3 | 321657 | 1.65 | 2.00 | |
| Manga guía (g) | ||||
| 4A | 337105 | 2.85 | 3.45 | |
| Manga guía (g) | ||||
| 4B | 337105 | 2.85 | 3.45 | |
| Capuchón frontal H45ma/h60ma/mb H45mr | ||||
| 5 | 335330 | 1.35 | 1.63 | |
| Caja Frontal | ||||
| 6 | 335331 | 24.48 | 29.61 | |
| BOLA DE ACERO D3,5 (10 piezas) | ||||
| 7 | 319535 | 1.65 | 2.00 | |
| Yunque | ||||
| 8A | 335737 | 13.05 | 15.79 | |
| Yunque | ||||
| 8B | 338882 | 12.75 | 15.43 | |
| Yunque | ||||
| 8B | 338883 | 12.30 | 14.88 | |
| Martillo | ||||
| 9 | 335329 | 10.95 | 13.25 | |
| Bola de acero D3.175 (10 piezas) | ||||
| 10 | 959148 | 1.05 | 1.27 | |
| ARANDELA | ||||
| 11 | 315978 | 1.65 | 2.00 | |
| Muelle de martillo (j) | ||||
| 12 | 335316 | 2.10 | 2.54 | |
| ARANDELA | ||||
| 13 | 316172 | 1.65 | 2.00 | |
| Tope | ||||
| 14 | 328647 | 3.45 | 4.17 | |
| Bola de Acero D5.556 (10 unidades) | ||||
| 15 | 959154 | 1.35 | 1.63 | |
| BARRA TOMMY | ||||
| 16 | 335318 | 10.80 | 13.07 | |
| Conjunto de engranajes en vacío (2 Pzas.) | ||||
| 17 | 326295 | 21.31 | 25.79 | |
| Rodillo de aguja | ||||
| 18 | 319914 | 1.65 | 2.00 | |
| Engranaje de anillo(e) | ||||
| 19 | 333747 | 13.35 | 16.15 | |
| Anillo O (s-42) | ||||
| 20 | 983852 | 1.95 | 2.36 | |
| Arandela (e) | ||||
| 21 | 330855 | 1.80 | 2.18 | |
| Rodamiento de Bolas 6901vv-n | ||||
| 22 | 323118 | 6.75 | 8.17 | |
| Anillo amortiguador | ||||
| 23 | 333952 | 1.80 | 2.18 | |
| Cubierta interior | ||||
| 24 | 335317 | 1.05 | 1.27 | |
| Conjunto de Rotor Includ.23 | ||||
| 25 | 335325 | 56.24 | 68.05 | |
| Rodamiento De Bolas 604dd | ||||
| 26 | 335723 | 5.40 | 6.53 | |
| Tornillo de roscar (con brida) D3x16 (negro) | ||||
| 29 | 313687 | 1.04 | 1.26 | |
| Carcasa(a).(b)set (verde) | ||||
| 30 | 335736 | 27.09 | 32.78 | |
| Hoja de panel (a) | ||||
| 31 | 335722 | 1.04 | 1.26 | |
| No hay información disponible, no se puede pedir | ||||
| 32 | 335724 | |||
| Tornillo M4 | ||||
| 33 | 327001 | 1.80 | 2.18 | |
| Botón De Empuje | ||||
| 34 | 321661 | 1.65 | 2.00 | |
| Interruptor | ||||
| 35 | 335323 | 12.38 | 14.97 | |
| No hay información disponible, no se puede pedir | ||||
| 35A | 339720 | |||
| Tuerca de bloqueo M4 (negro) | ||||
| 37 | 327002 | 1.80 | 2.18 | |
| Correa (negra) | ||||
| 38 | 306952 | 4.05 | 4.90 | |
| Goma Terminal | ||||
| 40 | 335324 | 2.70 | 3.27 | |
| No hay información disponible, no se puede pedir | ||||
| 41 | 334905 | |||
| No hay información disponible, no se puede pedir | ||||
| 42 | 337107 | |||
| Juego de casquillo de yunque Incl.4a,8b hasta 1.20 | ||||
| 42A | 338884 | 13.89 | 16.80 | |
| Conjunto de cableado incl. 35 | ||||
| 43 | 337892 | 119.55 | 144.66 | |
| Tapa protectora para batería | ||||
| 502 | 329897 | 1.80 | 2.18 | |
| No hay información disponible, no se puede pedir | ||||
| 503 | 329440 | |||
| Cierre (gris oscuro) | ||||
| 504 | 334233 | 1.80 | 2.18 | |
| Perilla (l) Gris Oscuro | ||||
| 505 | 334235 | 1.80 | 2.18 | |
| Palanca KA 65 | ||||
| 506 | 334232 | 3.45 | 4.17 | |
| Perilla (r) Gris oscuro | ||||
| 507 | 334234 | 1.80 | 2.18 | |
| No hay información disponible, no se puede pedir | ||||
| 601 | 321823 | |||
| Grasa (attolub Ms No.2) 500g | ||||
| 602 | 309922 | 73.01 | 88.35 | |
| No hay información disponible, no se puede pedir | ||||
| 603 | 992671 | |||
| No hay información disponible, no se puede pedir | ||||
| 604 | 992672 | |||
| No hay información disponible, no se puede pedir | ||||
| 605 | 996177 | |||
| Ya no disponible, sin reemplazo | ||||
| 606 | 985329 | |||
| No hay información disponible, no se puede pedir | ||||
| 607 | 996178 | |||
| No hay información disponible, no se puede pedir | ||||
| 608 | 996179 | |||
| No hay información disponible, no se puede pedir | ||||
| 609 | 996180 | |||
| No hay información disponible, no se puede pedir | ||||
| 610 | 996185 | |||
| No hay información disponible, no se puede pedir | ||||
| 611 | 996181 | |||
| No hay información disponible, no se puede pedir | ||||
| 612 | 996182 | |||
| No hay información disponible, no se puede pedir | ||||
| 613 | 996186 | |||
| No hay información disponible, no se puede pedir | ||||
| 614 | 996197 | |||
| No hay información disponible, no se puede pedir | ||||
| 615 | 996184 | |||
| No hay información disponible, no se puede pedir | ||||
| 616 | 987575 | |||
| No hay información disponible, no se puede pedir | ||||
| 617 | 930119 | |||
| No hay información disponible, no se puede pedir | ||||
| 618 | 307543 | |||
| No hay información disponible, no se puede pedir | ||||
| 619 | 306927 | |||
| No hay información disponible, no se puede pedir | ||||
| 620 | 336373 | |||
| No hay información disponible, no se puede pedir | ||||
| 621 | 325149 | |||