Aquí encontrará todas las piezas y dibujos técnicos disponibles de 'Hikoki WR14DBAL2'. Desde aquí podrá pedir todas las piezas deseadas directamente. Para muchas piezas de repuesto, es necesario pasar un pedido al fabricante. Dependiendo de la marca, el plazo de entrega puede variar entre una y cuatro semanas. Toda la información que tenemos está en nuestro sitio web. No podremos aconsejarle sobre lo que necesita hasta que entregue la máquina para su reparación. Tenga en cuenta lo siguiente a la hora de cursar su pedido:
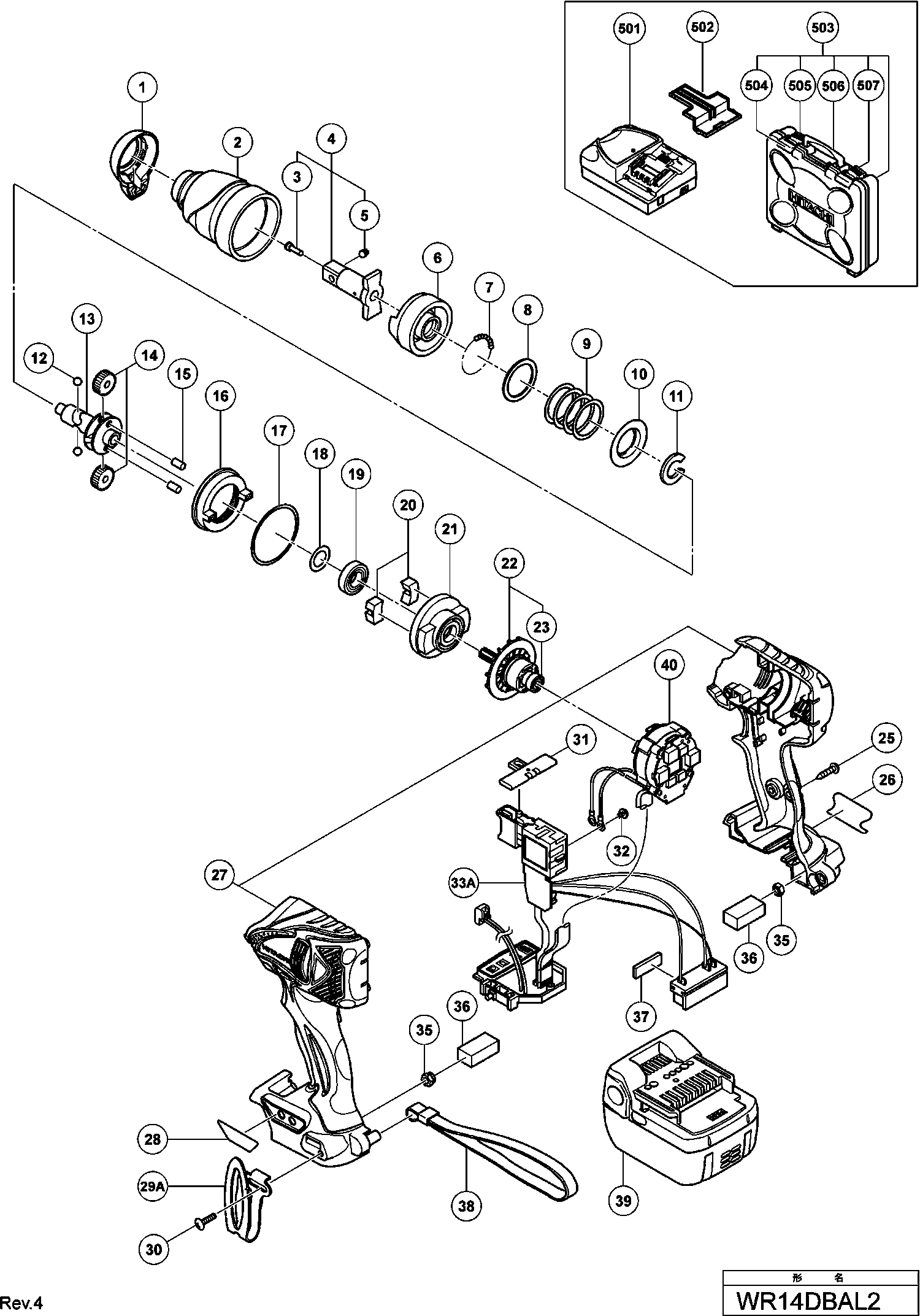
Dibujo técnico de los/las Hikoki WR14DBAL2
Lista de las piezas de repuesto de Hikoki WR14DBAL2
| Pos. | Descripción | Precio con el IVA excluido | Precio con el IVA incluido | |
| Los precios mostrados incluyen el IVA | ||||
| No hay información disponible, no se puede pedir | ||||
| *39 | 334904 | |||
| Capuchón frontal H45ma/h60ma/mb H45mr | ||||
| 1 | 334515 | 3.45 | 4.17 | |
| Caja Frontal | ||||
| 2 | 334514 | 33.55 | 40.60 | |
| Retenedor de Pasador (a) | ||||
| 3 | 323542 | 1.05 | 1.27 | |
| Yunque | ||||
| 4 | 329718 | 40.01 | 48.42 | |
| Ya no disponible, sin reemplazo | ||||
| 5 | 323541 | |||
| Émbolo (b) | ||||
| 5A | 324256 | 1.05 | 1.27 | |
| Martillo | ||||
| 6 | 326789 | 21.73 | 26.29 | |
| Bola de acero D3.175 (10 piezas) | ||||
| 7 | 959148 | 1.05 | 1.27 | |
| ARANDELA | ||||
| 8 | 315978 | 1.65 | 2.00 | |
| Muelle de martillo | ||||
| 9 | 321660 | 3.30 | 3.99 | |
| ARANDELA | ||||
| 10 | 316172 | 1.65 | 2.00 | |
| Tope | ||||
| 11 | 316171 | 4.35 | 5.26 | |
| Bola de Acero D5.556 (10 unidades) | ||||
| 12 | 959154 | 1.35 | 1.63 | |
| BARRA TOMMY | ||||
| 13 | 330658 | 26.95 | 32.61 | |
| Conjunto de engranajes en vacío (2 Pzas.) | ||||
| 14 | 326295 | 21.31 | 25.79 | |
| Rodillo de aguja | ||||
| 15 | 319914 | 1.65 | 2.00 | |
| Engranaje de Anillo | ||||
| 16 | 330657 | 3.75 | 4.54 | |
| Anillo O (s-42) | ||||
| 17 | 983852 | 1.95 | 2.36 | |
| Arandela (e) | ||||
| 18 | 330855 | 1.80 | 2.18 | |
| Rodamiento de Bolas 6901vv-n | ||||
| 19 | 323118 | 6.75 | 8.17 | |
| Anillo amortiguador | ||||
| 20 | 333952 | 1.80 | 2.18 | |
| Cubierta interior | ||||
| 21 | 326786 | 1.80 | 2.18 | |
| Conjunto de Rotor Includ.23 | ||||
| 22 | 334565 | 82.36 | 99.66 | |
| Rodamiento de bolas 624dd | ||||
| 23 | 333784 | 3.45 | 4.17 | |
| Tornillo de roscado D4x20 con brida (negro) | ||||
| 25 | 301653 | 1.04 | 1.26 | |
| Vivienda(a+b) (verde) | ||||
| 27 | 334151 | 28.46 | 34.44 | |
| Hoja de panel (a) | ||||
| 28 | 330662 | 3.45 | 4.17 | |
| No hay información disponible, no se puede pedir | ||||
| 29A | 335724 | |||
| HAAK (OUD 335724) | ||||
| 29B | 372200 | 7.02 | 8.49 | |
| Tornillo M4 | ||||
| 30 | 327001 | 1.80 | 2.18 | |
| Botón De Empuje | ||||
| 31 | 321661 | 1.65 | 2.00 | |
| Tornillo de Máquina M3x5 con Anillo | ||||
| 32 | 994532 | 1.04 | 1.26 | |
| Interruptor de control de velocidad de CC | ||||
| 33A | 334982 | 22.41 | 27.12 | |
| Tuerca de bloqueo M4 (negro) | ||||
| 35 | 327002 | 1.80 | 2.18 | |
| Junta | ||||
| 36 | 328644 | 1.80 | 2.18 | |
| Cojín C18dmr | ||||
| 37 | 331101 | 1.80 | 2.18 | |
| Correa (negra) | ||||
| 38 | 306952 | 4.05 | 4.90 | |
| No hay información disponible, no se puede pedir | ||||
| 39 | 334904 | |||
| Ensamblaje de Cableado | ||||
| 40 | 337688 | 154.55 | 187.01 | |
| Tapa protectora para batería | ||||
| 502 | 329897 | 1.80 | 2.18 | |
| No hay información disponible, no se puede pedir | ||||
| 503 | 329440 | |||
| Cierre (gris oscuro) | ||||
| 504 | 334233 | 1.80 | 2.18 | |
| Perilla (l) Gris Oscuro | ||||
| 505 | 334235 | 1.80 | 2.18 | |
| Palanca KA 65 | ||||
| 506 | 334232 | 3.45 | 4.17 | |
| Perilla (r) Gris oscuro | ||||
| 507 | 334234 | 1.80 | 2.18 | |
| No hay información disponible, no se puede pedir | ||||
| 601 | 873537 | |||
| No hay información disponible, no se puede pedir | ||||
| 602 | 873187 | |||
| No hay información disponible, no se puede pedir | ||||
| 603 | 991481 | |||
| No hay información disponible, no se puede pedir | ||||
| 604 | 992610 | |||
| No hay información disponible, no se puede pedir | ||||
| 605 | 955153 | |||
| No hay información disponible, no se puede pedir | ||||
| 606 | 991476 | |||
| No hay información disponible, no se puede pedir | ||||
| 607 | 944291 | |||
| No hay información disponible, no se puede pedir | ||||
| 608 | 873632 | |||
| No hay información disponible, no se puede pedir | ||||
| 609 | 873539 | |||
| No hay información disponible, no se puede pedir | ||||
| 610 | 873540 | |||
| No hay información disponible, no se puede pedir | ||||
| 611 | 873536 | |||
| No hay información disponible, no se puede pedir | ||||
| 612 | 873624 | |||
| No hay información disponible, no se puede pedir | ||||
| 613 | 873626 | |||
| No hay información disponible, no se puede pedir | ||||
| 614 | 873627 | |||
| No hay información disponible, no se puede pedir | ||||
| 615 | 986058 | |||
| No hay información disponible, no se puede pedir | ||||
| 616 | 873633 | |||
| No hay información disponible, no se puede pedir | ||||
| 617 | 955138 | |||
| No hay información disponible, no se puede pedir | ||||
| 618 | 955139 | |||
| No hay información disponible, no se puede pedir | ||||
| 619 | 955140 | |||
| No hay información disponible, no se puede pedir | ||||
| 620 | 955141 | |||
| No hay información disponible, no se puede pedir | ||||
| 621 | 955149 | |||
| No hay información disponible, no se puede pedir | ||||
| 622 | 955142 | |||
| No hay información disponible, no se puede pedir | ||||
| 623 | 955150 | |||
| No hay información disponible, no se puede pedir | ||||
| 624 | 955143 | |||
| No hay información disponible, no se puede pedir | ||||
| 625 | 955151 | |||
| No hay información disponible, no se puede pedir | ||||
| 626 | 991480 | |||
| No hay información disponible, no se puede pedir | ||||
| 627 | 955144 | |||
| No hay información disponible, no se puede pedir | ||||
| 628 | 993658 | |||
| No hay información disponible, no se puede pedir | ||||
| 629 | 993659 | |||
| SOCKET ASS'Y FOR DUCT 13MMX95L | ||||
| 630 | 992613 | 75.96 | 91.91 | |
| No hay información disponible, no se puede pedir | ||||
| 631 | 992614 | |||
| No hay información disponible, no se puede pedir | ||||
| 632 | 992615 | |||
| No hay información disponible, no se puede pedir | ||||
| 633 | 992616 | |||
| Grasa (attolub Ms No.2) 500g | ||||
| 634 | 309922 | 73.01 | 88.35 | |
| No hay información disponible, no se puede pedir | ||||
| 635 | 306927 | |||