Aquí encontrará todas las piezas y dibujos técnicos disponibles de 'Hikoki WR14DSDL'. Desde aquí podrá pedir todas las piezas deseadas directamente. Para muchas piezas de repuesto, es necesario pasar un pedido al fabricante. Dependiendo de la marca, el plazo de entrega puede variar entre una y cuatro semanas. Toda la información que tenemos está en nuestro sitio web. No podremos aconsejarle sobre lo que necesita hasta que entregue la máquina para su reparación. Tenga en cuenta lo siguiente a la hora de cursar su pedido:
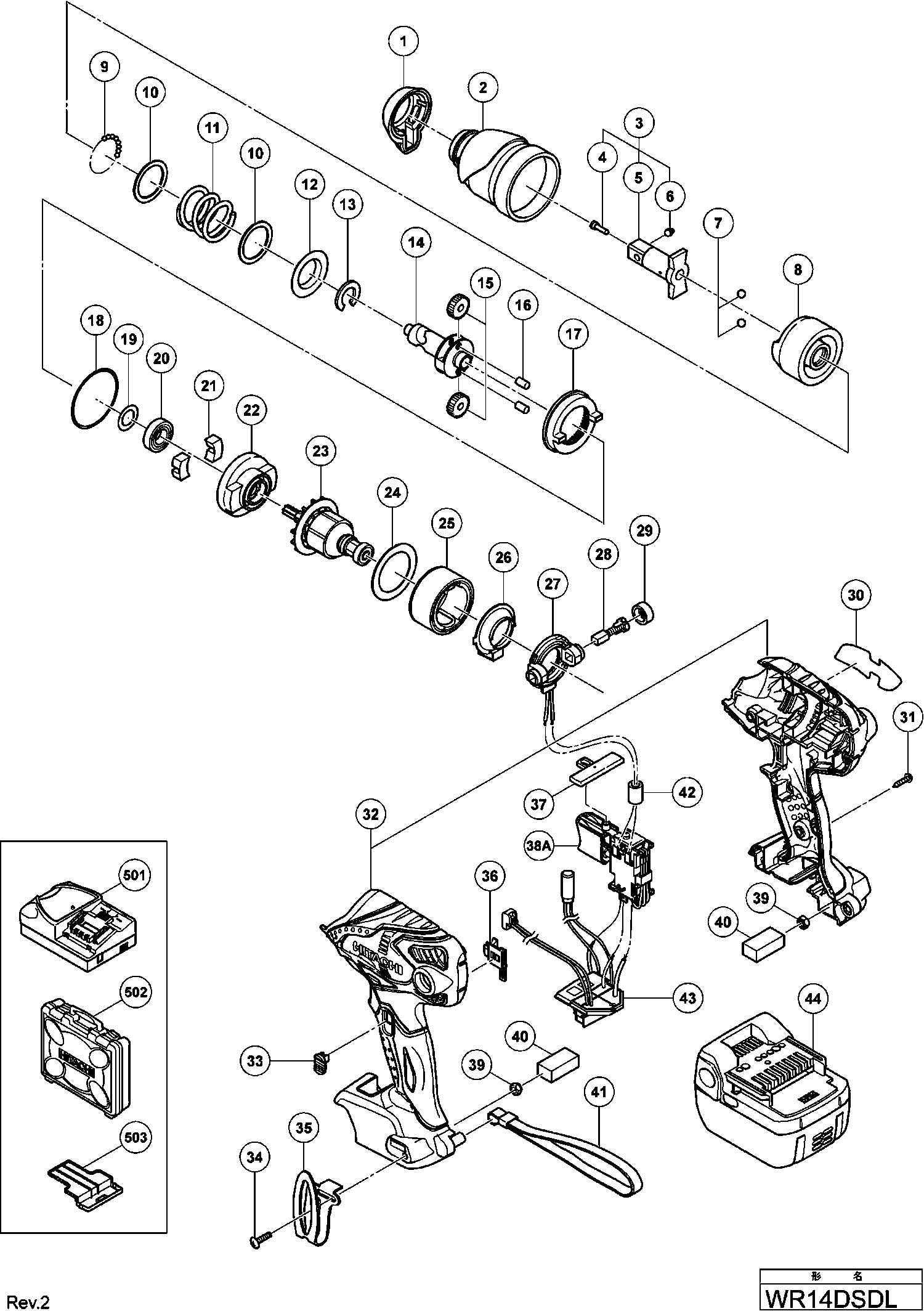
Dibujo técnico de los/las Hikoki WR14DSDL
Lista de las piezas de repuesto de Hikoki WR14DSDL
| Pos. | Descripción | Precio con el IVA excluido | Precio con el IVA incluido | |
| Los precios mostrados incluyen el IVA | ||||
| No hay información disponible, no se puede pedir | ||||
| *44 | 334727 | |||
| Capuchón frontal H45ma/h60ma/mb H45mr | ||||
| 1 | 332198 | 3.38 | 4.08 | |
| Caja del martillo | ||||
| 2 | 332200 | 19.05 | 23.05 | |
| Yunque | ||||
| 3 | 332196 | 17.13 | 20.72 | |
| Retenedor de Pasador (b) | ||||
| 4 | 324257 | 1.05 | 1.27 | |
| No hay información disponible, no se puede pedir | ||||
| 5 | 332197 | |||
| Émbolo (b) | ||||
| 6 | 324256 | 1.05 | 1.27 | |
| Bola de Acero D5.556 (10 unidades) | ||||
| 7 | 959154 | 1.35 | 1.63 | |
| Golpeador | ||||
| 8 | 333749 | 20.90 | 25.29 | |
| Bola de acero D3.175 (10 piezas) | ||||
| 9 | 959148 | 1.05 | 1.27 | |
| ARANDELA | ||||
| 10 | 315978 | 1.65 | 2.00 | |
| Muelle de martillo (f) | ||||
| 11 | 324224 | 3.30 | 3.99 | |
| ARANDELA | ||||
| 12 | 316172 | 1.65 | 2.00 | |
| TOPE (B) | ||||
| 13 | 324222 | 1.05 | 1.27 | |
| BARRA TOMMY | ||||
| 14 | 332186 | 33.55 | 40.60 | |
| Conjunto de engranajes en vacío (2 Pzas.) | ||||
| 15 | 326295 | 21.31 | 25.79 | |
| Rodillo de aguja | ||||
| 16 | 319914 | 1.65 | 2.00 | |
| Engranaje de Anillo | ||||
| 17 | 326787 | 13.89 | 16.80 | |
| Anillo O (s-42) | ||||
| 18 | 983852 | 1.95 | 2.36 | |
| Arandela | ||||
| 19 | 319911 | 1.65 | 2.00 | |
| No hay información disponible, no se puede pedir | ||||
| 20 | 6901VV | |||
| AMORTIGUADOR | ||||
| 21 | 324230 | 1.05 | 1.27 | |
| Tapa de cobertura STM 1800 | ||||
| 22 | 332185 | 3.45 | 4.17 | |
| Conjunto de Armadura y Piñón | ||||
| 23 | 360949 | 44.41 | 53.74 | |
| Arandela (a) | ||||
| 24 | 324607 | 1.05 | 1.27 | |
| Imán (j) Ass'y Incl.24 | ||||
| 25 | 334901 | 79.89 | 96.66 | |
| Anillo de polvo | ||||
| 26 | 324228 | 1.05 | 1.27 | |
| Bloque de cepillo completo | ||||
| 27 | 334955 | 6.15 | 7.44 | |
| Cepillos de carbono 5x6x11,5 (2 piezas) | ||||
| 28 | 999054 | 6.45 | 7.80 | |
| Tapa del cepillo | ||||
| 29 | 319918 | 3.30 | 3.99 | |
| Tornillo de roscado D4x20 con brida (negro) | ||||
| 31 | 301653 | 1.04 | 1.26 | |
| Caja (a).(b) Conjunto | ||||
| 32 | 334954 | 19.11 | 23.13 | |
| Caja (a).(b) Conjunto | ||||
| 32A | 334954 | 19.11 | 23.13 | |
| Palanca (a) | ||||
| 33 | 329519 | 1.80 | 2.18 | |
| Tornillo M4 | ||||
| 34 | 327001 | 1.80 | 2.18 | |
| GANCHO | ||||
| 35 | 332824 | 4.58 | 5.54 | |
| Palanca (b) | ||||
| 36 | 329520 | 1.80 | 2.18 | |
| Botón de empuje | ||||
| 37 | 329454 | 1.05 | 1.27 | |
| Interruptor | ||||
| 38A | 337392 | 14.99 | 18.13 | |
| Tuerca de bloqueo M4 (negro) | ||||
| 39 | 327002 | 1.80 | 2.18 | |
| Junta | ||||
| 40 | 328644 | 1.80 | 2.18 | |
| Correa (negra) | ||||
| 41 | 306952 | 4.05 | 4.90 | |
| Tubo termorretráctil | ||||
| 42 | 318247 | 1.05 | 1.27 | |
| Set de terminales del controlador | ||||
| 43 | 334957 | 45.65 | 55.24 | |
| No hay información disponible, no se puede pedir | ||||
| 44 | 334727 | |||
| No hay información disponible, no se puede pedir | ||||
| 502 | 337140 | |||
| Tapa protectora para batería | ||||
| 503 | 329897 | 1.80 | 2.18 | |
| No hay información disponible, no se puede pedir | ||||
| 601 | 873537 | |||
| No hay información disponible, no se puede pedir | ||||
| 602 | 873187 | |||
| No hay información disponible, no se puede pedir | ||||
| 603 | 991481 | |||
| No hay información disponible, no se puede pedir | ||||
| 604 | 992610 | |||
| No hay información disponible, no se puede pedir | ||||
| 605 | 955153 | |||
| No hay información disponible, no se puede pedir | ||||
| 606 | 991476 | |||
| No hay información disponible, no se puede pedir | ||||
| 607 | 944291 | |||
| No hay información disponible, no se puede pedir | ||||
| 608 | 873632 | |||
| No hay información disponible, no se puede pedir | ||||
| 609 | 873539 | |||
| No hay información disponible, no se puede pedir | ||||
| 610 | 873540 | |||
| No hay información disponible, no se puede pedir | ||||
| 611 | 873536 | |||
| No hay información disponible, no se puede pedir | ||||
| 612 | 873624 | |||
| No hay información disponible, no se puede pedir | ||||
| 613 | 873626 | |||
| No hay información disponible, no se puede pedir | ||||
| 614 | 873627 | |||
| No hay información disponible, no se puede pedir | ||||
| 615 | 986058 | |||
| No hay información disponible, no se puede pedir | ||||
| 616 | 873633 | |||
| No hay información disponible, no se puede pedir | ||||
| 617 | 955138 | |||
| No hay información disponible, no se puede pedir | ||||
| 618 | 955139 | |||
| No hay información disponible, no se puede pedir | ||||
| 619 | 955140 | |||
| No hay información disponible, no se puede pedir | ||||
| 620 | 955141 | |||
| No hay información disponible, no se puede pedir | ||||
| 621 | 955149 | |||
| No hay información disponible, no se puede pedir | ||||
| 622 | 955142 | |||
| No hay información disponible, no se puede pedir | ||||
| 623 | 955150 | |||
| No hay información disponible, no se puede pedir | ||||
| 624 | 955143 | |||
| No hay información disponible, no se puede pedir | ||||
| 625 | 955151 | |||
| No hay información disponible, no se puede pedir | ||||
| 626 | 991480 | |||
| No hay información disponible, no se puede pedir | ||||
| 627 | 955144 | |||
| No hay información disponible, no se puede pedir | ||||
| 628 | 993658 | |||
| No hay información disponible, no se puede pedir | ||||
| 629 | 993659 | |||
| SOCKET ASS'Y FOR DUCT 13MMX95L | ||||
| 630 | 992613 | 75.96 | 91.91 | |
| No hay información disponible, no se puede pedir | ||||
| 631 | 992614 | |||
| No hay información disponible, no se puede pedir | ||||
| 632 | 992615 | |||
| No hay información disponible, no se puede pedir | ||||
| 633 | 992616 | |||
| Grasa (attolub Ms No.2) 500g | ||||
| 634 | 309922 | 73.01 | 88.35 | |
| No hay información disponible, no se puede pedir | ||||
| 635 | 306927 | |||