Aquí encontrará todas las piezas y dibujos técnicos disponibles de 'Hikoki WR14DSL'. Desde aquí podrá pedir todas las piezas deseadas directamente. Para muchas piezas de repuesto, es necesario pasar un pedido al fabricante. Dependiendo de la marca, el plazo de entrega puede variar entre una y cuatro semanas. Toda la información que tenemos está en nuestro sitio web. No podremos aconsejarle sobre lo que necesita hasta que entregue la máquina para su reparación. Tenga en cuenta lo siguiente a la hora de cursar su pedido:
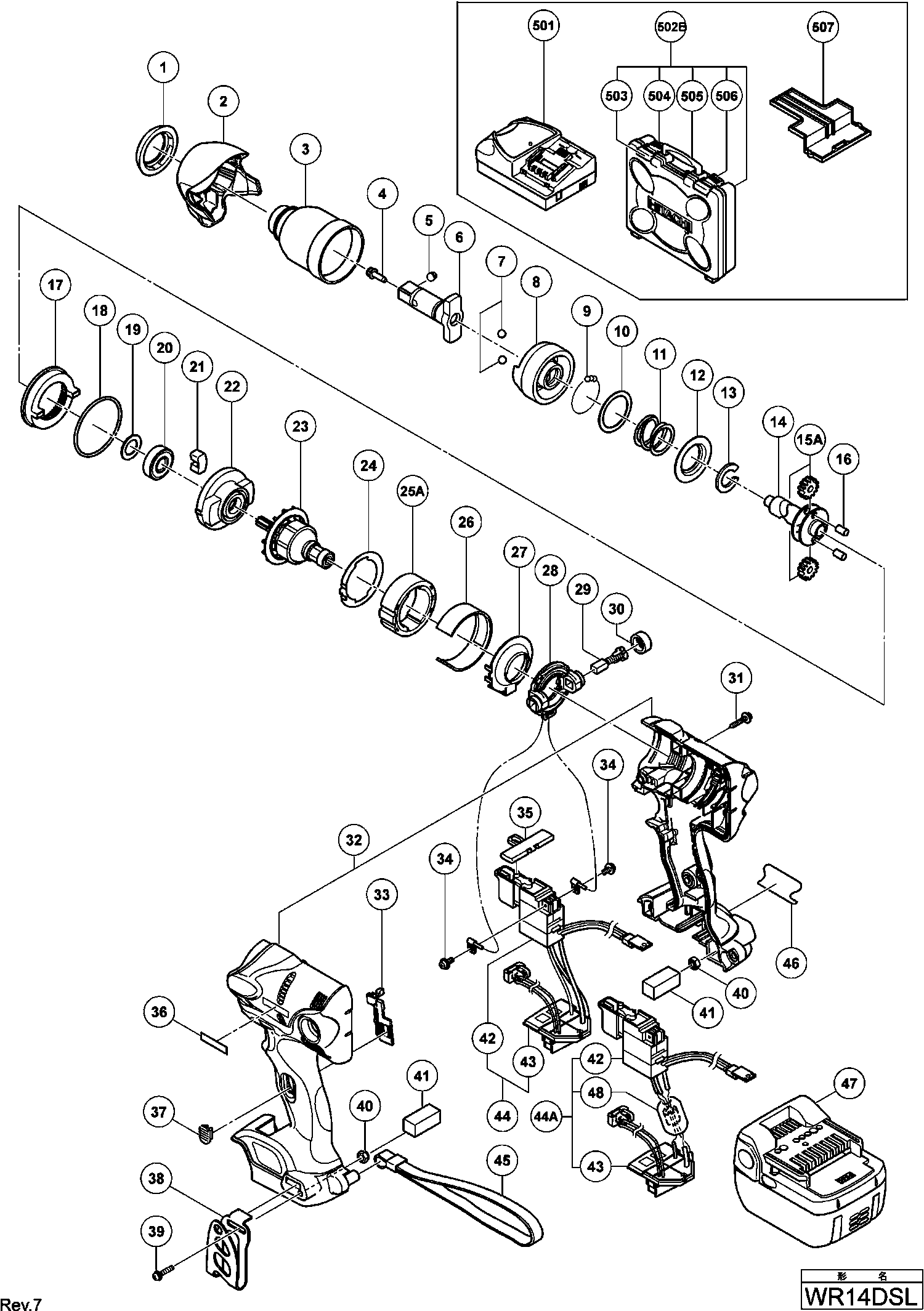
Dibujo técnico de los/las Hikoki WR14DSL
Lista de las piezas de repuesto de Hikoki WR14DSL
| Pos. | Descripción | Precio con el IVA excluido | Precio con el IVA incluido | |
| Los precios mostrados incluyen el IVA | ||||
| Carcasa (a+b) Verde | ||||
| *32 | 329710 | 36.99 | 44.75 | |
| Vivienda (a+b) Blanco Includ.33,37 | ||||
| *32 | 329827 | 36.99 | 44.75 | |
| Capuchón frontal H45ma/h60ma/mb H45mr | ||||
| 1 | 327766 | 1.80 | 2.18 | |
| MANGUITO AISLANTE | ||||
| 2 | 327765 | 3.45 | 4.17 | |
| Caja Frontal | ||||
| 3 | 328041 | 23.79 | 28.78 | |
| Retenedor de Pasador (a) | ||||
| 4 | 323542 | 1.05 | 1.27 | |
| Ya no disponible, sin reemplazo | ||||
| 5 | 323541 | |||
| Émbolo (b) | ||||
| 5A | 324256 | 1.05 | 1.27 | |
| Yunque | ||||
| 6 | 329718 | 40.01 | 48.42 | |
| Bola de Acero D5.556 (10 unidades) | ||||
| 7 | 959154 | 1.35 | 1.63 | |
| Martillo | ||||
| 8 | 326789 | 21.73 | 26.29 | |
| Bola de acero D3.175 (10 piezas) | ||||
| 9 | 959148 | 1.05 | 1.27 | |
| ARANDELA | ||||
| 10 | 315978 | 1.65 | 2.00 | |
| Muelle de martillo | ||||
| 11 | 321660 | 3.30 | 3.99 | |
| ARANDELA | ||||
| 12 | 316172 | 1.65 | 2.00 | |
| Tope | ||||
| 13 | 316171 | 4.35 | 5.26 | |
| BARRA TOMMY | ||||
| 14 | 321666 | 32.18 | 38.93 | |
| Conjunto de engranajes en vacío (2 Pzas.) | ||||
| 15A | 326295 | 21.31 | 25.79 | |
| Rodillo de aguja | ||||
| 16 | 319914 | 1.65 | 2.00 | |
| Engranaje de Anillo | ||||
| 17 | 326787 | 13.89 | 16.80 | |
| Anillo O (s-42) | ||||
| 18 | 983852 | 1.95 | 2.36 | |
| Arandela | ||||
| 19 | 319911 | 1.65 | 2.00 | |
| Rodamiento de Bolas 6901vv-n | ||||
| 20 | 323118 | 6.75 | 8.17 | |
| Anillo amortiguador | ||||
| 21 | 319909 | 4.80 | 5.81 | |
| Cubierta interior | ||||
| 22 | 326786 | 1.80 | 2.18 | |
| Conjunto de Inducido Dc 14.4v | ||||
| 23 | 360752 | 64.76 | 78.36 | |
| Brazo lateral (antiguo 321659) | ||||
| 24 | 323327 | 1.65 | 2.00 | |
| Imán (m) | ||||
| 25A | 334899 | 100.65 | 121.79 | |
| ABRAZADERA DE CABLE | ||||
| 26 | 324828 | 3.45 | 4.17 | |
| Anillo de polvo | ||||
| 27 | 324830 | 1.80 | 2.18 | |
| Bloque de cepillo completo | ||||
| 28 | 321662 | 10.95 | 13.25 | |
| Cepillos de carbono 5x6x11,5 (2 piezas) | ||||
| 29 | 999054 | 6.45 | 7.80 | |
| Tapa del cepillo | ||||
| 30 | 319918 | 3.30 | 3.99 | |
| Tornillo de roscado D4x20 con brida (negro) | ||||
| 31 | 301653 | 1.04 | 1.26 | |
| Carcasa (a+b) Verde | ||||
| 32 | 329710 | 36.99 | 44.75 | |
| Vivienda (a+b) Blanco Includ.33,37 | ||||
| 32 | 329827 | 36.99 | 44.75 | |
| Botón giratorio ABB OHYS2AJ | ||||
| 33 | 326782 | 1.80 | 2.18 | |
| Tornillo de Máquina M3x5 con Anillo | ||||
| 34 | 994532 | 1.04 | 1.26 | |
| Botón De Empuje | ||||
| 35 | 321661 | 1.65 | 2.00 | |
| No hay información disponible, no se puede pedir | ||||
| 37 | 326783 | |||
| Ya no disponible, sin reemplazo | ||||
| 38 | 326790 | |||
| Tornillo M4 | ||||
| 39 | 327001 | 1.80 | 2.18 | |
| Tuerca de bloqueo M4 (negro) | ||||
| 39 | 327002 | 1.80 | 2.18 | |
| Tuerca de bloqueo M4 (negro) | ||||
| 40 | 327002 | 1.80 | 2.18 | |
| Junta | ||||
| 40 | 327004 | 1.80 | 2.18 | |
| Junta | ||||
| 41 | 327004 | 1.80 | 2.18 | |
| Interruptor | ||||
| 42 | 326784 | 73.98 | 89.51 | |
| No hay información disponible, no se puede pedir | ||||
| 43 | 329708 | |||
| No hay información disponible, no se puede pedir | ||||
| 44 | 329707 | |||
| INTERRUPTOR + CONTACTOS | ||||
| 44A | 334874 | 88.41 | 106.98 | |
| Correa (negra) | ||||
| 45 | 306952 | 4.05 | 4.90 | |
| No hay información disponible, no se puede pedir | ||||
| 47 | 329083 | |||
| Conjunto de soporte de ferrita desde 3.2012 para E | ||||
| 48 | 334873 | 4.20 | 5.08 | |
| No hay información disponible, no se puede pedir | ||||
| 502B | 329440 | |||
| No hay información disponible, no se puede pedir | ||||
| 503 | 324093 | |||
| No hay información disponible, no se puede pedir | ||||
| 504 | 324096 | |||
| Palanca KA 65 | ||||
| 505 | 324090 | 3.45 | 4.17 | |
| No hay información disponible, no se puede pedir | ||||
| 506 | 324099 | |||
| Tapa protectora para batería | ||||
| 507 | 329897 | 1.80 | 2.18 | |
| No hay información disponible, no se puede pedir | ||||
| 617 | 873537 | |||
| No hay información disponible, no se puede pedir | ||||
| 618 | 873187 | |||
| No hay información disponible, no se puede pedir | ||||
| 619 | 991481 | |||
| No hay información disponible, no se puede pedir | ||||
| 620 | 992610 | |||
| No hay información disponible, no se puede pedir | ||||
| 621 | 955153 | |||
| No hay información disponible, no se puede pedir | ||||
| 622 | 991476 | |||
| No hay información disponible, no se puede pedir | ||||
| 623 | 991480 | |||
| No hay información disponible, no se puede pedir | ||||
| 624 | 944291 | |||
| No hay información disponible, no se puede pedir | ||||
| 625 | 873632 | |||
| No hay información disponible, no se puede pedir | ||||
| 626 | 873539 | |||
| No hay información disponible, no se puede pedir | ||||
| 627 | 873540 | |||
| No hay información disponible, no se puede pedir | ||||
| 628 | 873536 | |||
| No hay información disponible, no se puede pedir | ||||
| 629 | 873624 | |||
| No hay información disponible, no se puede pedir | ||||
| 630 | 873626 | |||
| No hay información disponible, no se puede pedir | ||||
| 631 | 873627 | |||
| No hay información disponible, no se puede pedir | ||||
| 632 | 986058 | |||
| No hay información disponible, no se puede pedir | ||||
| 633 | 873633 | |||
| No hay información disponible, no se puede pedir | ||||
| 634 | 955151 | |||
| No hay información disponible, no se puede pedir | ||||
| 635 | 955138 | |||
| No hay información disponible, no se puede pedir | ||||
| 636 | 955139 | |||
| No hay información disponible, no se puede pedir | ||||
| 637 | 955140 | |||
| No hay información disponible, no se puede pedir | ||||
| 638 | 955141 | |||
| No hay información disponible, no se puede pedir | ||||
| 639 | 955142 | |||
| No hay información disponible, no se puede pedir | ||||
| 640 | 955149 | |||
| No hay información disponible, no se puede pedir | ||||
| 641 | 955150 | |||
| No hay información disponible, no se puede pedir | ||||
| 642 | 955143 | |||
| No hay información disponible, no se puede pedir | ||||
| 643 | 955144 | |||
| SOCKET ASS'Y FOR DUCT 13MMX95L | ||||
| 644 | 992613 | 75.96 | 91.91 | |
| No hay información disponible, no se puede pedir | ||||
| 645 | 992614 | |||
| No hay información disponible, no se puede pedir | ||||
| 646 | 992615 | |||
| No hay información disponible, no se puede pedir | ||||
| 647 | 992616 | |||
| No hay información disponible, no se puede pedir | ||||
| 648 | 993658 | |||
| No hay información disponible, no se puede pedir | ||||
| 649 | 993659 | |||
| Grasa (attolub Ms No.2) 500g | ||||
| 650 | 309922 | 73.01 | 88.35 | |
| No hay información disponible, no se puede pedir | ||||
| 651 | 306927 | |||