Aquí encontrará todas las piezas y dibujos técnicos disponibles de 'Hikoki WR18DHL'. Desde aquí podrá pedir todas las piezas deseadas directamente. Para muchas piezas de repuesto, es necesario pasar un pedido al fabricante. Dependiendo de la marca, el plazo de entrega puede variar entre una y cuatro semanas. Toda la información que tenemos está en nuestro sitio web. No podremos aconsejarle sobre lo que necesita hasta que entregue la máquina para su reparación. Tenga en cuenta lo siguiente a la hora de cursar su pedido:
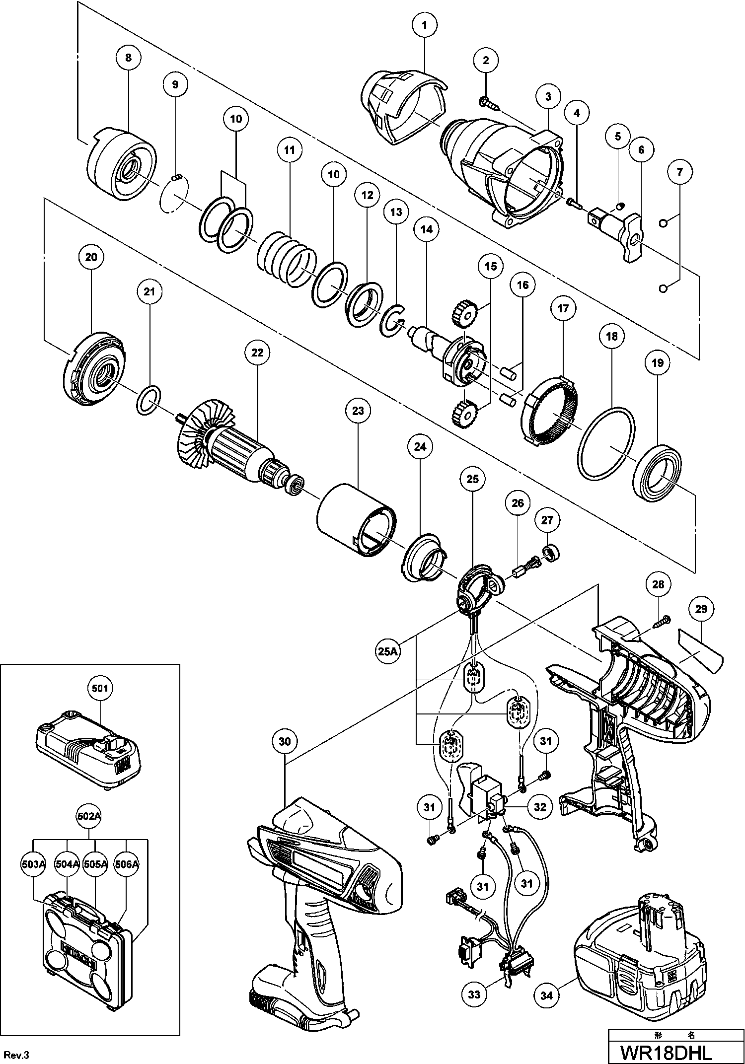
Dibujo técnico de los/las Hikoki WR18DHL
Lista de las piezas de repuesto de Hikoki WR18DHL
| Pos. | Descripción | Precio con el IVA excluido | Precio con el IVA incluido | |
| Los precios mostrados incluyen el IVA | ||||
| Tapón Frontal Wh10dl | ||||
| 1 | 333809 | 4.20 | 5.08 | |
| Tornillo de chapa (con arandela sp.) D5x35 (negro) | ||||
| 2 | 334307 | 1.20 | 1.45 | |
| Caja del martillo | ||||
| 3 | 333798 | 22.83 | 27.62 | |
| Retenedor de Pasador (b) | ||||
| 4 | 324257 | 1.05 | 1.27 | |
| Émbolo (b) | ||||
| 5 | 324256 | 1.05 | 1.27 | |
| Yunque (c) | ||||
| 6 | 334308 | 167.75 | 202.98 | |
| Bola de acero D6.35 (10 piezas) | ||||
| 7 | 959150 | 1.35 | 1.63 | |
| Golpeador | ||||
| 8 | 333799 | 32.31 | 39.10 | |
| Bola de Acero D3.97 (10 unidades) | ||||
| 9 | 959155 | 1.04 | 1.26 | |
| Anillo de sellado Wh 10dcl | ||||
| 10 | 333800 | 1.20 | 1.45 | |
| Muelle de Martillo Wh 10dl | ||||
| 11 | 333801 | 3.15 | 3.81 | |
| Anillo de sellado Wh 10dcl | ||||
| 12 | 333802 | 2.10 | 2.54 | |
| Disco de freno | ||||
| 13 | 333803 | 2.10 | 2.54 | |
| BARRA TOMMY | ||||
| 14 | 333804 | 14.85 | 17.97 | |
| Conjunto de engranajes en vacío (2 Pzas.) | ||||
| 15 | 333805 | 12.45 | 15.06 | |
| Rodillo de aguja | ||||
| 16 | 333806 | 1.05 | 1.27 | |
| Engranaje de Anillo | ||||
| 17 | 333807 | 4.65 | 5.63 | |
| Anillo-O (s-70) | ||||
| 18 | 878863 | 2.40 | 2.90 | |
| Rodamiento de bolas 61907 (gb) | ||||
| 19 | 334310 | 14.25 | 17.24 | |
| Tapa de cobertura STM 1800 | ||||
| 20 | 333808 | 8.40 | 10.16 | |
| ANILLO O (s-24) | ||||
| 21 | 878609 | 1.05 | 1.27 | |
| Armazón | ||||
| 22 | 360922 | 117.84 | 142.58 | |
| Imán | ||||
| 23 | 333796 | 14.30 | 17.30 | |
| Anillo de polvo | ||||
| 24 | 333797 | 2.10 | 2.54 | |
| Bloque de cepillo completo | ||||
| 25 | 334311 | 4.65 | 5.63 | |
| Ya no disponible, sin reemplazo | ||||
| 25A | 334894 | |||
| Escobillas de Carbono (2 Piezas) | ||||
| 26 | 999100 | 4.20 | 5.08 | |
| Tapa del cepillo | ||||
| 27 | 319847 | 1.65 | 2.00 | |
| Tornillo de roscado D4x20 con brida (negro) | ||||
| 28 | 301653 | 1.04 | 1.26 | |
| No hay información disponible, no se puede pedir | ||||
| 30 | 333812 | |||
| Tornillo de máquina (con arandela) M3.5x6 | ||||
| 31 | 307887 | 1.04 | 1.26 | |
| Interruptor | ||||
| 32 | 333795 | 22.83 | 27.62 | |
| No hay información disponible, no se puede pedir | ||||
| 33 | 334315 | |||
| No hay información disponible, no se puede pedir | ||||
| 34 | 326240 | |||
| No hay información disponible, no se puede pedir | ||||
| 502A | 337138 | |||
| Pestillo (gris) | ||||
| 503A | 337247 | 1.35 | 1.63 | |
| Perilla (l) Gris | ||||
| 504A | 337245 | 1.35 | 1.63 | |
| Empuñadura para maletín | ||||
| 505A | 337244 | 1.65 | 2.00 | |
| Perilla (r) Gris | ||||
| 506A | 337246 | 1.35 | 1.63 | |
| No hay información disponible, no se puede pedir | ||||
| 601 | 986062 | |||
| No hay información disponible, no se puede pedir | ||||
| 602 | 873537 | |||
| No hay información disponible, no se puede pedir | ||||
| 603 | 873187 | |||
| No hay información disponible, no se puede pedir | ||||
| 604 | 873536 | |||
| No hay información disponible, no se puede pedir | ||||
| 605 | 873624 | |||
| No hay información disponible, no se puede pedir | ||||
| 606 | 873626 | |||
| No hay información disponible, no se puede pedir | ||||
| 607 | 873627 | |||
| No hay información disponible, no se puede pedir | ||||
| 608 | 873628 | |||
| No hay información disponible, no se puede pedir | ||||
| 609 | 873629 | |||
| No hay información disponible, no se puede pedir | ||||
| 610 | 873630 | |||
| No hay información disponible, no se puede pedir | ||||
| 611 | 985195 | |||
| No hay información disponible, no se puede pedir | ||||
| 612 | 985196 | |||
| No hay información disponible, no se puede pedir | ||||
| 613 | 873633 | |||
| No hay información disponible, no se puede pedir | ||||
| 614 | 955138 | |||
| No hay información disponible, no se puede pedir | ||||
| 615 | 955139 | |||
| No hay información disponible, no se puede pedir | ||||
| 616 | 955140 | |||
| No hay información disponible, no se puede pedir | ||||
| 617 | 955141 | |||
| No hay información disponible, no se puede pedir | ||||
| 618 | 955142 | |||
| No hay información disponible, no se puede pedir | ||||
| 619 | 955143 | |||
| No hay información disponible, no se puede pedir | ||||
| 620 | 955144 | |||
| No hay información disponible, no se puede pedir | ||||
| 621 | 955146 | |||
| No hay información disponible, no se puede pedir | ||||
| 622 | 955149 | |||
| No hay información disponible, no se puede pedir | ||||
| 623 | 955150 | |||
| No hay información disponible, no se puede pedir | ||||
| 624 | 955151 | |||
| No hay información disponible, no se puede pedir | ||||
| 625 | 955147 | |||
| No hay información disponible, no se puede pedir | ||||
| 626 | 985197 | |||
| No hay información disponible, no se puede pedir | ||||
| 627 | 955153 | |||
| Grasa (attolub Ms No.2) 500g | ||||
| 628 | 309922 | 73.01 | 88.35 | |