Aquí encontrará todas las piezas y dibujos técnicos disponibles de 'Hikoki WR18DL'. Desde aquí podrá pedir todas las piezas deseadas directamente. Para muchas piezas de repuesto, es necesario pasar un pedido al fabricante. Dependiendo de la marca, el plazo de entrega puede variar entre una y cuatro semanas. Toda la información que tenemos está en nuestro sitio web. No podremos aconsejarle sobre lo que necesita hasta que entregue la máquina para su reparación. Tenga en cuenta lo siguiente a la hora de cursar su pedido:
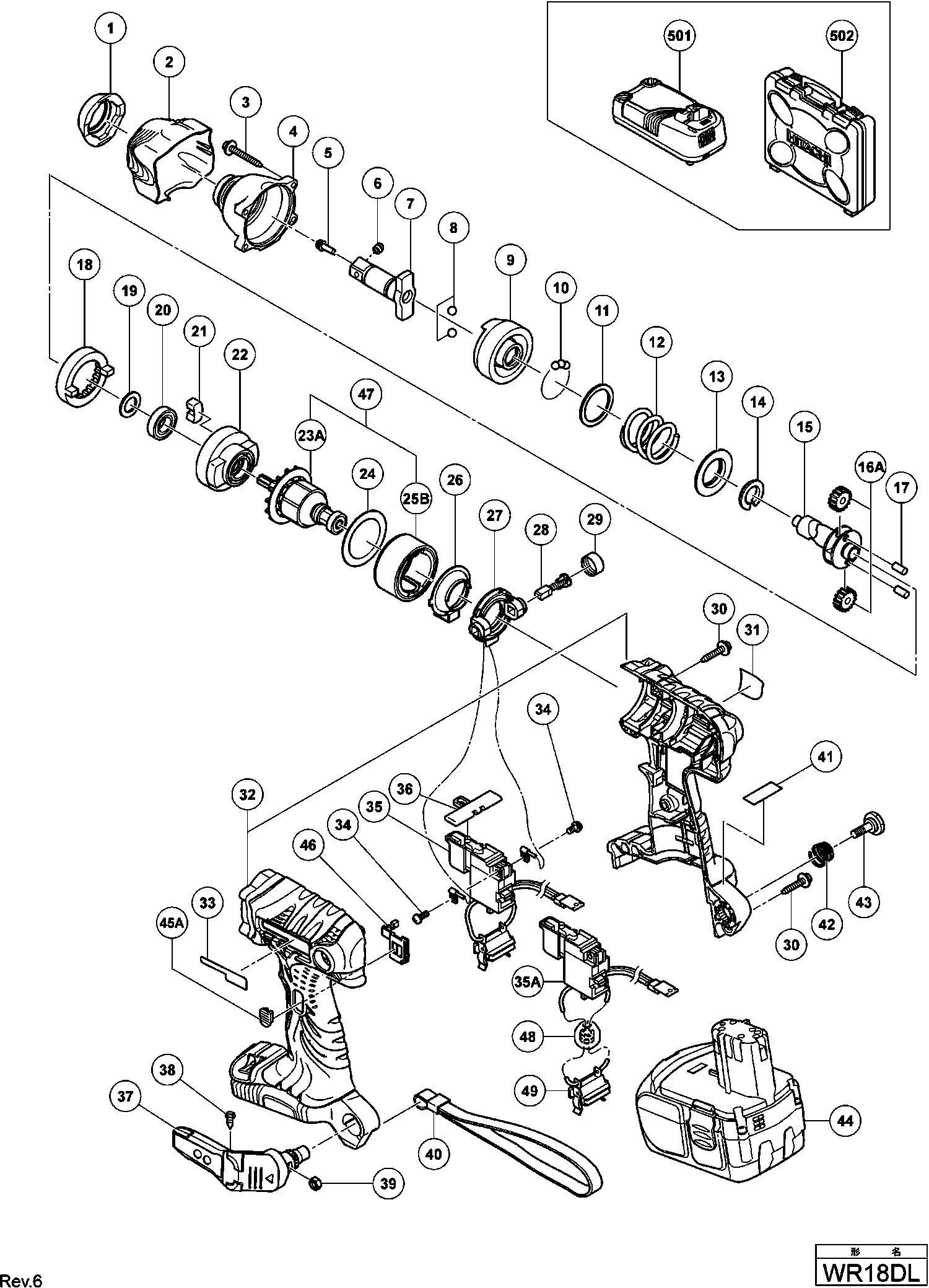
Dibujo técnico de los/las Hikoki WR18DL
Lista de las piezas de repuesto de Hikoki WR18DL
| Pos. | Descripción | Precio con el IVA excluido | Precio con el IVA incluido | |
| Los precios mostrados incluyen el IVA | ||||
| Tapa Frontal (c) | ||||
| 1 | 324238 | 1.05 | 1.27 | |
| Protección AF-DW | ||||
| 2 | 324239 | 1.05 | 1.27 | |
| Tornillo de roscado con arandela D4x30 | ||||
| 3 | 307851 | 1.05 | 1.27 | |
| Carcasa de Impacto Completa | ||||
| 4 | 324250 | 14.55 | 17.61 | |
| Retenedor de Pasador (b) | ||||
| 5 | 324257 | 1.05 | 1.27 | |
| Émbolo (b) | ||||
| 6 | 324256 | 1.05 | 1.27 | |
| No hay información disponible, no se puede pedir | ||||
| 7 | 324255 | |||
| Bola de Acero D5.556 (10 unidades) | ||||
| 8 | 959154 | 1.35 | 1.63 | |
| Martillo | ||||
| 9 | 324218 | 12.45 | 15.06 | |
| Bola de acero D3.175 (10 piezas) | ||||
| 10 | 959148 | 1.05 | 1.27 | |
| ARANDELA | ||||
| 11 | 315978 | 1.65 | 2.00 | |
| Muelle de martillo (f) | ||||
| 12 | 324224 | 3.30 | 3.99 | |
| ARANDELA | ||||
| 13 | 316172 | 1.65 | 2.00 | |
| TOPE (B) | ||||
| 14 | 324222 | 1.05 | 1.27 | |
| BARRA TOMMY | ||||
| 15 | 324232 | 16.36 | 19.80 | |
| Conjunto de engranajes en vacío (2 Pzas.) | ||||
| 16A | 326295 | 21.31 | 25.79 | |
| Rodillo de aguja | ||||
| 17 | 324234 | 1.05 | 1.27 | |
| ENGANCHE | ||||
| 18 | 320877 | 18.15 | 21.96 | |
| Arandela | ||||
| 19 | 319911 | 1.65 | 2.00 | |
| No hay información disponible, no se puede pedir | ||||
| 20 | 6901VV | |||
| AMORTIGUADOR | ||||
| 21 | 324230 | 1.05 | 1.27 | |
| Protección Interna | ||||
| 22 | 324229 | 1.05 | 1.27 | |
| No hay información disponible, no se puede pedir | ||||
| 23A | 333550 | |||
| Arandela (a) | ||||
| 24 | 324607 | 1.05 | 1.27 | |
| Imán (j) Ass'y Incl.24 | ||||
| 25B | 334901 | 79.89 | 96.66 | |
| Anillo de polvo | ||||
| 26 | 324228 | 1.05 | 1.27 | |
| Bloque de cepillo completo | ||||
| 27 | 324226 | 20.90 | 25.29 | |
| Cepillos de carbono 5x6x11,5 (2 piezas) | ||||
| 28 | 999054 | 6.45 | 7.80 | |
| Tapa del cepillo | ||||
| 29 | 319918 | 3.30 | 3.99 | |
| Tornillo autoperforante (con brida) D4x20 (negro) | ||||
| 30 | 302086 | 1.05 | 1.27 | |
| Juego de Carcasa (a) (b) | ||||
| 32 | 324240 | 20.90 | 25.29 | |
| Caja (a).(b) Conjunto | ||||
| 32 | 327051 | 20.90 | 25.29 | |
| Placa de Nombre | ||||
| 33 | 326466 | 2.10 | 2.54 | |
| Tornillo de Máquina M3x5 con Anillo | ||||
| 34 | 994532 | 1.04 | 1.26 | |
| Interruptor | ||||
| 35 | 321533 | 37.95 | 45.92 | |
| Ya no disponible, sin reemplazo | ||||
| 35A | 334885 | |||
| Botón de Empuje (b) | ||||
| 36 | 324225 | 1.05 | 1.27 | |
| No hay información disponible, no se puede pedir | ||||
| 37 | 321918 | |||
| Tornillo de rosca D2x6 | ||||
| 38 | 321672 | 1.65 | 2.00 | |
| Tuerca M5 | ||||
| 39 | 320288 | 1.65 | 2.00 | |
| Correa (negra) | ||||
| 40 | 306952 | 4.05 | 4.90 | |
| Resorte de gancho | ||||
| 42 | 319926 | 1.65 | 2.00 | |
| Tornillo especial (a) M5 | ||||
| 43 | 320881 | 1.65 | 2.00 | |
| No hay información disponible, no se puede pedir | ||||
| 44 | 326241 | |||
| Deslizar * | ||||
| 45A | 327053 | 1.05 | 1.27 | |
| Deslizar * | ||||
| 46 | 327052 | 1.05 | 1.27 | |
| No hay información disponible, no se puede pedir | ||||
| 47 | 333712 | |||
| Conjunto de soporte de ferrita desde 3.2012 para E | ||||
| 48 | 334870 | 4.65 | 5.63 | |
| No hay información disponible, no se puede pedir | ||||
| 49 | 329678 | |||
| No hay información disponible, no se puede pedir | ||||
| 502 | 323230 | |||
| No hay información disponible, no se puede pedir | ||||
| 617 | 873537 | |||
| No hay información disponible, no se puede pedir | ||||
| 618 | 873187 | |||
| No hay información disponible, no se puede pedir | ||||
| 619 | 991481 | |||
| No hay información disponible, no se puede pedir | ||||
| 620 | 992610 | |||
| No hay información disponible, no se puede pedir | ||||
| 621 | 955153 | |||
| No hay información disponible, no se puede pedir | ||||
| 622 | 991476 | |||
| No hay información disponible, no se puede pedir | ||||
| 623 | 991480 | |||
| No hay información disponible, no se puede pedir | ||||
| 624 | 944291 | |||
| No hay información disponible, no se puede pedir | ||||
| 625 | 873632 | |||
| No hay información disponible, no se puede pedir | ||||
| 626 | 873539 | |||
| No hay información disponible, no se puede pedir | ||||
| 627 | 873540 | |||
| No hay información disponible, no se puede pedir | ||||
| 628 | 873536 | |||
| No hay información disponible, no se puede pedir | ||||
| 629 | 873624 | |||
| No hay información disponible, no se puede pedir | ||||
| 630 | 873626 | |||
| No hay información disponible, no se puede pedir | ||||
| 631 | 873627 | |||
| No hay información disponible, no se puede pedir | ||||
| 632 | 986058 | |||
| No hay información disponible, no se puede pedir | ||||
| 633 | 873633 | |||
| No hay información disponible, no se puede pedir | ||||
| 634 | 955151 | |||
| No hay información disponible, no se puede pedir | ||||
| 635 | 955138 | |||
| No hay información disponible, no se puede pedir | ||||
| 636 | 955139 | |||
| No hay información disponible, no se puede pedir | ||||
| 637 | 955140 | |||
| No hay información disponible, no se puede pedir | ||||
| 638 | 955141 | |||
| No hay información disponible, no se puede pedir | ||||
| 639 | 955142 | |||
| No hay información disponible, no se puede pedir | ||||
| 640 | 955149 | |||
| No hay información disponible, no se puede pedir | ||||
| 641 | 955150 | |||
| No hay información disponible, no se puede pedir | ||||
| 642 | 955143 | |||
| No hay información disponible, no se puede pedir | ||||
| 643 | 955144 | |||
| SOCKET ASS'Y FOR DUCT 13MMX95L | ||||
| 644 | 992613 | 75.96 | 91.91 | |
| No hay información disponible, no se puede pedir | ||||
| 645 | 992614 | |||
| No hay información disponible, no se puede pedir | ||||
| 646 | 992615 | |||
| No hay información disponible, no se puede pedir | ||||
| 647 | 992616 | |||
| No hay información disponible, no se puede pedir | ||||
| 648 | 993658 | |||
| No hay información disponible, no se puede pedir | ||||
| 649 | 993659 | |||
| Grasa (attolub Ms No.2) 500g | ||||
| 650 | 309922 | 73.01 | 88.35 | |