Aquí encontrará todas las piezas y dibujos técnicos disponibles de 'Hikoki WR25SE'. Desde aquí podrá pedir todas las piezas deseadas directamente. Para muchas piezas de repuesto, es necesario pasar un pedido al fabricante. Dependiendo de la marca, el plazo de entrega puede variar entre una y cuatro semanas. Toda la información que tenemos está en nuestro sitio web. No podremos aconsejarle sobre lo que necesita hasta que entregue la máquina para su reparación. Tenga en cuenta lo siguiente a la hora de cursar su pedido:
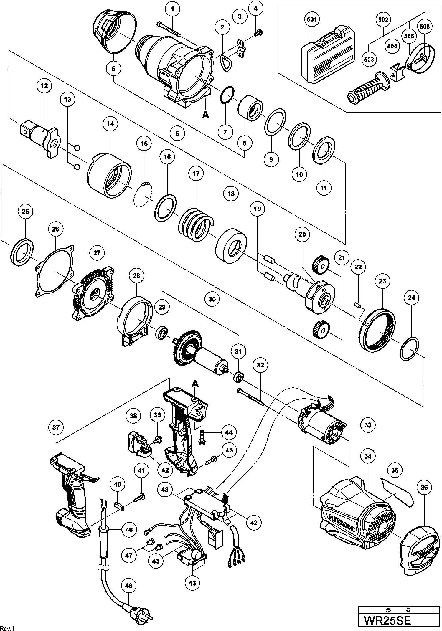
Dibujo técnico de los/las Hikoki WR25SE
Lista de las piezas de repuesto de Hikoki WR25SE
| Pos. | Descripción | Precio con el IVA excluido | Precio con el IVA incluido | |
| Los precios mostrados incluyen el IVA | ||||
| Controlador de estator (c) Set 220v-230v | ||||
| *33 | 340895E | 160.05 | 193.66 | |
| STATOR CONTROLLER (C) SET 110 VOLT | ||||
| *33 | 340895C | 137.00 | 165.77 | |
| Protector de cable D8.8 | ||||
| *46 | 380090 | 1.04 | 1.26 | |
| Casquillo del cable D10.1 | ||||
| *46 | 938051 | 1.04 | 1.26 | |
| SNOER 10.7 (USE 714500=2X1 5M) | ||||
| *48 | 500247Z | 6.18 | 7.48 | |
| Sello Bloqueado. Tornillo Allen M6x50 | ||||
| 1 | 986491 | 1.04 | 1.26 | |
| Percha (b) | ||||
| 2 | 932916 | 1.04 | 1.26 | |
| HANGER (A) | ||||
| 3 | 932915 | 1.00 | 1.21 | |
| Ya no disponible, sin reemplazo | ||||
| 4 | 993126 | |||
| Parachoques (c) Hasta 6.2016 | ||||
| 5 | 337836 | 8.55 | 10.35 | |
| BUMPER (F) (OLD 337836) | ||||
| 5A | 371207 | 1.08 | 1.31 | |
| No hay información disponible, no se puede pedir | ||||
| 6 | 337835 | |||
| Carcasa de martillo | ||||
| 6A | 371206 | 84.84 | 102.65 | |
| Anillo O (p-35) | ||||
| 7 | 319732 | 1.80 | 2.18 | |
| Metal (b) | ||||
| 8 | 337837 | 11.70 | 14.16 | |
| Arandela (c) | ||||
| 9 | 338351 | 1.50 | 1.82 | |
| Amortiguador (c) | ||||
| 10 | 338350 | 4.50 | 5.44 | |
| Arandela (b) Ds9dva/ds12dva/ds14dv Ds14dva/ds14dvb | ||||
| 11 | 337834 | 5.40 | 6.53 | |
| Yunque (c) | ||||
| 12 | 337820 | 65.31 | 79.03 | |
| Bola de acero D10.3 | ||||
| 13 | 337838 | 1.04 | 1.26 | |
| Martillo (c) | ||||
| 14 | 337832 | 64.08 | 77.53 | |
| Bola de acero D4.76 (10 piezas) | ||||
| 15 | 959149 | 1.04 | 1.26 | |
| Arandela de martillo (c) | ||||
| 16 | 337831 | 3.00 | 3.63 | |
| Resorte de martillo (c) | ||||
| 17 | 337829 | 14.30 | 17.30 | |
| Hoja de resorte (c) | ||||
| 18 | 337828 | 14.58 | 17.64 | |
| Rodillo de aguja | ||||
| 19 | 337827 | 1.80 | 2.18 | |
| EJE (C) | ||||
| 20 | 337830 | 64.08 | 77.53 | |
| Juego de engranajes en reposo (2 Pcs.) | ||||
| 21 | 338352 | 9.00 | 10.89 | |
| Rodillo de aguja | ||||
| 22 | 991449 | 1.05 | 1.27 | |
| Engranaje de Anillo | ||||
| 23 | 337839 | 13.35 | 16.15 | |
| Arandela (a) | ||||
| 24 | 337833 | 1.80 | 2.18 | |
| Metal (a) | ||||
| 25 | 337825 | 8.55 | 10.35 | |
| Empaque (c) | ||||
| 26 | 337821 | 1.05 | 1.27 | |
| Cubierta interna (c) | ||||
| 27 | 337824 | 25.03 | 30.28 | |
| Guía de ventilador (c) | ||||
| 28 | 337823 | 2.10 | 2.54 | |
| Rodamiento de bolas 6001dducmps2s (antiguo 980925) | ||||
| 29 | 6001DD | 6.45 | 7.80 | |
| Conjunto de rotor (c) Incl.29,31 | ||||
| 30 | 360989 | 150.29 | 181.85 | |
| Rodamiento de bolas 608vv | ||||
| 31 | 333945 | 1.80 | 2.18 | |
| Tornillo D5x70 | ||||
| 32 | 961400 | 1.04 | 1.26 | |
| Controlador de estator (c) Set 220v-230v | ||||
| 33 | 340895E | 160.05 | 193.66 | |
| STATOR CONTROLLER (C) SET 110 VOLT | ||||
| 33 | 340895C | 137.00 | 165.77 | |
| Caja (c) | ||||
| 34 | 338349 | 51.15 | 61.89 | |
| Caja (c) | ||||
| 34A | 338349 | 51.15 | 61.89 | |
| PARACHOQUES TRASERO (c) | ||||
| 36 | 337822 | 12.45 | 15.06 | |
| PARACHOQUES TRASERO (c) | ||||
| 36A | 337822 | 12.45 | 15.06 | |
| Juego de asas (a+b) | ||||
| 37 | 338505 | 21.45 | 25.95 | |
| Interruptor | ||||
| 38 | 337202 | 23.93 | 28.95 | |
| Tornillo de máquina M3,5x5 | ||||
| 39 | 980060 | 1.05 | 1.27 | |
| Tira de sujeción (antiguo 994566) | ||||
| 40 | 937631 | 1.04 | 1.26 | |
| No hay información disponible, no se puede pedir | ||||
| 41 | 984750 | |||
| Goma de amortiguación 30x10x3 | ||||
| 42 | 338353 | 1.04 | 1.26 | |
| Goma de amortiguación 45x10x3 | ||||
| 42 | 338354 | 1.04 | 1.26 | |
| Goma de amortiguación 45x10x3 | ||||
| 43 | 338354 | 1.04 | 1.26 | |
| Goma de amortiguación 30x10x3 | ||||
| 43 | 338353 | 1.04 | 1.26 | |
| Bolt de Hex. Socket Hd. (con arandelas) M5x20 | ||||
| 44 | 316107 | 1.80 | 2.18 | |
| Tornillo de roscado D4x20 con brida (negro) | ||||
| 45 | 301653 | 1.04 | 1.26 | |
| Tornillo D4x20 (Corbata plástica) | ||||
| 45A | 994806 | 1.04 | 1.26 | |
| Protector de cable D8.8 | ||||
| 46 | 380090 | 1.04 | 1.26 | |
| Casquillo del cable D10.1 | ||||
| 46 | 938051 | 1.04 | 1.26 | |
| Terminal de soldadura 50091 (10 piezas) | ||||
| 47 | 959140 | 3.30 | 3.99 | |
| Cable 230 Voltios Gbr | ||||
| 48 | 500450Z | 31.63 | 38.27 | |
| Cable 3M 2 X 1,0 H05vv-f con enchufe 16a CEE | ||||
| 48 | 500461Z | 17.88 | 21.63 | |
| Cordón | ||||
| 48 | 500240Z | 13.18 | 15.94 | |
| SNOER 2.5M 2 X 1.0 H05VV-F W/PLUG 13A/250V (OLD 50 | ||||
| 48 | 500423Z | 12.87 | 15.57 | |
| SNOER 10.7 (USE 714500=2X1 5M) | ||||
| 48 | 500247Z | 6.18 | 7.48 | |
| No hay información disponible, no se puede pedir | ||||
| 501 | 338503 | |||
| No hay información disponible, no se puede pedir | ||||
| 502 | 338347 | |||
| No hay información disponible, no se puede pedir | ||||
| 503 | 330209 | |||
| Porta mango Dh40ma/mb/yb/fa/mr | ||||
| 504 | 323775 | 8.25 | 9.98 | |
| Anillo de Asa | ||||
| 505 | 338502 | 13.35 | 16.15 | |
| Tornillo cuadrado | ||||
| 506 | 980903 | 1.35 | 1.63 | |