Aquí encontrará todas las piezas y dibujos técnicos disponibles de 'Makita 6095D'. Desde aquí podrá pedir todas las piezas deseadas directamente. Para muchas piezas de repuesto, es necesario pasar un pedido al fabricante. Dependiendo de la marca, el plazo de entrega puede variar entre una y cuatro semanas. Toda la información que tenemos está en nuestro sitio web. No podremos aconsejarle sobre lo que necesita hasta que entregue la máquina para su reparación. Tenga en cuenta lo siguiente a la hora de cursar su pedido:
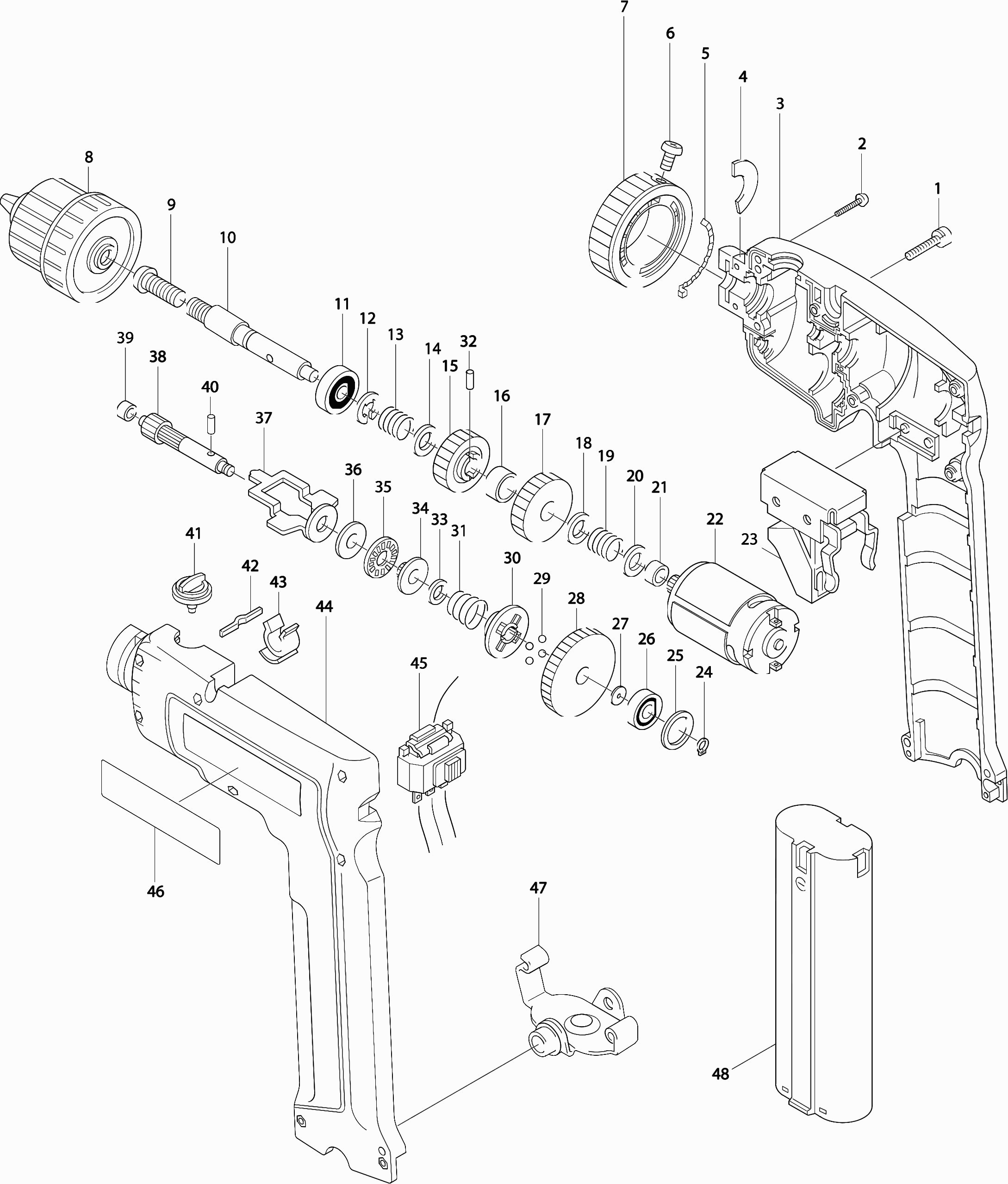
Dibujo técnico de los/las Makita 6095D
Lista de las piezas de repuesto de Makita 6095D
| Pos. | Descripción | Precio con el IVA excluido | Precio con el IVA incluido | |
| Los precios mostrados incluyen el IVA | ||||
| Tornillo de grifo 4x18 | ||||
| 001 | 265A48-7 | 1.00 | 1.21 | |
| Tornillo autorroscante Pt4x30 | ||||
| 002 | 266050-7 | 1.00 | 1.21 | |
| Ya no disponible, sin reemplazo | ||||
| 003 | 183196-3 | |||
| Etiqueta Makita | ||||
| 003A | 819063-3 | 2.40 | 2.90 | |
| No hay información disponible, no se puede pedir | ||||
| 003B | 857792-0 | |||
| Ya no disponible, sin reemplazo | ||||
| 004 | 343421-6 | |||
| Anillo de leva | ||||
| 005 | 343410-1 | 2.40 | 2.90 | |
| SCHROEF 5X12 | ||||
| 006 | 251322-3 | 1.00 | 1.21 | |
| Manga del embrague | ||||
| 007 | 410936-9 | 8.40 | 10.16 | |
| No hay información disponible, no se puede pedir | ||||
| 008 | 763154-1 | |||
| Ya no disponible, sin reemplazo | ||||
| 009 | 251451-2 | |||
| BARRA TOMMY | ||||
| 010 | 321995-7 | 11.00 | 13.31 | |
| Rodamiento de bolas 6000llb | ||||
| 011 | 211061-7 | 8.40 | 10.16 | |
| Anillo de retención E-9 | ||||
| 012 | 961015-1 | 1.00 | 1.21 | |
| Resorte de compresión 10 | ||||
| 013 | 231250-8 | 1.00 | 1.21 | |
| Arandela delgada 10 | ||||
| 014 | 253330-0 | 1.00 | 1.21 | |
| Engranaje 78 | ||||
| 015 | 221862-5 | 18.70 | 22.63 | |
| No hay información disponible, no se puede pedir | ||||
| 016 | 257073-6 | |||
| Engranaje 93 | ||||
| 017 | 221884-5 | 17.60 | 21.30 | |
| Arandela delgada 10 | ||||
| 018 | 253330-0 | 1.00 | 1.21 | |
| Resorte de compresión 10 | ||||
| 019 | 231250-8 | 1.00 | 1.21 | |
| Arandela de bloqueo 5 | ||||
| 020 | 253807-5 | 1.00 | 1.21 | |
| Cojinete de deslizamiento 5 | ||||
| 021 | 214017-9 | 1.00 | 1.21 | |
| Motor 9,6V A | ||||
| 022 | 197671-3 | 26.40 | 31.94 | |
| Interruptor encendido/apagado+li/re | ||||
| 023 | 632267-8 | 42.90 | 51.91 | |
| Anillo de cierre S-6 | ||||
| 024 | 961002-0 | 1.00 | 1.21 | |
| Arandela 14 | ||||
| 025 | 253842-3 | 1.00 | 1.21 | |
| Rodamiento de bolas 626llb | ||||
| 026 | 211016-2 | 6.00 | 7.26 | |
| Arandela 6 | ||||
| 027 | 253804-1 | 1.00 | 1.21 | |
| Engranaje 89 | ||||
| 028 | 226233-1 | 13.20 | 15.97 | |
| No hay información disponible, no se puede pedir | ||||
| 029 | 216011-7 | |||
| Placa de embrague | ||||
| 030 | 223086-9 | 4.80 | 5.81 | |
| No hay información disponible, no se puede pedir | ||||
| 031 | 231927-5 | |||
| Pluma 3 | ||||
| 032 | 256101-4 | 1.00 | 1.21 | |
| Arandela 8 | ||||
| 033 | 257141-5 | 2.40 | 2.90 | |
| Disco | ||||
| 034 | 341902-4 | 1.00 | 1.21 | |
| Rodamiento de agujas de empuje 1023 | ||||
| 035 | 216413-7 | 3.60 | 4.36 | |
| Arandela 8 * | ||||
| 036 | 253851-2 | 1.00 | 1.21 | |
| CARRUAJE SA | ||||
| 037 | 164840-1 | 3.60 | 4.36 | |
| Engranaje 12-28 | ||||
| 038 | 226062-2 | 26.40 | 31.94 | |
| Cojinete de deslizamiento 4 | ||||
| 039 | 214019-5 | 1.00 | 1.21 | |
| Pluma 3 | ||||
| 040 | 256157-7 | 1.00 | 1.21 | |
| Botón de ajuste 6012Hdw-6095Dw | ||||
| 041 | 168096-8 | 4.80 | 5.81 | |
| Resorte de Hoja | ||||
| 042 | 232053-3 | 1.00 | 1.21 | |
| Abrazadera de llave de portabrocas | ||||
| 043 | 411640-3 | 1.00 | 1.21 | |
| Interruptor encendido/apagado+li/re | ||||
| 045 | 632267-8 | 42.90 | 51.91 | |
| Placa de sujeción de la batería | ||||
| 047 | 344549-3 | 2.40 | 2.90 | |
| Pluma 3 | ||||
| 049 | 256158-5 | 1.20 | 1.45 | |
| Tapa de Goma | ||||
| 050 | 263022-3 | 1.00 | 1.21 | |
| Etiqueta Makita | ||||
| 051 | 819063-3 | 2.40 | 2.90 | |