Aquí encontrará todas las piezas y dibujos técnicos disponibles de 'Makita 6800DBV'. Desde aquí podrá pedir todas las piezas deseadas directamente. Para muchas piezas de repuesto, es necesario pasar un pedido al fabricante. Dependiendo de la marca, el plazo de entrega puede variar entre una y cuatro semanas. Toda la información que tenemos está en nuestro sitio web. No podremos aconsejarle sobre lo que necesita hasta que entregue la máquina para su reparación. Tenga en cuenta lo siguiente a la hora de cursar su pedido:
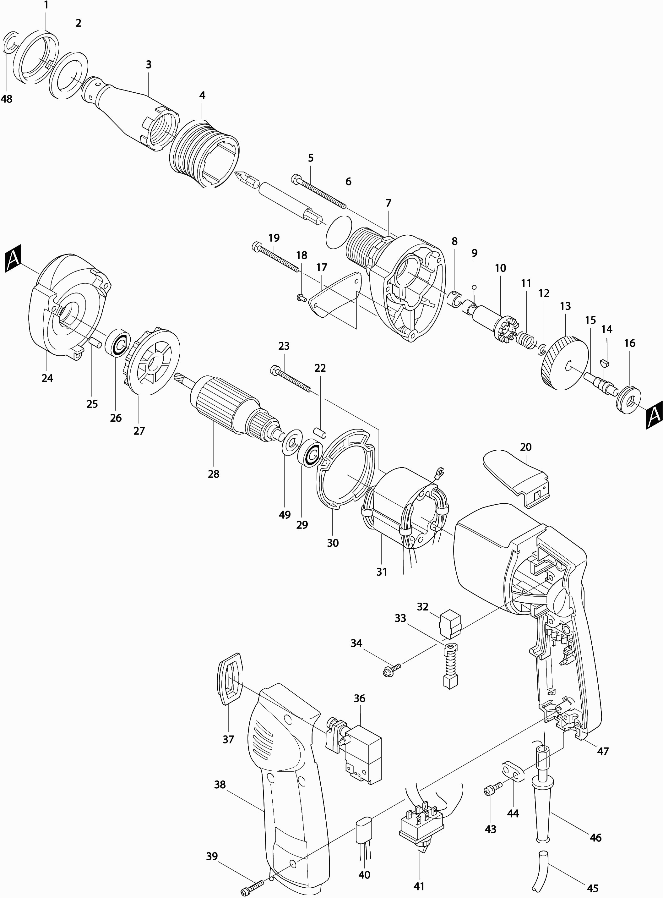
Dibujo técnico de los/las Makita 6800DBV
Lista de las piezas de repuesto de Makita 6800DBV
| Pos. | Descripción | Precio con el IVA excluido | Precio con el IVA incluido | |
| Los precios mostrados incluyen el IVA | ||||
| Arandela protectora | ||||
| 001 | 411297-0 | 2.40 | 2.90 | |
| Anillo de fieltro | ||||
| 002 | 443028-9 | 1.00 | 1.21 | |
| No hay información disponible, no se puede pedir | ||||
| 003 | 411292-0 | |||
| Manguito de bloqueo | ||||
| 004 | 411293-8 | 6.00 | 7.26 | |
| Tornillo 4X55 | ||||
| 005 | 911183-0 | 1.00 | 1.21 | |
| Anillo O 23 | ||||
| 006-1 | 213404-9 | 1.20 | 1.45 | |
| Caja de engranajes | ||||
| 007-1 | 156681-9 | 18.70 | 22.63 | |
| Resorte de Hoja | ||||
| 008 | 232050-9 | 1.00 | 1.21 | |
| No hay información disponible, no se puede pedir | ||||
| 009 | 216001-0 | |||
| Eje de tornillo 6801Dbv | ||||
| 010 | 133457-1 | 22.00 | 26.62 | |
| Resorte de compresión 9 | ||||
| 011 | 231139-0 | 1.20 | 1.45 | |
| Arandela delgada 8 * | ||||
| 012 | 253324-5 | 1.00 | 1.21 | |
| Engranaje 56 | ||||
| 013 | 221675-4 | 82.50 | 99.82 | |
| Cuña de alineación 3 | ||||
| 014 | 254031-3 | 1.00 | 1.21 | |
| Eje de accionamiento 6801Dbv * | ||||
| 015 | 325485-2 | 17.60 | 21.30 | |
| Rodamiento de agujas de presión 1023 * | ||||
| 016 | 212057-1 | 6.00 | 7.26 | |
| Remache 0,5 | ||||
| 018 | 953106-2 | 1.00 | 1.21 | |
| No hay información disponible, no se puede pedir | ||||
| 019 | 911173-3 | |||
| Soporte de transporte | ||||
| 020-1 | 343693-3 | 2.40 | 2.90 | |
| Pasador de Goma 4 | ||||
| 022 | 263002-9 | 1.00 | 1.21 | |
| Tornillo 4X50 * | ||||
| 023-3 | 911576-1 | 4.80 | 5.81 | |
| No hay información disponible, no se puede pedir | ||||
| 024 | 156682-7 | |||
| Pasador de Goma 4 | ||||
| 025 | 263002-9 | 1.00 | 1.21 | |
| Rodamiento de bolas 627llb | ||||
| 026 | 210025-8 | 3.60 | 4.36 | |
| Ventilador 58 * | ||||
| 027 | 241803-5 | 4.80 | 5.81 | |
| Inducido 6800Dbv * | ||||
| 028G | 511763-8 | 48.40 | 58.56 | |
| Rodamiento de bolas 627llb | ||||
| 029 | 210025-8 | 3.60 | 4.36 | |
| No hay información disponible, no se puede pedir | ||||
| 030-1 | 414463-8 | |||
| Campo 6800Dbv * | ||||
| 031N | 627059-8 | 28.60 | 34.61 | |
| Soporte de Cepillo de Carbono | ||||
| 032 | 643552-4 | 1.20 | 1.45 | |
| KOOLBORSTEL SET CB-64 A | ||||
| 033C | 194968-1 | 4.80 | 5.81 | |
| No hay información disponible, no se puede pedir | ||||
| 034 | 911124-6 | |||
| No hay información disponible, no se puede pedir | ||||
| 036B1 | 651247-5 | |||
| Interruptor Sw-121 | ||||
| 036B2 | 651256-4 | 28.60 | 34.61 | |
| Interruptor | ||||
| 036B3 | 650226-0 | 26.40 | 31.94 | |
| Cubierta de polvo para interruptor | ||||
| 037 | 411852-8 | 1.20 | 1.45 | |
| Cubierta del Mango | ||||
| 038-1 | 154960-9 | 8.40 | 10.16 | |
| No hay información disponible, no se puede pedir | ||||
| 039 | 911153-9 | |||
| CONDENSADOR | ||||
| 040J1 | 645253-0 | 4.80 | 5.81 | |
| Interruptor Sw-78 | ||||
| 041-1 | 651478-6 | 11.00 | 13.31 | |
| Tornillo 4X18 | ||||
| 043-1 | 911133-5 | 1.00 | 1.21 | |
| Soporte de abrazadera | ||||
| 044 | 687001-1 | 1.00 | 1.21 | |
| No hay información disponible, no se puede pedir | ||||
| 045V | 666066-6 | |||
| Pasacables 8-85 | ||||
| 046A | 682502-4 | 2.40 | 2.90 | |
| No hay información disponible, no se puede pedir | ||||
| 047-2 | 159062-6 | |||
| Carcasa del motor | ||||
| 047-3 | 188104-9 | 17.60 | 21.30 | |
| Arandela de plástico 11 | ||||
| 048 | 261058-6 | 1.00 | 1.21 | |
| Anillo de aislamiento | ||||
| 049 | 681617-4 | 1.00 | 1.21 | |