Aquí encontrará todas las piezas y dibujos técnicos disponibles de 'Makita 8406'. Desde aquí podrá pedir todas las piezas deseadas directamente. Para muchas piezas de repuesto, es necesario pasar un pedido al fabricante. Dependiendo de la marca, el plazo de entrega puede variar entre una y cuatro semanas. Toda la información que tenemos está en nuestro sitio web. No podremos aconsejarle sobre lo que necesita hasta que entregue la máquina para su reparación. Tenga en cuenta lo siguiente a la hora de cursar su pedido:
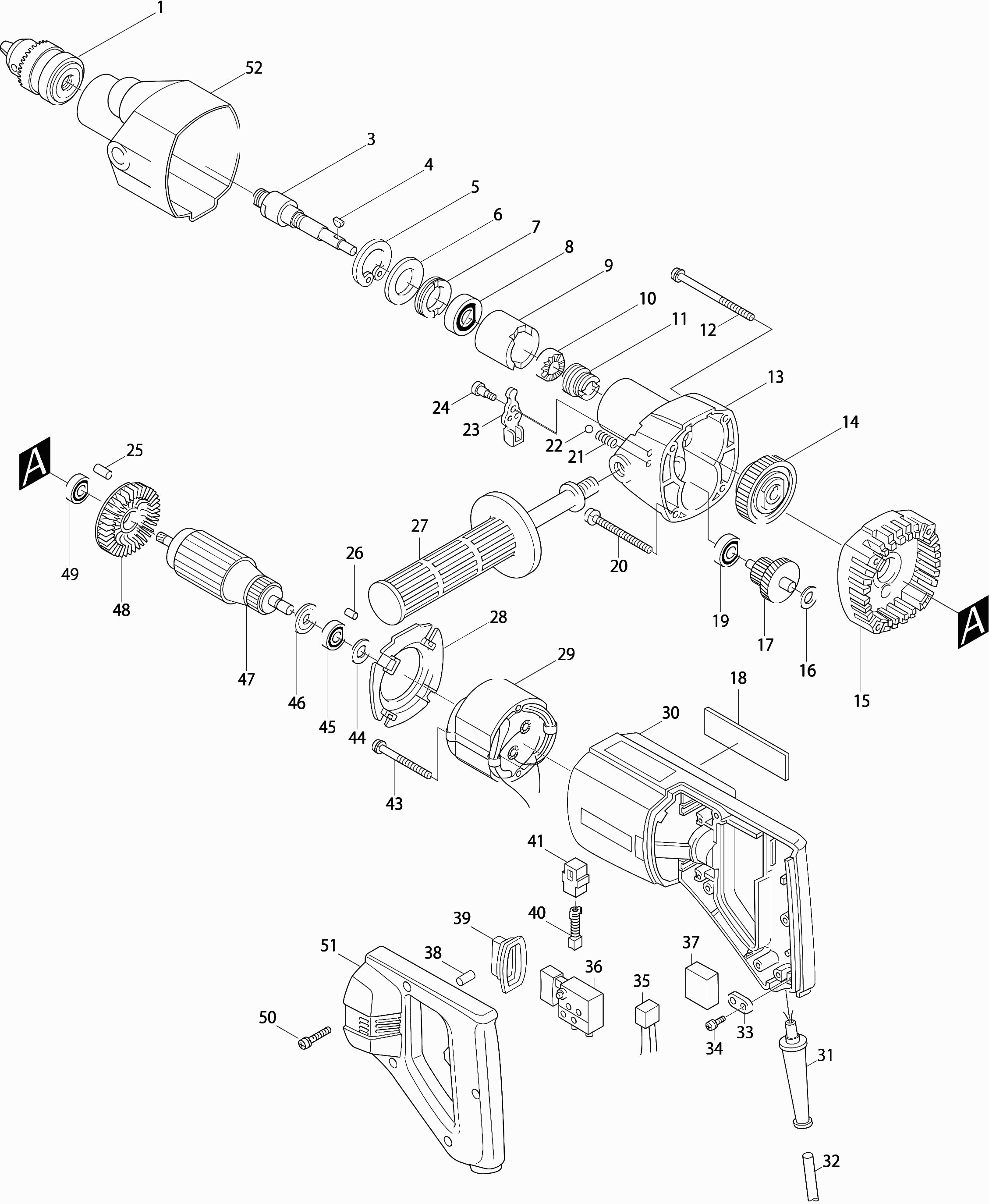
Dibujo técnico de los/las Makita 8406
Lista de las piezas de repuesto de Makita 8406
| Pos. | Descripción | Precio con el IVA excluido | Precio con el IVA incluido | |
| Los precios mostrados incluyen el IVA | ||||
| No hay información disponible, no se puede pedir | ||||
| 003 | 322340-9 | |||
| Cuña de alineación 3 | ||||
| 004 | 254002-0 | 1.00 | 1.21 | |
| No hay información disponible, no se puede pedir | ||||
| 005 | 962155-8 | |||
| No hay información disponible, no se puede pedir | ||||
| 006 | 423040-5 | |||
| No hay información disponible, no se puede pedir | ||||
| 007 | 285819-0 | |||
| Rodamiento de bolas 6002llb | ||||
| 008 | 211201-7 | 8.40 | 10.16 | |
| No hay información disponible, no se puede pedir | ||||
| 009 | 314101-1 | |||
| No hay información disponible, no se puede pedir | ||||
| 010-1 | 223124-7 | |||
| No hay información disponible, no se puede pedir | ||||
| 011-1 | 223125-5 | |||
| No hay información disponible, no se puede pedir | ||||
| 012 | 911296-7 | |||
| No hay información disponible, no se puede pedir | ||||
| 013 | 159151-7 | |||
| Acoplamiento 8406 | ||||
| 014 | 150178-0 | 106.70 | 129.11 | |
| No hay información disponible, no se puede pedir | ||||
| 015 | 159152-5 | |||
| Arandela 8x0,5mm | ||||
| 016 | 253139-0 | 1.00 | 1.21 | |
| No hay información disponible, no se puede pedir | ||||
| 017 | 226095-7 | |||
| No hay información disponible, no se puede pedir | ||||
| 018 | 856580-2 | |||
| No hay información disponible, no se puede pedir | ||||
| 019 | 211031-6 | |||
| No hay información disponible, no se puede pedir | ||||
| 020 | 911271-3 | |||
| Resorte de compresión 3 KP312S | ||||
| 021 | 231386-3 | 1.20 | 1.45 | |
| Bola de acero 4.8 | ||||
| 022 | 216002-8 | 1.00 | 1.21 | |
| No hay información disponible, no se puede pedir | ||||
| 023-1 | 168272-4 | |||
| Tornillo de cruz M5 | ||||
| 024 | 251283-7 | 1.20 | 1.45 | |
| Pasador de Goma 4 | ||||
| 025 | 263002-9 | 1.00 | 1.21 | |
| Pasador de Goma 4 | ||||
| 026 | 263014-2 | 1.00 | 1.21 | |
| No hay información disponible, no se puede pedir | ||||
| 028 | 414604-6 | |||
| No hay información disponible, no se puede pedir | ||||
| 029C | 522733-2 | |||
| No hay información disponible, no se puede pedir | ||||
| 030-1 | 183524-2 | |||
| Pasacables 9.3-85 | ||||
| 031-1 | 682516-3 | 1.20 | 1.45 | |
| No hay información disponible, no se puede pedir | ||||
| 032F2 | 665865-3 | |||
| Soporte de abrazadera | ||||
| 033A | 687031-2 | 1.00 | 1.21 | |
| Tornillo 4X18 | ||||
| 034 | 911133-5 | 1.00 | 1.21 | |
| CONDENSADOR | ||||
| 035D1 | 645253-0 | 4.80 | 5.81 | |
| No hay información disponible, no se puede pedir | ||||
| 036A1 | 651266-1 | |||
| Caucho de esponja | ||||
| 037B | 685700-9 | 1.00 | 1.21 | |
| Pasador de Goma 4 | ||||
| 038 | 263002-9 | 1.00 | 1.21 | |
| No hay información disponible, no se puede pedir | ||||
| 039-1 | 421433-0 | |||
| Juego de escobillas CB-106 M3601 A | ||||
| 040B | 194976-2 | 6.00 | 7.26 | |
| Soporte de Cepillo de Carbono | ||||
| 041 | 643605-9 | 1.20 | 1.45 | |
| No hay información disponible, no se puede pedir | ||||
| 043 | 911285-2 | |||
| Arandela 14 | ||||
| 044 | 253192-6 | 1.00 | 1.21 | |
| No hay información disponible, no se puede pedir | ||||
| 045 | 211031-6 | |||
| Anillo de aislamiento | ||||
| 046-1 | 681613-2 | 1.00 | 1.21 | |
| Inducido 8406 | ||||
| 047C | 516018-6 | 59.40 | 71.87 | |
| Ventilador 62 2106W * | ||||
| 048 | 241841-7 | 4.80 | 5.81 | |
| No hay información disponible, no se puede pedir | ||||
| 049 | 211031-6 | |||
| No hay información disponible, no se puede pedir | ||||
| 050 | 911153-9 | |||
| No hay información disponible, no se puede pedir | ||||
| 051 | 159153-3 | |||
| No hay información disponible, no se puede pedir | ||||
| 052 | 421454-2 | |||