Aquí encontrará todas las piezas y dibujos técnicos disponibles de 'Makita 9527NB'. Desde aquí podrá pedir todas las piezas deseadas directamente. Para muchas piezas de repuesto, es necesario pasar un pedido al fabricante. Dependiendo de la marca, el plazo de entrega puede variar entre una y cuatro semanas. Toda la información que tenemos está en nuestro sitio web. No podremos aconsejarle sobre lo que necesita hasta que entregue la máquina para su reparación. Tenga en cuenta lo siguiente a la hora de cursar su pedido:
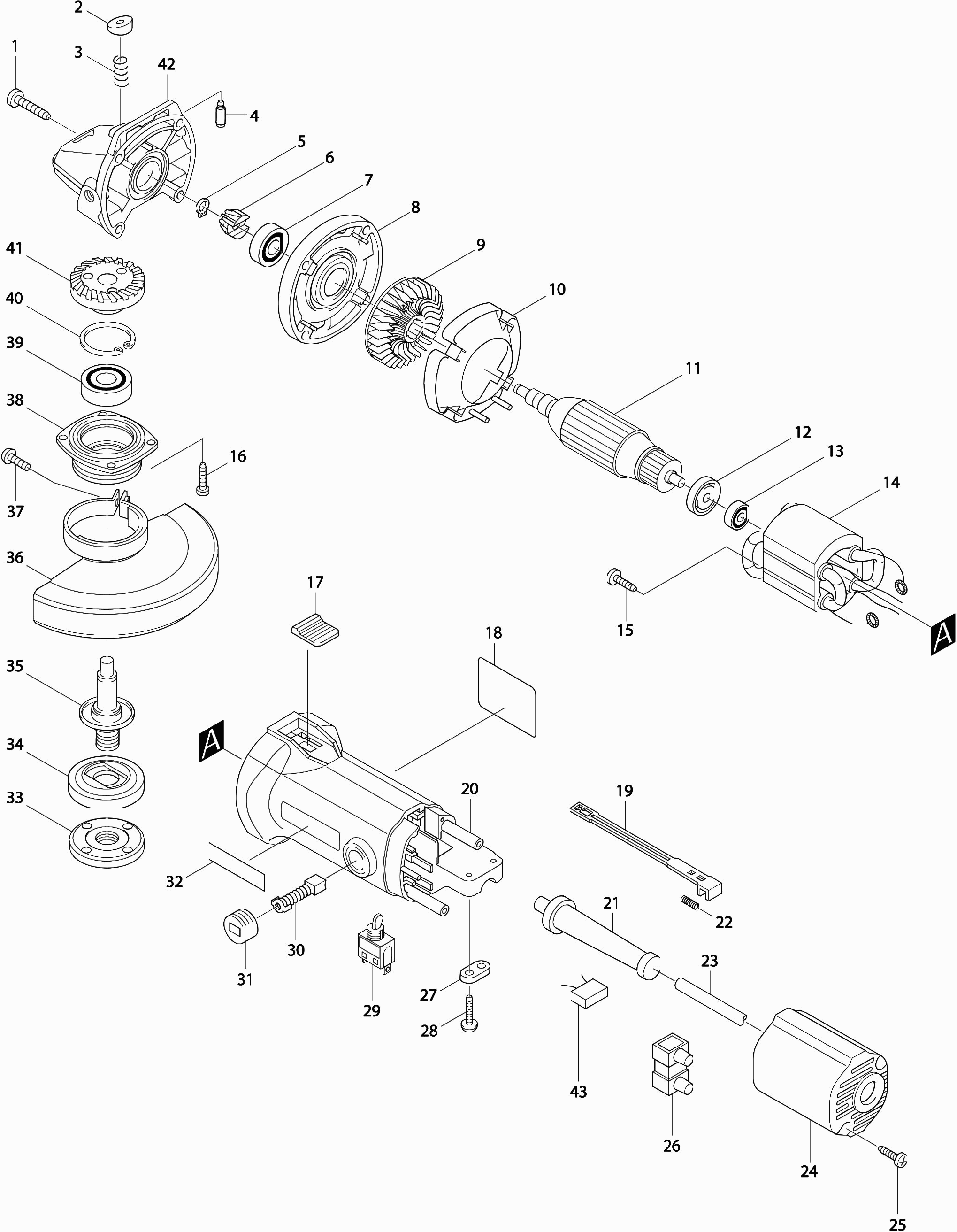
Dibujo técnico de los/las Makita 9527NB
Lista de las piezas de repuesto de Makita 9527NB
| Pos. | Descripción | Precio con el IVA excluido | Precio con el IVA incluido | |
| Los precios mostrados incluyen el IVA | ||||
| Tornillo de rosca 5x30 | ||||
| 001 | 266142-2 | 1.00 | 1.21 | |
| Botón AGC 18 | ||||
| 002 | 415491-6 | 1.00 | 1.21 | |
| Resorte de compresión 8 | ||||
| 003 | 233376-2 | 1.00 | 1.21 | |
| Pasador 4 | ||||
| 004 | 256437-1 | 1.20 | 1.45 | |
| Anillo de cierre S-6 | ||||
| 005 | 961002-0 | 1.00 | 1.21 | |
| Engranaje 10 | ||||
| 006 | 227408-5 | 11.00 | 13.31 | |
| Engranaje 36 | ||||
| 006A | 227407-7 | 11.00 | 13.31 | |
| Rodamiento de bolas 6000DDW A | ||||
| 007 | 210315-9 | 6.00 | 7.26 | |
| Tapa de caja de cambios 9527Pb * | ||||
| 008 | 316807-7 | 8.40 | 10.16 | |
| Ventilador 57 9527Pb * | ||||
| 009 | 241891-2 | 3.60 | 4.36 | |
| Placa intermedia 9527Pb * | ||||
| 010 | 415971-2 | 2.40 | 2.90 | |
| Ya no disponible, sin reemplazo | ||||
| 011 | 517308-0 | |||
| Anillo de aislamiento | ||||
| 012 | 681638-6 | 1.00 | 1.21 | |
| Rodamiento de bolas 606Zz A | ||||
| 013 | 210137-7 | 1.20 | 1.45 | |
| CAMPO | ||||
| 014 | 521628-6 | 23.10 | 27.95 | |
| Resorte del estator | ||||
| 014A | 654100-4 | 2.40 | 2.90 | |
| Casquillo de sujeción para statorv. 1,25mm | ||||
| 014B | 654501-6 | 0.83 | 1.00 | |
| Tornillo autoperforante Pt3x10 | ||||
| 015 | 266007-8 | 1.00 | 1.21 | |
| Tornillo autorroscante Ct4x16 | ||||
| 016 | 266034-5 | 1.00 | 1.21 | |
| Botón de interruptor | ||||
| 017 | 415952-6 | 2.40 | 2.90 | |
| Varilla de control | ||||
| 019 | 417352-6 | 2.40 | 2.90 | |
| Carcasa del motor | ||||
| 020 | 159866-6 | 15.40 | 18.63 | |
| Portacepillos de carbono 9524Nb+25N * | ||||
| 020A | 643927-7 | 6.00 | 7.26 | |
| Pasacables 8-85 | ||||
| 021 | 682502-4 | 2.40 | 2.90 | |
| Resorte de compresión 4 | ||||
| 022 | E00884-2 | 1.00 | 1.21 | |
| Cable de alimentación 2x1.00 2.2mtr | ||||
| 023 | 665383-1 | 10.80 | 13.07 | |
| CUBIERTA TRASERA | ||||
| 024 | 415955-0 | 8.40 | 10.16 | |
| Tornillo de grifo 4x18 | ||||
| 025 | 265A48-7 | 1.00 | 1.21 | |
| Bloque terminal Bo4553-Bo4554 A | ||||
| 026 | 654475-1 | 1.00 | 1.21 | |
| Soporte de abrazadera | ||||
| 027 | 687053-2 | 1.00 | 1.21 | |
| Tornillo de grifo 4x18 | ||||
| 028 | 265A48-7 | 1.00 | 1.21 | |
| Interruptor Sw-62 | ||||
| 029 | 651433-8 | 4.80 | 5.81 | |
| Juego de escobillas CB411 RT0702C | ||||
| 030 | 195010-1 | 4.80 | 5.81 | |
| Tapa del cepillo | ||||
| 031 | 643928-5 | 1.20 | 1.45 | |
| No hay información disponible, no se puede pedir | ||||
| 035 | 152516-2 | |||
| Anillo de laberinto | ||||
| 035A | 344347-5 | 1.20 | 1.45 | |
| Tapa Protectora 115mm 'sin herramientas' | ||||
| 036 | 123144-0 | 9.60 | 11.62 | |
| No hay información disponible, no se puede pedir | ||||
| 037 | 251391-4 | |||
| No hay información disponible, no se puede pedir | ||||
| 038 | 316800-1 | |||
| Rodamiento de bolas 6201dw1 | ||||
| 039 | 211129-9 | 8.40 | 10.16 | |
| Arandela de bloqueo r-32 | ||||
| 040 | 962151-6 | 1.00 | 1.21 | |
| Engranaje 36 | ||||
| 041 | 227407-7 | 11.00 | 13.31 | |
| Caja de engranajes | ||||
| 042 | 159874-7 | 10.00 | 12.10 | |