Aquí encontrará todas las piezas y dibujos técnicos disponibles de 'Makita BCX3400'. Desde aquí podrá pedir todas las piezas deseadas directamente. Para muchas piezas de repuesto, es necesario pasar un pedido al fabricante. Dependiendo de la marca, el plazo de entrega puede variar entre una y cuatro semanas. Toda la información que tenemos está en nuestro sitio web. No podremos aconsejarle sobre lo que necesita hasta que entregue la máquina para su reparación. Tenga en cuenta lo siguiente a la hora de cursar su pedido:
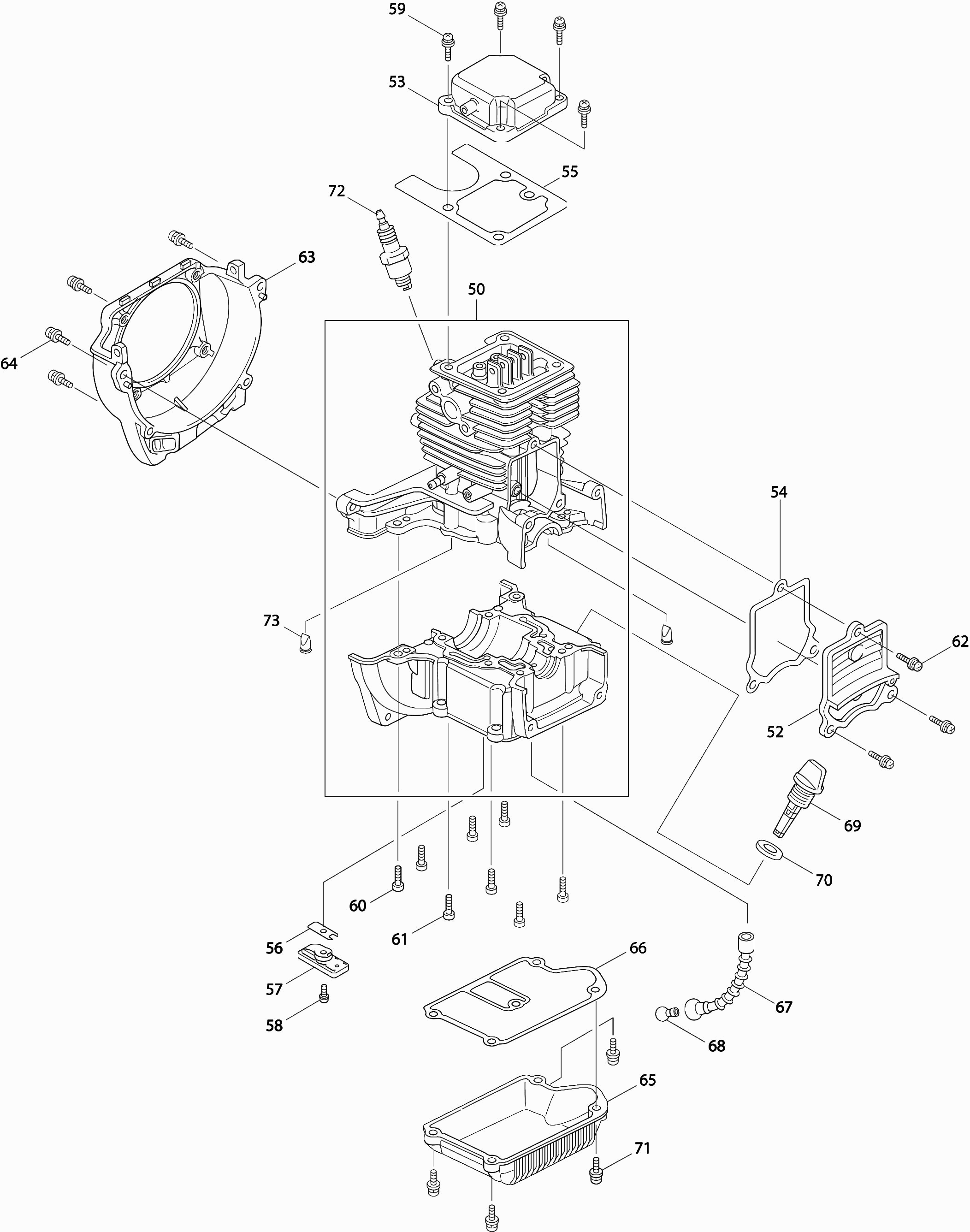
Dibujo técnico de los/las Makita BCX3400
Lista de las piezas de repuesto de Makita BCX3400
| Pos. | Descripción | Precio con el IVA excluido | Precio con el IVA incluido | |
| Los precios mostrados incluyen el IVA | ||||
| No hay información disponible, no se puede pedir | ||||
| 050 | 5931021000 | |||
| CILINDRO | ||||
| 050-3 | 135373-3 | 67.10 | 81.19 | |
| Cubierta de la carcasa VERDE | ||||
| 052 | 318443-5 | 4.80 | 5.81 | |
| Cubierta de la carcasa VERDE | ||||
| 052-1 | 318443-5 | 4.80 | 5.81 | |
| Tapa de válvula Ms335.4U A | ||||
| 053 | 140419-2 | 9.60 | 11.62 | |
| Tapa de válvula Ms335.4U A | ||||
| 053-1 | 140419-2 | 9.60 | 11.62 | |
| Junta de la tapa del cárter | ||||
| 054 | 162274-2 | 2.40 | 2.90 | |
| Junta de la tapa del cárter | ||||
| 054-1 | 162274-2 | 2.40 | 2.90 | |
| Junta de tapa de válvulas | ||||
| 055 | 162307-3 | 3.60 | 4.36 | |
| Junta de tapa de válvulas | ||||
| 055-1 | 162307-3 | 3.60 | 4.36 | |
| Válvula de alimentación | ||||
| 056 | 346083-9 | 2.40 | 2.90 | |
| Válvula de alimentación | ||||
| 056-1 | 346083-9 | 2.40 | 2.90 | |
| Placa de bloqueo | ||||
| 057 | 318440-1 | 2.40 | 2.90 | |
| Placa de bloqueo | ||||
| 057-1 | 318440-1 | 2.40 | 2.90 | |
| Tornillo M4X10 P | ||||
| 058 | 0119049960 | 1.00 | 1.21 | |
| No hay información disponible, no se puede pedir | ||||
| 058-1 | 266810-7 | |||
| No hay información disponible, no se puede pedir | ||||
| 059 | 0043605160 | |||
| No hay información disponible, no se puede pedir | ||||
| 059-1 | 266494-1 | |||
| Tornillo M5x18mm | ||||
| 060 | 266812-3 | 1.00 | 1.21 | |
| Tornillo M5x18mm | ||||
| 060-2 | 266812-3 | 1.00 | 1.21 | |
| Tornillo métrico Ck Inb M5x33mm | ||||
| 061 | 266573-5 | 1.00 | 1.21 | |
| Tornillo métrico Ck Inb M5x33mm | ||||
| 061-2 | 266573-5 | 1.00 | 1.21 | |
| Tornillo 5X14 P | ||||
| 062 | 0043605140 | 1.20 | 1.45 | |
| Carcasa del ventilador Ms335.4U A | ||||
| 063 | 318614-4 | 12.10 | 14.64 | |
| Carcasa del ventilador Ms335.4U A | ||||
| 063-1 | 318614-4 | 12.10 | 14.64 | |
| Tornillo met. Ph2 M5X16Mm Ck A | ||||
| 064 | 922223-9 | 1.00 | 1.21 | |
| No hay información disponible, no se puede pedir | ||||
| 064-1 | 266813-1 | |||
| Cubierta de cárter Ms335.4U A | ||||
| 065 | 318612-8 | 6.00 | 7.26 | |
| Junta del cárter | ||||
| 066 | 162308-1 | 2.40 | 2.90 | |
| Junta del cárter | ||||
| 066-1 | 162308-1 | 2.40 | 2.90 | |
| Tubería de aceite | ||||
| 067 | 5926500200 | 6.00 | 7.26 | |
| No hay información disponible, no se puede pedir | ||||
| 067-1 | 424202-8 | |||
| Peso para manguera de aceite | ||||
| 068 | 5926500300 | 2.40 | 2.90 | |
| No hay información disponible, no se puede pedir | ||||
| 068-1 | 325666-8 | |||
| No hay información disponible, no se puede pedir | ||||
| 069 | 5926500600 | |||
| Varilla de aceite | ||||
| 069-1 | 450565-6 | 2.40 | 2.90 | |
| Anillo O para varilla de aceite A | ||||
| 070 | 424100-6 | 1.00 | 1.21 | |
| Anillo O para varilla de aceite A | ||||
| 070-1 | 424100-6 | 1.00 | 1.21 | |
| Tornillo Bhx2500 | ||||
| 071 | 0043605180 | 1.20 | 1.45 | |
| No hay información disponible, no se puede pedir | ||||
| 072 | 965603030 | |||
| BOUGIE CMR6A A | ||||
| 072-1 | 168401-9 | 14.30 | 17.30 | |
| Válvula de control | ||||
| 073 | 424201-0 | 2.40 | 2.90 | |
| Válvula de control | ||||
| 073-2 | 424201-0 | 2.40 | 2.90 | |
| Cigüeñal | ||||
| 087 | 125756-5 | 58.30 | 70.54 | |
| Cigüeñal | ||||
| 087-2 | 125756-5 | 58.30 | 70.54 | |
| Anillo de sello 12mm | ||||
| 088 | 213537-0 | 3.60 | 4.36 | |
| Anillo de sello 12mm | ||||
| 088-1 | 213537-0 | 3.60 | 4.36 | |
| Ya no disponible, sin reemplazo | ||||
| 089 | 213148-1 | |||
| Ya no disponible, sin reemplazo | ||||
| 089-2 | 213148-1 | |||
| Arandela 26 Ms335.4U A | ||||
| 090 | 267425-3 | 1.00 | 1.21 | |
| Arandela 26 Ms335.4U A | ||||
| 090-1 | 267425-3 | 1.00 | 1.21 | |
| Pistón Ms335.4U A | ||||
| 091 | 318613-6 | 11.00 | 13.31 | |
| Pistón Ms335.4U A | ||||
| 091-1 | 318613-6 | 11.00 | 13.31 | |
| Juego de anillos de pistón | ||||
| 092 | 195141-6 | 13.20 | 15.97 | |
| Juego de anillos de pistón | ||||
| 092-1 | 195141-6 | 13.20 | 15.97 | |
| No hay información disponible, no se puede pedir | ||||
| 093 | 0565099990 | |||
| Anillo de bloqueo | ||||
| 093-1 | 233983-1 | 1.20 | 1.45 | |
| Pasador del pistón Ms335.4U A | ||||
| 094 | 257796-6 | 2.40 | 2.90 | |
| Pasador del pistón Ms335.4U A | ||||
| 094-1 | 257796-6 | 2.40 | 2.90 | |
| Espaciador Ebh253U A | ||||
| 095 | 424200-2 | 1.00 | 1.21 | |
| Espaciador Ebh253U A | ||||
| 095-2 | 424200-2 | 1.00 | 1.21 | |
| Palanca de leva | ||||
| 096 | 313169-4 | 3.60 | 4.36 | |
| Palanca de leva | ||||
| 096-1 | 313169-4 | 3.60 | 4.36 | |
| Engranaje oscilante | ||||
| 097 | 125552-1 | 23.10 | 27.95 | |
| Engranaje oscilante | ||||
| 097-1 | 125552-1 | 23.10 | 27.95 | |
| Pasador 5Mm Ebh253U A | ||||
| 098 | 268238-5 | 1.00 | 1.21 | |
| Pasador 5Mm Ebh253U A | ||||
| 098-1 | 268238-5 | 1.00 | 1.21 | |
| Pasador 4mm Ebh253U A | ||||
| 099 | 268239-3 | 1.00 | 1.21 | |
| Pasador 4mm Ebh253U A | ||||
| 099-1 | 268239-3 | 1.00 | 1.21 | |
| No hay información disponible, no se puede pedir | ||||
| 100 | 5933500000 | |||
| Pasador de válvula | ||||
| 100-1 | 256866-8 | 1.00 | 1.21 | |
| Brazo de válvula | ||||
| 101 | 125554-7 | 4.80 | 5.81 | |
| Brazo de válvula | ||||
| 101-1 | 125554-7 | 4.80 | 5.81 | |
| Bolígrafo 5mm | ||||
| 102 | 256200-2 | 1.00 | 1.21 | |
| Bolígrafo 5mm | ||||
| 102-1 | 256200-2 | 1.00 | 1.21 | |
| Resorte de válvula | ||||
| 103 | 5933500200 | 1.20 | 1.45 | |
| No hay información disponible, no se puede pedir | ||||
| 103-2 | 234181-0 | |||
| Anillo de retención pestillo Ms335.4U A | ||||
| 104 | 325912-9 | 2.40 | 2.90 | |
| Anillo de retención pestillo Ms335.4U A | ||||
| 104-1 | 325912-9 | 2.40 | 2.90 | |
| Válvula de escape Ms335.4U A | ||||
| 105 | 325913-7 | 3.60 | 4.36 | |
| Válvula de escape Ms335.4U A | ||||
| 105-1 | 325913-7 | 3.60 | 4.36 | |
| Válvula de admisión Ms335.4U A | ||||
| 106 | 325914-5 | 3.60 | 4.36 | |
| Válvula de admisión Ms335.4U A | ||||
| 106-1 | 325914-5 | 3.60 | 4.36 | |
| Dispositivo de inicio Assy Ms335 A | ||||
| 107 | 126475-6 | 19.80 | 23.96 | |
| Dispositivo de inicio Assy Ms335 A | ||||
| 107-1 | 126475-6 | 19.80 | 23.96 | |
| Carrete de cable | ||||
| 108 | 451923-9 | 4.80 | 5.81 | |
| Carrete de cable | ||||
| 108-1 | 451923-9 | 4.80 | 5.81 | |
| Tornillo de fijación | ||||
| 109 | 5425003010 | 2.40 | 2.90 | |
| No hay información disponible, no se puede pedir | ||||
| 109-1 | 266580-8 | |||
| Resorte helicoidal | ||||
| 110 | 232257-7 | 10.80 | 13.07 | |
| Resorte helicoidal | ||||
| 110-1 | 232257-7 | 10.80 | 13.07 | |
| Cuerda de inicio | ||||
| 113 | 444018-5 | 3.60 | 4.36 | |
| Cuerda de inicio | ||||
| 113-1 | 444018-5 | 3.60 | 4.36 | |
| Mango de arranque Ms335.4U A | ||||
| 114 | 424317-1 | 3.60 | 4.36 | |
| Mango de arranque Ms335.4U A | ||||
| 114-1 | 424317-1 | 3.60 | 4.36 | |
| POLEA | ||||
| 115 | 165606-2 | 4.80 | 5.81 | |
| No hay información disponible, no se puede pedir | ||||
| 115-2 | 168827-5 | |||
| Tornillo metálico Ph M5x14mm Ck | ||||
| 116 | 266809-2 | 1.00 | 1.21 | |
| Soporte del tanque Ms335.4U A | ||||
| 118 | 162310-4 | 3.54 | 4.28 | |
| Soporte del tanque Ms335.4U A | ||||
| 118-1 | 162310-4 | 3.54 | 4.28 | |
| Tornillo metálico Ph M5x14mm Ck | ||||
| 119 | 266809-2 | 1.00 | 1.21 | |
| Etiqueta de modelo | ||||
| 120 | 6349505200 | 8.40 | 10.16 | |
| No hay información disponible, no se puede pedir | ||||
| 121 | 5936004000 | |||
| Carburador | ||||
| 121-1 | 168561-7 | 93.50 | 113.14 | |
| No hay información disponible, no se puede pedir | ||||
| 122 | 5926002140 | |||
| POMPHUIS EBH253U A | ||||
| 122-2 | 140437-0 | 39.60 | 47.92 | |
| Caja del Purificador de Aire Ebh253U A | ||||
| 123 | 140438-8 | 27.50 | 33.28 | |
| Caja del Purificador de Aire Ebh253U A | ||||
| 123-1 | 140438-8 | 27.50 | 33.28 | |
| Tapa de la bomba Ebh253U A | ||||
| 124 | 346270-0 | 7.20 | 8.71 | |
| Tapa de la bomba Ebh253U A | ||||
| 124-1 | 346270-0 | 7.20 | 8.71 | |
| Bomba de refuerzo | ||||
| 125 | 424314-7 | 11.00 | 13.31 | |
| Bomba de refuerzo | ||||
| 125-1 | 424314-7 | 11.00 | 13.31 | |
| Diafragma | ||||
| 126 | 168620-7 | 38.50 | 46.58 | |
| Diafragma | ||||
| 126-1 | WJ00095586 | 33.00 | 39.93 | |
| Junta de Diafragma | ||||
| 127 | 442154-1 | 7.20 | 8.71 | |
| Junta de Diafragma | ||||
| 127-1 | 442154-1 | 7.20 | 8.71 | |
| Diafragma de bomba | ||||
| 128 | WJ00009599 | 3.96 | 4.79 | |
| Diafragma de bomba | ||||
| 128-2 | WJ00009599 | 3.96 | 4.79 | |
| Junta de Diafragma | ||||
| 129 | 442155-9 | 7.20 | 8.71 | |
| Junta de Diafragma | ||||
| 129-1 | 442155-9 | 7.20 | 8.71 | |
| Aguja Ms335.4U A | ||||
| 130 | 325921-8 | 14.30 | 17.30 | |
| Aguja Ms335.4U A | ||||
| 130-1 | 325921-8 | 14.30 | 17.30 | |
| Anillo O 2 | ||||
| 131 | 213538-8 | 4.80 | 5.81 | |
| Anillo O 2 | ||||
| 131-1 | 213538-8 | 4.80 | 5.81 | |
| Seegering E-3 A | ||||
| 132 | 257964-1 | 7.20 | 8.71 | |
| Seegering E-3 A | ||||
| 132-1 | 257964-1 | 7.20 | 8.71 | |
| No hay información disponible, no se puede pedir | ||||
| 133 | 5236018040 | |||
| Elemento giratorio | ||||
| 133-1 | 325922-6 | 8.40 | 10.16 | |
| No hay información disponible, no se puede pedir | ||||
| 135 | 5206008030 | |||
| No hay información disponible, no se puede pedir | ||||
| 135-2 | WJ00096364 | |||
| Parker 3X24Mm Ck A | ||||
| 137 | 266582-4 | 3.60 | 4.36 | |
| Parker 3X24Mm Ck A | ||||
| 137-1 | 266582-4 | 3.60 | 4.36 | |
| No hay información disponible, no se puede pedir | ||||
| 138 | 5926002020 | |||
| Muelle de compresión 5-9mm | ||||
| 138-1 | 234183-6 | 4.80 | 5.81 | |
| Remache para aguja de ajuste | ||||
| 139 | 5426005030 | 2.40 | 2.90 | |
| No hay información disponible, no se puede pedir | ||||
| 139-1 | 413140-9 | |||
| No hay información disponible, no se puede pedir | ||||
| 140 | 352010-6 | |||
| Filtro de entrada | ||||
| 140-2 | WJ00014070 | 2.40 | 2.90 | |
| No hay información disponible, no se puede pedir | ||||
| 141 | 5933018000 | |||
| Colector | ||||
| 141-4 | 451874-6 | 4.80 | 5.81 | |
| Tuerca Hexagonal M5 | ||||
| 142 | 931202-6 | 1.00 | 1.21 | |
| Tuerca M6 Htr5600 A | ||||
| 143 | 0022706000 | 1.00 | 1.21 | |
| Tuerca M6 Htr5600 A | ||||
| 144 | 0022706000 | 1.00 | 1.21 | |
| No hay información disponible, no se puede pedir | ||||
| 145 | 5923504700 | |||
| Junta aislante | ||||
| 145-2 | 413120-5 | 1.20 | 1.45 | |
| Junta "carburador" | ||||
| 146 | 413138-6 | 1.20 | 1.45 | |
| Junta "carburador" | ||||
| 146-1 | 413138-6 | 1.20 | 1.45 | |
| No hay información disponible, no se puede pedir | ||||
| 147 | 5933500600 | |||
| Colector de carburador | ||||
| 147-1 | 346261-1 | 3.60 | 4.36 | |
| No hay información disponible, no se puede pedir | ||||
| 148 | 0119059870 | |||
| Tornillo de cabeza allen M5x18mm | ||||
| 148-2 | 266787-6 | 1.00 | 1.21 | |
| Tornillo de ajuste P | ||||
| 149 | 0149069961 | 3.60 | 4.36 | |
| No hay información disponible, no se puede pedir | ||||
| 149-2 | 325663-4 | |||
| Tubo de ventilación Ms335.4U A | ||||
| 152 | 422055-9 | 2.40 | 2.90 | |
| Tubo de ventilación Ms335.4U A | ||||
| 152-1 | 422055-9 | 2.40 | 2.90 | |
| No hay información disponible, no se puede pedir | ||||
| 153 | 5933001000 | |||
| Carcasa del filtro de aire Ebh253U A | ||||
| 153-1 | 123845-0 | 17.60 | 21.30 | |
| No hay información disponible, no se puede pedir | ||||
| 154 | 5933005000 | |||
| Carcasa del filtro de aire Ebh253U A | ||||
| 154-1 | 123845-0 | 17.60 | 21.30 | |
| Válvula de sobrepresión | ||||
| 155 | 424315-5 | 1.20 | 1.45 | |
| Válvula de sobrepresión | ||||
| 155-1 | 424315-5 | 1.20 | 1.45 | |
| Válvula de sobrepresión | ||||
| 156 | 424316-3 | 3.60 | 4.36 | |
| Válvula de sobrepresión | ||||
| 156-1 | 424316-3 | 3.60 | 4.36 | |
| Placa de la válvula de sobrepresión | ||||
| 157 | 451924-7 | 1.20 | 1.45 | |
| Placa de la válvula de sobrepresión | ||||
| 157-1 | 451924-7 | 1.20 | 1.45 | |
| Ya no disponible, sin reemplazo | ||||
| 158 | 168576-4 | |||
| Ya no disponible, sin reemplazo | ||||
| 158-1 | 168576-4 | |||
| Ya no disponible, sin reemplazo | ||||
| 159 | 451925-5 | |||
| Ya no disponible, sin reemplazo | ||||
| 159-1 | 451925-5 | |||
| No hay información disponible, no se puede pedir | ||||
| 160 | 5923503500 | |||
| Junta de separación | ||||
| 160-1 | 168577-2 | 2.40 | 2.90 | |
| Anillo O 14 | ||||
| 161 | 213539-6 | 1.00 | 1.21 | |
| Anillo O 14 | ||||
| 161-1 | 213539-6 | 1.00 | 1.21 | |
| Anillo O 15 | ||||
| 162 | 213540-1 | 1.00 | 1.21 | |
| Anillo O 15 | ||||
| 162-1 | 213540-1 | 1.00 | 1.21 | |
| Placa de estrangulación | ||||
| 163 | 450560-6 | 1.20 | 1.45 | |
| Placa de estrangulación | ||||
| 163-1 | 450560-6 | 1.20 | 1.45 | |
| Placa de montaje Ebh253U A | ||||
| 164 | 346647-9 | 2.40 | 2.90 | |
| Placa de montaje Ebh253U A | ||||
| 164-1 | 346647-9 | 2.40 | 2.90 | |
| Arandela | ||||
| 165 | 423376-2 | 1.20 | 1.45 | |
| Arandela | ||||
| 165-1 | 423376-2 | 1.20 | 1.45 | |
| Cubierta del filtro de aire | ||||
| 166 | 450561-4 | 6.00 | 7.26 | |
| Cubierta del filtro de aire | ||||
| 166-1 | 450561-4 | 6.00 | 7.26 | |
| Tubo de ventilación Ebh253U A | ||||
| 167 | 422042-8 | 2.40 | 2.90 | |
| Tubo de ventilación Ebh253U A | ||||
| 167-1 | 422042-8 | 2.40 | 2.90 | |
| Tornillo metálico Ph M5x14mm Ck | ||||
| 168 | 266809-2 | 1.00 | 1.21 | |
| Tornillo métrico Ph2 M5x68mm Ck | ||||
| 169 | 265188-5 | 1.00 | 1.21 | |
| Tornillo métrico Ph2 M5x68mm Ck | ||||
| 169-1 | 265188-5 | 1.00 | 1.21 | |
| Abrazadera de manguera IAS 3 | ||||
| 170 | 345918-1 | 1.00 | 1.21 | |
| Abrazadera de manguera IAS 3 | ||||
| 170-1 | 345918-1 | 1.00 | 1.21 | |
| Escape | ||||
| 171 | 168469-5 | 13.20 | 15.97 | |
| Escape | ||||
| 171-1 | 168469-5 | 13.20 | 15.97 | |
| Junta de escape | ||||
| 172 | 345916-5 | 2.40 | 2.90 | |
| Junta de escape | ||||
| 172-1 | 345916-5 | 2.40 | 2.90 | |
| Tapa de escape | ||||
| 173 | 5923503400 | 3.60 | 4.36 | |
| No hay información disponible, no se puede pedir | ||||
| 173-1 | 345915-7 | |||
| Tornillo Allen M5x40mm Ck | ||||
| 174 | 266440-4 | 1.20 | 1.45 | |
| Tornillo Allen M5x40mm Ck | ||||
| 174-1 | 266440-4 | 1.20 | 1.45 | |
| Tornillo 5x8 | ||||
| 175 | 911601-8 | 1.00 | 1.21 | |
| DEPÓSITO DE COMBUSTIBLE | ||||
| 176 | 451877-0 | 15.40 | 18.63 | |
| DEPÓSITO DE COMBUSTIBLE | ||||
| 176-1 | 451877-0 | 15.40 | 18.63 | |
| Manguera de gasolina | ||||
| 177 | 162309-9 | 4.80 | 5.81 | |
| Manguera de gasolina | ||||
| 177-1 | 162309-9 | 4.80 | 5.81 | |
| Filtro de combustible | ||||
| 178 | 163447-0 | 11.00 | 13.31 | |
| Filtro de combustible | ||||
| 178-2 | 163447-0 | 11.00 | 13.31 | |
| Abrazadera de manguera IAS 3 | ||||
| 179 | 345920-4 | 1.00 | 1.21 | |
| Abrazadera de manguera IAS 3 | ||||
| 179-1 | 345920-4 | 1.00 | 1.21 | |
| Tapón del tanque | ||||
| 181 | 5926013000 | 7.20 | 8.71 | |
| Etiqueta de advertencia "combustible" | ||||
| 182 | 810455-9 | 2.40 | 2.90 | |
| Amortiguador Ebh253U A | ||||
| 183 | 424102-2 | 1.00 | 1.21 | |
| Amortiguador Ebh253U A | ||||
| 183-1 | 424102-2 | 1.00 | 1.21 | |
| Amortiguador Ebh253U A | ||||
| 184 | 424103-0 | 1.00 | 1.21 | |
| Amortiguador Ebh253U A | ||||
| 184-1 | 424103-0 | 1.00 | 1.21 | |
| AMORTIGUADOR | ||||
| 185 | 424104-8 | 2.40 | 2.90 | |
| AMORTIGUADOR | ||||
| 185-2 | 424104-8 | 2.40 | 2.90 | |
| No hay información disponible, no se puede pedir | ||||
| 186 | 168501-5 | |||
| No hay información disponible, no se puede pedir | ||||
| 186-3 | 168501-5 | |||
| Volante de inercia Ms335.4U A | ||||
| 187 | 319035-3 | 13.20 | 15.97 | |
| Volante de inercia Ms335.4U A | ||||
| 187-2 | 319035-3 | 13.20 | 15.97 | |
| Tapa de bujía Ebh253U A | ||||
| 188 | 424105-6 | 3.60 | 4.36 | |
| Tapa de bujía Ebh253U A | ||||
| 188-1 | 424105-6 | 3.60 | 4.36 | |
| No hay información disponible, no se puede pedir | ||||
| 189 | 0654009931 | |||
| Resorte de bujía Ebh253U A | ||||
| 189-1 | 324891-8 | 1.20 | 1.45 | |
| Cable de conexión | ||||
| 190 | 638664-6 | 2.40 | 2.90 | |
| Cable de conexión | ||||
| 190-1 | 638664-6 | 2.40 | 2.90 | |
| Cable de conexión Ebh253U P | ||||
| 191 | 638665-4 | 2.40 | 2.90 | |
| Cable de conexión Ebh253U P | ||||
| 191-1 | 638665-4 | 2.40 | 2.90 | |
| Paso Eh561 15X7X2Mm * | ||||
| 192 | 5257500300 | 2.40 | 2.90 | |
| No hay información disponible, no se puede pedir | ||||
| 192-1 | 424313-9 | |||
| No hay información disponible, no se puede pedir | ||||
| 193 | 0011306160 | |||
| Remache RBC230-G24-350 P | ||||
| 194 | 0031206000 | 1.00 | 1.21 | |
| Tornillo 4x20 | ||||
| 195 | 911138-5 | 1.00 | 1.21 | |
| No hay información disponible, no se puede pedir | ||||
| 196 | 168563-3 | |||
| Acoplamiento Cmpl Ms335.4U A | ||||
| 196-2 | 125757-3 | 11.00 | 13.31 | |
| Acoplamiento Cmpl Ms335.4U A | ||||
| 197 | 125757-3 | 11.00 | 13.31 | |
| No hay información disponible, no se puede pedir | ||||
| 197-3 | AN02010C00 | |||
| Tornillo métrico M8X23Mm Ms335.4U * | ||||
| 198 | 266571-9 | 2.40 | 2.90 | |
| Tornillo métrico M8X23Mm Ms335.4U * | ||||
| 198-2 | 266571-9 | 2.40 | 2.90 | |
| Arandela 8 | ||||
| 199 | 253762-1 | 1.20 | 1.45 | |
| No hay información disponible, no se puede pedir | ||||
| 199-1 | 267424-5 | |||
| No hay información disponible, no se puede pedir | ||||
| 200 | 5935500802 | |||
| No hay información disponible, no se puede pedir | ||||
| 200-3 | 451875-4 | |||
| No hay información disponible, no se puede pedir | ||||
| 201 | 0140059370 | |||
| Tornillo m5x12 | ||||
| 201-2 | 266808-4 | 1.00 | 1.21 | |
| No hay información disponible, no se puede pedir | ||||
| 202 | 0140059370 | |||
| Tornillo m5x12 | ||||
| 202-2 | 266808-4 | 1.00 | 1.21 | |
| No hay información disponible, no se puede pedir | ||||
| 203 | 5935500500 | |||
| Tapa de bujía | ||||
| 203-1 | 451876-2 | 3.60 | 4.36 | |
| ABRAZADERA DE CABLE | ||||
| 204 | 345963-6 | 1.00 | 1.21 | |
| ABRAZADERA DE CABLE | ||||
| 204-1 | 345963-6 | 1.00 | 1.21 | |
| Etiqueta Makita Em4250 * | ||||
| 205 | 5929501001 | 3.60 | 4.36 | |
| Tornillo 5x8 | ||||
| 214 | 911601-8 | 1.00 | 1.21 | |
| Tornillo métrico Ck | ||||
| 214-2 | 266572-7 | 1.00 | 1.21 | |
| Tornillo Allen M5x12mm Ck | ||||
| 216 | 922213-2 | 1.00 | 1.21 | |
| Tornillo Allen M5x12mm Ck | ||||
| 216-3 | 922213-2 | 1.00 | 1.21 | |
| Elemento del filtro de aire | ||||
| 217 | 443141-3 | 2.71 | 3.28 | |
| Elemento del filtro de aire | ||||
| 217-1 | 443141-3 | 2.71 | 3.28 | |
| Elemento del filtro de aire | ||||
| 218 | 443140-5 | 3.60 | 4.36 | |
| Elemento del filtro de aire | ||||
| 218-1 | 443140-5 | 3.60 | 4.36 | |
| Anillo de fieltro 8mm | ||||
| 233 | 443146-3 | 1.00 | 1.21 | |
| No hay información disponible, no se puede pedir | ||||
| 236 | 0323039990 | |||
| Arandela de resorte 10 | ||||
| 237 | 253385-5 | 2.40 | 2.90 | |
| Admisión de aire Ms335.4U A | ||||
| 238 | 325915-3 | 3.60 | 4.36 | |
| O-Anillo 10 Ebh253U A | ||||
| 239 | 213078-6 | 1.00 | 1.21 | |