Aquí encontrará todas las piezas y dibujos técnicos disponibles de 'Makita BTL060'. Desde aquí podrá pedir todas las piezas deseadas directamente. Para muchas piezas de repuesto, es necesario pasar un pedido al fabricante. Dependiendo de la marca, el plazo de entrega puede variar entre una y cuatro semanas. Toda la información que tenemos está en nuestro sitio web. No podremos aconsejarle sobre lo que necesita hasta que entregue la máquina para su reparación. Tenga en cuenta lo siguiente a la hora de cursar su pedido:
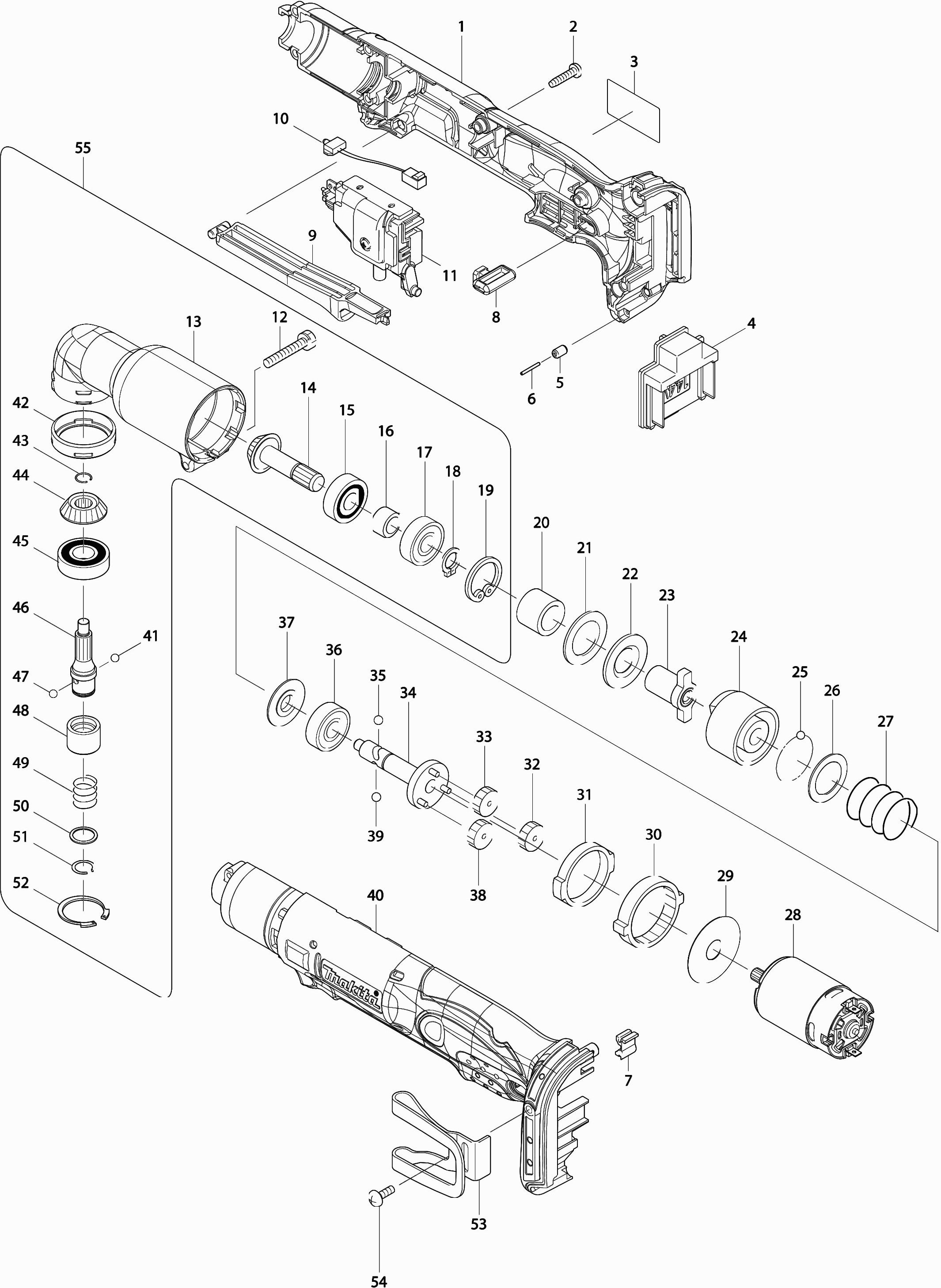
Dibujo técnico de los/las Makita BTL060
Lista de las piezas de repuesto de Makita BTL060
| Pos. | Descripción | Precio con el IVA excluido | Precio con el IVA incluido | |
| Los precios mostrados incluyen el IVA | ||||
| Set de Carcasa del Motor | ||||
| 001A | 188393-6 | 28.60 | 34.61 | |
| Pluma de goma 6 | ||||
| 001AA | 263005-3 | 1.00 | 1.21 | |
| Set de Carcasa del Motor | ||||
| 001B | 187501-6 | 28.60 | 34.61 | |
| Tornillo de grifo 4x18 | ||||
| 002 | 265A48-7 | 1.00 | 1.21 | |
| Placa de nombre "btl060" | ||||
| 003 | 864074-3 | 3.60 | 4.36 | |
| Unidad de Conexión (2 contactos) | ||||
| 004A | 643847-5 | 3.60 | 4.36 | |
| Unidad de conexión (3 contactos) | ||||
| 004B | 643866-1 | 3.60 | 4.36 | |
| Pluma de goma 5 | ||||
| 005 | 263036-2 | 1.20 | 1.45 | |
| Pasador 1,5 | ||||
| 006 | 268184-2 | 1.00 | 1.21 | |
| Fieltro de amortiguación | ||||
| 007 | 424476-1 | 1.00 | 1.21 | |
| Cabeza del interruptor L/r | ||||
| 008 | 450126-2 | 2.40 | 2.90 | |
| Cabeza del interruptor | ||||
| 009 | 450125-4 | 3.60 | 4.36 | |
| Circuito de luz | ||||
| 010 | 631778-0 | 8.40 | 10.16 | |
| Interruptor 2 contactos | ||||
| 011A | 650594-1 | 33.00 | 39.93 | |
| Interruptor (3 contactos) | ||||
| 011B | 638884-2 | 40.70 | 49.25 | |
| Tornillo hexagonal 5x30 | ||||
| 012 | 265409-5 | 2.40 | 2.90 | |
| Carcasa de transmisión | ||||
| 013 | 152461-1 | 56.10 | 67.88 | |
| Eje del engranaje | ||||
| 014 | 226720-0 | 20.90 | 25.29 | |
| Rodamiento de bolas 6000 | ||||
| 015 | 211064-1 | 5.71 | 6.91 | |
| Manga 10 | ||||
| 016 | 257660-1 | 2.40 | 2.90 | |
| Rodamiento de bolas 6000llb | ||||
| 017 | 211061-7 | 8.40 | 10.16 | |
| Anillo de bloqueo S-10 | ||||
| 018 | 257408-1 | 1.20 | 1.45 | |
| Anillo de bloqueo R-26 A | ||||
| 019 | 962105-3 | 1.00 | 1.21 | |
| Manga 15 | ||||
| 020 | 257662-7 | 6.00 | 7.26 | |
| Anillo de goma 21 | ||||
| 021 | 261095-0 | 1.20 | 1.45 | |
| Arandela 15 | ||||
| 022 | 267120-5 | 3.60 | 4.36 | |
| Yunque | ||||
| 023 | 322689-7 | 31.90 | 38.60 | |
| Martillo | ||||
| 024 | 322688-9 | 17.60 | 21.30 | |
| Bola de acero 3.5 | ||||
| 025 | 216040-0 | 1.00 | 1.21 | |
| Arandela 20 | ||||
| 026 | 267121-3 | 1.20 | 1.45 | |
| Resorte de compresión 22 | ||||
| 027 | 233107-9 | 2.40 | 2.90 | |
| Motor 14.4V | ||||
| 028A | 629844-5 | 24.20 | 29.28 | |
| Motor 14.4V | ||||
| 028B | 629964-5 | 26.40 | 31.94 | |
| Arandela 12 | ||||
| 029 | 267053-4 | 1.00 | 1.21 | |
| Engranaje interno 69 | ||||
| 030 | 226280-2 | 16.50 | 19.96 | |
| Arandela 32 | ||||
| 031 | 257187-1 | 3.60 | 4.36 | |
| Engranaje 29 | ||||
| 032 | 226279-7 | 3.60 | 4.36 | |
| Engranaje 29 | ||||
| 033 | 226279-7 | 3.60 | 4.36 | |
| BARRA TOMMY | ||||
| 034 | 154416-2 | 28.60 | 34.61 | |
| Bola de acero 4.8 | ||||
| 035 | 216002-8 | 1.00 | 1.21 | |
| Rodamiento de bolas 6000 | ||||
| 036 | 211064-1 | 5.71 | 6.91 | |
| Anillo 10 | ||||
| 037 | 322719-4 | 4.80 | 5.81 | |
| Engranaje 29 | ||||
| 038 | 226279-7 | 3.60 | 4.36 | |
| Bola de acero 4.8 | ||||
| 039 | 216002-8 | 1.00 | 1.21 | |
| Set de Carcasa del Motor | ||||
| 040 | 188393-6 | 28.60 | 34.61 | |
| Pluma de goma 6 | ||||
| 040A | 263005-3 | 1.00 | 1.21 | |
| Arandela de goma 32 | ||||
| 042 | 424044-0 | 2.40 | 2.90 | |
| Arandela 9 A | ||||
| 043 | 231990-8 | 1.00 | 1.21 | |
| Engranaje 13 | ||||
| 044 | 226721-8 | 13.20 | 15.97 | |
| Rodamiento de bolas 6001dw | ||||
| 045 | 211131-2 | 9.60 | 11.62 | |
| Como C-forma | ||||
| 046A | 323921-2 | 18.70 | 22.63 | |
| Conjunto de modificación C > E | ||||
| 046B | 135205-4 | 67.10 | 81.19 | |
| Arandela de resorte 6 | ||||
| 051 | 231956-8 | 1.20 | 1.45 | |
| Anillo de parada R-28 | ||||
| 052 | 962116-8 | 1.20 | 1.45 | |
| No hay información disponible, no se puede pedir | ||||
| 053 | 194654-4 | |||
| Tornillo,M4x12 | ||||
| 054 | 251314-2 | 1.00 | 1.21 | |