Aquí encontrará todas las piezas y dibujos técnicos disponibles de 'Makita BTW450'. Desde aquí podrá pedir todas las piezas deseadas directamente. Para muchas piezas de repuesto, es necesario pasar un pedido al fabricante. Dependiendo de la marca, el plazo de entrega puede variar entre una y cuatro semanas. Toda la información que tenemos está en nuestro sitio web. No podremos aconsejarle sobre lo que necesita hasta que entregue la máquina para su reparación. Tenga en cuenta lo siguiente a la hora de cursar su pedido:
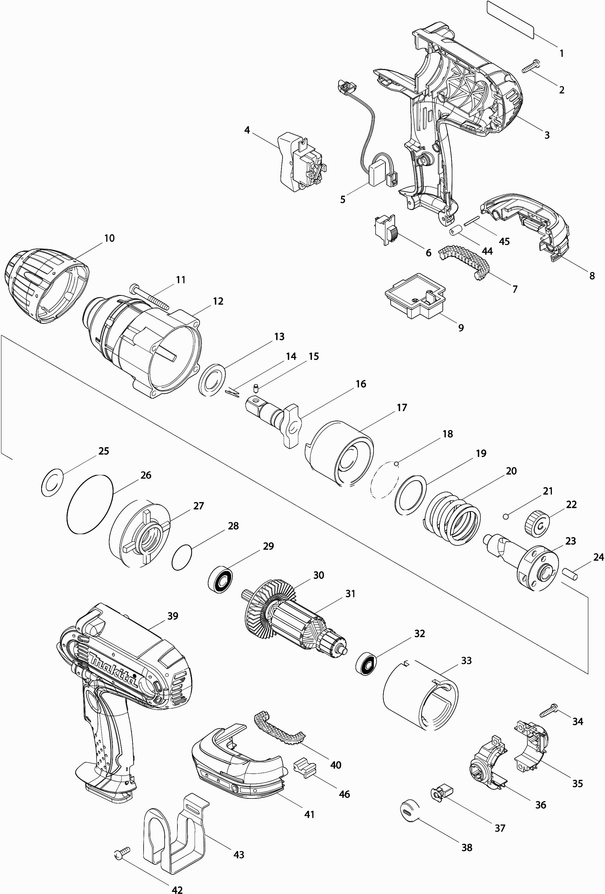
Dibujo técnico de los/las Makita BTW450
Lista de las piezas de repuesto de Makita BTW450
| Pos. | Descripción | Precio con el IVA excluido | Precio con el IVA incluido | |
| Los precios mostrados incluyen el IVA | ||||
| PLACA DE IDENTIFICACIÓN | ||||
| 001 | 862955-5 | 3.60 | 4.36 | |
| Tornillo de grifo 4x18 | ||||
| 002 | 265A48-7 | 1.00 | 1.21 | |
| Set de Carcasa del Motor | ||||
| 003 | 188434-8 | 59.40 | 71.87 | |
| Pasador de Goma 4 | ||||
| 003A | 263025-7 | 1.00 | 1.21 | |
| Interruptor | ||||
| 004 | 651572-4 | 23.10 | 27.95 | |
| Tornillo 3.5x5 | ||||
| 004A | 652045-0 | 1.00 | 1.21 | |
| Circuito de luz | ||||
| 005 | 631738-2 | 13.20 | 15.97 | |
| Unidad de conmutación | ||||
| 006 | 638503-0 | 13.20 | 15.97 | |
| Caucho de vibración | ||||
| 007 | 424042-4 | 2.40 | 2.90 | |
| No hay información disponible, no se puede pedir | ||||
| 008 | 188453-4 | |||
| Pluma de goma 6 | ||||
| 008A | 263005-3 | 1.00 | 1.21 | |
| Unidad de Conexión (2 contactos) | ||||
| 009 | 643844-1 | 3.60 | 4.36 | |
| Caucho de choque | ||||
| 010 | 421971-2 | 4.80 | 5.81 | |
| Tornillo de metal M5x45mm | ||||
| 011 | 266037-9 | 1.00 | 1.21 | |
| Caja del martillo | ||||
| 012 | 158076-2 | 26.40 | 31.94 | |
| Anillo de sellado 18 | ||||
| 012A | 213257-6 | 4.80 | 5.81 | |
| Bus 18 | ||||
| 012B | 321119-5 | 12.10 | 14.64 | |
| Arandela plana 19 | ||||
| 013 | 267268-3 | 1.20 | 1.45 | |
| Yunque | ||||
| 016 | 326983-9 | 39.60 | 47.92 | |
| Anillo de bloqueo 10 | ||||
| 016A | 231907-1 | 1.00 | 1.21 | |
| Martillo | ||||
| 017 | 324697-4 | 28.60 | 34.61 | |
| Bola de acero 4 | ||||
| 018 | 216008-6 | 1.00 | 1.21 | |
| Arandela 32 | ||||
| 019 | 267340-1 | 1.20 | 1.45 | |
| Muelle de presión 33 Btw450 A | ||||
| 020 | 234338-3 | 4.80 | 5.81 | |
| Bola de acero 6.4 | ||||
| 021 | 216007-8 | 1.00 | 1.21 | |
| Engranaje 23 | ||||
| 022 | 227171-0 | 2.40 | 2.90 | |
| BARRA TOMMY | ||||
| 023 | 310185-7 | 41.80 | 50.58 | |
| Pasador 6 | ||||
| 024 | 256033-5 | 1.20 | 1.45 | |
| Arandela 18 | ||||
| 025 | 253794-8 | 1.00 | 1.21 | |
| Anillo O 63 | ||||
| 026 | 213722-5 | 1.20 | 1.45 | |
| Engranaje 53 | ||||
| 027 | 227172-8 | 23.10 | 27.95 | |
| Anillo-O 26 | ||||
| 028 | 213407-3 | 1.20 | 1.45 | |
| Rodamiento de bolas 6000ddw | ||||
| 029 | 211289-7 | 13.20 | 15.97 | |
| Ventilador 60 | ||||
| 030 | 241850-6 | 8.40 | 10.16 | |
| Armazón | ||||
| 031 | 519199-5 | 52.80 | 63.89 | |
| Rodamiento de bolas 627llb | ||||
| 032 | 210025-8 | 3.60 | 4.36 | |
| Portaimán | ||||
| 033 | 638107-8 | 26.40 | 31.94 | |
| Tornillo de grifo 4x18 | ||||
| 034 | 265A48-7 | 1.00 | 1.21 | |
| No hay información disponible, no se puede pedir | ||||
| 035 | 643818-2 | |||
| Portacepillos L+r | ||||
| 035A | 638870-3 | 16.50 | 19.96 | |
| Filtro de línea | ||||
| 035B | 688161-2 | 1.00 | 1.21 | |
| Unidad de conexión | ||||
| 035C | 654409-4 | 1.00 | 1.21 | |
| No hay información disponible, no se puede pedir | ||||
| 036 | 643823-9 | |||
| KOOLBORSTEL SET CB-441 A | ||||
| 037 | 195022-4 | 4.80 | 5.81 | |
| Tapa del portaescobillas | ||||
| 038 | 643941-3 | 2.40 | 2.90 | |
| Set de Carcasa del Motor | ||||
| 039 | 188434-8 | 59.40 | 71.87 | |
| Pasador de Goma 4 | ||||
| 039A | 263025-7 | 1.00 | 1.21 | |
| Caucho de vibración | ||||
| 040 | 424042-4 | 2.40 | 2.90 | |
| No hay información disponible, no se puede pedir | ||||
| 041 | 188453-4 | |||
| Pluma de goma 6 | ||||
| 041A | 263005-3 | 1.00 | 1.21 | |
| Tornillo,M4x12 | ||||
| 042 | 251314-2 | 1.00 | 1.21 | |
| Gancho de transporte | ||||
| 043 | 345736-7 | 2.00 | 2.42 | |
| Pluma de goma 5 | ||||
| 044 | 263036-2 | 1.20 | 1.45 | |
| Pasador 1,5 | ||||
| 045 | 268184-2 | 1.00 | 1.21 | |
| Fieltro de amortiguación | ||||
| 046 | 424476-1 | 1.00 | 1.21 | |