Aquí encontrará todas las piezas y dibujos técnicos disponibles de 'Makita DFR452'. Desde aquí podrá pedir todas las piezas deseadas directamente. Para muchas piezas de repuesto, es necesario pasar un pedido al fabricante. Dependiendo de la marca, el plazo de entrega puede variar entre una y cuatro semanas. Toda la información que tenemos está en nuestro sitio web. No podremos aconsejarle sobre lo que necesita hasta que entregue la máquina para su reparación. Tenga en cuenta lo siguiente a la hora de cursar su pedido:
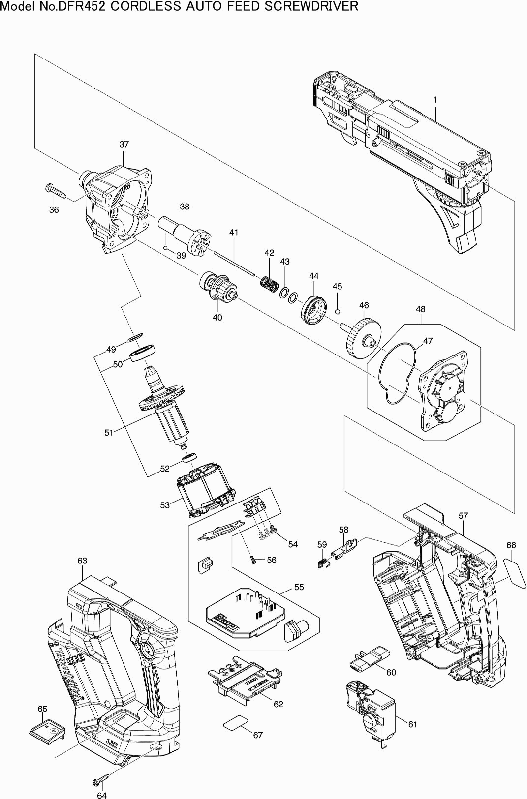
Dibujo técnico de los/las Makita DFR452
Lista de las piezas de repuesto de Makita DFR452
| Pos. | Descripción | Precio con el IVA excluido | Precio con el IVA incluido | |
| Los precios mostrados incluyen el IVA | ||||
| Neusstuk DFR452 | ||||
| 001 | 191W93-7 | 92.00 | 111.32 | |
| NEUSSTUKKAP DFR451 | ||||
| 002 | 422695-3 | 2.40 | 2.90 | |
| Palanca | ||||
| 003 | 345837-1 | 1.20 | 1.45 | |
| Muelle de presión 2 | ||||
| 004 | 233211-4 | 1.00 | 1.21 | |
| Pasador 6 | ||||
| 005 | 256451-7 | 2.40 | 2.90 | |
| No hay información disponible, no se puede pedir | ||||
| 006 | 413525-9 | |||
| No hay información disponible, no se puede pedir | ||||
| 007 | 257855-6 | |||
| Tope 6833 | ||||
| 008 | 310062-3 | 6.00 | 7.26 | |
| Resorte de torsión 4 | ||||
| 009 | 231636-6 | 1.20 | 1.45 | |
| Pluma 3 | ||||
| 010 | 256158-5 | 1.20 | 1.45 | |
| Engranaje 16 | ||||
| 011 | 226344-2 | 2.40 | 2.90 | |
| RATELARM DFR551 | ||||
| 012 | 141A78-1 | 14.30 | 17.30 | |
| Resorte de Compresión 6 | ||||
| 013 | 233212-2 | 1.00 | 1.21 | |
| DRUKVEER 5 DFR551 | ||||
| 013-1 | 232771-3 | 1.00 | 1.21 | |
| Rueda de alimentación | ||||
| 014 | 416518-5 | 3.60 | 4.36 | |
| Cubierta antipolvo DFR452 | ||||
| 015 | 162934-6 | 6.00 | 7.26 | |
| No hay información disponible, no se puede pedir | ||||
| 016 | 141A75-7 | |||
| Tornillo autorroscante 3x16 | ||||
| 017 | 266130-9 | 1.00 | 1.21 | |
| No hay información disponible, no se puede pedir | ||||
| 018 | 347825-4 | |||
| No hay información disponible, no se puede pedir | ||||
| 019 | 232696-1 | |||
| NEUSSTUK 41 CPL DFR452 | ||||
| 020 | 141A74-9 | 34.10 | 41.26 | |
| Palanca de bloqueo | ||||
| 021 | 450111-5 | 1.20 | 1.45 | |
| MANGUITO ROSCADO | ||||
| 022 | 257764-9 | 2.40 | 2.90 | |
| Tornillo de ajuste | ||||
| 023 | 265177-0 | 2.40 | 2.90 | |
| Pasador de interruptor DFR452 | ||||
| 024 | 313378-5 | 3.60 | 4.36 | |
| Tornillo avellanado 4x8 | ||||
| 025 | 912107-9 | 1.00 | 1.21 | |
| Dispositivo de sujeción DFR452 | ||||
| 026 | 141A77-3 | 22.00 | 26.62 | |
| Pasador de Goma 4 | ||||
| 026 | 263032-0 | 1.00 | 1.21 | |
| No hay información disponible, no se puede pedir | ||||
| 027 | 216001-0 | |||
| Botón 42mm | ||||
| 028 | 417056-0 | 2.40 | 2.90 | |
| O-ring 12 | ||||
| 029 | 213107-5 | 1.00 | 1.21 | |
| Arandela 6 6835D | ||||
| 030 | 267201-5 | 1.20 | 1.45 | |
| Tornillo avellanado 4x12 | ||||
| 031 | 912117-6 | 1.00 | 1.21 | |
| Conjunto de guía de tornillos DFR452 | ||||
| 032 | 183T81-0 | 4.60 | 5.57 | |
| Tornillo met. M3x6mm WR100D | ||||
| 033 | 265A38-0 | 1.00 | 1.21 | |
| Conjunto de guía de tornillos DFR452 | ||||
| 034 | 183T81-0 | 4.60 | 5.57 | |
| Tornillo autorroscante 3x16 | ||||
| 035 | 266130-9 | 1.00 | 1.21 | |
| Tornillo autorroscante Pt4x20 | ||||
| 036 | 266045-0 | 1.00 | 1.21 | |
| Conjunto del caja de cambios DFR452/551 | ||||
| 037 | 141A64-2 | 63.80 | 77.20 | |
| Anillo O 17 | ||||
| 037 | 213265-7 | 1.00 | 1.21 | |
| O-ring 24 | ||||
| 037 | 213380-7 | 1.00 | 1.21 | |
| Conjunto del eje 270s DFR452/551 | ||||
| 038 | 141A67-6 | 23.10 | 27.95 | |
| Bola de acero 3 | ||||
| 039 | 216019-1 | 1.00 | 1.21 | |
| Engranaje 21-25 completo DFR/551 A | ||||
| 040 | 141J99-7 | 52.80 | 63.89 | |
| BARRA TOMMY | ||||
| 041 | 268325-0 | 1.00 | 1.21 | |
| Resorte de compresión 8 | ||||
| 042 | 234121-8 | 1.00 | 1.21 | |
| Arandela 8 | ||||
| 043 | 267202-3 | 1.00 | 1.21 | |
| KOPPELINGKAM DFR551 | ||||
| 044 | 223192-0 | 7.20 | 8.71 | |
| Bola de acero 4 | ||||
| 045 | 216008-6 | 1.00 | 1.21 | |
| Ensamblaje de engranaje 46 DFR452/551 | ||||
| 046 | 141A63-4 | 28.60 | 34.61 | |
| No hay información disponible, no se puede pedir | ||||
| 047 | 422692-9 | |||
| Caja de cambios assy DFR452/551 | ||||
| 048 | 136412-2 | 11.00 | 13.31 | |
| Arandela de bloqueo S-12 | ||||
| 049 | 961052-5 | 1.00 | 1.21 | |
| Rodamiento de bolas 6901ddw | ||||
| 050 | 211288-9 | 5.71 | 6.91 | |
| Inducido assy DFR452/551 | ||||
| 051 | 519685-6 | 56.10 | 67.88 | |
| Rodamiento de bolas 609ddw | ||||
| 052 | 210039-7 | 3.60 | 4.36 | |
| Campo | ||||
| 053 | 629A57-4 | 13.20 | 15.97 | |
| Tornillo de Cabeza Phillips M3X6 | ||||
| 054 | 652069-6 | 1.00 | 1.21 | |
| Controlador DFR452/551 | ||||
| 055 | 620E75-9 | 82.50 | 99.82 | |
| Parker Ck 2x6mm | ||||
| 056 | 266490-9 | 1.00 | 1.21 | |
| Carcasa del motor DFR452/551 P | ||||
| 057A | 183T80-2 | 28.60 | 34.61 | |
| Tuerca de bloqueo M4x7mm | ||||
| 057AC10 | 252126-6 | 1.00 | 1.21 | |
| Pluma de goma 6 | ||||
| 057AC20 | 263005-3 | 1.00 | 1.21 | |
| No hay información disponible, no se puede pedir | ||||
| 057B | 183W94-9 | |||
| Tuerca de bloqueo M4x7mm | ||||
| 057BC10 | 252126-6 | 1.00 | 1.21 | |
| Pluma de goma 6 | ||||
| 057BC20 | 263005-3 | 1.00 | 1.21 | |
| Conjunto del mango de conmutación DFR452/551 | ||||
| 058 | 141A65-0 | 6.00 | 7.26 | |
| Resorte de torsión 3 DFR452/551 | ||||
| 059 | 232703-0 | 1.00 | 1.21 | |
| Botón giratorio ABB OHYS2AJ | ||||
| 060 | 455053-8 | 1.00 | 1.21 | |
| Interruptor C3JW-4B-1L DUT130 | ||||
| 061 | 651088-9 | 26.40 | 31.94 | |
| Unidad de conexión | ||||
| 062 | 643874-2 | 3.60 | 4.36 | |
| Carcasa del motor DFR452/551 P | ||||
| 063A | 183T80-2 | 28.60 | 34.61 | |
| Pluma de goma 6 | ||||
| 063AC10 | 263005-3 | 1.00 | 1.21 | |
| Tuerca de bloqueo M4x7mm | ||||
| 063AC10 | 252126-6 | 1.00 | 1.21 | |
| No hay información disponible, no se puede pedir | ||||
| 063B | 183W94-9 | |||
| Tuerca de bloqueo M4x7mm | ||||
| 063BC10 | 252126-6 | 1.00 | 1.21 | |
| Pluma de goma 6 | ||||
| 063BC20 | 263005-3 | 1.00 | 1.21 | |
| Tornillo autorroscante 3x16 | ||||
| 064 | 266130-9 | 1.00 | 1.21 | |
| Placa de interruptor cpl DFR452/551P | ||||
| 065A | 141G67-2 | 6.00 | 7.26 | |
| No hay información disponible, no se puede pedir | ||||
| 065AC10 | 8031T5-3 | |||
| SCHAKELPLAAT CPL DFR452/551 | ||||
| 065B | 141L34-7 | 4.80 | 5.81 | |
| No hay información disponible, no se puede pedir | ||||
| 065C10 | 8031T5-3 | |||
| No hay información disponible, no se puede pedir | ||||
| 066 | 8110H0-9 | |||
| No hay información disponible, no se puede pedir | ||||
| 067 | 8110H4-1 | |||
| Arandela delgada 8 * | ||||
| 068 | 253309-1 | 1.00 | 1.21 | |