Aquí encontrará todas las piezas y dibujos técnicos disponibles de 'Makita DHP489'. Desde aquí podrá pedir todas las piezas deseadas directamente. Para muchas piezas de repuesto, es necesario pasar un pedido al fabricante. Dependiendo de la marca, el plazo de entrega puede variar entre una y cuatro semanas. Toda la información que tenemos está en nuestro sitio web. No podremos aconsejarle sobre lo que necesita hasta que entregue la máquina para su reparación. Tenga en cuenta lo siguiente a la hora de cursar su pedido:
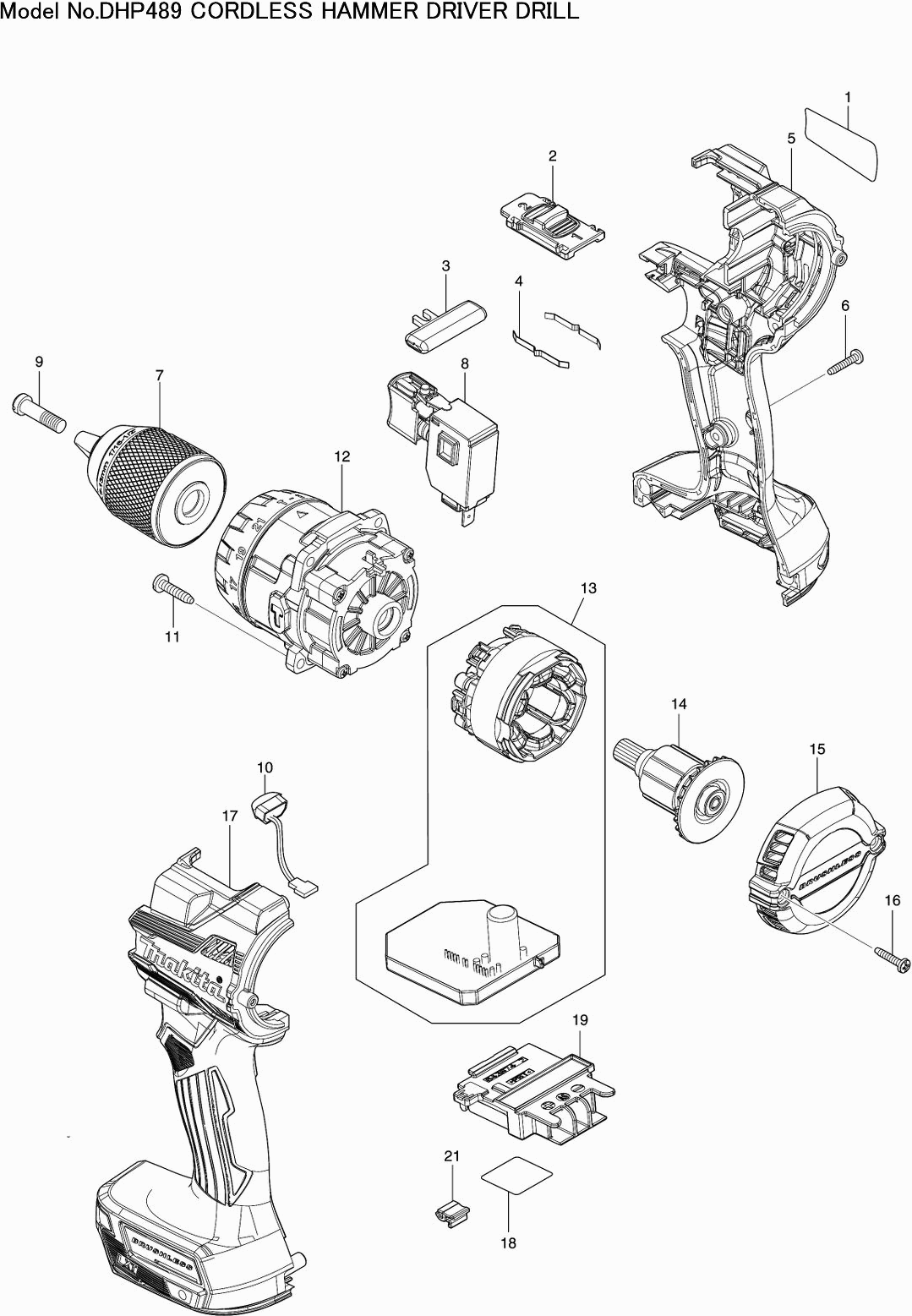
Dibujo técnico de los/las Makita DHP489
Lista de las piezas de repuesto de Makita DHP489
| Pos. | Descripción | Precio con el IVA excluido | Precio con el IVA incluido | |
| Los precios mostrados incluyen el IVA | ||||
| NAAMPLAAT DHP489 | ||||
| 001 | 8585E1-5 | 1.00 | 1.21 | |
| Botón de interruptor DF001G | ||||
| 002 | 127494-5 | 1.20 | 1.45 | |
| Resorte de compresión 4 | ||||
| 002C10 | 233438-6 | 1.00 | 1.21 | |
| Botón de interruptor L/R | ||||
| 003 | 419041-9 | 1.20 | 1.45 | |
| Resorte de Hoja | ||||
| 004 | 232220-0 | 1.00 | 1.21 | |
| MOTORHUIS DHP/DDF489 | ||||
| 005 | 183X19-9 | 14.30 | 17.30 | |
| Pluma de goma 6 | ||||
| 005C10 | 263005-3 | 1.00 | 1.21 | |
| Tuerca de bloqueo M4x7mm | ||||
| 005C20 | 252126-6 | 1.00 | 1.21 | |
| Tornillo autorroscante 3x16 | ||||
| 006 | 266130-9 | 1.00 | 1.21 | |
| Boorkop snelspan 1,5-13mm DHP489 | ||||
| 007 | 763261-0 | 23.00 | 27.83 | |
| Interruptor C3jw-4b | ||||
| 008 | 650006-4 | 12.10 | 14.64 | |
| Tornillo de mandril M6x22mm Li | ||||
| 009 | 251468-5 | 1.00 | 1.21 | |
| Circuito de luz Dhp483 | ||||
| 010 | 620549-0 | 3.60 | 4.36 | |
| No hay información disponible, no se puede pedir | ||||
| 011 | 266326-2 | |||
| TANDWIELSET DHP489 | ||||
| 012 | 122D65-7 | 93.50 | 113.14 | |
| VELD CPL DHP489 | ||||
| 013 | 629B98-6 | 77.00 | 93.17 | |
| ANKER DDF/DHP489 | ||||
| 014 | 619797-6 | 20.90 | 25.29 | |
| AFDEKKAP DDF/DHP489 | ||||
| 015 | 413N80-5 | 2.40 | 2.90 | |
| Tornillo autorroscante 3x16 | ||||
| 016 | 266130-9 | 1.00 | 1.21 | |
| MOTORHUIS DHP/DDF489 | ||||
| 017 | 183X19-9 | 14.30 | 17.30 | |
| Pluma de goma 6 | ||||
| 017C10 | 263005-3 | 1.00 | 1.21 | |
| Tuerca de bloqueo M4x7mm | ||||
| 017C20 | 252126-6 | 1.00 | 1.21 | |
| LABEL SERIENR. DHP489 | ||||
| 018 | 8585E9-9 | 2.40 | 2.90 | |
| Unidad de conexión | ||||
| 019 | 643874-2 | 3.60 | 4.36 | |
| Protección AF-DW | ||||
| 021 | 424517-3 | 1.00 | 1.21 | |