Aquí encontrará todas las piezas y dibujos técnicos disponibles de 'Makita DJR186'. Desde aquí podrá pedir todas las piezas deseadas directamente. Para muchas piezas de repuesto, es necesario pasar un pedido al fabricante. Dependiendo de la marca, el plazo de entrega puede variar entre una y cuatro semanas. Toda la información que tenemos está en nuestro sitio web. No podremos aconsejarle sobre lo que necesita hasta que entregue la máquina para su reparación. Tenga en cuenta lo siguiente a la hora de cursar su pedido:
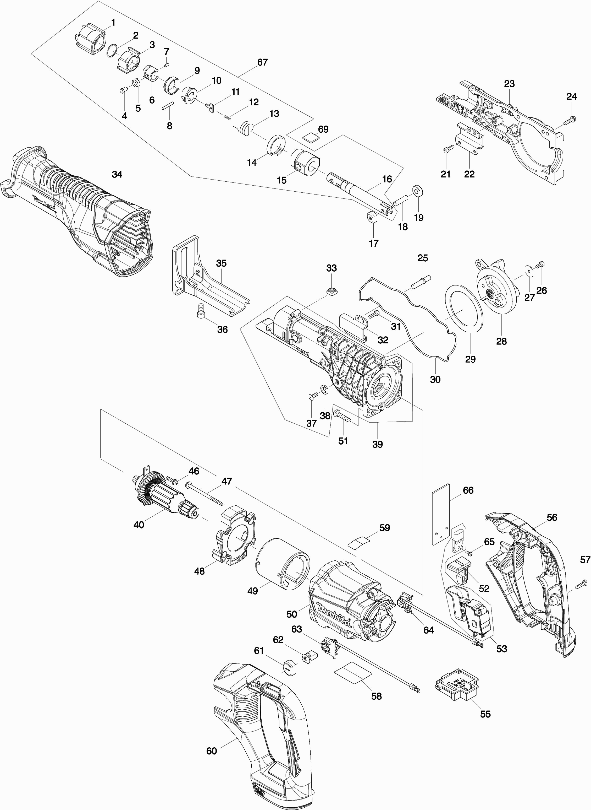
Dibujo técnico de los/las Makita DJR186
Lista de las piezas de repuesto de Makita DJR186
| Pos. | Descripción | Precio con el IVA excluido | Precio con el IVA incluido | |
| Los precios mostrados incluyen el IVA | ||||
| CUBIERTA PROTECTORA | ||||
| 001 | 424763-8 | 1.00 | 1.21 | |
| Anillo de bloqueo 18A | ||||
| 002 | 257430-8 | 1.00 | 1.21 | |
| Casquillo de control | ||||
| 003 | 310662-9 | 8.40 | 10.16 | |
| Pasador con collar 5 | ||||
| 004 | 256569-4 | 1.20 | 1.45 | |
| Resorte de Compresión 6 | ||||
| 005 | 233345-3 | 1.00 | 1.21 | |
| Resorte de Compresión 6 | ||||
| 005A | 233345-3 | 1.00 | 1.21 | |
| Resorte de Compresión 6 | ||||
| 005B | 233345-3 | 1.00 | 1.21 | |
| Casquillo guía Bjr181 A | ||||
| 006 | 327043-0 | 1.20 | 1.45 | |
| Pasador 3 | ||||
| 007 | 268094-3 | 2.40 | 2.90 | |
| Pluma 3 | ||||
| 008 | 256158-5 | 1.20 | 1.45 | |
| Guía de manga de dirección | ||||
| 009 | 417791-0 | 2.40 | 2.90 | |
| MANGUITO EXCÉNTRICO | ||||
| 010 | 418311-3 | 1.20 | 1.45 | |
| Placa de presión ISC 240 completa | ||||
| 011 | 345214-7 | 1.20 | 1.45 | |
| Muelle de presión 2 | ||||
| 012 | 233025-1 | 1.00 | 1.21 | |
| Resorte de torsión 17 | ||||
| 013 | 231687-9 | 1.00 | 1.21 | |
| Anillo de Goma | ||||
| 014 | 424762-0 | 1.00 | 1.21 | |
| Ensamblaje de sierra Compl | ||||
| 015 | 127397-3 | 28.60 | 34.61 | |
| Anillo de sellado 14 | ||||
| 015A | 213151-2 | 3.60 | 4.36 | |
| Anillo X 14 | ||||
| 015B | 213174-0 | 3.60 | 4.36 | |
| No hay información disponible, no se puede pedir | ||||
| 016 | 161376-1 | |||
| Rueda de soporte | ||||
| 017 | 310663-7 | 1.00 | 1.21 | |
| Pasador 6 | ||||
| 018 | 268341-2 | 1.00 | 1.21 | |
| Rueda de soporte | ||||
| 019 | 310663-7 | 1.00 | 1.21 | |
| Tornillo de cabeza hexagonal 4x12 | ||||
| 021 | 265353-6 | 1.20 | 1.45 | |
| VARILLA | ||||
| 022 | 346936-2 | 1.20 | 1.45 | |
| Caja de engranajes | ||||
| 023 | 143381-0 | 13.20 | 15.97 | |
| Tornillo 4x16 A | ||||
| 024 | 911526-6 | 1.00 | 1.21 | |
| Pasador de collar 6-8 | ||||
| 025 | 256567-8 | 1.00 | 1.21 | |
| Tornillo Allen M4X8 A | ||||
| 026 | 265911-8 | 1.00 | 1.21 | |
| Arandela 4 | ||||
| 027 | 267491-0 | 1.00 | 1.21 | |
| Engranaje Completo | ||||
| 028 | 143377-1 | 21.08 | 25.51 | |
| Arandela 54 | ||||
| 029 | 267490-2 | 2.40 | 2.90 | |
| Anillo de sellado | ||||
| 030 | 424764-6 | 1.20 | 1.45 | |
| Tornillo de cabeza hexagonal 4x12 | ||||
| 031 | 265353-6 | 1.20 | 1.45 | |
| VARILLA | ||||
| 032 | 346935-4 | 1.20 | 1.45 | |
| Tuerca hexagonal M6 | ||||
| 033 | 252159-1 | 2.40 | 2.90 | |
| Funda Protectora | ||||
| 034 | 424768-8 | 14.30 | 17.30 | |
| Base de sierra Djr186 A | ||||
| 035 | 161810-1 | 6.00 | 7.26 | |
| Tornillo hexagonal M6x14mm | ||||
| 036 | 265531-8 | 1.00 | 1.21 | |
| Tornillo avellanado 4x10 | ||||
| 037 | 265135-6 | 1.00 | 1.21 | |
| Arandela 6 | ||||
| 038 | 253825-3 | 1.20 | 1.45 | |
| Caja de engranajes L DJR186 A | ||||
| 039 | 126678-2 | 22.00 | 26.62 | |
| Armazón | ||||
| 040 | 519392-1 | 28.02 | 33.90 | |
| Armazón | ||||
| 040A | 519392-1 | 28.02 | 33.90 | |
| Arandela de bloqueo S-15 | ||||
| 040B | 961055-9 | 1.00 | 1.21 | |
| Rodamiento de bolas 6002ddw | ||||
| 040C | 211236-8 | 9.60 | 11.62 | |
| Engranaje 7 | ||||
| 040D | 227650-8 | 9.60 | 11.62 | |
| Rodamiento de bolas 607Zz A | ||||
| 040E | 211382-7 | 1.20 | 1.45 | |
| Bloqueo del rodamiento | ||||
| 044 | 285740-3 | 1.20 | 1.45 | |
| Tornillo 4x16 A | ||||
| 046 | 911526-6 | 1.00 | 1.21 | |
| Tornillo de roscar Pf 4x65 | ||||
| 047 | 266060-4 | 2.40 | 2.90 | |
| Placa intermedia Djr186 | ||||
| 048 | 456207-0 | 1.20 | 1.45 | |
| Soporte de imán AS3625 A | ||||
| 049 | 638571-3 | 11.00 | 13.31 | |
| Carcasa del motor | ||||
| 050 | 456206-2 | 8.40 | 10.16 | |
| Tornillo autoperforante 5X25 | ||||
| 051 | 266041-8 | 1.00 | 1.21 | |
| Botón de bloqueo Djr186 | ||||
| 052 | 456208-8 | 1.00 | 1.21 | |
| Interruptor | ||||
| 053 | 650760-0 | 34.10 | 41.26 | |
| Unidad de conexión (3 contactos) | ||||
| 055 | 644808-8 | 3.60 | 4.36 | |
| Unidad de conexión (3 contactos) | ||||
| 055A | 644809-6 | 4.80 | 5.81 | |
| No hay información disponible, no se puede pedir | ||||
| 056 | 183C48-6 | |||
| Conjunto de manijas | ||||
| 056A | 183C49-4 | 14.30 | 17.30 | |
| Pluma de goma 6 | ||||
| 056C10 | 263005-3 | 1.00 | 1.21 | |
| No hay información disponible, no se puede pedir | ||||
| 057 | 266326-2 | |||
| Placa de nombre Djr186 | ||||
| 058 | 851R04-1 | 1.00 | 1.21 | |
| Conjunto de manijas | ||||
| 060 | 183C49-4 | 14.30 | 17.30 | |
| Conjunto de manijas | ||||
| 060A | 183C49-4 | 14.30 | 17.30 | |
| Pluma de goma 6 | ||||
| 060C10 | 263005-3 | 1.00 | 1.21 | |
| Tapa del cepillo | ||||
| 061 | 643829-7 | 1.00 | 1.21 | |
| KOOLBORSTEL SET CB-441 A | ||||
| 062 | 195022-4 | 4.80 | 5.81 | |
| Soporte de la escobilla "r" | ||||
| 063 | 643507-9 | 2.40 | 2.90 | |
| Soporte de la escobilla "l" | ||||
| 064 | 643508-7 | 2.40 | 2.90 | |
| No hay información disponible, no se puede pedir | ||||
| 065 | 911011-9 | |||
| Escudo de calor Djr186 | ||||
| 066 | 689204-3 | 1.20 | 1.45 | |
| Ensamblaje de sierra Compl | ||||
| 067 | 127397-3 | 28.60 | 34.61 | |
| Filtro de línea | ||||
| 068 | 688131-1 | 1.00 | 1.21 | |
| Fieltro de amortiguación | ||||
| 069 | 424858-7 | 1.00 | 1.21 | |