Aquí encontrará todas las piezas y dibujos técnicos disponibles de 'Makita DJR189'. Desde aquí podrá pedir todas las piezas deseadas directamente. Para muchas piezas de repuesto, es necesario pasar un pedido al fabricante. Dependiendo de la marca, el plazo de entrega puede variar entre una y cuatro semanas. Toda la información que tenemos está en nuestro sitio web. No podremos aconsejarle sobre lo que necesita hasta que entregue la máquina para su reparación. Tenga en cuenta lo siguiente a la hora de cursar su pedido:
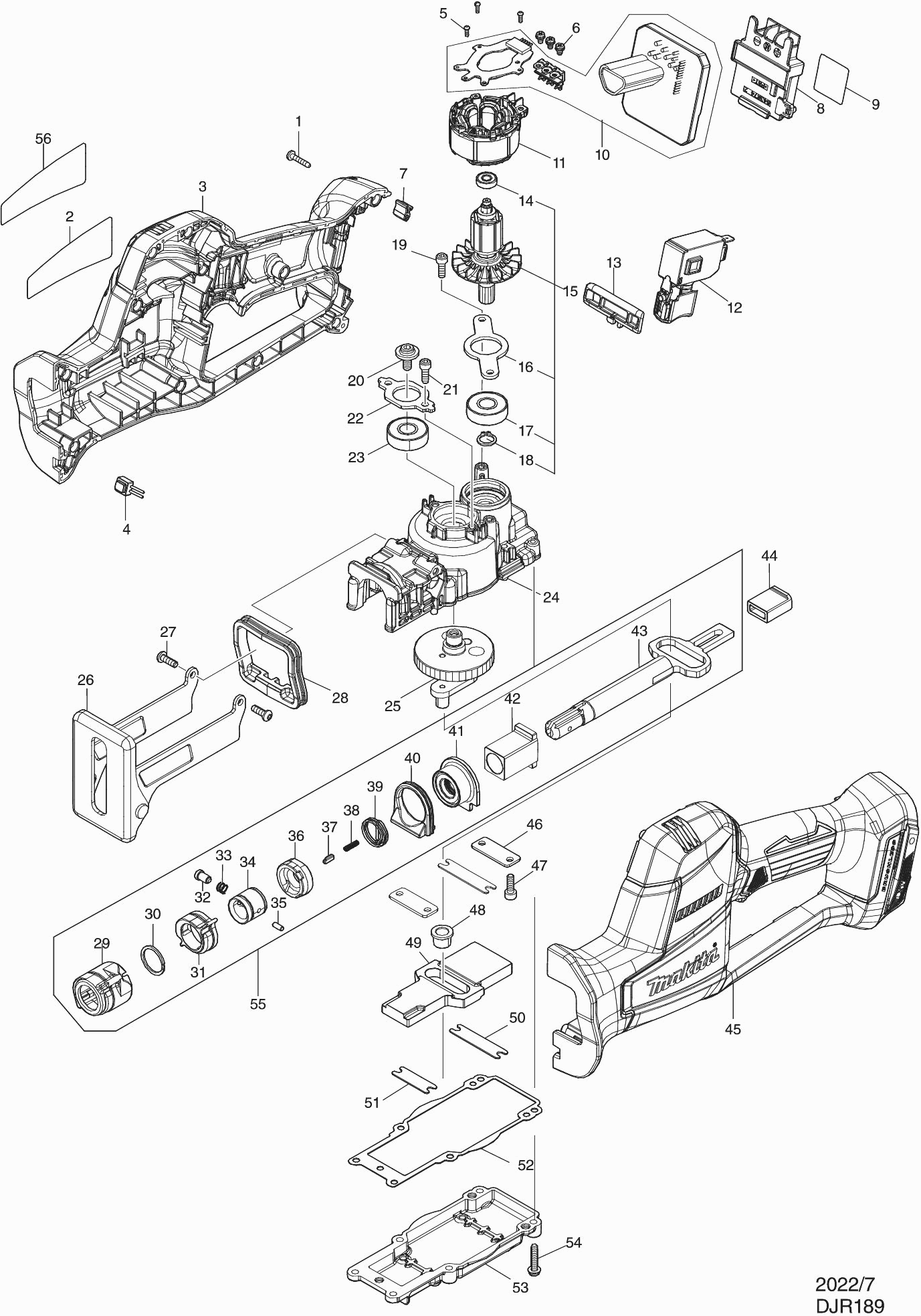
Dibujo técnico de los/las Makita DJR189
Lista de las piezas de repuesto de Makita DJR189
| Pos. | Descripción | Precio con el IVA excluido | Precio con el IVA incluido | |
| Los precios mostrados incluyen el IVA | ||||
| Tornillo autorroscante 3x16 | ||||
| 001 | 266130-9 | 1.00 | 1.21 | |
| NAAMPLAAT DJR189Z | ||||
| 002 | 858X57-7 | 1.00 | 1.21 | |
| MOTORHUISSET DJR189 | ||||
| 003 | 183W50-9 | 17.60 | 21.30 | |
| Pluma de goma 6 | ||||
| 003C10 | 263005-3 | 1.00 | 1.21 | |
| Tuerca de bloqueo M4x7mm | ||||
| 003C20 | 252126-6 | 1.00 | 1.21 | |
| CIRCUIT LED DJR189 | ||||
| 004 | 620K03-0 | 4.80 | 5.81 | |
| Parker Ck 2x6mm | ||||
| 005 | 266490-9 | 1.00 | 1.21 | |
| Tornillo de Cabeza Phillips M3X6 | ||||
| 006 | 652069-6 | 1.00 | 1.21 | |
| Protección AF-DW | ||||
| 007 | 424517-3 | 1.00 | 1.21 | |
| Unidad de conexión | ||||
| 008 | 643874-2 | 3.60 | 4.36 | |
| LABEL SERIENR. DJR189Z | ||||
| 009 | 858X65-8 | 2.40 | 2.90 | |
| CONTROLER DJR189 | ||||
| 010 | 620K04-8 | 93.50 | 113.14 | |
| VELD DJR189 | ||||
| 011 | 629B65-1 | 9.60 | 11.62 | |
| Interruptor C3jw-4b | ||||
| 012 | 650006-4 | 12.10 | 14.64 | |
| A/U KNOP DJR189 | ||||
| 013 | 413L03-1 | 1.00 | 1.21 | |
| Rodamiento de bolas 609ddw | ||||
| 014 | 210039-7 | 3.60 | 4.36 | |
| ANKER DJR189 | ||||
| 015 | 519770-5 | 22.00 | 26.62 | |
| LAGERBORGRING 58 DJR189Z | ||||
| 016 | 285054-0 | 1.20 | 1.45 | |
| Rodamiento de bolas 6000ddw | ||||
| 017 | 211289-7 | 13.20 | 15.97 | |
| Anillo de bloqueo S-10 | ||||
| 018 | 257408-1 | 1.20 | 1.45 | |
| Tornillo de cabeza hexagonal 4x12 | ||||
| 019 | 265353-6 | 1.20 | 1.45 | |
| INBUSB. M5X12MM DJR189 | ||||
| 020 | 265C93-4 | 1.00 | 1.21 | |
| Tornillo de cabeza hexagonal 4x12 | ||||
| 021 | 265353-6 | 1.20 | 1.45 | |
| BORGRING 33 DJR189 | ||||
| 022 | 285055-8 | 1.20 | 1.45 | |
| Rodamiento de bolas 6000ddw | ||||
| 023 | 211289-7 | 13.20 | 15.97 | |
| TANDWIELHUIS DJR189 | ||||
| 024 | 136824-9 | 12.10 | 14.64 | |
| Pasador de Goma 4 | ||||
| 024C10 | 263002-9 | 1.00 | 1.21 | |
| Anillo-O 26 | ||||
| 024C20 | 213434-0 | 1.00 | 1.21 | |
| TANDWIEL CPL DJR189 | ||||
| 025 | 141L92-3 | 17.60 | 21.30 | |
| ZAAGVOET DJR189 | ||||
| 026 | 162B95-4 | 7.20 | 8.71 | |
| INBUSB. M4X12MM DJR189 | ||||
| 027 | 265C84-5 | 1.00 | 1.21 | |
| PAKKINGRING DJR189 | ||||
| 028 | 422950-3 | 1.20 | 1.45 | |
| BESCHERMKAP DJR189Z | ||||
| 029 | 422949-8 | 1.20 | 1.45 | |
| Anillo de bloqueo 18A | ||||
| 030 | 257430-8 | 1.00 | 1.21 | |
| GELEIDEBUS DJR189Z | ||||
| 031 | 313448-0 | 3.60 | 4.36 | |
| Pasador con collar 5 | ||||
| 032 | 256569-4 | 1.20 | 1.45 | |
| Resorte de Compresión 6 | ||||
| 033A | 233345-3 | 1.00 | 1.21 | |
| Resorte de Compresión 6 | ||||
| 033B | 233345-3 | 1.00 | 1.21 | |
| Casquillo guía JR3061T | ||||
| 034 | 327650-9 | 1.20 | 1.45 | |
| Pluma 3mm JR002G | ||||
| 035 | 256A11-1 | 1.00 | 1.21 | |
| Casquillo de conexión JR001G | ||||
| 036 | 458968-8 | 1.00 | 1.21 | |
| Pasador de Empuje JR001G | ||||
| 037 | 310912-2 | 2.40 | 2.90 | |
| Resorte de compresión 2mm JR001G | ||||
| 038 | 232472-3 | 1.00 | 1.21 | |
| Resorte de torsión 17 JR3051 | ||||
| 039 | 233594-2 | 1.00 | 1.21 | |
| RUBBEREN RING DJR189Z | ||||
| 040 | 422951-1 | 1.00 | 1.21 | |
| RINGHOUDER DJR189Z | ||||
| 041 | 141L93-1 | 2.40 | 2.90 | |
| GLIJLAGER 14 DJR189Z | ||||
| 042 | 214215-5 | 1.20 | 1.45 | |
| ASGELEIDER DJR189Z | ||||
| 043 | 162B76-8 | 18.70 | 22.63 | |
| ZAAGGELEIDER DJR189 | ||||
| 044 | 313450-3 | 1.20 | 1.45 | |
| MOTORHUISSET DJR189 | ||||
| 045 | 183W50-9 | 17.60 | 21.30 | |
| Pluma de goma 6 | ||||
| 045C10 | 263005-3 | 1.00 | 1.21 | |
| Tuerca de bloqueo M4x7mm | ||||
| 045C20 | 252126-6 | 1.00 | 1.21 | |
| PLAAT A DJR189 | ||||
| 046 | 347A47-2 | 1.00 | 1.21 | |
| Tornillo de cabeza hexagonal 4x12 | ||||
| 047 | 265353-6 | 1.20 | 1.45 | |
| BUS 8MM DJR189 | ||||
| 048 | 327A55-9 | 1.20 | 1.45 | |
| BALANSGEWICHT DJR189 | ||||
| 049 | 313446-4 | 4.80 | 5.81 | |
| PLAAT R DJR189 | ||||
| 050 | 347A49-8 | 1.00 | 1.21 | |
| PLAAT F DJR189 | ||||
| 051 | 347A48-0 | 1.00 | 1.21 | |
| PAKKING DJR189 | ||||
| 052 | 422952-9 | 2.40 | 2.90 | |
| TANDWIELHUISKAP DJR189 | ||||
| 053 | 312D37-2 | 4.80 | 5.81 | |
| Tornillo 4x20 | ||||
| 054 | 911138-5 | 1.00 | 1.21 | |
| ZAAGAS ASSY DJR189 | ||||
| 055 | 136867-1 | 34.10 | 41.26 | |
| No hay información disponible, no se puede pedir | ||||
| 056 | 8058N1-7 | |||