Aquí encontrará todas las piezas y dibujos técnicos disponibles de 'Makita DJS130'. Desde aquí podrá pedir todas las piezas deseadas directamente. Para muchas piezas de repuesto, es necesario pasar un pedido al fabricante. Dependiendo de la marca, el plazo de entrega puede variar entre una y cuatro semanas. Toda la información que tenemos está en nuestro sitio web. No podremos aconsejarle sobre lo que necesita hasta que entregue la máquina para su reparación. Tenga en cuenta lo siguiente a la hora de cursar su pedido:
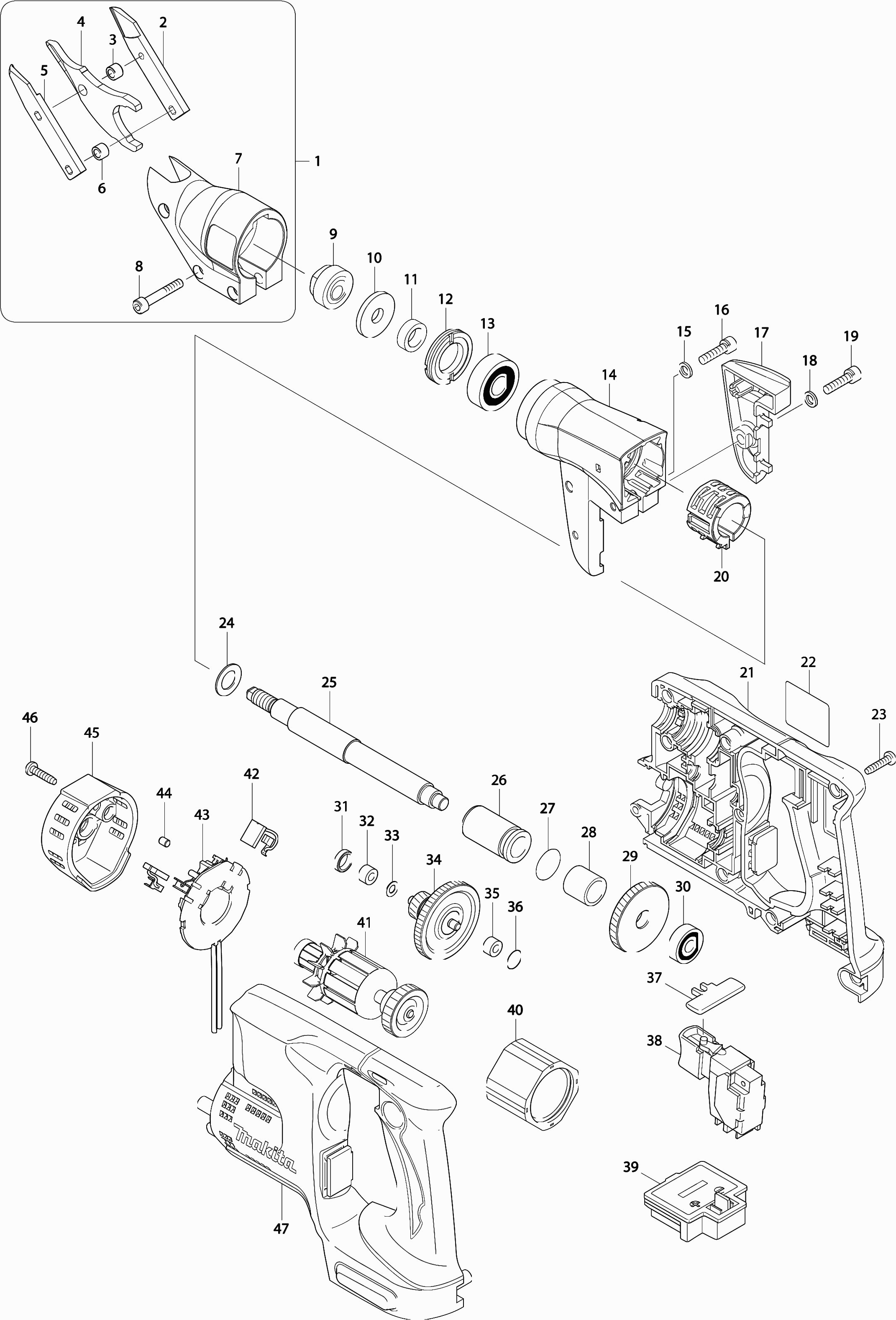
Dibujo técnico de los/las Makita DJS130
Lista de las piezas de repuesto de Makita DJS130
| Pos. | Descripción | Precio con el IVA excluido | Precio con el IVA incluido | |
| Los precios mostrados incluyen el IVA | ||||
| Schaarkop compleet 18 Gauge | ||||
| 001 | 125849-8 | 188.00 | 227.48 | |
| Zijmes rechts | ||||
| 002 | 792742-7 | 39.00 | 47.19 | |
| Bus 5 | ||||
| 003 | 257705-5 | 4.80 | 5.81 | |
| Middenmes | ||||
| 004 | 792744-3 | 43.00 | 52.03 | |
| Zijmes links | ||||
| 005 | 792743-5 | 39.00 | 47.19 | |
| Bus 5 | ||||
| 006 | 257705-5 | 4.80 | 5.81 | |
| Cabeza de corte | ||||
| 007 | 152663-9 | 95.70 | 115.80 | |
| Perno Allen 10-24unc | ||||
| 008 | 266268-0 | 6.00 | 7.26 | |
| Soporte De Cojinete | ||||
| 009 | 125111-1 | 38.50 | 46.58 | |
| Arandela 10 | ||||
| 010 | 267223-5 | 3.60 | 4.36 | |
| Arandela 12 5604R | ||||
| 011 | 257173-2 | 1.20 | 1.45 | |
| Bloqueo del Rodamiento 19-33 | ||||
| 012 | 285802-7 | 2.40 | 2.90 | |
| Rodamiento de bolas 6201dw1 | ||||
| 013 | 211129-9 | 8.40 | 10.16 | |
| Carcasa del cilindro | ||||
| 014 | 318325-1 | 34.10 | 41.26 | |
| Arandela de bloqueo 5 | ||||
| 015 | 941102-2 | 1.00 | 1.21 | |
| Tornillo hexagonal 5X20 LF1000 A | ||||
| 016 | 265550-4 | 1.00 | 1.21 | |
| No hay información disponible, no se puede pedir | ||||
| 016-1 | 922233-6 | |||
| CUBIERTA | ||||
| 017 | 450757-7 | 8.40 | 10.16 | |
| Arandela de bloqueo 5 | ||||
| 018 | 941102-2 | 1.00 | 1.21 | |
| Tornillo hexagonal 5X20 LF1000 A | ||||
| 019 | 265550-4 | 1.00 | 1.21 | |
| No hay información disponible, no se puede pedir | ||||
| 019-1 | 922233-6 | |||
| Manguito de Sujeción | ||||
| 020 | 450755-1 | 10.80 | 13.07 | |
| Carcasa del motor Dts130 | ||||
| 021 | 187480-8 | 30.80 | 37.27 | |
| Placa de nombre Djs130 | ||||
| 022 | 815V90-0 | 3.60 | 4.36 | |
| Tornillo de grifo 4x18 | ||||
| 023 | 265A48-7 | 1.00 | 1.21 | |
| Arandela 12 | ||||
| 024 | 253744-3 | 1.00 | 1.21 | |
| BARRA TOMMY | ||||
| 025 | 324937-0 | 34.10 | 41.26 | |
| Cojinete deslizable 14 | ||||
| 026 | 214174-3 | 4.80 | 5.81 | |
| Anillo O 18 | ||||
| 027 | 213262-3 | 1.20 | 1.45 | |
| Casquillo 14 | ||||
| 028 | 257773-8 | 4.80 | 5.81 | |
| Engranaje 39 | ||||
| 029 | 226686-4 | 34.10 | 41.26 | |
| RODAMIENTO DE BOLAS | ||||
| 030 | 211034-0 | 3.60 | 4.36 | |
| Manga 10 | ||||
| 031 | 165115-1 | 2.40 | 2.90 | |
| Cojinete de deslizamiento 5 | ||||
| 032 | 214017-9 | 1.00 | 1.21 | |
| Arandela de bloqueo 5 | ||||
| 033 | 253811-4 | 1.00 | 1.21 | |
| Engranaje 11-44 | ||||
| 034 | 226154-7 | 30.80 | 37.27 | |
| Cojinete de deslizamiento 5 | ||||
| 035 | 214017-9 | 1.00 | 1.21 | |
| Anillo O 10 | ||||
| 036 | 213055-8 | 1.00 | 1.21 | |
| Botón de bloqueo | ||||
| 037 | 450756-9 | 8.40 | 10.16 | |
| Interruptor (3 contactos) | ||||
| 038 | 650670-1 | 14.30 | 17.30 | |
| Unidad de conexión Bcl182D(3 Cont) A | ||||
| 039 | 643523-1 | 6.00 | 7.26 | |
| Unidad de iman | ||||
| 040 | 638426-2 | 23.10 | 27.95 | |
| Armazón | ||||
| 041 | 619237-4 | 34.10 | 41.26 | |
| KOOLBORSTEL SET CB-448 A | ||||
| 042 | 196855-0 | 3.60 | 4.36 | |
| Soporte de Cepillo de Carbono | ||||
| 043 | 638433-5 | 3.60 | 4.36 | |
| Resorte de torsión 'r' | ||||
| 043A | 231696-8 | 1.00 | 1.21 | |
| Resorte de torsión 'l' | ||||
| 043B | 231697-6 | 1.00 | 1.21 | |
| Pasador de Goma 4 | ||||
| 044 | 263032-0 | 1.00 | 1.21 | |
| Cubierta del Motor | ||||
| 045 | 419307-7 | 6.00 | 7.26 | |
| Tornillo de grifo 4x18 | ||||
| 046 | 265A48-7 | 1.00 | 1.21 | |
| Carcasa del motor Dts130 | ||||
| 047 | 187480-8 | 30.80 | 37.27 | |