Aquí encontrará todas las piezas y dibujos técnicos disponibles de 'Makita DPB184'. Desde aquí podrá pedir todas las piezas deseadas directamente. Para muchas piezas de repuesto, es necesario pasar un pedido al fabricante. Dependiendo de la marca, el plazo de entrega puede variar entre una y cuatro semanas. Toda la información que tenemos está en nuestro sitio web. No podremos aconsejarle sobre lo que necesita hasta que entregue la máquina para su reparación. Tenga en cuenta lo siguiente a la hora de cursar su pedido:
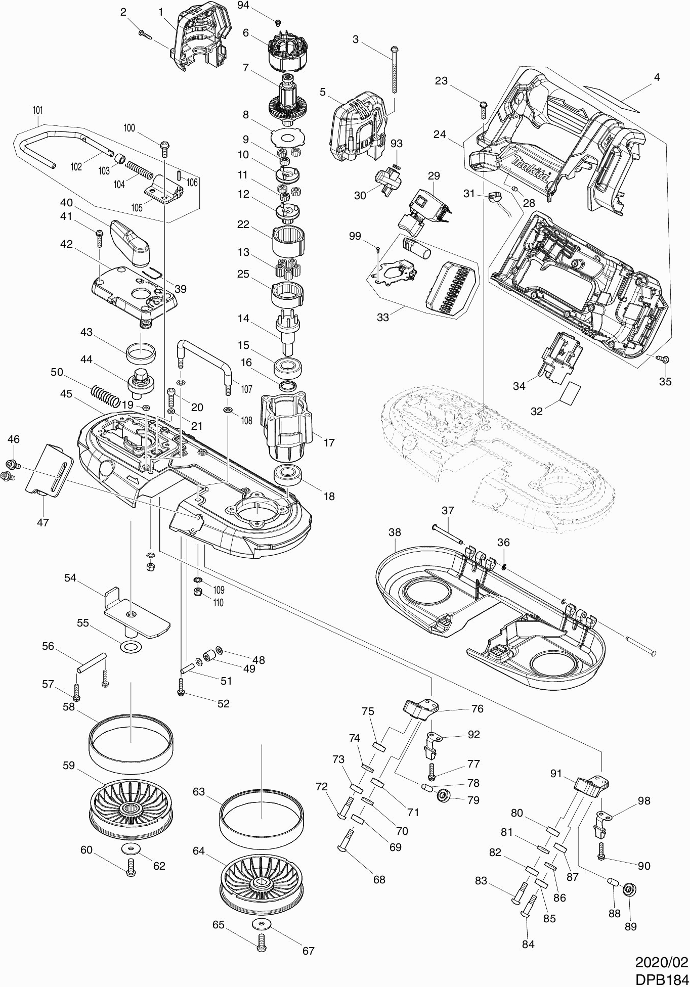
Dibujo técnico de los/las Makita DPB184
Lista de las piezas de repuesto de Makita DPB184
| Pos. | Descripción | Precio con el IVA excluido | Precio con el IVA incluido | |
| Los precios mostrados incluyen el IVA | ||||
| Caja del motor DPB183 | ||||
| 001 | 183P68-8 | 6.00 | 7.26 | |
| Tornillo autorroscante 3x16 | ||||
| 002 | 266130-9 | 1.00 | 1.21 | |
| Tornillo 4x60 | ||||
| 003 | 911188-0 | 1.00 | 1.21 | |
| Placa de nombre DPB184 | ||||
| 004 | 857F40-3 | 1.00 | 1.21 | |
| Caja del motor DPB183 | ||||
| 005 | 183P68-8 | 6.00 | 7.26 | |
| Campo DPB183/184 | ||||
| 006 | 629482-3 | 13.20 | 15.97 | |
| Inducido DPB183/184 | ||||
| 007 | 619628-9 | 36.30 | 43.92 | |
| Anillo de cierre DBP183/184 | ||||
| 008 | 253474-6 | 1.00 | 1.21 | |
| Engranaje 13 DPB183/184 | ||||
| 009 | 226923-6 | 1.00 | 1.21 | |
| Engranaje 14B DPB183/184 | ||||
| 010 | 140M80-3 | 2.40 | 2.90 | |
| Engranaje 13 DPB183/184 | ||||
| 011 | 226923-6 | 1.00 | 1.21 | |
| Engranaje 16 DPB183/184 | ||||
| 012 | 140M81-1 | 2.40 | 2.90 | |
| Engranaje 11 DPB183/184 | ||||
| 013 | 226924-4 | 1.00 | 1.21 | |
| Eje cpl DPB183/184 | ||||
| 014 | 140T74-0 | 14.30 | 17.30 | |
| Rodamiento de bolas 6002ddw | ||||
| 015 | 211236-8 | 9.60 | 11.62 | |
| Anillo 15mm | ||||
| 016 | 257348-3 | 1.20 | 1.45 | |
| Caja de engranajes DPB183/184 | ||||
| 017 | 319980-2 | 11.00 | 13.31 | |
| Rodamiento de bolas 6002ddw | ||||
| 018 | 211236-8 | 9.60 | 11.62 | |
| Arandela de uretano 4 | ||||
| 019 | 262130-7 | 1.20 | 1.45 | |
| Tornillo hexagonal M5x20 | ||||
| 020 | 265382-9 | 1.20 | 1.45 | |
| Arandela de uretano 4 | ||||
| 021 | 262130-7 | 1.20 | 1.45 | |
| Engranaje 40 DPB183/184 | ||||
| 022 | 226921-0 | 3.60 | 4.36 | |
| Tornillo 4x20 | ||||
| 023 | 911138-5 | 1.00 | 1.21 | |
| Set de Empuñaduras DPB184 | ||||
| 024 | 183R22-4 | 36.30 | 43.92 | |
| Pluma de goma 6 | ||||
| 024C10 | 263005-3 | 1.00 | 1.21 | |
| Engranaje 39 DPB183/184 | ||||
| 025 | 226922-8 | 2.40 | 2.90 | |
| Pasador de Goma 4 | ||||
| 028 | 263027-3 | 1.00 | 1.21 | |
| Interruptor DBP183/184 | ||||
| 029 | 651486-7 | 19.80 | 23.96 | |
| Interruptor de pánico DPB183/184 | ||||
| 030 | 412551-5 | 1.20 | 1.45 | |
| Circuito LED | ||||
| 031 | 620521-2 | 6.00 | 7.26 | |
| Etiqueta de número de serie DPB184 | ||||
| 032 | 857F47-9 | 2.40 | 2.90 | |
| Controlador DPB184 | ||||
| 033 | 620D05-4 | 118.80 | 143.75 | |
| Unidad de conexión | ||||
| 034 | 643874-2 | 3.60 | 4.36 | |
| Tornillo autorroscante 3x16 | ||||
| 035 | 266130-9 | 1.00 | 1.21 | |
| Anillo de parada E-3 | ||||
| 036 | 961017-7 | 1.00 | 1.21 | |
| Pluma 4 | ||||
| 037 | 256689-4 | 2.40 | 2.90 | |
| Tapa de rueda DPB184 | ||||
| 038 | 412550-7 | 11.00 | 13.31 | |
| Resorte de bloqueo 12 | ||||
| 039 | 231955-0 | 1.00 | 1.21 | |
| Palanca 54 DPB183/184 | ||||
| 040 | 271462-1 | 2.40 | 2.90 | |
| Tornillo 4x20 | ||||
| 041 | 911138-5 | 1.00 | 1.21 | |
| Placa de conmutación DPB182 | ||||
| 042 | 459084-9 | 2.40 | 2.90 | |
| Cojinete de deslizamiento 30 | ||||
| 043 | 214408-4 | 1.20 | 1.45 | |
| Eje | ||||
| 044 | 326351-6 | 7.20 | 8.71 | |
| Marco DBP184 | ||||
| 045 | 140V76-8 | 48.40 | 58.56 | |
| Esponja Dpb181 | ||||
| 045C10 | 424736-1 | 1.00 | 1.21 | |
| Pluma de goma 6 | ||||
| 045C20 | 263005-3 | 1.00 | 1.21 | |
| INBUSSCHROEF M5X16MM PB002G | ||||
| 046 | 922224-7 | 1.00 | 1.21 | |
| Placa de seguridad DPB184 | ||||
| 047 | 347696-9 | 3.60 | 4.36 | |
| Arandela de bloqueo 5 | ||||
| 048 | 267010-2 | 1.00 | 1.21 | |
| Rodamiento de agujas 510 | ||||
| 049 | 212199-1 | 4.80 | 5.81 | |
| Muelle de presión 9mm | ||||
| 050 | 234313-9 | 1.20 | 1.45 | |
| Pluma 5 | ||||
| 051 | 256155-1 | 1.00 | 1.21 | |
| Tornillo 4x20 | ||||
| 052 | 911138-5 | 1.00 | 1.21 | |
| Placa de ajuste DPB182 | ||||
| 054 | 162564-3 | 8.40 | 10.16 | |
| Arandela plana 15 | ||||
| 055 | 267164-5 | 1.00 | 1.21 | |
| Pasador 6 | ||||
| 056 | 268241-6 | 1.20 | 1.45 | |
| Tornillo 4x20 | ||||
| 057 | 911138-5 | 1.00 | 1.21 | |
| Anillo de goma (1) | ||||
| 058 | 424589-8 | 2.40 | 2.90 | |
| Rueda A DPB182 | ||||
| 059 | 140J07-5 | 11.00 | 13.31 | |
| Tornillo Allen M6x17 | ||||
| 060 | 265484-1 | 1.00 | 1.21 | |
| Arandela 6 | ||||
| 062 | 267173-4 | 1.20 | 1.45 | |
| Anillo de goma (1) | ||||
| 063 | 424589-8 | 2.40 | 2.90 | |
| Rueda B DPB182 | ||||
| 064 | 459087-3 | 9.60 | 11.62 | |
| Tornillo Allen M6x17 | ||||
| 065 | 265484-1 | 1.00 | 1.21 | |
| Arandela 6 | ||||
| 067 | 267173-4 | 1.20 | 1.45 | |
| Tornillo M5 | ||||
| 068 | 251337-0 | 1.20 | 1.45 | |
| Rodamiento de bolas 696ZZ A | ||||
| 069 | 210026-6 | 2.40 | 2.90 | |
| Arandela 6mm A | ||||
| 070 | 267214-6 | 1.00 | 1.21 | |
| Rodamiento de bolas 696ZZ A | ||||
| 071 | 210026-6 | 2.40 | 2.90 | |
| Tornillo M5 | ||||
| 072 | 251337-0 | 1.20 | 1.45 | |
| Rodamiento de bolas 696ZZ A | ||||
| 073 | 210026-6 | 2.40 | 2.90 | |
| Arandela 6mm A | ||||
| 074 | 267214-6 | 1.00 | 1.21 | |
| Rodamiento de bolas 696ZZ A | ||||
| 075 | 210026-6 | 2.40 | 2.90 | |
| Portador A DPB184 | ||||
| 076 | 319993-3 | 4.80 | 5.81 | |
| Tornillo 4x20 | ||||
| 077 | 911138-5 | 1.00 | 1.21 | |
| Pasador 6 | ||||
| 078 | 256033-5 | 1.20 | 1.45 | |
| Rodamiento de bolas 696ZZ A | ||||
| 079 | 210026-6 | 2.40 | 2.90 | |
| Rodamiento de bolas 696ZZ A | ||||
| 080 | 210026-6 | 2.40 | 2.90 | |
| Arandela 6mm A | ||||
| 081 | 267214-6 | 1.00 | 1.21 | |
| Rodamiento de bolas 696ZZ A | ||||
| 082 | 210026-6 | 2.40 | 2.90 | |
| Tornillo M5 | ||||
| 083 | 251337-0 | 1.20 | 1.45 | |
| Tornillo M5 | ||||
| 084 | 251337-0 | 1.20 | 1.45 | |
| Rodamiento de bolas 696ZZ A | ||||
| 085 | 210026-6 | 2.40 | 2.90 | |
| Arandela 6mm A | ||||
| 086 | 267214-6 | 1.00 | 1.21 | |
| Rodamiento de bolas 696ZZ A | ||||
| 087 | 210026-6 | 2.40 | 2.90 | |
| Pasador 6 | ||||
| 088 | 256033-5 | 1.20 | 1.45 | |
| Rodamiento de bolas 696ZZ A | ||||
| 089 | 210026-6 | 2.40 | 2.90 | |
| Tornillo 4x20 | ||||
| 090 | 911138-5 | 1.00 | 1.21 | |
| Portador B DBP184 | ||||
| 091 | 319992-5 | 4.80 | 5.81 | |
| Gancho DPB183 | ||||
| 092 | 162815-4 | 2.40 | 2.90 | |
| Resorte de compresión 4 | ||||
| 093 | 231433-0 | 1.00 | 1.21 | |
| Tornillo de Cabeza Phillips M3X6 | ||||
| 094 | 652069-6 | 1.00 | 1.21 | |
| Gancho DPB183 | ||||
| 098 | 162815-4 | 2.40 | 2.90 | |
| Parker Ck 2x6mm | ||||
| 099 | 266490-9 | 1.00 | 1.21 | |
| No hay información disponible, no se puede pedir | ||||
| 100 | 911223-4 | |||
| Gancho de transporte | ||||
| 101 | 127601-0 | 3.00 | 3.63 | |
| Gancho DPB183 | ||||
| 102 | 281028-9 | 2.40 | 2.90 | |
| Casquillo 6 | ||||
| 103 | 262561-0 | 1.00 | 1.21 | |
| Resorte de compresión 7 | ||||
| 104 | 233455-6 | 1.00 | 1.21 | |
| No hay información disponible, no se puede pedir | ||||
| 105 | 313127-0 | |||
| Pasador elástico 3-12 | ||||
| 106 | 951057-3 | 1.00 | 1.21 | |
| Guía DPB184 | ||||
| 107 | 327638-9 | 55.00 | 66.55 | |
| Arandela de bloqueo 5 | ||||
| 108 | 941102-2 | 1.00 | 1.21 | |
| Arandela 5 DPB183/184 | ||||
| 109 | 253484-3 | 1.00 | 1.21 | |
| No hay información disponible, no se puede pedir | ||||
| 110 | 264013-7 | |||