Aquí encontrará todas las piezas y dibujos técnicos disponibles de 'Makita DPP200'. Desde aquí podrá pedir todas las piezas deseadas directamente. Para muchas piezas de repuesto, es necesario pasar un pedido al fabricante. Dependiendo de la marca, el plazo de entrega puede variar entre una y cuatro semanas. Toda la información que tenemos está en nuestro sitio web. No podremos aconsejarle sobre lo que necesita hasta que entregue la máquina para su reparación. Tenga en cuenta lo siguiente a la hora de cursar su pedido:
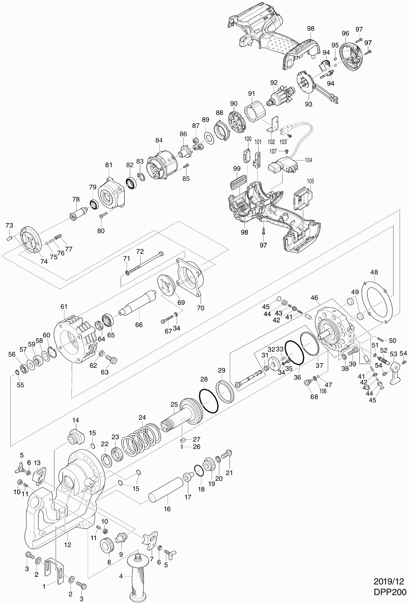
Dibujo técnico de los/las Makita DPP200
Lista de las piezas de repuesto de Makita DPP200
| Pos. | Descripción | Precio con el IVA excluido | Precio con el IVA incluido | |
| Los precios mostrados incluyen el IVA | ||||
| Tope de guía DPP200 | ||||
| 001 | SC03505970 | 78.10 | 94.50 | |
| Arandela 5mm DSP601 A | ||||
| 002 | 253414-4 | 1.00 | 1.21 | |
| Tornillo Allen m5x12 | ||||
| 003 | SC00000059 | 2.40 | 2.90 | |
| Zijhandgreep ponsmachine | ||||
| 004 | SC00000155 | 19.00 | 22.99 | |
| Tornillo de Mariposa M6x15mm DPP200 | ||||
| 005 | SC07552000 | 2.40 | 2.90 | |
| Arandela de presión 6 A | ||||
| 006 | 253903-9 | 1.00 | 1.21 | |
| Placa de tira R DPP200 | ||||
| 007 | SC03302040 | 34.10 | 41.26 | |
| Anillo de percusión DPP200 | ||||
| 008 | SC03505270 | 72.60 | 87.85 | |
| Ponsnippel rond 12mm | ||||
| 009 | SC05340100 | 76.00 | 91.96 | |
| Tuerca M6 DPP200 | ||||
| 010 | 931301-4 | 1.00 | 1.21 | |
| Tornillo Allen M6x16mm DPP200 | ||||
| 011 | 913327-8 | 3.60 | 4.36 | |
| Marco de golpeo DPP200 | ||||
| 012 | SC03103700 | 1710.50 | 2069.70 | |
| Enchufe DSC121 | ||||
| 012C10 | SC07850050 | 2.40 | 2.90 | |
| Placa de tira L DPP200 | ||||
| 013 | SC03302050 | 34.10 | 41.26 | |
| Matrijs rond 12mm | ||||
| 014 | SC00000215 | 76.00 | 91.96 | |
| Anillo-O P8 DPP200 | ||||
| 015 | SC06505030 | 3.60 | 4.36 | |
| Equilibrador DPP200 | ||||
| 016 | SC09004910 | 22.00 | 26.62 | |
| MANGUITO ROSCADO | ||||
| 017 | SC00000082 | 30.80 | 37.27 | |
| Anillo O 26 DSC163 | ||||
| 018 | SC06505320 | 11.00 | 13.31 | |
| Soporte de arbusto DPP200 | ||||
| 019 | SC03507010 | 68.20 | 82.52 | |
| Arandela de muelle 8mm DSC163 | ||||
| 020 | SC00000065 | 1.20 | 1.45 | |
| Tornillo 5x60 | ||||
| 021 | SC00000034 | 9.60 | 11.62 | |
| Anillo de tope P8 DPP200 | ||||
| 022 | SC06503640 | 17.60 | 21.30 | |
| Sello DPP200 | ||||
| 023 | SC06505880 | 26.40 | 31.94 | |
| Muelle de retroceso DPP200 | ||||
| 024 | SC04000050 | 42.90 | 51.91 | |
| Eje DPP200 | ||||
| 025 | SC03110750 | 649.00 | 785.29 | |
| Pasador | ||||
| 026 | SC00000070 | 1.20 | 1.45 | |
| Clave DPP200 | ||||
| 027 | SC03700020 | 8.40 | 10.16 | |
| O-Ring S67 DPP200 | ||||
| 028 | SC06505510 | 3.60 | 4.36 | |
| Anillo de junta DPP200 | ||||
| 029 | SC00000096 | 52.80 | 63.89 | |
| Anillo de retroceso DPP200 | ||||
| 031 | SC04005130 | 11.00 | 13.31 | |
| Placa de tope DPP200 | ||||
| 032 | SC03500690 | 56.10 | 67.88 | |
| Resorte de desbloqueo DPP200 | ||||
| 033 | SC04004170 | 7.20 | 8.71 | |
| Arandela 4 DSC163 | ||||
| 034 | SC00000068 | 1.20 | 1.45 | |
| Tornillo Allen 4X6 DSC163 | ||||
| 035 | SC00000060 | 2.40 | 2.90 | |
| Anillo-O G65 DPP200 | ||||
| 036 | SC06505190 | 4.80 | 5.81 | |
| Anillo de tope G65 DPP200 | ||||
| 037 | SC06503630 | 9.60 | 11.62 | |
| Arandela 8mm DPP200 | ||||
| 038 | SC07620040 | 1.20 | 1.45 | |
| Tornillo de Allen M8x22mm DPP200 | ||||
| 039 | SC07514130 | 2.40 | 2.90 | |
| Resorte de retorno del cilindro DPP200 | ||||
| 041 | SC00000150 | 3.60 | 4.36 | |
| Válvula de control DSC163 A | ||||
| 042 | SC00000149 | 36.30 | 43.92 | |
| Resorte de válvula de control DSC163 | ||||
| 043 | SC00000021 | 3.60 | 4.36 | |
| Junta DSC163 | ||||
| 044 | SC03500540 | 11.00 | 13.31 | |
| O-Ring S-8 DSC163 | ||||
| 045 | SC06505590 | 3.60 | 4.36 | |
| Cilindro DPP200 | ||||
| 046 | SC09050110 | 1318.90 | 1595.87 | |
| Bola de acero S4 | ||||
| 046C10 | SC07900010 | 1.20 | 1.45 | |
| Perno M5x5mm DPP200 | ||||
| 046C20 | SC07523040 | 1.20 | 1.45 | |
| Bola de acero de 3mm | ||||
| 046C30 | SC07900000 | 1.20 | 1.45 | |
| Tornillo HS4X4 | ||||
| 046C40 | SC07521010 | 1.20 | 1.45 | |
| Bola de acero S4 | ||||
| 047 | SC07900010 | 1.20 | 1.45 | |
| Placa de equilibrio DPP200 | ||||
| 048 | SC04601600 | 7.20 | 8.71 | |
| Imán | ||||
| 049 | SC00000020 | 6.00 | 7.26 | |
| Pasador de resorte 4-20 | ||||
| 050 | 951116-3 | 1.00 | 1.21 | |
| Anillo O 4mm DPP200 | ||||
| 051 | SC00000158 | 3.60 | 4.36 | |
| Válvula de retención DPP200 | ||||
| 052 | SC00000146 | 28.60 | 34.61 | |
| Palanca de retroceso DPP200 | ||||
| 053 | SC00000147 | 39.60 | 47.92 | |
| Tornillo de ajuste M6x6mm DPP200 | ||||
| 054 | 913301-6 | 1.00 | 1.21 | |
| Clip de bloqueo Stw5 | ||||
| 055 | SC07411250 | 2.40 | 2.90 | |
| No hay información disponible, no se puede pedir | ||||
| 056 | SC07100050 | |||
| Arandela de bloqueo B DPP200 | ||||
| 057 | SC03301350 | 6.00 | 7.26 | |
| Arandela de bloqueo A DPP200 | ||||
| 058 | SC03301340 | 6.00 | 7.26 | |
| Rodamiento de agujas DPP200 | ||||
| 059 | SC07201030 | 59.40 | 71.87 | |
| Anillo de bloqueo H25 DPP200 | ||||
| 060 | SC07411330 | 3.60 | 4.36 | |
| Carcasa de la bomba DPP200 | ||||
| 061 | SC03211330 | 414.70 | 501.79 | |
| Arandela de sellado | ||||
| 062 | SC00000489 | 6.00 | 7.26 | |
| Tornillo Allen M10x15mm DPP200 | ||||
| 063 | SC00000161 | 2.40 | 2.90 | |
| Anillo de sellado UE15257 DSC121 | ||||
| 064 | SC06504050 | 10.80 | 13.07 | |
| Rodamiento de bolas 6002ru | ||||
| 065 | SC00000050 | 23.10 | 27.95 | |
| Cigüeñal DPP200 | ||||
| 066 | SC03501070 | 88.00 | 106.48 | |
| Tornillo hexagonal M4x25mm DPP200 | ||||
| 067 | SC07511070 | 1.20 | 1.45 | |
| Bolt de bloqueo DPP200 | ||||
| 068 | SC03513230 | 23.10 | 27.95 | |
| Brida DSC163 | ||||
| 069 | SC03251180 | 56.10 | 67.88 | |
| Espaciador DPP200 | ||||
| 070 | SC03251320 | 63.80 | 77.20 | |
| Arandela de resorte 5MM DLS211 | ||||
| 071 | 253427-5 | 1.00 | 1.21 | |
| Tornillo Allen M5x65mm DPP200 | ||||
| 072 | SC07512130 | 2.40 | 2.90 | |
| Muelle de hoja DPP200 | ||||
| 073 | SC04007990 | 14.30 | 17.30 | |
| Soporte de motor DPP200 | ||||
| 074 | SC03252560 | 39.60 | 47.92 | |
| Bola D6 DPP200 | ||||
| 075 | SC07900080 | 1.20 | 1.45 | |
| Positivor B DPP200 | ||||
| 076 | SC04007970 | 7.20 | 8.71 | |
| Resorte positivo A DPP200 | ||||
| 077 | SC04007960 | 7.20 | 8.71 | |
| Eje DPP200 | ||||
| 078 | 326213-8 | 16.50 | 19.96 | |
| Rodamiento de bolas 6802llb | ||||
| 079 | 211246-5 | 9.60 | 11.62 | |
| Tornillo autorroscante Pt4x20 | ||||
| 080 | 266045-0 | 1.00 | 1.21 | |
| Caja de Engranajes B DPP200 | ||||
| 081 | 318455-8 | 34.10 | 41.26 | |
| No hay información disponible, no se puede pedir | ||||
| 082 | 211234-2 | |||
| Arandela de bloqueo S-15 | ||||
| 083 | 961055-9 | 1.00 | 1.21 | |
| Caja de cambios DPP200 | ||||
| 084 | 419252-6 | 3.60 | 4.36 | |
| Tornillo 3X12 | ||||
| 085 | 911017-7 | 1.00 | 1.21 | |
| Porta engranajes DPP200 | ||||
| 086 | 141744-4 | 8.40 | 10.16 | |
| Engranaje 16 DPP200 | ||||
| 087 | 154468-3 | 1.00 | 1.21 | |
| Engranaje 46 DPP200 | ||||
| 088 | 227129-9 | 2.40 | 2.90 | |
| Arandela 18 | ||||
| 089 | 267789-5 | 1.00 | 1.21 | |
| Soporte de motor DPP200 | ||||
| 090 | 450386-6 | 1.20 | 1.45 | |
| Unidad de iman | ||||
| 091 | 632J71-5 | 22.00 | 26.62 | |
| Armazón | ||||
| 092 | 619165-3 | 19.80 | 23.96 | |
| Portaescobillas de carbón DPP200 | ||||
| 093 | 638849-4 | 4.80 | 5.81 | |
| No hay información disponible, no se puede pedir | ||||
| 094 | 194427-5 | |||
| Pasador de Goma 4 | ||||
| 095 | 263032-0 | 1.00 | 1.21 | |
| CUBIERTA TRASERA | ||||
| 096 | 419642-3 | 8.40 | 10.16 | |
| Tornillo autorroscante 3x16 | ||||
| 097 | 266130-9 | 1.00 | 1.21 | |
| Carcasa del motor DPP200 A | ||||
| 098 | 183G51-1 | 19.80 | 23.96 | |
| Pluma de goma 6 | ||||
| 098C10 | 263005-3 | 1.00 | 1.21 | |
| Tuerca de bloqueo M4x7mm | ||||
| 098C20 | 252126-6 | 1.00 | 1.21 | |
| Tapa de cobertura DPP200 | ||||
| 099 | 451163-9 | 3.60 | 4.36 | |
| Casa de lente DPP200 | ||||
| 100 | 687216-0 | 1.20 | 1.45 | |
| Palanca de bloqueo | ||||
| 101 | 451162-1 | 3.60 | 4.36 | |
| ESCUDO DE CALOR | ||||
| 102 | 689145-3 | 1.00 | 1.21 | |
| Tornillo 3x8 | ||||
| 103 | 652066-2 | 1.00 | 1.21 | |
| Interruptor (3 contactos) | ||||
| 104 | 650653-1 | 28.60 | 34.61 | |
| Unidad de conexión (3 contactos) | ||||
| 105 | 644808-8 | 3.60 | 4.36 | |
| Remache WM3 DPP200 | ||||
| 106 | SC07600130 | 2.40 | 2.90 | |
| Tornillo 3.5x5 | ||||
| 107 | 652045-0 | 1.00 | 1.21 | |