Aquí encontrará todas las piezas y dibujos técnicos disponibles de 'Makita GA026G'. Desde aquí podrá pedir todas las piezas deseadas directamente. Para muchas piezas de repuesto, es necesario pasar un pedido al fabricante. Dependiendo de la marca, el plazo de entrega puede variar entre una y cuatro semanas. Toda la información que tenemos está en nuestro sitio web. No podremos aconsejarle sobre lo que necesita hasta que entregue la máquina para su reparación. Tenga en cuenta lo siguiente a la hora de cursar su pedido:
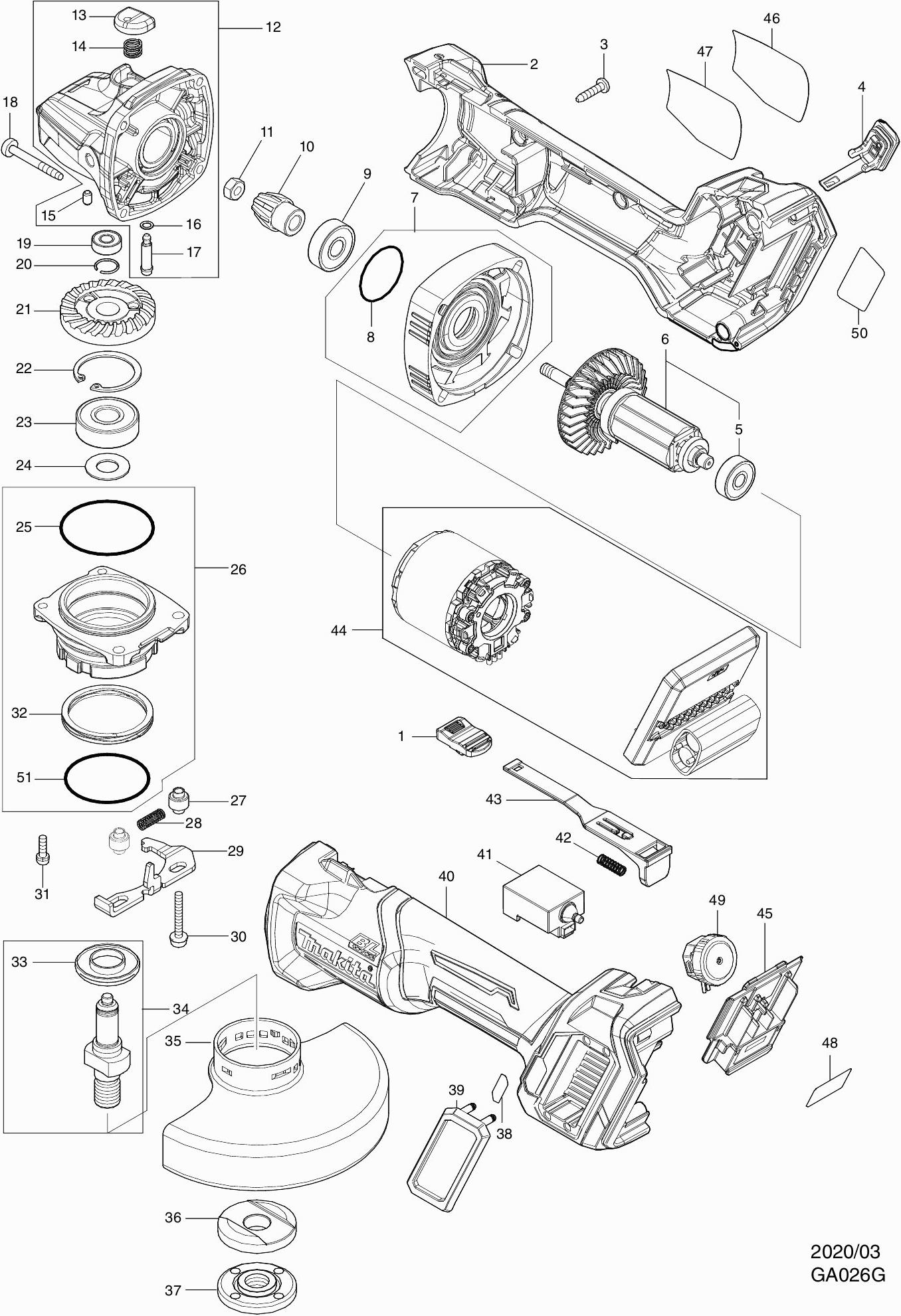
Dibujo técnico de los/las Makita GA026G
Lista de las piezas de repuesto de Makita GA026G
| Pos. | Descripción | Precio con el IVA excluido | Precio con el IVA incluido | |
| Los precios mostrados incluyen el IVA | ||||
| Botón giratorio ABB OHYS2AJ | ||||
| 001 | 455447-7 | 1.00 | 1.21 | |
| Caja del motor GA026G | ||||
| 002 | 183P75-1 | 19.80 | 23.96 | |
| Pluma de goma 6 | ||||
| 002C10 | 263005-3 | 1.00 | 1.21 | |
| No hay información disponible, no se puede pedir | ||||
| 003 | 266326-2 | |||
| AFDEKKAP DSP601/DHR400 A | ||||
| 004 | 140G30-2 | 1.74 | 2.11 | |
| Anillo O 16 | ||||
| 004C10 | 213218-6 | 1.20 | 1.45 | |
| Etiqueta de capó DLS211 | ||||
| 004C20 | 818H48-4 | 2.40 | 2.90 | |
| Rodamiento de bolas 627ddw | ||||
| 005 | 210045-2 | 3.60 | 4.36 | |
| Inducido serie GA-40V | ||||
| 006 | 519595-7 | 30.80 | 37.27 | |
| Tapa de la caja de engranajes serie GA-40V | ||||
| 007 | 136190-4 | 7.20 | 8.71 | |
| Anillo-O 26 | ||||
| 008 | 213407-3 | 1.20 | 1.45 | |
| Rodamiento de bolas 629llb | ||||
| 009 | 210042-8 | 2.40 | 2.90 | |
| Engranaje 10 Serie GA-40V | ||||
| 010 | 226976-5 | 6.00 | 7.26 | |
| Tuerca M6 | ||||
| 011 | 252186-8 | 1.00 | 1.21 | |
| Carcasa de engranaje serie GA-40V | ||||
| 012 | 136198-8 | 16.50 | 19.96 | |
| Cubierta GA005G | ||||
| 013 | 412234-7 | 1.00 | 1.21 | |
| Resorte de compresión 8 | ||||
| 014 | 233376-2 | 1.00 | 1.21 | |
| Pasador de Goma 4 | ||||
| 015 | 263002-9 | 1.00 | 1.21 | |
| Anillo O 4 | ||||
| 016 | 213032-0 | 1.00 | 1.21 | |
| Pasador con collar 4mm | ||||
| 017 | 256546-6 | 1.00 | 1.21 | |
| Tornillo autoperforante 4x40 | ||||
| 018 | 266048-4 | 1.00 | 1.21 | |
| Rodamiento de bolas 696ZZ A | ||||
| 019 | 210026-6 | 2.40 | 2.90 | |
| Arandela 11 Ga4530 | ||||
| 020 | 233950-6 | 1.00 | 1.21 | |
| Engranaje 37 DGA505 A | ||||
| 021 | 226862-0 | 6.00 | 7.26 | |
| Arandela de bloqueo r-32 | ||||
| 022 | 962151-6 | 1.00 | 1.21 | |
| Rodamiento de bolas 6201dw1 | ||||
| 023 | 211129-9 | 8.40 | 10.16 | |
| Anillo de bloqueo de 12mm serie GA-40V | ||||
| 024 | 253464-9 | 1.00 | 1.21 | |
| O-Anillo 45 | ||||
| 025 | 213622-9 | 1.00 | 1.21 | |
| Carcasa de rodamiento GA016G | ||||
| 026 | 136261-7 | 8.40 | 10.16 | |
| Manga 4 | ||||
| 027 | 327322-6 | 1.20 | 1.45 | |
| Resorte de compresión 4 | ||||
| 028 | 232490-1 | 1.00 | 1.21 | |
| Palanca A GA008G | ||||
| 029 | 347642-2 | 2.40 | 2.90 | |
| Tornillo de cruz 4X30 | ||||
| 030 | 911159-7 | 1.00 | 1.21 | |
| Tornillo 4x16 A | ||||
| 031 | 911526-6 | 1.00 | 1.21 | |
| Arandela 41mm GA5050 | ||||
| 032 | 232542-8 | 3.60 | 4.36 | |
| Anillo laberinto GA008G | ||||
| 033 | 347640-6 | 1.00 | 1.21 | |
| Eje GA016G | ||||
| 034 | 136260-9 | 6.00 | 7.26 | |
| No hay información disponible, no se puede pedir | ||||
| 035 | 347480-2 | |||
| Binnenflens haakse slijper en sleuvenzaag | ||||
| 036 | 224415-9 | 4.00 | 4.84 | |
| Sluitmoer haakse slijper | ||||
| 037 | 224554-5 | 4.00 | 4.84 | |
| Etiqueta logo XGT | ||||
| 038 | 8005T5-8 | 2.40 | 2.90 | |
| Capa de polvo GA023G | ||||
| 039 | 422610-7 | 1.20 | 1.45 | |
| Caja del motor GA026G | ||||
| 040 | 183P75-1 | 19.80 | 23.96 | |
| Pluma de goma 6 | ||||
| 040C10 | 263005-3 | 1.00 | 1.21 | |
| Interruptor Serie GA-40V | ||||
| 041 | 651445-1 | 11.00 | 13.31 | |
| Resorte de compresión 4 | ||||
| 042 | 233121-5 | 1.00 | 1.21 | |
| Palanca de interruptor serie GA-40V | ||||
| 043 | 412233-9 | 1.00 | 1.21 | |
| Campo cpl GA026G | ||||
| 044 | 629499-6 | 169.40 | 204.97 | |
| Unidad de control serie GA-40V | ||||
| 045 | 632P65-6 | 8.40 | 10.16 | |
| No hay información disponible, no se puede pedir | ||||
| 046 | 8008U5-3 | |||
| Placa de nombre GA026G | ||||
| 047 | 857H44-7 | 3.60 | 4.36 | |
| Etiqueta de número de serie GA026G | ||||
| 048 | 857H48-9 | 2.40 | 2.90 | |
| Dial de circuito GA023G | ||||
| 049 | 620D30-5 | 13.20 | 15.97 | |
| Etiqueta indicación GA023G | ||||
| 050 | 8015J1-9 | 2.40 | 2.90 | |
| Anillo O 36 | ||||
| 051 | 213510-0 | 1.20 | 1.45 | |