Aquí encontrará todas las piezas y dibujos técnicos disponibles de 'Makita JN3200'. Desde aquí podrá pedir todas las piezas deseadas directamente. Para muchas piezas de repuesto, es necesario pasar un pedido al fabricante. Dependiendo de la marca, el plazo de entrega puede variar entre una y cuatro semanas. Toda la información que tenemos está en nuestro sitio web. No podremos aconsejarle sobre lo que necesita hasta que entregue la máquina para su reparación. Tenga en cuenta lo siguiente a la hora de cursar su pedido:
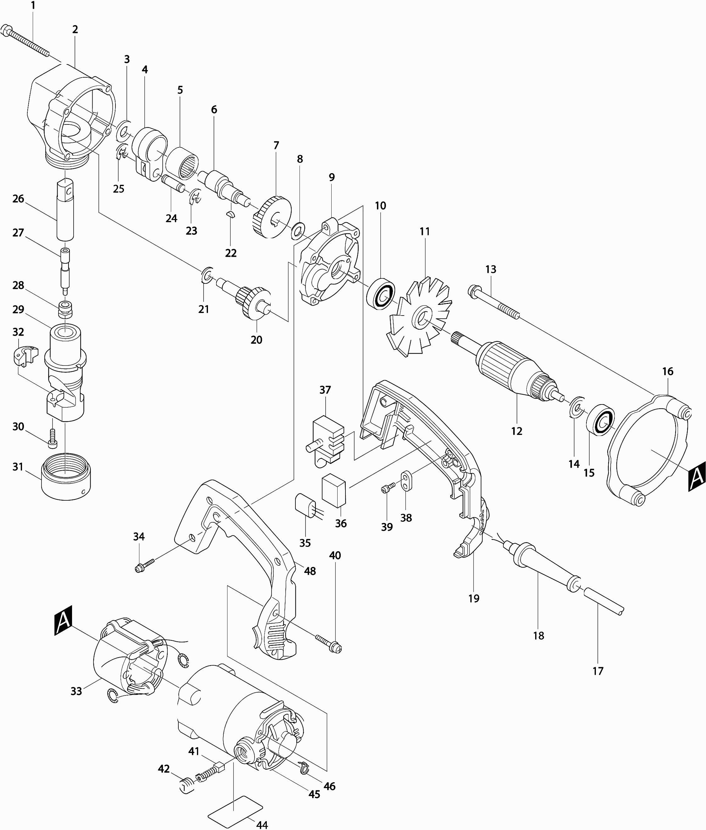
Dibujo técnico de los/las Makita JN3200
Lista de las piezas de repuesto de Makita JN3200
| Pos. | Descripción | Precio con el IVA excluido | Precio con el IVA incluido | |
| Los precios mostrados incluyen el IVA | ||||
| TORNILLO 5X50 | ||||
| 001 | 911273-9 | 1.00 | 1.21 | |
| Caja de engranajes | ||||
| 002 | 156838-2 | 92.40 | 111.80 | |
| Arandela 12 | ||||
| 003 | 253759-0 | 1.00 | 1.21 | |
| VARILLA CONICA | ||||
| 004 | 331167-6 | 18.70 | 22.63 | |
| Rodamiento de agujas 2020 | ||||
| 005 | 212306-6 | 13.20 | 15.97 | |
| Cigüeñal | ||||
| 006 | 321408-8 | 42.90 | 51.91 | |
| Engranaje 44 | ||||
| 007 | 221880-3 | 17.60 | 21.30 | |
| Arandela 10 | ||||
| 008 | 253758-2 | 1.00 | 1.21 | |
| Placa de apoyo KA-UG | ||||
| 009 | 156833-2 | 30.80 | 37.27 | |
| Rodamiento de bolas 608llb | ||||
| 010 | 210043-6 | 2.40 | 2.90 | |
| Ventilador 70 | ||||
| 011 | 241517-6 | 12.10 | 14.64 | |
| Armazón | ||||
| 012 | 512758-4 | 59.40 | 71.87 | |
| Tornillo 5X60 * | ||||
| 013 | 911681-4 | 1.20 | 1.45 | |
| Anillo de aislamiento | ||||
| 014 | 681613-2 | 1.00 | 1.21 | |
| Rodamiento de bolas 608llb | ||||
| 015 | 210043-6 | 2.40 | 2.90 | |
| Placa Intermedia | ||||
| 016 | 411876-4 | 4.80 | 5.81 | |
| Pasacables 10-85 | ||||
| 017 | 682504-0 | 2.40 | 2.90 | |
| Cable de alimentación 2x1.00 2.2mtr | ||||
| 018 | 665383-1 | 10.80 | 13.07 | |
| Mango comp | ||||
| 019 | 181441-0 | 15.40 | 18.63 | |
| Engranaje 15-46 | ||||
| 020 | 226060-6 | 27.50 | 33.28 | |
| Arandela de cierre 8 x 14 x 0,5 mm | ||||
| 021 | 253215-0 | 1.00 | 1.21 | |
| Chaveta 4 | ||||
| 022 | 254001-2 | 1.00 | 1.21 | |
| Anillo de parada E-7 | ||||
| 023 | 961013-5 | 1.00 | 1.21 | |
| Pin 9 | ||||
| 024 | 321418-5 | 2.40 | 2.90 | |
| Anillo de parada E-7 | ||||
| 025 | 961013-5 | 1.00 | 1.21 | |
| Portasellos | ||||
| 026 | 152486-5 | 30.80 | 37.27 | |
| Troquel | ||||
| 027 | 792728-1 | 25.00 | 30.25 | |
| TORNILLO M4X35 | ||||
| 028 | 321406-2 | 3.60 | 4.36 | |
| Portamatrices | ||||
| 029 | 152176-0 | 169.40 | 204.97 | |
| Tornillo hexagonal 4x16 | ||||
| 030 | 922127-5 | 1.00 | 1.21 | |
| Tuerca de bloqueo de matriz | ||||
| 031 | 321415-1 | 23.10 | 27.95 | |
| Troquel inferior | ||||
| 032 | 792292-2 | 26.00 | 31.46 | |
| CAMPO | ||||
| 033 | 528703-9 | 35.20 | 42.59 | |
| Tornillo 5x40 | ||||
| 034 | 911263-2 | 1.00 | 1.21 | |
| Caucho de esponja | ||||
| 036 | 685700-9 | 1.00 | 1.21 | |
| Interruptor | ||||
| 037 | 651225-5 | 10.80 | 13.07 | |
| Tornillo 3.5X7 | ||||
| 037A | 652008-6 | 1.00 | 1.21 | |
| Soporte de abrazadera | ||||
| 038 | 687001-1 | 1.00 | 1.21 | |
| Tornillo 4X18 | ||||
| 039 | 911131-9 | 1.00 | 1.21 | |
| Tornillo 5x25 | ||||
| 040 | 911241-2 | 1.00 | 1.21 | |
| Escobilla de carbon CB100 | ||||
| 041 | 194974-6 | 3.54 | 4.28 | |
| Tapa del portaescobillas | ||||
| 042 | 643600-9 | 1.20 | 1.45 | |
| Carcasa del motor | ||||
| 045 | 156734-4 | 30.80 | 37.27 | |
| Casquillo de sujeción para statorv. 2mm | ||||
| 049 | 654502-4 | 1.00 | 1.21 | |
| Pequeña resorte del estator Cb-7 | ||||
| 050 | 654019-7 | 1.20 | 1.45 | |