Aquí encontrará todas las piezas y dibujos técnicos disponibles de 'Makita PC1100'. Desde aquí podrá pedir todas las piezas deseadas directamente. Para muchas piezas de repuesto, es necesario pasar un pedido al fabricante. Dependiendo de la marca, el plazo de entrega puede variar entre una y cuatro semanas. Toda la información que tenemos está en nuestro sitio web. No podremos aconsejarle sobre lo que necesita hasta que entregue la máquina para su reparación. Tenga en cuenta lo siguiente a la hora de cursar su pedido:
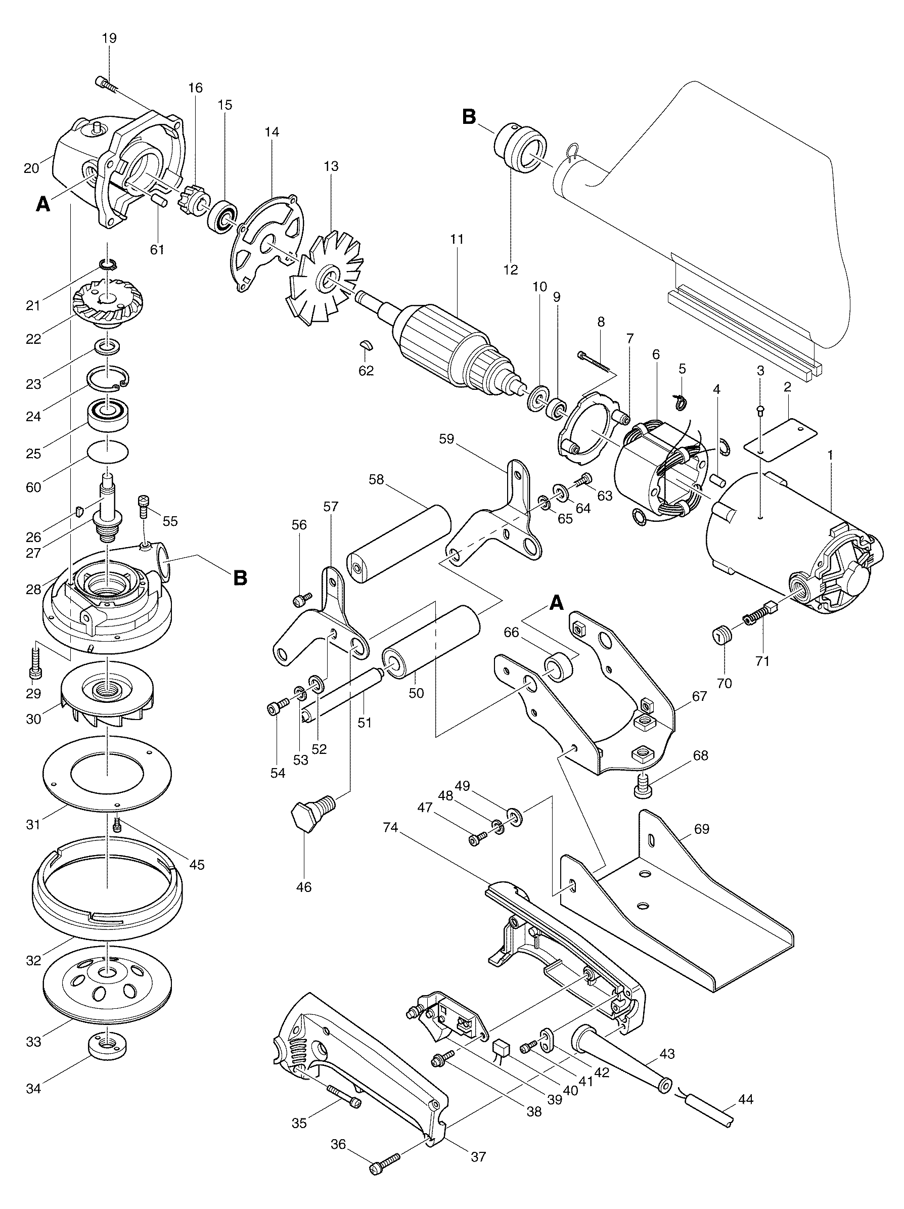
Dibujo técnico de los/las Makita PC1100
Lista de las piezas de repuesto de Makita PC1100
| Pos. | Descripción | Precio con el IVA excluido | Precio con el IVA incluido | |
| Los precios mostrados incluyen el IVA | ||||
| Carcasa del motor | ||||
| 001 | 156844-7 | 28.60 | 34.61 | |
| Pasador de Goma 4 | ||||
| 004 | 263002-9 | 1.00 | 1.21 | |
| CAMPO | ||||
| 006 | 522673-4 | 44.00 | 53.24 | |
| Placa Intermedia | ||||
| 007 | 411876-4 | 4.80 | 5.81 | |
| Tornillo 5x65 | ||||
| 008 | 911290-9 | 1.20 | 1.45 | |
| Rodamiento de bolas 608ddw | ||||
| 009 | 210005-4 | 4.80 | 5.81 | |
| Anillo de aislamiento | ||||
| 010 | 681613-2 | 1.00 | 1.21 | |
| Armazón | ||||
| 011 | 516093-2 | 56.10 | 67.88 | |
| Conector de bolsa de polvo | ||||
| 012 | 341836-1 | 12.10 | 14.64 | |
| Placa Intermedia | ||||
| 014 | 341850-7 | 3.60 | 4.36 | |
| Rodamiento de bolas 6000DDW A | ||||
| 015 | 210315-9 | 6.00 | 7.26 | |
| No hay información disponible, no se puede pedir | ||||
| 016 | 181737-9 | |||
| Arandela 8 * | ||||
| 017 | 253140-5 | 1.00 | 1.21 | |
| Anillo de cierre S-8 | ||||
| 018 | 961004-6 | 1.00 | 1.21 | |
| Tornillo 5x25 | ||||
| 019 | 911241-2 | 1.00 | 1.21 | |
| TANDWIELHUIS 9005B-PC1100 * | ||||
| 020 | 144196-8 | 18.70 | 22.63 | |
| Arandela de bloqueo S-12 | ||||
| 021 | 961052-5 | 1.00 | 1.21 | |
| Arandela 12 | ||||
| 023 | 257088-3 | 1.20 | 1.45 | |
| Arandela de bloqueo r-32 | ||||
| 024 | 962151-6 | 1.00 | 1.21 | |
| Rodamiento de bolas 6201dw1 | ||||
| 025 | 211129-9 | 8.40 | 10.16 | |
| Cuña de alineación 3 | ||||
| 026 | 254002-0 | 1.00 | 1.21 | |
| BARRA TOMMY | ||||
| 027 | 321437-1 | 30.80 | 37.27 | |
| Cubierta interior | ||||
| 028 | 157312-3 | 68.20 | 82.52 | |
| Pasador elástico 3-8 | ||||
| 028A | 951051-5 | 1.00 | 1.21 | |
| Tornillo 4x20 | ||||
| 029 | 911138-5 | 1.00 | 1.21 | |
| Impulsor 76 | ||||
| 030 | 241637-6 | 10.80 | 13.07 | |
| Anillo de cubierta del ventilador | ||||
| 031 | 341835-3 | 3.60 | 4.36 | |
| Anillo de polvo | ||||
| 032 | 421182-9 | 55.00 | 66.55 | |
| Sluitmoer betonschaaf | ||||
| 034 | 224526-0 | 4.00 | 4.84 | |
| Tornillo 5x28 | ||||
| 035 | 911248-8 | 1.00 | 1.21 | |
| Tornillo 4x22 | ||||
| 036 | 911143-2 | 1.00 | 1.21 | |
| Mango comp | ||||
| 037 | 181460-6 | 13.20 | 15.97 | |
| Tornillo M4x5 | ||||
| 038 | 265132-2 | 1.00 | 1.21 | |
| Interruptor Sw-40 | ||||
| 039A | 651033-4 | 16.50 | 19.96 | |
| Interruptor | ||||
| 039B | 651128-3 | 22.00 | 26.62 | |
| Tornillo 4X18 | ||||
| 041 | 911133-5 | 1.00 | 1.21 | |
| Soporte de abrazadera | ||||
| 042 | 687001-1 | 1.00 | 1.21 | |
| Pasacables 10-90 | ||||
| 043 | 682505-8 | 1.67 | 2.02 | |
| Cable de alimentación 2x1.50 4.0mtr | ||||
| 044 | 695123-3 | 22.00 | 26.62 | |
| Tornillo 4X10 | ||||
| 045 | 911111-5 | 1.00 | 1.21 | |
| Tornillo hexagonal M12 | ||||
| 046 | 265264-5 | 3.60 | 4.36 | |
| Tornillo hexagonal M6X12 | ||||
| 047 | 922311-2 | 1.00 | 1.21 | |
| Arandela de presión 6 A | ||||
| 048 | 253903-9 | 1.00 | 1.21 | |
| Arandela 6 | ||||
| 049 | 253011-6 | 1.00 | 1.21 | |
| Rodillo delantero completo | ||||
| 050 | 152179-4 | 14.30 | 17.30 | |
| Eje delantero | ||||
| 051 | 321436-3 | 8.40 | 10.16 | |
| Arandela 6x12mm | ||||
| 052 | 941151-9 | 1.00 | 1.21 | |
| Arandela de presión 6 A | ||||
| 053 | 253903-9 | 1.00 | 1.21 | |
| Tornillo hexagonal M6X12 | ||||
| 054 | 922311-2 | 1.00 | 1.21 | |
| Tornillo 5x8 | ||||
| 055 | 911202-2 | 1.00 | 1.21 | |
| Tornillo 5x12 | ||||
| 056 | 911215-3 | 1.00 | 1.21 | |
| Soporte de la manija -l- | ||||
| 057 | 341838-7 | 11.00 | 13.31 | |
| No hay información disponible, no se puede pedir | ||||
| 058 | 273416-4 | |||
| Soporte de la manija -r- | ||||
| 059 | 341837-9 | 14.30 | 17.30 | |
| Anillo O 32 | ||||
| 060 | 213459-4 | 1.20 | 1.45 | |
| Pasador de Goma 4 | ||||
| 061 | 263002-9 | 1.00 | 1.21 | |
| Cuña de alineación 3 | ||||
| 062 | 254002-0 | 1.00 | 1.21 | |
| Tornillo hexagonal M6X12 | ||||
| 063 | 922311-2 | 1.00 | 1.21 | |
| Arandela de presión 6 A | ||||
| 064 | 253903-9 | 1.00 | 1.21 | |
| Arandela 6 | ||||
| 065 | 253011-6 | 1.00 | 1.21 | |
| Arandela 16 | ||||
| 066 | 257579-4 | 3.60 | 4.36 | |
| Soporte para suela trasera | ||||
| 067 | 341839-5 | 34.10 | 41.26 | |
| Tornillo 8X14 * | ||||
| 068 | 251462-7 | 2.40 | 2.90 | |
| Tornillo 8X14 * | ||||
| 068A | 251462-7 | 2.40 | 2.90 | |
| Base Trasera | ||||
| 069 | 341840-0 | 19.80 | 23.96 | |
| Tapa del portaescobillas | ||||
| 070 | 643600-9 | 1.20 | 1.45 | |
| Escobilla de carbon CB100 | ||||
| 071 | 194974-6 | 3.54 | 4.28 | |
| Casquillo de sujeción para statorv. 1,25mm | ||||
| 072 | 654501-6 | 0.83 | 1.00 | |
| Pequeña resorte del estator Cb-7 | ||||
| 073 | 654019-7 | 1.20 | 1.45 | |