Aquí encontrará todas las piezas y dibujos técnicos disponibles de 'Makita UC4010A'. Desde aquí podrá pedir todas las piezas deseadas directamente. Para muchas piezas de repuesto, es necesario pasar un pedido al fabricante. Dependiendo de la marca, el plazo de entrega puede variar entre una y cuatro semanas. Toda la información que tenemos está en nuestro sitio web. No podremos aconsejarle sobre lo que necesita hasta que entregue la máquina para su reparación. Tenga en cuenta lo siguiente a la hora de cursar su pedido:
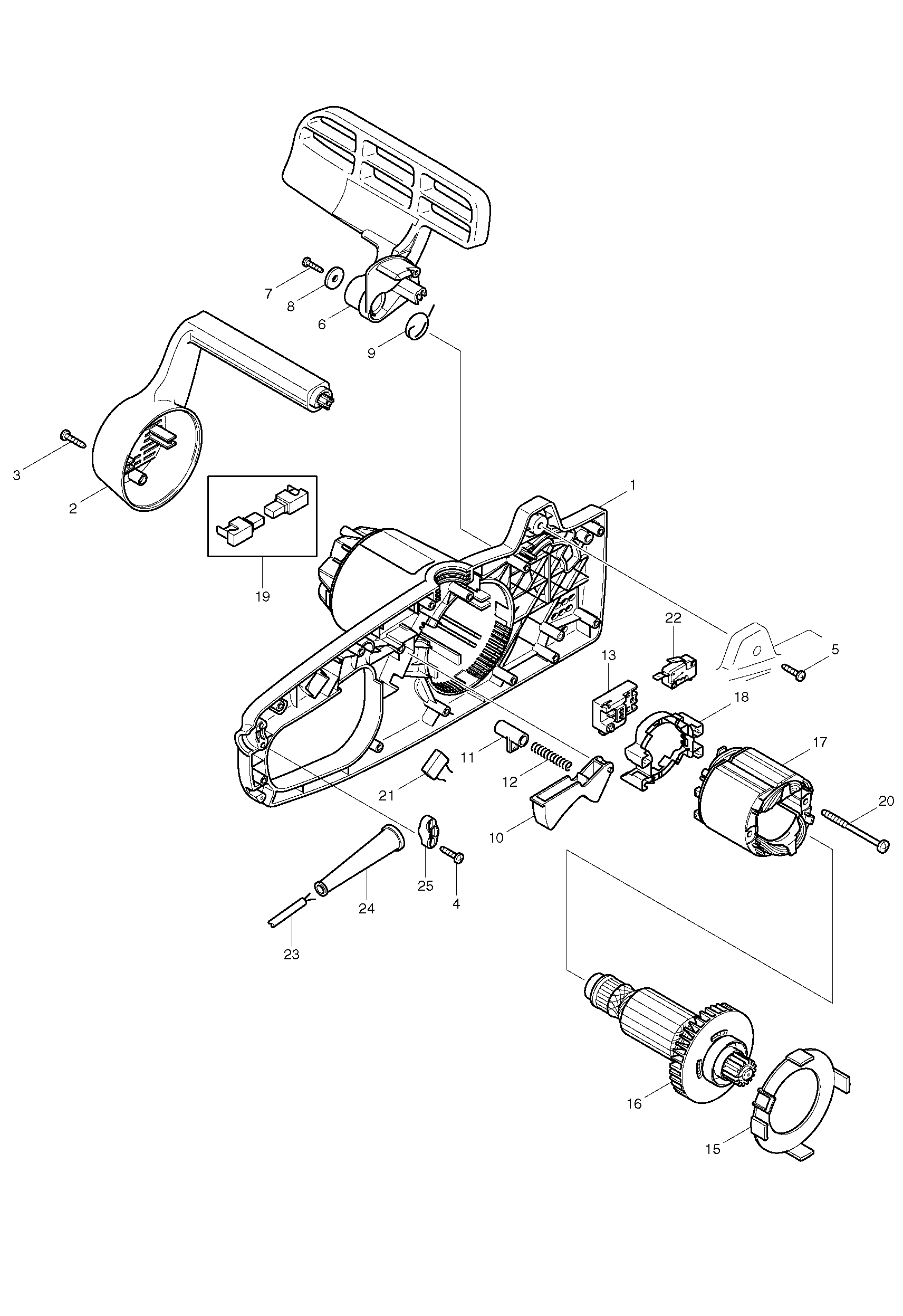
Dibujo técnico de los/las Makita UC4010A
Lista de las piezas de repuesto de Makita UC4010A
| Pos. | Descripción | Precio con el IVA excluido | Precio con el IVA incluido | |
| Los precios mostrados incluyen el IVA | ||||
| No hay información disponible, no se puede pedir | ||||
| 001 | 416711-1 | |||
| No hay información disponible, no se puede pedir | ||||
| 002 | 416713-7 | |||
| Tornillo 4X18 | ||||
| 003 | 913540185 | 1.00 | 1.21 | |
| Tornillo 4X18 | ||||
| 004 | 913540185 | 1.00 | 1.21 | |
| Tornillo 4X18 | ||||
| 005 | 913540185 | 1.00 | 1.21 | |
| Protección de manos | ||||
| 006 | 416707-2 | 8.40 | 10.16 | |
| No hay información disponible, no se puede pedir | ||||
| 007 | 913550165 | |||
| Disco 5.5x18x1.6 | ||||
| 008 | 924605510 | 1.00 | 1.21 | |
| Resorte Uc3010A Etc * | ||||
| 009 | 210213030 | 1.20 | 1.45 | |
| Botón giratorio ABB OHYS2AJ | ||||
| 010 | 416708-0 | 1.20 | 1.45 | |
| Interruptor de hombre muerto | ||||
| 011 | 416178-3 | 1.00 | 1.21 | |
| No hay información disponible, no se puede pedir | ||||
| 012 | 225145010 | |||
| Interruptor | ||||
| 013 | 975001200 | 16.50 | 19.96 | |
| No hay información disponible, no se puede pedir | ||||
| 014 | 210114020 | |||
| Placa de guía de aire | ||||
| 015 | 416714-5 | 1.20 | 1.45 | |
| Armazón | ||||
| 016 | 970803390 | 71.50 | 86.52 | |
| CAMPO | ||||
| 017 | 634313-3 | 26.40 | 31.94 | |
| No hay información disponible, no se puede pedir | ||||
| 018 | 632891-7 | |||
| No hay información disponible, no se puede pedir | ||||
| 019 | 957823410 | |||
| Tornillo autorroscante Pt 5x65 | ||||
| 020 | 266029-8 | 2.40 | 2.90 | |
| No hay información disponible, no se puede pedir | ||||
| 021 | 970109820 | |||
| Ya no disponible, sin reemplazo | ||||
| 022 | 970001200 | |||
| No hay información disponible, no se puede pedir | ||||
| 023 | 970102310 | |||
| Pasacables 10-90 | ||||
| 024 | 682505-8 | 1.67 | 2.02 | |
| Soporte de abrazadera | ||||
| 025 | 687053-2 | 1.00 | 1.21 | |
| No hay información disponible, no se puede pedir | ||||
| 026 | 210211100 | |||
| Ya no disponible, sin reemplazo | ||||
| 027 | 210221100 | |||
| No hay información disponible, no se puede pedir | ||||
| 028 | 205114204 | |||
| No hay información disponible, no se puede pedir | ||||
| 029 | 205114204 | |||
| Bomba de aceite A | ||||
| 030 | 021245007 | 23.10 | 27.95 | |
| Ya no disponible, sin reemplazo | ||||
| 031 | 203245002 | |||
| Tornillo 3,5x10 | ||||
| 032 | 915735100 | 1.20 | 1.45 | |
| No hay información disponible, no se puede pedir | ||||
| 033 | 965451210 | |||
| Resorte de compresión | ||||
| 034 | 231975-4 | 1.00 | 1.21 | |
| Tapa de cobertura STM 1800 | ||||
| 035 | 416274-7 | 1.00 | 1.21 | |
| Tubería de aceite | ||||
| 036 | 965452388 | 3.60 | 4.36 | |
| No hay información disponible, no se puede pedir | ||||
| 036A | 965452382 | |||
| Anillo O 3,5X1 * | ||||
| 037 | 963203010 | 1.20 | 1.45 | |
| Disco 5x11x0,5 | ||||
| 038 | 925305000 | 1.00 | 1.21 | |
| No hay información disponible, no se puede pedir | ||||
| 039 | 210221030 | |||
| No hay información disponible, no se puede pedir | ||||
| 040 | 210213300 | |||
| Banda de freno | ||||
| 041 | 168321-7 | 7.20 | 8.71 | |
| No hay información disponible, no se puede pedir | ||||
| 042 | 210213020 | |||
| No hay información disponible, no se puede pedir | ||||
| 043 | 210213050 | |||
| Resorte de presión Uc3000A | ||||
| 044 | 028213521 | 1.20 | 1.45 | |
| Arandela 4 | ||||
| 045 | 267195-4 | 1.20 | 1.45 | |
| Varilla del gas | ||||
| 046 | 324622-5 | 1.00 | 1.21 | |
| No hay información disponible, no se puede pedir | ||||
| 047 | 210110620 | |||
| No hay información disponible, no se puede pedir | ||||
| 048 | 980114181 | |||
| Etiqueta "makita" | ||||
| 049 | 819064-1 | 2.40 | 2.90 | |
| Tornillo 4X18 | ||||
| 050 | 913540185 | 1.00 | 1.21 | |
| Leva tensor de cadena Dcs34 A | ||||
| 051 | 001213042 | 3.60 | 4.36 | |
| Tornillo 5x35 | ||||
| 052 | 901505354 | 1.00 | 1.21 | |
| No hay información disponible, no se puede pedir | ||||
| 053 | 267732-4 | |||
| Rueda de cadena de transmisión | ||||
| 054 | 221526-1 | 2.40 | 2.90 | |
| Anillo de bloqueo E8 | ||||
| 055 | 259036-8 | 1.00 | 1.21 | |
| Cubierta para cadena | ||||
| 056 | 152603-7 | 9.60 | 11.62 | |
| No hay información disponible, no se puede pedir | ||||
| 057 | 923208004 | |||
| Ya no disponible, sin reemplazo | ||||
| 058 | 958040611 | |||
| No hay información disponible, no se puede pedir | ||||
| 059 | 958290656 | |||