Aquí encontrará todas las piezas y dibujos técnicos disponibles de 'Makita VR001G'. Desde aquí podrá pedir todas las piezas deseadas directamente. Para muchas piezas de repuesto, es necesario pasar un pedido al fabricante. Dependiendo de la marca, el plazo de entrega puede variar entre una y cuatro semanas. Toda la información que tenemos está en nuestro sitio web. No podremos aconsejarle sobre lo que necesita hasta que entregue la máquina para su reparación. Tenga en cuenta lo siguiente a la hora de cursar su pedido:
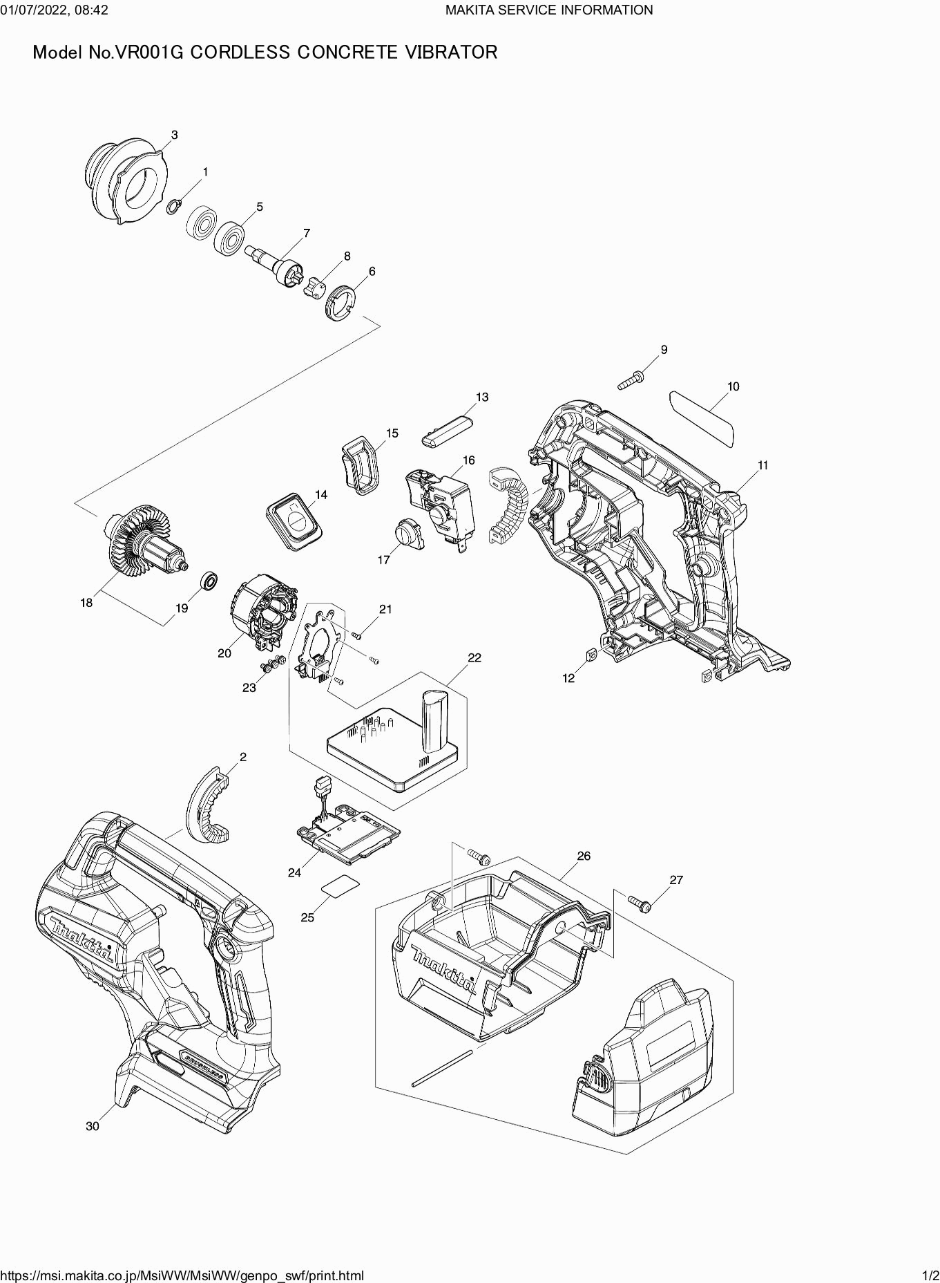
Dibujo técnico de los/las Makita VR001G
Lista de las piezas de repuesto de Makita VR001G
| Pos. | Descripción | Precio con el IVA excluido | Precio con el IVA incluido | |
| Los precios mostrados incluyen el IVA | ||||
| Anillo de cierre S-9 | ||||
| 001 | 961005-4 | 1.00 | 1.21 | |
| Anillo de goma VR001/3G | ||||
| 002 | 422910-5 | 1.20 | 1.45 | |
| Portamangueras VR001/3G | ||||
| 003 | 313434-1 | 12.10 | 14.64 | |
| No hay información disponible, no se puede pedir | ||||
| 005 | 210051-7 | |||
| Bloqueo de Rodamiento 19-26 VR001/3G | ||||
| 006 | 285053-2 | 2.40 | 2.90 | |
| Eje cpl VR001/3G | ||||
| 007 | 141K76-5 | 3.60 | 4.36 | |
| Distanciador | ||||
| 008 | 424833-3 | 1.00 | 1.21 | |
| Tornillo autorroscante Pt4x20 | ||||
| 009 | 266045-0 | 1.00 | 1.21 | |
| LABEL VR001G | ||||
| 010 | 858L48-6 | 2.40 | 2.90 | |
| Conjunto de la carcasa del motor VR001/3G | ||||
| 011 | 183V84-6 | 19.80 | 23.96 | |
| Etiqueta logo XGT | ||||
| 011C10 | 8005T5-8 | 2.40 | 2.90 | |
| Pluma de goma 6 | ||||
| 011C20 | 263005-3 | 1.00 | 1.21 | |
| Tuerca M6 4-K Btd123F * | ||||
| 012 | 252173-7 | 1.00 | 1.21 | |
| Botón de bloqueo DUT130 | ||||
| 013 | 458822-6 | 1.20 | 1.45 | |
| Circuito de conmutación VR001/3G | ||||
| 014 | 141K86-2 | 10.80 | 13.07 | |
| LABEL SCHAKELING VR003G | ||||
| 014C10 | 8055V0-7 | 2.40 | 2.90 | |
| Tapa del interruptor VR001/3G | ||||
| 015 | 422966-8 | 2.40 | 2.90 | |
| Interruptor DSB180 | ||||
| 016 | 651493-0 | 23.10 | 27.95 | |
| Tapa del interruptor DUT130 | ||||
| 017 | 458819-5 | 1.20 | 1.45 | |
| Armazón VR001/03G | ||||
| 018 | 136692-0 | 22.00 | 26.62 | |
| Rodamiento de bolas 609ddw | ||||
| 019 | 210039-7 | 3.60 | 4.36 | |
| Campo | ||||
| 020 | 629B21-1 | 8.40 | 10.16 | |
| Parker Ck 2x6mm | ||||
| 021 | 266490-9 | 1.00 | 1.21 | |
| Controlador VR001/03G | ||||
| 022 | 620H52-9 | 119.90 | 145.08 | |
| Filtro de línea | ||||
| 022C10 | 688163-8 | 1.20 | 1.45 | |
| Filtro de línea | ||||
| 022C20 | 688164-6 | 1.00 | 1.21 | |
| Tornillo de Cabeza Phillips M3X6 | ||||
| 023 | 652069-6 | 1.00 | 1.21 | |
| Unidad de control serie GA-40V | ||||
| 024 | 632P65-6 | 8.40 | 10.16 | |
| Label serienr VR001G | ||||
| 025 | 858L51-7 | 0.83 | 1.00 | |
| Casete de batería S VR001/3G | ||||
| 026 | 136704-9 | 13.20 | 15.97 | |
| LABEL WAARSCH VR003G | ||||
| 026C10 | 816B52-1 | 2.40 | 2.90 | |
| Etiqueta de advertencia | ||||
| 026C20 | 810196-7 | 2.40 | 2.90 | |
| No hay información disponible, no se puede pedir | ||||
| 027 | 911128-8 | |||
| Conjunto de la carcasa del motor VR001/3G | ||||
| 030 | 183V84-6 | 19.80 | 23.96 | |
| Etiqueta logo XGT | ||||
| 030C10 | 8005T5-8 | 2.40 | 2.90 | |
| Pluma de goma 6 | ||||
| 030C20 | 263005-3 | 1.00 | 1.21 | |