Aquí encontrará todas las piezas y dibujos técnicos disponibles de 'Metabo 0230022216-12 ( BASIC265 )'. Desde aquí podrá pedir todas las piezas deseadas directamente. Para muchas piezas de repuesto, es necesario pasar un pedido al fabricante. Dependiendo de la marca, el plazo de entrega puede variar entre una y cuatro semanas. Toda la información que tenemos está en nuestro sitio web. No podremos aconsejarle sobre lo que necesita hasta que entregue la máquina para su reparación. Tenga en cuenta lo siguiente a la hora de cursar su pedido:
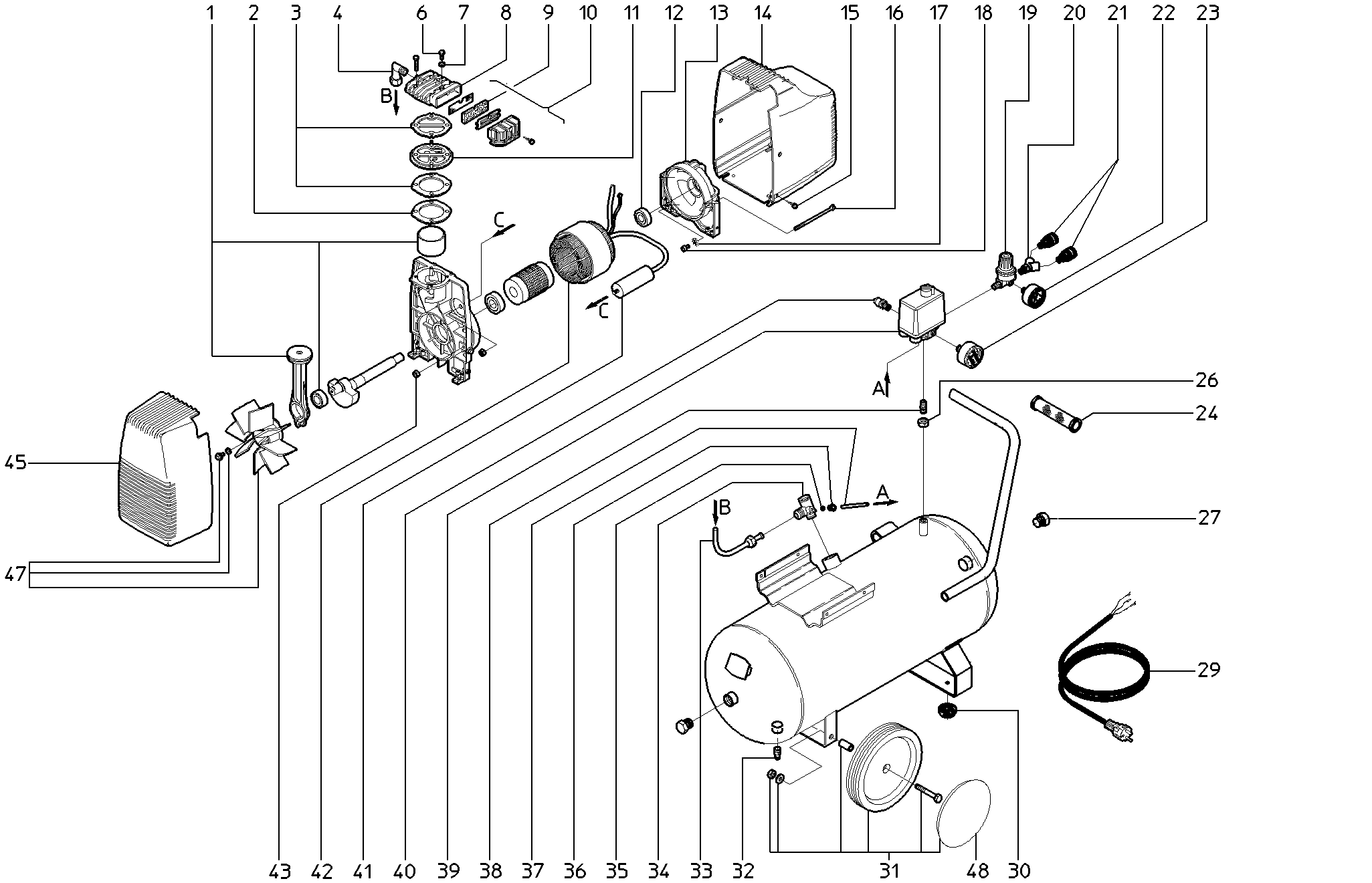
Dibujo técnico de los/las Metabo 0230022216-12 ( BASIC265 )
Lista de las piezas de repuesto de Metabo 0230022216-12 ( BASIC265 )
| Pos. | Descripción | Precio con el IVA excluido | Precio con el IVA incluido | |
| Los precios mostrados incluyen el IVA | ||||
| Conjunto de varillas empujadoras con rodamiento ET | ||||
| 1 | 1319661774 | 107.70 | 130.32 | |
| Ya no disponible, sin reemplazo | ||||
| 2 | 1311661937 | |||
| JUNTA ET | ||||
| 3 | 1319661626 | 16.25 | 19.66 | |
| No hay información disponible, no se puede pedir | ||||
| 4 | 7872663295 | |||
| Tornillo avellanado | ||||
| 6 | 141112180 | 1.56 | 1.89 | |
| No hay información disponible, no se puede pedir | ||||
| 7 | 6341062550 | |||
| Cabeza del cilindro ET | ||||
| 8 | 1319662290 | 43.15 | 52.21 | |
| Elemento del filtro de aire ET | ||||
| 9 | 7825626799 | 1.67 | 2.02 | |
| Ya no disponible, sin reemplazo | ||||
| 10 | 7825661730 | |||
| Ya no disponible, sin reemplazo | ||||
| 11 | 1319661634 | |||
| Rodamiento de bolas 17X40X12 6203-2Z | ||||
| 12 | 7100047254 | 8.89 | 10.76 | |
| ESCUDO DE COJINETE ET | ||||
| 13 | 1310662417 | 43.15 | 52.21 | |
| Tapa de cobertura Negro / ET | ||||
| 14 | 1311662054 | 32.27 | 39.05 | |
| TORNILLO DE CHAPA CON CABEZA CRUCIFORME M 5X16 GAL | ||||
| 15 | 6123002057 | 1.56 | 1.89 | |
| No hay información disponible, no se puede pedir | ||||
| 16 | 1315661923 | |||
| Arandela de bloqueo dentada | ||||
| 17 | 141150430 | 1.56 | 1.89 | |
| No hay información disponible, no se puede pedir | ||||
| 18 | 6175604551 | |||
| No hay información disponible, no se puede pedir | ||||
| 19 | 7822661968 | |||
| No hay información disponible, no se puede pedir | ||||
| 20 | 7871663127 | |||
| No hay información disponible, no se puede pedir | ||||
| 21 | 7802009083 | |||
| No hay información disponible, no se puede pedir | ||||
| 22 | 7823088510 | |||
| No hay información disponible, no se puede pedir | ||||
| 23 | 7823088501 | |||
| No hay información disponible, no se puede pedir | ||||
| 24 | 7008662201 | |||
| No hay información disponible, no se puede pedir | ||||
| 26 | 6209113919 | |||
| Tornillo de bloqueo R 1/2 galv. | ||||
| 27 | 6109079322 | 11.74 | 14.21 | |
| CABLE DE CAUCHO 3GX1,5X3000 A=437.1U B=70 GE | ||||
| 29 | 8402094428 | 21.64 | 26.18 | |
| No hay información disponible, no se puede pedir | ||||
| 30 | 344099370 | |||
| No hay información disponible, no se puede pedir | ||||
| 31 | 316051850 | |||
| No hay información disponible, no se puede pedir | ||||
| 32 | 7830142449 | |||
| No hay información disponible, no se puede pedir | ||||
| 33 | 1319662088 | |||
| VÁLVULA DE RETENCIÓN 1/2"AX1/2"A IZQUIERDA/ET | ||||
| 34 | 7831662594 | 26.95 | 32.61 | |
| Anillo de corte 6 MM ET | ||||
| 35 | 7875156629 | 1.67 | 2.02 | |
| Tuerca de bloqueo 6 MM ET | ||||
| 36 | 7874156609 | 11.74 | 14.21 | |
| Manguera de plástico | ||||
| 37 | 316061030 | 21.64 | 26.18 | |
| No hay información disponible, no se puede pedir | ||||
| 38 | 7806663110 | |||
| REGULADOR DE PRESIÓN MDR 2/11 SL F4-1/4" +AEV 2S | ||||
| 39 | 8101662161 | 80.81 | 97.78 | |
| Valvula de seguridad 1/4"A/8 BAR SV97-9997 | ||||
| 40 | 7833662613 | 53.86 | 65.17 | |
| Ya no disponible, sin reemplazo | ||||
| 41 | 8050662242 | |||
| No hay información disponible, no se puede pedir | ||||
| 42 | 8014663259 | |||
| Tuerca de seguridad hexagonal | ||||
| 43 | 141130650 | 1.68 | 2.03 | |
| Ya no disponible, sin reemplazo | ||||
| 45 | 1311662062 | |||
| Ya no disponible, sin reemplazo | ||||
| 47 | 316054430 | |||
| Cubierta de la rueda | ||||
| 48 | 343432830 | 1.67 | 2.02 | |
| No hay información disponible, no se puede pedir | ||||
| 7500 | 1153661053 | |||
| EMBALAJE 850X330X720 BASIC 265/270/300 | ||||
| 7600 | 4810670539 | 43.15 | 52.21 | |