Aquí encontrará todas las piezas y dibujos técnicos disponibles de 'Metabo 0104004000-13 ( BKS400PLUS4,20DNB )'. Desde aquí podrá pedir todas las piezas deseadas directamente. Para muchas piezas de repuesto, es necesario pasar un pedido al fabricante. Dependiendo de la marca, el plazo de entrega puede variar entre una y cuatro semanas. Toda la información que tenemos está en nuestro sitio web. No podremos aconsejarle sobre lo que necesita hasta que entregue la máquina para su reparación. Tenga en cuenta lo siguiente a la hora de cursar su pedido:
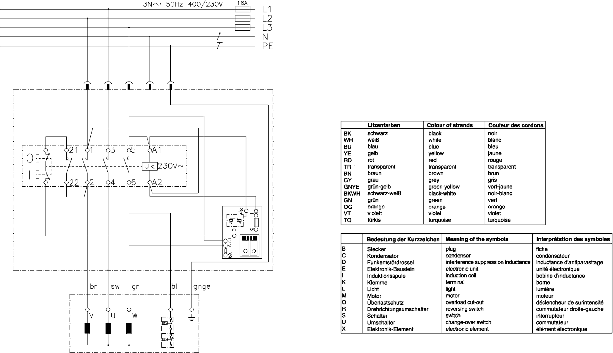
Dibujo técnico de los/las Metabo 0104004000-13 ( BKS400PLUS4,20DNB )
Lista de las piezas de repuesto de Metabo 0104004000-13 ( BKS400PLUS4,20DNB )
| Pos. | Descripción | Precio con el IVA excluido | Precio con el IVA incluido | |
| Los precios mostrados incluyen el IVA | ||||
| SOPORTE BL 2.5X195X100 | ||||
| 2 | 1382206289 | 3.71 | 4.49 | |
| ARANDELA DE MUELLE | ||||
| 3 | 7053063343 | 1.55 | 1.88 | |
| Perno de bloqueo con inserción cuadrada M 12X40 VE | ||||
| 4 | 6110149253 | 1.68 | 2.03 | |
| TABLERO BL 2,50X736X1071 | ||||
| 5 | 1382731987 | 18.80 | 22.75 | |
| Cuña espaciadora hol CS 70 ET-BG | ||||
| 6 | 2380075353 | 10.38 | 12.56 | |
| PLACA DE PRESIÓN BL 2.99X80X60 | ||||
| 7 | 1382213749 | 1.68 | 2.03 | |
| Contraflange RD 112 SW 46x26 | ||||
| 9 | 2390205247 | 21.64 | 26.18 | |
| Arandela de bloqueo B 13 VERZ. | ||||
| 10 | 6305002508 | 1.56 | 1.89 | |
| Tornillo hexagonal | ||||
| 11 | 141122670 | 4.51 | 5.46 | |
| TAPA DE LA CARCASA PARA VIRUTAS BL 1,5X684X391 | ||||
| 12 | 1382206327 | 60.59 | 73.31 | |
| Tuerca hexagonal autoblocante | ||||
| 13 | 6202002305 | 1.56 | 1.89 | |
| Montaje de motor BL 2.99X134X230 | ||||
| 14 | 1482206294 | 8.89 | 10.76 | |
| No hay información disponible, no se puede pedir | ||||
| 17 | 6131009460 | |||
| Tornillo hexagonal | ||||
| 18 | 6103001178 | 1.56 | 1.89 | |
| BRIDA RD 20 | ||||
| 19 | 1390205208 | 43.15 | 52.21 | |
| CARCASA PARA VIRUTAS BL 1,5X812X410 | ||||
| 20 | 1382206319 | 37.65 | 45.56 | |
| Tornillo hexagonal M 8X90 verz. | ||||
| 21 | 6101022046 | 1.68 | 2.03 | |
| Ya no disponible, sin reemplazo | ||||
| 22 | 1382730808 | |||
| Tornillo hexagonal M 6X16 doblado. Revestimiento d | ||||
| 23 | 6103001356 | 1.56 | 1.89 | |
| PALANCA DE FUSIBLE BL 2.50X30X100 | ||||
| 24 | 1392205418 | 3.71 | 4.49 | |
| PLACA DE SOPORTE BL 2X321X168 DELANTERA | ||||
| 33 | 1382206300 | 12.23 | 14.80 | |
| PLACA DE SOPORTE BL 2X321X168 POSTERIOR | ||||
| 34 | 1382206335 | 12.23 | 14.80 | |
| Tornillo hexagonal | ||||
| 41 | 141113330 | 1.68 | 2.03 | |
| Tornillo hexagonal M 10X20 doblado. | ||||
| 59 | 6103005270 | 1.56 | 1.89 | |
| TORNILLO AVELLANADO M.CRUCERO M 6X16 VE | ||||
| 70 | 6131047582 | 1.56 | 1.89 | |
| TABLERO BL 2,50X736X1071 | ||||
| 72 | 1382731405 | 161.61 | 195.55 | |
| Tuerca hexagonal autoblocante | ||||
| 73 | 6202002305 | 1.56 | 1.89 | |
| ARCO DE ELEVACIÓN 2.99X90X112 | ||||
| 75 | 1492103230 | 3.71 | 4.49 | |
| Perfil de inserción de mesa 549,5 ±0,3 mm | ||||
| 76 | 1393205551 | 21.64 | 26.18 | |
| MIEMBRO DE CRUZ BL 2,50X86X656 | ||||
| 77 | 1392205035 | 11.74 | 14.21 | |
| PLACA DE INTERRUPTOR BL 2.99X85X180 | ||||
| 78 | 1382214133 | 16.25 | 19.66 | |
| Tornillo hexagonal | ||||
| 80 | 141113290 | 1.56 | 1.89 | |
| SSK-INTERRUPTOR UC230V CEE-16A PHW K900VB | ||||
| 81 | 8132719587 | 213.88 | 258.79 | |
| Abrazadera de fijación | ||||
| 82 | 8242051328 | 2.28 | 2.76 | |
| No hay información disponible, no se puede pedir | ||||
| 88 | 1010675193 | |||
| PLACA DE EXTENSIÓN BL 2.00X572X832 TKHS315M | ||||
| 90 | 1382693309 | 94.12 | 113.89 | |
| Tornillo hexagonal | ||||
| 91 | 141114860 | 1.68 | 2.03 | |
| PLACA ANGULAR BL 2,50X30X116 | ||||
| 92 | 1382693856 | 12.23 | 14.80 | |
| Tuerca hexagonal | ||||
| 93 | 141132030 | 1.56 | 1.89 | |
| SOPORTE DIAGONAL BL 2,5X30X591 | ||||
| 94 | 1382641074 | 8.89 | 10.76 | |
| Pierna BKH/BKS | ||||
| 95 | 1010730674 | 43.15 | 52.21 | |
| SOPORTE BL 1,5X118X703 | ||||
| 96 | 1382641031 | 16.25 | 19.66 | |
| SOPORTE DIAGONAL BL 2,5X30X830 | ||||
| 97 | 1382641058 | 18.80 | 22.75 | |
| Tornillo 6KT 17x30 M 8 | ||||
| 98 | 1395205516 | 3.02 | 3.65 | |
| Tornillo de cabeza cilíndrica | ||||
| 99 | 6127059207 | 1.56 | 1.89 | |
| SOPORTE BL 1,00X70X885 TVL-BKH/BKS | ||||
| 100 | 1382706559 | 16.25 | 19.66 | |
| TABLERO cpl | ||||
| 110 | 1382731340 | 37.65 | 45.56 | |
| Tornillo hexagonal M 8x80 plateado | ||||
| 111 | 141125190 | 1.55 | 1.88 | |
| Tornillo hexagonal M 6X35 doblado. | ||||
| 113 | 6103004916 | 1.56 | 1.89 | |
| RESORTE DE PASO D=1,5 X 180 | ||||
| 114 | 7051731284 | 8.89 | 10.76 | |
| BLOQUE DE COJINETE COMPLETO BKH/BKS-Plus | ||||
| 115 | 1010731972 | 16.25 | 19.66 | |
| GUÍA COMPLETA BKH/BKS-Plus | ||||
| 116 | 1010731964 | 74.13 | 89.70 | |
| RESORTE DE PASO D=1,5 X 180 | ||||
| 117 | 7051731292 | 8.89 | 10.76 | |
| MANGUITO RD 18X5 | ||||
| 118 | 1485731306 | 4.51 | 5.46 | |
| MANGUITO RD 18X5 | ||||
| 119 | 1381731312 | 1.56 | 1.89 | |
| Cubierta de protección, completa BKH/BKS Plus | ||||
| 120 | 1010731956 | 161.61 | 195.55 | |
| CUCHILLA DE SEPARACIÓN BL 3,00X214X304 BKH/BKS400 | ||||
| 121 | 1482731367 | 148.53 | 179.72 | |
| Tuerca de seguridad hexagonal | ||||
| 122 | 141130650 | 1.68 | 2.03 | |
| TORNILLO AVELLANADO M.SLOT M 6X20 VER | ||||
| 124 | 6130019585 | 1.56 | 1.89 | |
| Tuerca hexagonal | ||||
| 125 | 141130100 | 1.56 | 1.89 | |
| GUÍA 140x30x53 | ||||
| 126 | 1381730669 | 74.13 | 89.70 | |
| Tornillo de cabeza cilíndrica | ||||
| 127 | 141113940 | 1.56 | 1.89 | |
| Tope paralelo BKH/BKS-Plus | ||||
| 130 | 1010731743 | 187.73 | 227.15 | |
| Perno ranurado con inserción cuadrada M 6X40 VERZ | ||||
| 131 | 6110000616 | 1.56 | 1.89 | |
| PLACA DE GUIA CORREDERA | ||||
| 132 | 1392201587 | 1.56 | 1.89 | |
| PASADOR RANURADO 60X25 NEGRO | ||||
| 133 | 1391019971 | 1.68 | 2.03 | |
| Parada paralela BKH/BKS | ||||
| 134 | 1010731450 | 67.33 | 81.47 | |
| BOTÓN | ||||
| 135 | 7005658068 | 2.28 | 2.76 | |
| PERFIL DELANTERO | ||||
| 136 | 1383730720 | 53.86 | 65.17 | |
| CASQUILLO ESPACIADOR RD 15/6X12 | ||||
| 137 | 6442100576 | 2.28 | 2.76 | |
| BOLSA CON CABEZA | ||||
| 140 | 6632111175 | 2.28 | 2.76 | |
| TABLERO DE VIRUTAS ,BL 1X26X91.5 | ||||
| 141 | 1392205620 | 1.68 | 2.03 | |
| CENTRO DE ABRAZADERA | ||||
| 143 | 1380731386 | 7.22 | 8.74 | |
| Perno de ranura CON INSERTO CUADRADO M 8X25 VERZ | ||||
| 145 | 6110000640 | 1.56 | 1.89 | |
| Tornillo de posicionamiento M. Cabeza Cruzada | ||||
| 146 | 6172015687 | 1.56 | 1.89 | |
| PIEZA DE EXTREMO GUÍA. BL 2X26X35 | ||||
| 147 | 1492091649 | 5.87 | 7.10 | |
| PERFIL DE GUÍA 543,5 MM | ||||
| 148 | 1383731590 | 37.65 | 45.56 | |
| Soporte BL 2.99x79x207 | ||||
| 150 | 1482730767 | 18.80 | 22.75 | |
| TAPON DE LENGÜETA RD 25 1-3 | ||||
| 151 | 1381730715 | 1.56 | 1.89 | |
| Tornillo avellanado | ||||
| 152 | 6172028215 | 1.56 | 1.89 | |
| Tornillo avellanado | ||||
| 154 | 6172091014 | 1.56 | 1.89 | |
| Escala Vernier 1.00 | ||||
| 155 | 1110205607 | 18.80 | 22.75 | |
| SOPORTE ESCALA VERNIER | ||||
| 156 | 2391205615 | 2.28 | 2.76 | |
| Tuerca hexagonal plana | ||||
| 157 | 6205029131 | 1.56 | 1.89 | |
| Tornillo de ajuste | ||||
| 158 | 6161029309 | 1.56 | 1.89 | |
| PERNO DE AJUSTE SW 19X42 | ||||
| 159 | 1395205400 | 48.48 | 58.66 | |
| Anillo elástico B 12 VERZ. | ||||
| 160 | 6302085941 | 1.56 | 1.89 | |
| Extensión | ||||
| 161 | 2380730793 | 10.38 | 12.56 | |
| Ya no disponible, sin reemplazo | ||||
| 162 | 141110270 | |||
| Tornillo hexagonal | ||||
| 164 | 141110290 | 1.68 | 2.03 | |
| GUÍA ANGULAR | ||||
| 166 | 2010200922 | 43.15 | 52.21 | |
| Ya no disponible, sin reemplazo | ||||
| 167 | 2391205470 | |||
| PERNO DE CABEZA CUADRADA CON INSERTO CUADRADO M 10 | ||||
| 168 | 6110091603 | 1.56 | 1.89 | |
| Ya no disponible, sin reemplazo | ||||
| 169 | 1485730741 | |||
| MANGO DE AGARRE DESLIZANTE ROJO | ||||
| 170 | 1388680470 | 37.65 | 45.56 | |
| PIEZA DE GUÍA | ||||
| 173 | 2391205283 | 7.22 | 8.74 | |
| TOPE DE ÁNGULO | ||||
| 175 | 1010014146 | 134.27 | 162.47 | |
| Palanca de sujeción con rosca interna M 10 IG 18 m | ||||
| 176 | 7006073730 | 10.38 | 12.56 | |
| TUERCA DE JAULA M 8 FUERZA DE CHAPA 1,8-3,2 | ||||
| 177 | 6264139374 | 1.68 | 2.03 | |
| ARANDELA DE MUELLE | ||||
| 178 | 7053075104 | 1.55 | 1.88 | |
| No hay información disponible, no se puede pedir | ||||
| 182 | 0910008749 | |||