Aquí encontrará todas las piezas y dibujos técnicos disponibles de 'Metabo 02421000 ( BSP18PLUS )'. Desde aquí podrá pedir todas las piezas deseadas directamente. Para muchas piezas de repuesto, es necesario pasar un pedido al fabricante. Dependiendo de la marca, el plazo de entrega puede variar entre una y cuatro semanas. Toda la información que tenemos está en nuestro sitio web. No podremos aconsejarle sobre lo que necesita hasta que entregue la máquina para su reparación. Tenga en cuenta lo siguiente a la hora de cursar su pedido:
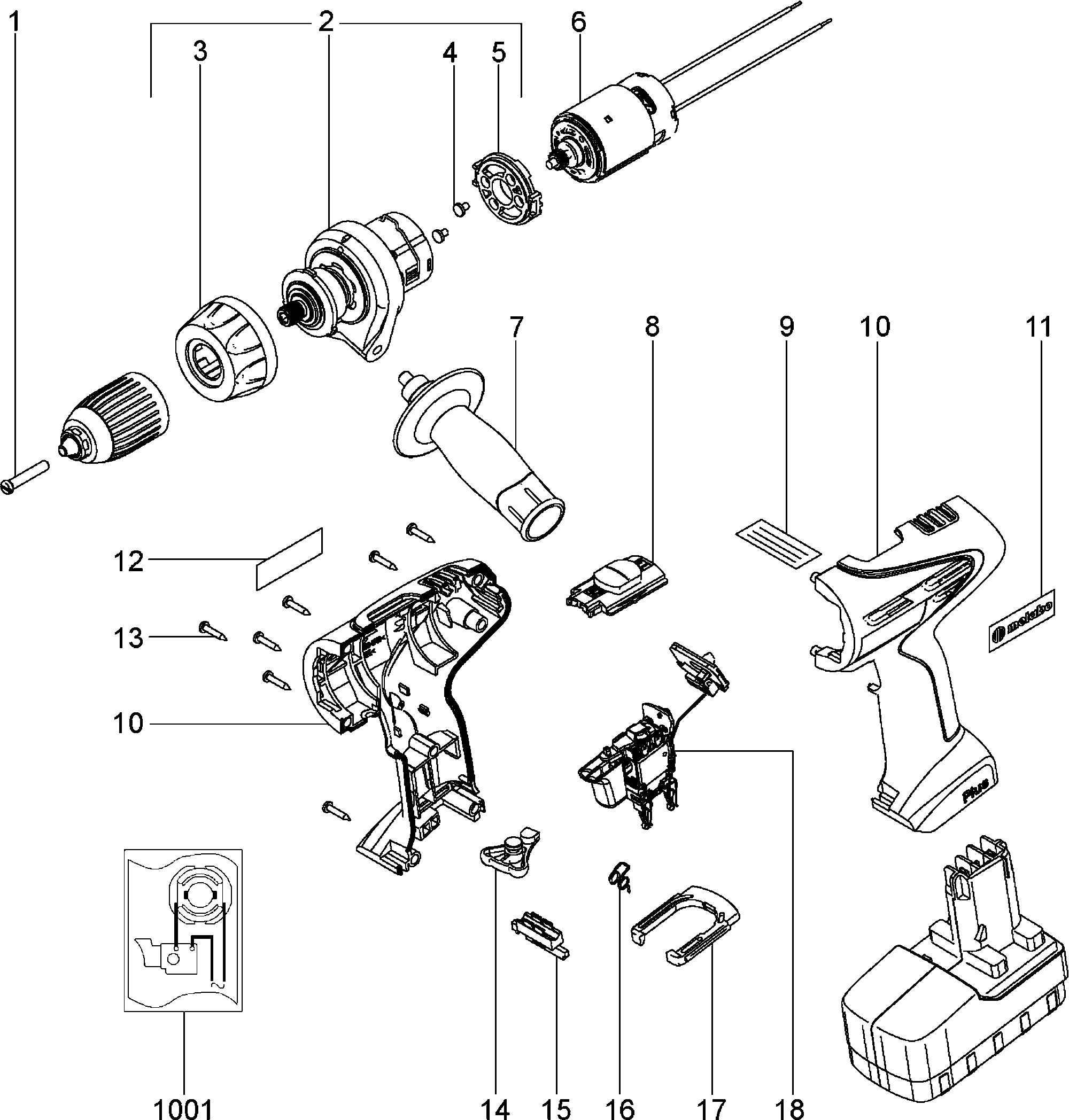
Dibujo técnico de los/las Metabo 02421000 ( BSP18PLUS )
Lista de las piezas de repuesto de Metabo 02421000 ( BSP18PLUS )
| Pos. | Descripción | Precio con el IVA excluido | Precio con el IVA incluido | |
| Los precios mostrados incluyen el IVA | ||||
| Tornillo de cabeza cilíndrica | ||||
| 1 | 341701940 | 1.68 | 2.03 | |
| No hay información disponible, no se puede pedir | ||||
| 2 | 316035260 | |||
| No hay información disponible, no se puede pedir | ||||
| 3 | 315104250 | |||
| TORNILLO M4X35 | ||||
| 4 | 141119850 | 1.56 | 1.89 | |
| No hay información disponible, no se puede pedir | ||||
| 5 | 343379430 | |||
| No hay información disponible, no se puede pedir | ||||
| 6 | 317003230 | |||
| Empuñadura completa | ||||
| 7 | 314000540 | 11.74 | 14.21 | |
| No hay información disponible, no se puede pedir | ||||
| 8 | 343379220 | |||
| No hay información disponible, no se puede pedir | ||||
| 9 | 399999990 | |||
| No hay información disponible, no se puede pedir | ||||
| 10 | 343379180 | |||
| Etiqueta Metabo | ||||
| 11 | 338118370 | 1.56 | 1.89 | |
| No hay información disponible, no se puede pedir | ||||
| 12 | 338044030 | |||
| TORNILLO M4X35 | ||||
| 13 | 141113180 | 1.56 | 1.89 | |
| No hay información disponible, no se puede pedir | ||||
| 14 | 316035280 | |||
| No hay información disponible, no se puede pedir | ||||
| 15 | 343374320 | |||
| Resorte de empuje | ||||
| 16 | 342021670 | 1.56 | 1.89 | |
| Ya no disponible, sin reemplazo | ||||
| 17 | 343374940 | |||
| No hay información disponible, no se puede pedir | ||||
| 18 | 343407450 | |||