Aquí encontrará todas las piezas y dibujos técnicos disponibles de 'Metabo 0103001153-12 ( KGS331 )'. Desde aquí podrá pedir todas las piezas deseadas directamente. Para muchas piezas de repuesto, es necesario pasar un pedido al fabricante. Dependiendo de la marca, el plazo de entrega puede variar entre una y cuatro semanas. Toda la información que tenemos está en nuestro sitio web. No podremos aconsejarle sobre lo que necesita hasta que entregue la máquina para su reparación. Tenga en cuenta lo siguiente a la hora de cursar su pedido:
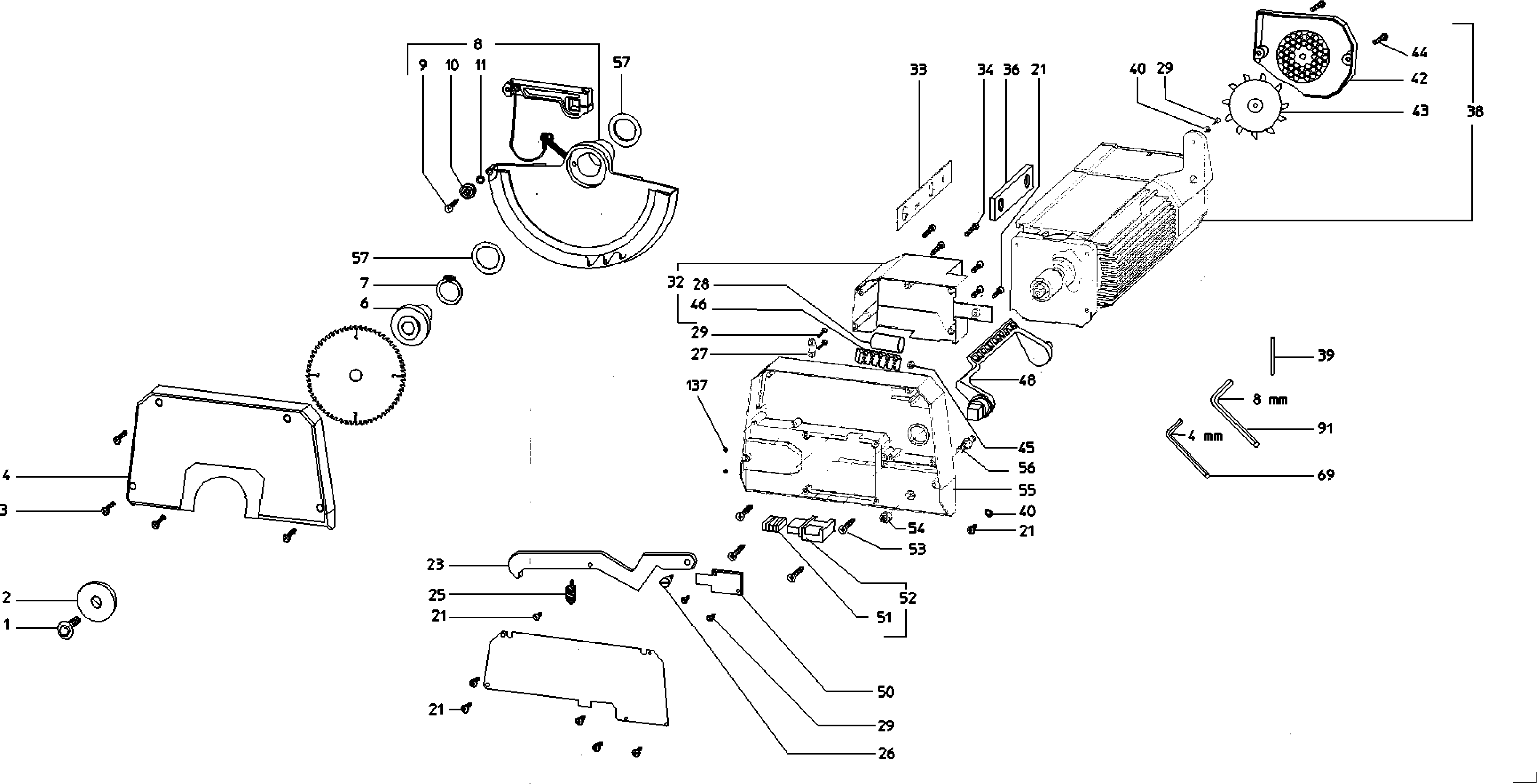
Dibujo técnico de los/las Metabo 0103001153-12 ( KGS331 )
Lista de las piezas de repuesto de Metabo 0103001153-12 ( KGS331 )
| Pos. | Descripción | Precio con el IVA excluido | Precio con el IVA incluido | |
| Los precios mostrados incluyen el IVA | ||||
| Ya no disponible, sin reemplazo | ||||
| 1 | 1395207098 | |||
| BRIDA DE PRESIÓN | ||||
| 2 | 1485212147 | 37.65 | 45.56 | |
| No hay información disponible, no se puede pedir | ||||
| 3 | 141122530 | |||
| No hay información disponible, no se puede pedir | ||||
| 4 | 2380213993 | |||
| Brida OS 400 EQ | ||||
| 6 | 1485212139 | 21.64 | 26.18 | |
| Anillo de bloqueo | ||||
| 7 | 141180170 | 1.56 | 1.89 | |
| Ya no disponible, sin reemplazo | ||||
| 8 | 1010656504 | |||
| No hay información disponible, no se puede pedir | ||||
| 9 | 141122770 | |||
| Rodamiento de bolas 6X19X6 626 -2Z | ||||
| 10 | 7100047262 | 3.71 | 4.49 | |
| Arandela | ||||
| 11 | 141150010 | 1.56 | 1.89 | |
| Tornillo avellanado | ||||
| 21 | 6172028215 | 1.56 | 1.89 | |
| Ya no disponible, sin reemplazo | ||||
| 23 | 1492037601 | |||
| No hay información disponible, no se puede pedir | ||||
| 25 | 7051202958 | |||
| Tornillo de ajuste hexagonal | ||||
| 26 | 6104220876 | 3.02 | 3.65 | |
| Alivio de tensión | ||||
| 27 | 8242033664 | 1.55 | 1.88 | |
| CONDENSADOR 20uF/400V 45X67 CABLE 160 AB | ||||
| 28 | 8050033539 | 16.25 | 19.66 | |
| TORNILLO AUTOPERFORANTE M.CABEZA CRUZADA ST 3,5X16 | ||||
| 29 | 6172032905 | 1.56 | 1.89 | |
| Ya no disponible, sin reemplazo | ||||
| 32 | 1010655575 | |||
| No hay información disponible, no se puede pedir | ||||
| 33 | 1492037580 | |||
| No hay información disponible, no se puede pedir | ||||
| 34 | 141122540 | |||
| No hay información disponible, no se puede pedir | ||||
| 36 | 1392202729 | |||
| No hay información disponible, no se puede pedir | ||||
| 38 | 1010657080 | |||
| Ya no disponible, sin reemplazo | ||||
| 39 | 9103202881 | |||
| Arandela | ||||
| 40 | 141150010 | 1.56 | 1.89 | |
| Tornillo de cabeza cilíndrica | ||||
| 41 | 141113870 | 1.68 | 2.03 | |
| Carcasa del ventilador | ||||
| 42 | 2391202551 | 2.28 | 2.76 | |
| Ya no disponible, sin reemplazo | ||||
| 43 | 2391203442 | |||
| Ya no disponible, sin reemplazo | ||||
| 44 | 6143036802 | |||
| Tuerca hexagonal | ||||
| 45 | 141130100 | 1.56 | 1.89 | |
| Ya no disponible, sin reemplazo | ||||
| 46 | 8216656297 | |||
| No hay información disponible, no se puede pedir | ||||
| 48 | 2390202787 | |||
| Ya no disponible, sin reemplazo | ||||
| 50 | 2391202853 | |||
| Ya no disponible, sin reemplazo | ||||
| 51 | 2391202926 | |||
| Ya no disponible, sin reemplazo | ||||
| 52 | 1010656300 | |||
| No hay información disponible, no se puede pedir | ||||
| 53 | 6131070290 | |||
| Tuerca hexagonal autoblocante | ||||
| 54 | 6202002305 | 1.56 | 1.89 | |
| No hay información disponible, no se puede pedir | ||||
| 55 | 2391202683 | |||
| No hay información disponible, no se puede pedir | ||||
| 56 | 1485208581 | |||
| No hay información disponible, no se puede pedir | ||||
| 57 | 6306028063 | |||
| Puntero RAL 3000-3003 | ||||
| 62 | 2391203523 | 1.56 | 1.89 | |
| Palanca del mandril OSC 18 | ||||
| 63 | 7006028220 | 13.48 | 16.31 | |
| No hay información disponible, no se puede pedir | ||||
| 64 | 6127027992 | |||
| ARANDELA DE MUELLE 25,0X12,2X1,5 A25/GR2 | ||||
| 65 | 7053028238 | 1.67 | 2.02 | |
| No hay información disponible, no se puede pedir | ||||
| 66 | 6205028038 | |||
| Arandela | ||||
| 67 | 141156740 | 1.56 | 1.89 | |
| No hay información disponible, no se puede pedir | ||||
| 68 | 141120030 | |||
| Llave de Casquillo Hexagonal | ||||
| 69 | 9102017894 | 1.55 | 1.88 | |
| No hay información disponible, no se puede pedir | ||||
| 70 | 6300084859 | |||
| No hay información disponible, no se puede pedir | ||||
| 75 | 1010019067 | |||
| Tornillo hexagonal M 6X16 doblado. Revestimiento d | ||||
| 76 | 6103001356 | 1.56 | 1.89 | |
| Ya no disponible, sin reemplazo | ||||
| 77 | 2381715992 | |||
| Tuerca hexagonal autoblocante | ||||
| 79 | 6202128341 | 1.56 | 1.89 | |
| Buffer de inserción | ||||
| 80 | 2391203906 | 1.56 | 1.89 | |
| Ya no disponible, sin reemplazo | ||||
| 81 | 7051210284 | |||
| TORNILLO DE PERILLA ESTRELLA RD40/M6X23 (DIN 933) | ||||
| 82 | 7001017769 | 1.67 | 2.02 | |
| No hay información disponible, no se puede pedir | ||||
| 84 | 7051204314 | |||
| No hay información disponible, no se puede pedir | ||||
| 85 | 1010141288 | |||
| Eje V. Tapa | ||||
| 87 | 1385209408 | 32.27 | 39.05 | |
| No hay información disponible, no se puede pedir | ||||
| 88 | 1485209421 | |||
| No hay información disponible, no se puede pedir | ||||
| 89 | 6306110550 | |||
| Ya no disponible, sin reemplazo | ||||
| 90 | 1010128451 | |||
| Llave de Casquillo Hexagonal | ||||
| 91 | 9102043577 | 3.02 | 3.65 | |
| Tornillo de cabeza cilíndrica | ||||
| 92 | 141113840 | 1.68 | 2.03 | |
| No hay información disponible, no se puede pedir | ||||
| 93 | 1482212650 | |||
| No hay información disponible, no se puede pedir | ||||
| 94 | 1395202606 | |||
| No hay información disponible, no se puede pedir | ||||
| 96 | 1380656465 | |||
| No hay información disponible, no se puede pedir | ||||
| 100 | 7854050758 | |||
| Ya no disponible, sin reemplazo | ||||
| 101 | 7811061926 | |||
| Ya no disponible, sin reemplazo | ||||
| 102 | 141110270 | |||
| Ya no disponible, sin reemplazo | ||||
| 103 | 2391203558 | |||
| Ya no disponible, sin reemplazo | ||||
| 105 | 2391203540 | |||
| No hay información disponible, no se puede pedir | ||||
| 106 | 6168029746 | |||
| Ya no disponible, sin reemplazo | ||||
| 107 | 1142214322 | |||
| Tornillo avellanado | ||||
| 108 | 6172091014 | 1.56 | 1.89 | |
| Ya no disponible, sin reemplazo | ||||
| 109 | 1380654098 | |||
| No hay información disponible, no se puede pedir | ||||
| 110 | 1010657586 | |||
| Ya no disponible, sin reemplazo | ||||
| 111 | 2391202640 | |||
| Arandela de bloqueo dentada | ||||
| 113 | 141150410 | 1.68 | 2.03 | |
| Ya no disponible, sin reemplazo | ||||
| 115 | 1482210348 | |||
| Tornillo de cabeza cilíndrica | ||||
| 116 | 6121023081 | 1.56 | 1.89 | |
| Ya no disponible, sin reemplazo | ||||
| 119 | 2391202772 | |||
| No hay información disponible, no se puede pedir | ||||
| 120 | 1380653997 | |||
| No hay información disponible, no se puede pedir | ||||
| 121 | 1395202657 | |||
| No hay información disponible, no se puede pedir | ||||
| 122 | 2393203156 | |||
| Tornillo de cabeza cilíndrica | ||||
| 123 | 6127059207 | 1.56 | 1.89 | |
| Ya no disponible, sin reemplazo | ||||
| 124 | 2390203040 | |||
| Tuerca de seguridad hexagonal | ||||
| 125 | 141130650 | 1.68 | 2.03 | |
| Arandela | ||||
| 126 | 141151940 | 1.56 | 1.89 | |
| Ya no disponible, sin reemplazo | ||||
| 127 | 7001203104 | |||
| Resorte de compresión | ||||
| 130 | 7051202931 | 5.87 | 7.10 | |
| Resorte de disco | ||||
| 131 | 141155660 | 1.56 | 1.89 | |
| No hay información disponible, no se puede pedir | ||||
| 132 | 1010013816 | |||
| No hay información disponible, no se puede pedir | ||||
| 135 | 1141203068 | |||
| No hay información disponible, no se puede pedir | ||||
| 136 | 1380656899 | |||
| No hay información disponible, no se puede pedir | ||||
| 137 | 7056671069 | |||
| Tuerca hexagonal autoblocante | ||||
| 139 | 6202024139 | 1.56 | 1.89 | |
| Amortiguador de vibración | ||||
| 141 | 7058028481 | 3.02 | 3.65 | |
| Tuerca de brida | ||||
| 142 | 6209114230 | 1.56 | 1.89 | |
| No hay información disponible, no se puede pedir | ||||
| 143 | 2391203752 | |||
| TORNILLO AUTOPERFORANTE M.CABEZA CRUZADA ST 4,2X32 | ||||
| 144 | 6172006963 | 1.55 | 1.88 | |
| Tornillo avellanado | ||||
| 145 | 6172001821 | 1.56 | 1.89 | |
| No hay información disponible, no se puede pedir | ||||
| 146 | 2391203728 | |||