Aquí encontrará todas las piezas y dibujos técnicos disponibles de 'Metabo 0230137000-10 ( MEGA370/100W230/1/50 )'. Desde aquí podrá pedir todas las piezas deseadas directamente. Para muchas piezas de repuesto, es necesario pasar un pedido al fabricante. Dependiendo de la marca, el plazo de entrega puede variar entre una y cuatro semanas. Toda la información que tenemos está en nuestro sitio web. No podremos aconsejarle sobre lo que necesita hasta que entregue la máquina para su reparación. Tenga en cuenta lo siguiente a la hora de cursar su pedido:
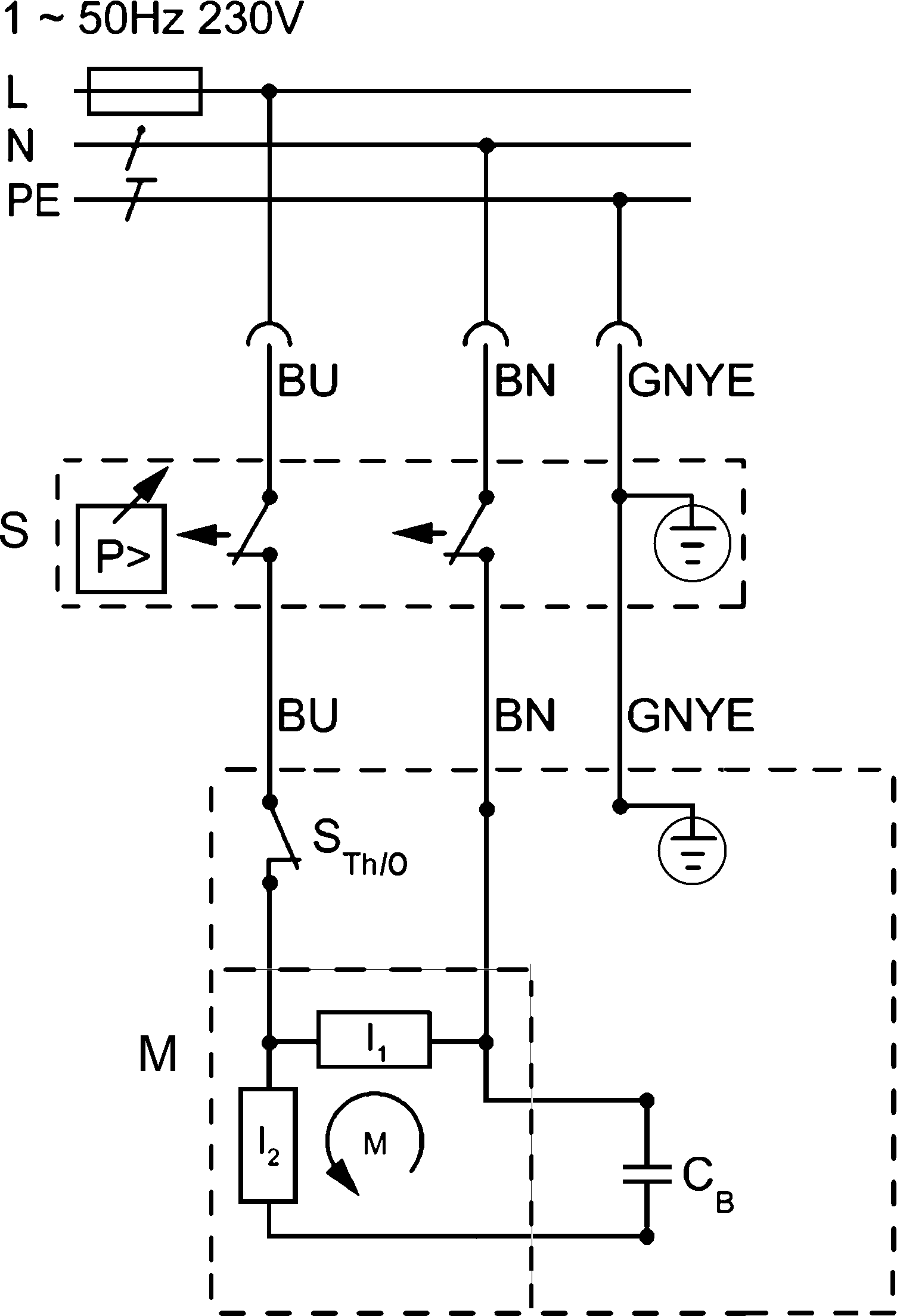
Dibujo técnico de los/las Metabo 0230137000-10 ( MEGA370/100W230/1/50 )
Lista de las piezas de repuesto de Metabo 0230137000-10 ( MEGA370/100W230/1/50 )
| Pos. | Descripción | Precio con el IVA excluido | Precio con el IVA incluido | |
| Los precios mostrados incluyen el IVA | ||||
| Válvula de drenaje 2,2 bar 1/8"A | ||||
| 52 | 1319741123 | 13.48 | 16.31 | |
| Conjunto de ruedas completo | ||||
| 101 | 316050560 | 74.13 | 89.70 | |
| Rueda 200x47 | ||||
| 102 | 7270744091 | 24.23 | 29.32 | |
| TUBO PARA MANGO ET | ||||
| 104 | 1317723624 | 37.65 | 45.56 | |
| VÁLVULA DE RETENCIÓN 3/4" | ||||
| 105 | 7831740927 | 43.15 | 52.21 | |
| No hay información disponible, no se puede pedir | ||||
| 106 | 7802009105 | |||
| VÁLVULA DE DRENAJE DE AGUA R 1/4" | ||||
| 107 | 7830740931 | 32.27 | 39.05 | |
| Válvula reductora | ||||
| 108 | 341164940 | 175.84 | 212.77 | |
| Manómetro | ||||
| 109 | 343440400 | 32.27 | 39.05 | |
| Válvula de seguridad | ||||
| 110 | 341164980 | 74.13 | 89.70 | |
| DOBLE PEZÓN ET | ||||
| 112 | 7808684564 | 16.25 | 19.66 | |
| MANGO GIRATORIO RD 20 ET | ||||
| 117 | 7008679490 | 32.27 | 39.05 | |
| Polea de correa en V 90x1A ET | ||||
| 125 | 7240633579 | 53.86 | 65.17 | |
| No hay información disponible, no se puede pedir | ||||
| 126 | 7230740954 | |||
| Manguera de plástico | ||||
| 127 | 316061030 | 21.64 | 26.18 | |
| REGULADOR DE PRESIÓN 3/8" | ||||
| 131 | 8101740979 | 94.12 | 113.89 | |
| CABLE CON ENCHUFE | ||||
| 132 | 344500050 | 43.15 | 52.21 | |
| MOTOR 1,50KW | ||||
| 135 | 8013741019 | 809.10 | 979.01 | |
| Protección térmica | ||||
| 138 | 343409690 | 26.95 | 32.61 | |
| PROTECTOR DE CINTURÓN LADO DEL MOTOR | ||||
| 141 | 1381741377 | 24.23 | 29.32 | |
| Rejilla de protección falta en este idioma | ||||
| 142 | 344112780 | 43.15 | 52.21 | |
| TUBERÍA DE PRESIÓN | ||||
| 145 | 1001741400 | 21.64 | 26.18 | |
| JUNTA ET | ||||
| 900 | 1319731870 | 175.84 | 212.77 | |
| No hay información disponible, no se puede pedir | ||||
| 901 | 1319741050 | |||
| Cigüeñal con rodamiento | ||||
| 902 | 1319741034 | 161.61 | 195.55 | |
| TAPA DE LA CARCASA CON SELLO | ||||
| 903 | 1310741040 | 94.12 | 113.89 | |
| JUNTA ET | ||||
| 904 | 1319731900 | 405.62 | 490.80 | |
| Tapa de rodamiento completa | ||||
| 905 | 1319741077 | 74.13 | 89.70 | |
| Cabeza del cilindro ET | ||||
| 906 | 1319738084 | 148.53 | 179.72 | |
| Rueda del ventilador RD 280 | ||||
| 907 | 1319741085 | 175.84 | 212.77 | |
| Junta | ||||
| 909 | 1319741387 | 100.74 | 121.90 | |
| Ventilación y cristal de nivel de aceite | ||||
| 910 | 1319741093 | 60.59 | 73.31 | |
| FILTRO DE AIRE COMPLETO | ||||
| 911 | 7825741393 | 80.81 | 97.78 | |
| Anillos de pistón completos | ||||
| 912 | 1319741069 | 74.13 | 89.70 | |