Aquí encontrará todas las piezas y dibujos técnicos disponibles de 'Metabo 0290031001-11 ( MULTI310G-W )'. Desde aquí podrá pedir todas las piezas deseadas directamente. Para muchas piezas de repuesto, es necesario pasar un pedido al fabricante. Dependiendo de la marca, el plazo de entrega puede variar entre una y cuatro semanas. Toda la información que tenemos está en nuestro sitio web. No podremos aconsejarle sobre lo que necesita hasta que entregue la máquina para su reparación. Tenga en cuenta lo siguiente a la hora de cursar su pedido:
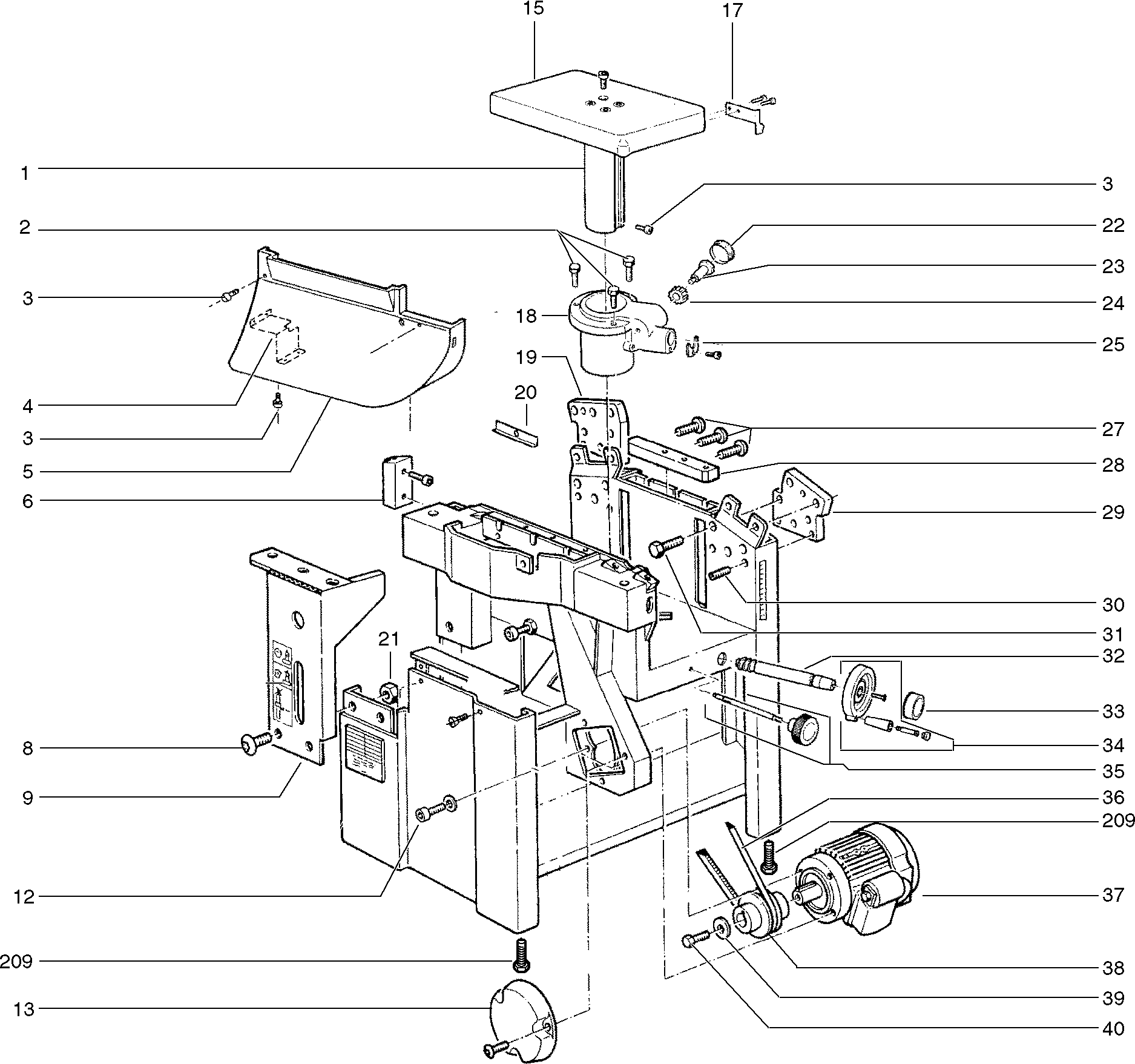
Dibujo técnico de los/las Metabo 0290031001-11 ( MULTI310G-W )
Lista de las piezas de repuesto de Metabo 0290031001-11 ( MULTI310G-W )
| Pos. | Descripción | Precio con el IVA excluido | Precio con el IVA incluido | |
| Los precios mostrados incluyen el IVA | ||||
| No hay información disponible, no se puede pedir | ||||
| 1 | 1380672711 | |||
| No hay información disponible, no se puede pedir | ||||
| 2 | 6103668253 | |||
| Tornillo de cabeza cilíndrica | ||||
| 3 | 141111070 | 1.56 | 1.89 | |
| No hay información disponible, no se puede pedir | ||||
| 4 | 1382672727 | |||
| No hay información disponible, no se puede pedir | ||||
| 5 | 1382672735 | |||
| No hay información disponible, no se puede pedir | ||||
| 6 | 1385672744 | |||
| No hay información disponible, no se puede pedir | ||||
| 8 | 6123667261 | |||
| No hay información disponible, no se puede pedir | ||||
| 9 | 1380672762 | |||
| Tornillo de cabeza cilíndrica | ||||
| 12 | 141113870 | 1.68 | 2.03 | |
| No hay información disponible, no se puede pedir | ||||
| 13 | 1381672790 | |||
| No hay información disponible, no se puede pedir | ||||
| 15 | 1380672800 | |||
| No hay información disponible, no se puede pedir | ||||
| 17 | 1382672816 | |||
| No hay información disponible, no se puede pedir | ||||
| 18 | 1380672827 | |||
| No hay información disponible, no se puede pedir | ||||
| 19 | 1380672835 | |||
| No hay información disponible, no se puede pedir | ||||
| 20 | 1382672840 | |||
| No hay información disponible, no se puede pedir | ||||
| 21 | 141111420 | |||
| No hay información disponible, no se puede pedir | ||||
| 22 | 1381659379 | |||
| No hay información disponible, no se puede pedir | ||||
| 23 | 1385659276 | |||
| No hay información disponible, no se puede pedir | ||||
| 24 | 1385659314 | |||
| No hay información disponible, no se puede pedir | ||||
| 25 | 1382659330 | |||
| No hay información disponible, no se puede pedir | ||||
| 27 | 6123666885 | |||
| No hay información disponible, no se puede pedir | ||||
| 28 | 1380672860 | |||
| No hay información disponible, no se puede pedir | ||||
| 29 | 1380672878 | |||
| Pasador cónico con cono Morse M 6X20 Chapado | ||||
| 30 | 141124480 | 1.56 | 1.89 | |
| No hay información disponible, no se puede pedir | ||||
| 31 | 141114020 | |||
| No hay información disponible, no se puede pedir | ||||
| 32 | 1385672884 | |||
| No hay información disponible, no se puede pedir | ||||
| 33 | 1388672893 | |||
| No hay información disponible, no se puede pedir | ||||
| 34 | 1011672902 | |||
| No hay información disponible, no se puede pedir | ||||
| 35 | 1011672910 | |||
| No hay información disponible, no se puede pedir | ||||
| 36 | 7230672924 | |||
| No hay información disponible, no se puede pedir | ||||
| 37 | 8013672939 | |||
| No hay información disponible, no se puede pedir | ||||
| 38 | 1385672957 | |||
| No hay información disponible, no se puede pedir | ||||
| 39 | 1382672964 | |||
| No hay información disponible, no se puede pedir | ||||
| 41 | 1382672972 | |||
| No hay información disponible, no se puede pedir | ||||
| 42 | 7203672980 | |||
| No hay información disponible, no se puede pedir | ||||
| 43 | 1388672990 | |||
| No hay información disponible, no se puede pedir | ||||
| 44 | 1388673008 | |||
| No hay información disponible, no se puede pedir | ||||
| 46 | 1380673017 | |||
| No hay información disponible, no se puede pedir | ||||
| 47 | 1385670059 | |||
| No hay información disponible, no se puede pedir | ||||
| 48 | 6341670045 | |||
| No hay información disponible, no se puede pedir | ||||
| 49 | 1380673025 | |||
| No hay información disponible, no se puede pedir | ||||
| 50 | 6503670141 | |||
| No hay información disponible, no se puede pedir | ||||
| 51 | 7246673033 | |||
| No hay información disponible, no se puede pedir | ||||
| 52 | 7246673041 | |||
| No hay información disponible, no se puede pedir | ||||
| 53 | 1380673050 | |||
| No hay información disponible, no se puede pedir | ||||
| 54 | 1385673066 | |||
| No hay información disponible, no se puede pedir | ||||
| 55 | 1385673074 | |||
| No hay información disponible, no se puede pedir | ||||
| 56 | 7051673080 | |||
| No hay información disponible, no se puede pedir | ||||
| 58 | 1388666753 | |||
| No hay información disponible, no se puede pedir | ||||
| 59 | 1382666867 | |||
| No hay información disponible, no se puede pedir | ||||
| 60 | 1382673090 | |||
| No hay información disponible, no se puede pedir | ||||
| 61 | 6143667535 | |||
| No hay información disponible, no se puede pedir | ||||
| 62 | 1385673104 | |||
| No hay información disponible, no se puede pedir | ||||
| 63 | 1382673111 | |||
| Arandela | ||||
| 64 | 141151940 | 1.56 | 1.89 | |
| Tornillo hexagonal | ||||
| 65 | 141110290 | 1.68 | 2.03 | |
| Ya no disponible, sin reemplazo | ||||
| 66 | 6341671203 | |||
| No hay información disponible, no se puede pedir | ||||
| 67 | 1380673122 | |||
| No hay información disponible, no se puede pedir | ||||
| 68 | 1011673135 | |||
| No hay información disponible, no se puede pedir | ||||
| 69 | 9431673140 | |||
| Tuerca hexagonal | ||||
| 70 | 141130100 | 1.56 | 1.89 | |
| Anillo de bloqueo | ||||
| 71 | 141180120 | 1.68 | 2.03 | |
| No hay información disponible, no se puede pedir | ||||
| 72 | 6341671556 | |||
| No hay información disponible, no se puede pedir | ||||
| 73 | 1382673154 | |||
| Tornillo de cabeza cilíndrica | ||||
| 74 | 141114010 | 1.56 | 1.89 | |
| Ya no disponible, sin reemplazo | ||||
| 75 | 1388667547 | |||
| No hay información disponible, no se puede pedir | ||||
| 76 | 1385673163 | |||
| No hay información disponible, no se puede pedir | ||||
| 77 | 1385673171 | |||
| No hay información disponible, no se puede pedir | ||||
| 78 | 1380673181 | |||
| Tuerca de seguridad hexagonal | ||||
| 79 | 141130650 | 1.68 | 2.03 | |
| No hay información disponible, no se puede pedir | ||||
| 80 | 1381673193 | |||
| Tuerca hexagonal | ||||
| 81 | 141130070 | 1.56 | 1.89 | |
| Ya no disponible, sin reemplazo | ||||
| 82 | 6341669977 | |||
| No hay información disponible, no se puede pedir | ||||
| 83 | 7051673209 | |||
| No hay información disponible, no se puede pedir | ||||
| 84 | 7140673212 | |||
| No hay información disponible, no se puede pedir | ||||
| 85 | 7100093418 | |||
| No hay información disponible, no se puede pedir | ||||
| 86 | 0920054048 | |||
| No hay información disponible, no se puede pedir | ||||
| 87 | 1385659276 | |||
| No hay información disponible, no se puede pedir | ||||
| 88 | 1382673227 | |||
| No hay información disponible, no se puede pedir | ||||
| 89 | 1388673237 | |||
| No hay información disponible, no se puede pedir | ||||
| 90 | 1380673246 | |||
| No hay información disponible, no se puede pedir | ||||
| 92 | 6341673257 | |||
| No hay información disponible, no se puede pedir | ||||
| 94 | 1385673260 | |||
| Tuerca hexagonal autoblocante | ||||
| 96 | 6202002305 | 1.56 | 1.89 | |
| SCHOTELVEER | ||||
| 97 | 141155990 | 2.28 | 2.76 | |
| No hay información disponible, no se puede pedir | ||||
| 98 | 1388666761 | |||
| Tornillo hexagonal | ||||
| 99 | 6103001178 | 1.56 | 1.89 | |
| No hay información disponible, no se puede pedir | ||||
| 100 | 7050670214 | |||
| No hay información disponible, no se puede pedir | ||||
| 101 | 1381673282 | |||
| No hay información disponible, no se puede pedir | ||||
| 102 | 1382673294 | |||
| No hay información disponible, no se puede pedir | ||||
| 103 | 8113673304 | |||
| No hay información disponible, no se puede pedir | ||||
| 105 | 1011671930 | |||
| No hay información disponible, no se puede pedir | ||||
| 106 | 1011671949 | |||
| No hay información disponible, no se puede pedir | ||||
| 110 | 1381673312 | |||
| No hay información disponible, no se puede pedir | ||||
| 111 | 1010673328 | |||
| Tuerca hexagonal | ||||
| 112 | 141130130 | 1.68 | 2.03 | |
| No hay información disponible, no se puede pedir | ||||
| 113 | 6161673330 | |||
| No hay información disponible, no se puede pedir | ||||
| 114 | 1381673347 | |||
| No hay información disponible, no se puede pedir | ||||
| 115 | 1380673351 | |||
| No hay información disponible, no se puede pedir | ||||
| 116 | 1380673360 | |||
| No hay información disponible, no se puede pedir | ||||
| 117 | 1011673372 | |||
| No hay información disponible, no se puede pedir | ||||
| 118 | 1381669277 | |||
| No hay información disponible, no se puede pedir | ||||
| 120 | 1385673384 | |||
| No hay información disponible, no se puede pedir | ||||
| 121 | 1382673391 | |||
| No hay información disponible, no se puede pedir | ||||
| 122 | 1382673405 | |||
| No hay información disponible, no se puede pedir | ||||
| 123 | 6121000952 | |||
| No hay información disponible, no se puede pedir | ||||
| 124 | 1381673410 | |||
| No hay información disponible, no se puede pedir | ||||
| 125 | 1385673422 | |||
| No hay información disponible, no se puede pedir | ||||
| 126 | 1385673430 | |||
| Tuerca hexagonal | ||||
| 127 | 141131010 | 1.56 | 1.89 | |
| Ya no disponible, sin reemplazo | ||||
| 128 | 1382673448 | |||
| No hay información disponible, no se puede pedir | ||||
| 129 | 7001124212 | |||
| No hay información disponible, no se puede pedir | ||||
| 131 | 1385673465 | |||
| Tornillo hexagonal | ||||
| 132 | 141110260 | 1.56 | 1.89 | |
| No hay información disponible, no se puede pedir | ||||
| 140 | 1380668145 | |||
| No hay información disponible, no se puede pedir | ||||
| 141 | 1382673472 | |||
| No hay información disponible, no se puede pedir | ||||
| 142 | 1382668126 | |||
| No hay información disponible, no se puede pedir | ||||
| 143 | 1380671170 | |||
| Tornillo hexagonal | ||||
| 144 | 6103001267 | 7.22 | 8.74 | |
| Anillo de bloqueo | ||||
| 145 | 141180020 | 1.56 | 1.89 | |
| No hay información disponible, no se puede pedir | ||||
| 146 | 1382673480 | |||
| No hay información disponible, no se puede pedir | ||||
| 147 | 1385673490 | |||
| No hay información disponible, no se puede pedir | ||||
| 149 | 1382673502 | |||
| No hay información disponible, no se puede pedir | ||||
| 151 | 1382673529 | |||
| No hay información disponible, no se puede pedir | ||||
| 152 | 1382673537 | |||
| No hay información disponible, no se puede pedir | ||||
| 153 | 1010673549 | |||
| No hay información disponible, no se puede pedir | ||||
| 154 | 1380673556 | |||
| No hay información disponible, no se puede pedir | ||||
| 155 | 6162091288 | |||
| No hay información disponible, no se puede pedir | ||||
| 156 | 1388667644 | |||
| No hay información disponible, no se puede pedir | ||||
| 157 | 1380673564 | |||
| No hay información disponible, no se puede pedir | ||||
| 158 | 1385673570 | |||
| No hay información disponible, no se puede pedir | ||||
| 159 | 6341669969 | |||
| Ya no disponible, sin reemplazo | ||||
| 160 | 1381673584 | |||
| No hay información disponible, no se puede pedir | ||||
| 161 | 1385673597 | |||
| No hay información disponible, no se puede pedir | ||||
| 162 | 1388673601 | |||
| No hay información disponible, no se puede pedir | ||||
| 163 | 1381678330 | |||
| No hay información disponible, no se puede pedir | ||||
| 164 | 1385673619 | |||
| No hay información disponible, no se puede pedir | ||||
| 167 | 1382184331 | |||
| Tuerca hexagonal | ||||
| 168 | 141132030 | 1.56 | 1.89 | |
| No hay información disponible, no se puede pedir | ||||
| 169 | 1385673635 | |||
| No hay información disponible, no se puede pedir | ||||
| 170 | 1385673643 | |||
| Tuerca hexagonal | ||||
| 171 | 141131980 | 1.56 | 1.89 | |
| Anillo de bloqueo | ||||
| 172 | 141180190 | 1.56 | 1.89 | |
| No hay información disponible, no se puede pedir | ||||
| 173 | 1388673679 | |||
| No hay información disponible, no se puede pedir | ||||
| 174 | 1385673686 | |||
| No hay información disponible, no se puede pedir | ||||
| 175 | 6401121364 | |||
| No hay información disponible, no se puede pedir | ||||
| 176 | 6121151608 | |||
| No hay información disponible, no se puede pedir | ||||
| 177 | 1382673693 | |||
| No hay información disponible, no se puede pedir | ||||
| 178 | 7240673708 | |||
| No hay información disponible, no se puede pedir | ||||
| 179 | 1385673716 | |||
| Tornillo hexagonal | ||||
| 180 | 141110320 | 1.68 | 2.03 | |
| No hay información disponible, no se puede pedir | ||||
| 182 | 1380673726 | |||
| No hay información disponible, no se puede pedir | ||||
| 183 | 1385673732 | |||
| TORNILLO DE CABEZA CILÍNDRICA M. HEXAGONAL INTERNO | ||||
| 184 | 6127056666 | 1.68 | 2.03 | |
| Ya no disponible, sin reemplazo | ||||
| 185 | 1388666770 | |||
| No hay información disponible, no se puede pedir | ||||
| 186 | 1382673740 | |||
| No hay información disponible, no se puede pedir | ||||
| 187 | 1380673750 | |||
| No hay información disponible, no se puede pedir | ||||
| 190 | 7003659342 | |||
| No hay información disponible, no se puede pedir | ||||
| 192 | 8013673773 | |||
| No hay información disponible, no se puede pedir | ||||
| 194 | 7006029730 | |||
| No hay información disponible, no se puede pedir | ||||
| 196 | 1382673804 | |||
| No hay información disponible, no se puede pedir | ||||
| 197 | 7240673813 | |||
| No hay información disponible, no se puede pedir | ||||
| 198 | 1385673821 | |||
| No hay información disponible, no se puede pedir | ||||
| 199 | 1388668195 | |||
| Tornillo avellanado | ||||
| 201 | 141118780 | 1.56 | 1.89 | |
| No hay información disponible, no se puede pedir | ||||
| 202 | 1388673830 | |||
| No hay información disponible, no se puede pedir | ||||
| 203 | 1385673848 | |||
| No hay información disponible, no se puede pedir | ||||
| 204 | 6200002278 | |||
| No hay información disponible, no se puede pedir | ||||
| 205 | 1385673856 | |||
| No hay información disponible, no se puede pedir | ||||
| 206 | 1385671586 | |||
| No hay información disponible, no se puede pedir | ||||
| 207 | 1385673864 | |||
| No hay información disponible, no se puede pedir | ||||
| 208 | 1380673874 | |||
| No hay información disponible, no se puede pedir | ||||
| 209 | 6103001224 | |||
| No hay información disponible, no se puede pedir | ||||
| 210 | 1385673880 | |||
| Ya no disponible, sin reemplazo | ||||
| 211 | 1385670334 | |||
| No hay información disponible, no se puede pedir | ||||
| 212 | 7247670348 | |||
| No hay información disponible, no se puede pedir | ||||
| 213 | 1380673890 | |||
| No hay información disponible, no se puede pedir | ||||
| 214 | 1385673902 | |||
| No hay información disponible, no se puede pedir | ||||
| 215 | 1382673910 | |||
| STARLOCK M. TAPA RD 12 | ||||
| 216 | 7016025628 | 1.67 | 2.02 | |
| No hay información disponible, no se puede pedir | ||||
| 218 | 1385673929 | |||
| No hay información disponible, no se puede pedir | ||||
| 220 | 1382673936 | |||
| No hay información disponible, no se puede pedir | ||||
| 221 | 8116671680 | |||
| Tornillo de cabeza cilíndrica con hexágono interio | ||||
| 222 | 6121016557 | 1.56 | 1.89 | |
| No hay información disponible, no se puede pedir | ||||
| 223 | 1385670385 | |||
| Tornillo de cabeza cilíndrica | ||||
| 229 | 141113690 | 1.68 | 2.03 | |
| No hay información disponible, no se puede pedir | ||||
| 230 | 1388673954 | |||
| No hay información disponible, no se puede pedir | ||||
| 231 | 1385673961 | |||
| No hay información disponible, no se puede pedir | ||||
| 232 | 1385673970 | |||
| No hay información disponible, no se puede pedir | ||||
| 233 | 6162091288 | |||
| No hay información disponible, no se puede pedir | ||||
| 234 | 1388673989 | |||
| No hay información disponible, no se puede pedir | ||||
| 235 | 1388673997 | |||
| No hay información disponible, no se puede pedir | ||||
| 236 | 1388674004 | |||
| No hay información disponible, no se puede pedir | ||||
| 237 | 6341674016 | |||
| No hay información disponible, no se puede pedir | ||||
| 238 | 1382674029 | |||
| No hay información disponible, no se puede pedir | ||||
| 239 | 7009674343 | |||
| No hay información disponible, no se puede pedir | ||||
| 240 | 1382674037 | |||
| No hay información disponible, no se puede pedir | ||||
| 241 | 1388674047 | |||
| No hay información disponible, no se puede pedir | ||||
| 242 | 1382674053 | |||
| No hay información disponible, no se puede pedir | ||||
| 243 | 6161000971 | |||
| Tornillo de cabeza cilíndrica | ||||
| 244 | 141114000 | 1.68 | 2.03 | |
| No hay información disponible, no se puede pedir | ||||
| 245 | 6123667270 | |||
| No hay información disponible, no se puede pedir | ||||
| 246 | 1382674061 | |||
| No hay información disponible, no se puede pedir | ||||
| 247 | 1382674070 | |||
| No hay información disponible, no se puede pedir | ||||
| 248 | 1383674081 | |||
| No hay información disponible, no se puede pedir | ||||
| 249 | 1381674092 | |||
| No hay información disponible, no se puede pedir | ||||
| 250 | 1388668888 | |||
| No hay información disponible, no se puede pedir | ||||
| 251 | 1482674107 | |||
| Tuerca de seguridad hexagonal | ||||
| 252 | 141130930 | 1.56 | 1.89 | |
| No hay información disponible, no se puede pedir | ||||
| 253 | 1482674115 | |||
| No hay información disponible, no se puede pedir | ||||
| 254 | 1482674123 | |||
| No hay información disponible, no se puede pedir | ||||
| 255 | 1382674134 | |||
| No hay información disponible, no se puede pedir | ||||
| 256 | 1011672023 | |||
| No hay información disponible, no se puede pedir | ||||
| 257 | 1142674145 | |||
| No hay información disponible, no se puede pedir | ||||
| 258 | 1383674154 | |||
| No hay información disponible, no se puede pedir | ||||
| 259 | 141112310 | |||
| No hay información disponible, no se puede pedir | ||||
| 260 | 1384672031 | |||
| No hay información disponible, no se puede pedir | ||||
| 261 | 1383674162 | |||
| No hay información disponible, no se puede pedir | ||||
| 262 | 1011659400 | |||
| TORNILLO DE PERILLA ESTRELLA RD40/M6X23 (DIN 933) | ||||
| 263 | 7001017769 | 1.67 | 2.02 | |
| No hay información disponible, no se puede pedir | ||||
| 264 | 1010674170 | |||
| No hay información disponible, no se puede pedir | ||||
| 265 | 1383670434 | |||
| No hay información disponible, no se puede pedir | ||||
| 266 | 1141680150 | |||
| No hay información disponible, no se puede pedir | ||||
| 267 | 1383674197 | |||
| No hay información disponible, no se puede pedir | ||||
| 268 | 1381674203 | |||
| No hay información disponible, no se puede pedir | ||||
| 269 | 7009669404 | |||
| No hay información disponible, no se puede pedir | ||||
| 271 | 1383674219 | |||
| No hay información disponible, no se puede pedir | ||||
| 272 | 1383674227 | |||
| No hay información disponible, no se puede pedir | ||||
| 275 | 1383674243 | |||
| No hay información disponible, no se puede pedir | ||||
| 276 | 1383674251 | |||
| No hay información disponible, no se puede pedir | ||||
| 277 | 6341670282 | |||
| No hay información disponible, no se puede pedir | ||||
| 278 | 1388674268 | |||
| No hay información disponible, no se puede pedir | ||||
| 279 | 1383674278 | |||
| No hay información disponible, no se puede pedir | ||||
| 281 | 1382674282 | |||
| No hay información disponible, no se puede pedir | ||||
| 282 | 1382674290 | |||
| No hay información disponible, no se puede pedir | ||||
| 283 | 1382670406 | |||
| No hay información disponible, no se puede pedir | ||||
| 284 | 1010678672 | |||
| No hay información disponible, no se puede pedir | ||||
| 285 | 6103087676 | |||
| No hay información disponible, no se puede pedir | ||||
| 286 | 1385674305 | |||
| Tornillo de cabeza cilíndrica | ||||
| 288 | 141113720 | 1.68 | 2.03 | |
| No hay información disponible, no se puede pedir | ||||
| 289 | 1383674316 | |||
| No hay información disponible, no se puede pedir | ||||
| 290 | 1382674320 | |||
| No hay información disponible, no se puede pedir | ||||
| 291 | 1382674339 | |||
| No hay información disponible, no se puede pedir | ||||
| 292 | 6132158523 | |||
| No hay información disponible, no se puede pedir | ||||
| 293 | 1385674356 | |||
| No hay información disponible, no se puede pedir | ||||
| 294 | 1381674360 | |||
| No hay información disponible, no se puede pedir | ||||
| 295 | 1382674371 | |||
| No hay información disponible, no se puede pedir | ||||
| 296 | 1382674380 | |||
| Ya no disponible, sin reemplazo | ||||
| 297 | 1388669540 | |||
| TUERCA DE BOTÓN DE ESTRELLA M 6 (DIN 934) GALVANIZ | ||||
| 298 | 7000025466 | 1.67 | 2.02 | |
| Ya no disponible, sin reemplazo | ||||
| 299 | 1385672043 | |||
| Ya no disponible, sin reemplazo | ||||
| 301 | 1382672069 | |||
| Tornillo de cabeza cilíndrica | ||||
| 302 | 141114030 | 1.56 | 1.89 | |
| Ya no disponible, sin reemplazo | ||||
| 303 | 1385672078 | |||
| Ya no disponible, sin reemplazo | ||||
| 304 | 1385672086 | |||
| Ya no disponible, sin reemplazo | ||||
| 305 | 1385672094 | |||
| Ya no disponible, sin reemplazo | ||||
| 306 | 1382672107 | |||
| No hay información disponible, no se puede pedir | ||||
| 307 | 6131001531 | |||
| Ya no disponible, sin reemplazo | ||||
| 308 | 1382672115 | |||
| TORNILLO DE PERILLA ESTRELLA RD40/M8X28 (DIN 933) | ||||
| 309 | 7001017777 | 2.28 | 2.76 | |
| Tuerca de tapa M 4 VERZ. | ||||
| 310 | 6201001437 | 1.56 | 1.89 | |
| Ya no disponible, sin reemplazo | ||||
| 311 | 1142672126 | |||
| Ya no disponible, sin reemplazo | ||||
| 312 | 1382672131 | |||
| No hay información disponible, no se puede pedir | ||||
| 313 | 1010678532 | |||
| No hay información disponible, no se puede pedir | ||||
| 316 | 1385682294 | |||
| No hay información disponible, no se puede pedir | ||||
| 317 | 1382682307 | |||
| No hay información disponible, no se puede pedir | ||||
| 334 | 1382674436 | |||
| No hay información disponible, no se puede pedir | ||||
| 335 | 8109674401 | |||
| No hay información disponible, no se puede pedir | ||||
| 336 | 8104674416 | |||
| No hay información disponible, no se puede pedir | ||||
| 337 | 8005674426 | |||
| No hay información disponible, no se puede pedir | ||||
| 338 | 1381674440 | |||
| No hay información disponible, no se puede pedir | ||||
| 339 | 8191674457 | |||
| No hay información disponible, no se puede pedir | ||||
| 340 | 8191674465 | |||
| No hay información disponible, no se puede pedir | ||||
| 341 | 1382674479 | |||
| No hay información disponible, no se puede pedir | ||||
| 342 | 1382674487 | |||
| No hay información disponible, no se puede pedir | ||||
| 343 | 8112674498 | |||
| No hay información disponible, no se puede pedir | ||||
| 344 | 8056674501 | |||
| No hay información disponible, no se puede pedir | ||||
| 347 | 8116674530 | |||
| No hay información disponible, no se puede pedir | ||||
| 348 | 8191674635 | |||
| No hay información disponible, no se puede pedir | ||||
| 350 | 1010681843 | |||
| No hay información disponible, no se puede pedir | ||||
| 351 | 6143681902 | |||
| No hay información disponible, no se puede pedir | ||||
| 352 | 1381681897 | |||
| TORNILLO DE PERILLA ESTRELLA RD40/M6X23 (DIN 933) | ||||
| 353 | 7001017769 | 1.67 | 2.02 | |
| No hay información disponible, no se puede pedir | ||||
| 354 | 6503672195 | |||
| Ya no disponible, sin reemplazo | ||||
| 355 | 1388666770 | |||
| No hay información disponible, no se puede pedir | ||||
| 356 | 1384681863 | |||
| No hay información disponible, no se puede pedir | ||||
| 357 | 1385666930 | |||
| No hay información disponible, no se puede pedir | ||||
| 358 | 1385672159 | |||
| No hay información disponible, no se puede pedir | ||||
| 359 | 1388681884 | |||
| No hay información disponible, no se puede pedir | ||||
| 360 | 6400121395 | |||
| No hay información disponible, no se puede pedir | ||||
| 361 | 1385681859 | |||
| No hay información disponible, no se puede pedir | ||||
| 362 | 6341669969 | |||
| TORNILLO DE PERILLA ESTRELLA RD40/M6X23 (DIN 933) | ||||
| 363 | 7001017769 | 1.67 | 2.02 | |
| No hay información disponible, no se puede pedir | ||||
| 364 | 7001005922 | |||
| No hay información disponible, no se puede pedir | ||||
| 365 | 1014681910 | |||
| No hay información disponible, no se puede pedir | ||||
| 367 | 1388666753 | |||
| Tuerca hexagonal | ||||
| 368 | 141130100 | 1.56 | 1.89 | |
| No hay información disponible, no se puede pedir | ||||
| 370 | 1381672243 | |||
| Tornillo hexagonal M 8X90 verz. | ||||
| 371 | 6101022046 | 1.68 | 2.03 | |
| No hay información disponible, no se puede pedir | ||||
| 372 | 1388666761 | |||
| No hay información disponible, no se puede pedir | ||||
| 373 | 1388672222 | |||
| Tornillo de cabeza cilíndrica | ||||
| 374 | 141114000 | 1.68 | 2.03 | |
| Tuerca hexagonal plana | ||||
| 375 | 6205029131 | 1.56 | 1.89 | |