Aquí encontrará todas las piezas y dibujos técnicos disponibles de 'Metabo 0250550006-11 ( P5500M )'. Desde aquí podrá pedir todas las piezas deseadas directamente. Para muchas piezas de repuesto, es necesario pasar un pedido al fabricante. Dependiendo de la marca, el plazo de entrega puede variar entre una y cuatro semanas. Toda la información que tenemos está en nuestro sitio web. No podremos aconsejarle sobre lo que necesita hasta que entregue la máquina para su reparación. Tenga en cuenta lo siguiente a la hora de cursar su pedido:
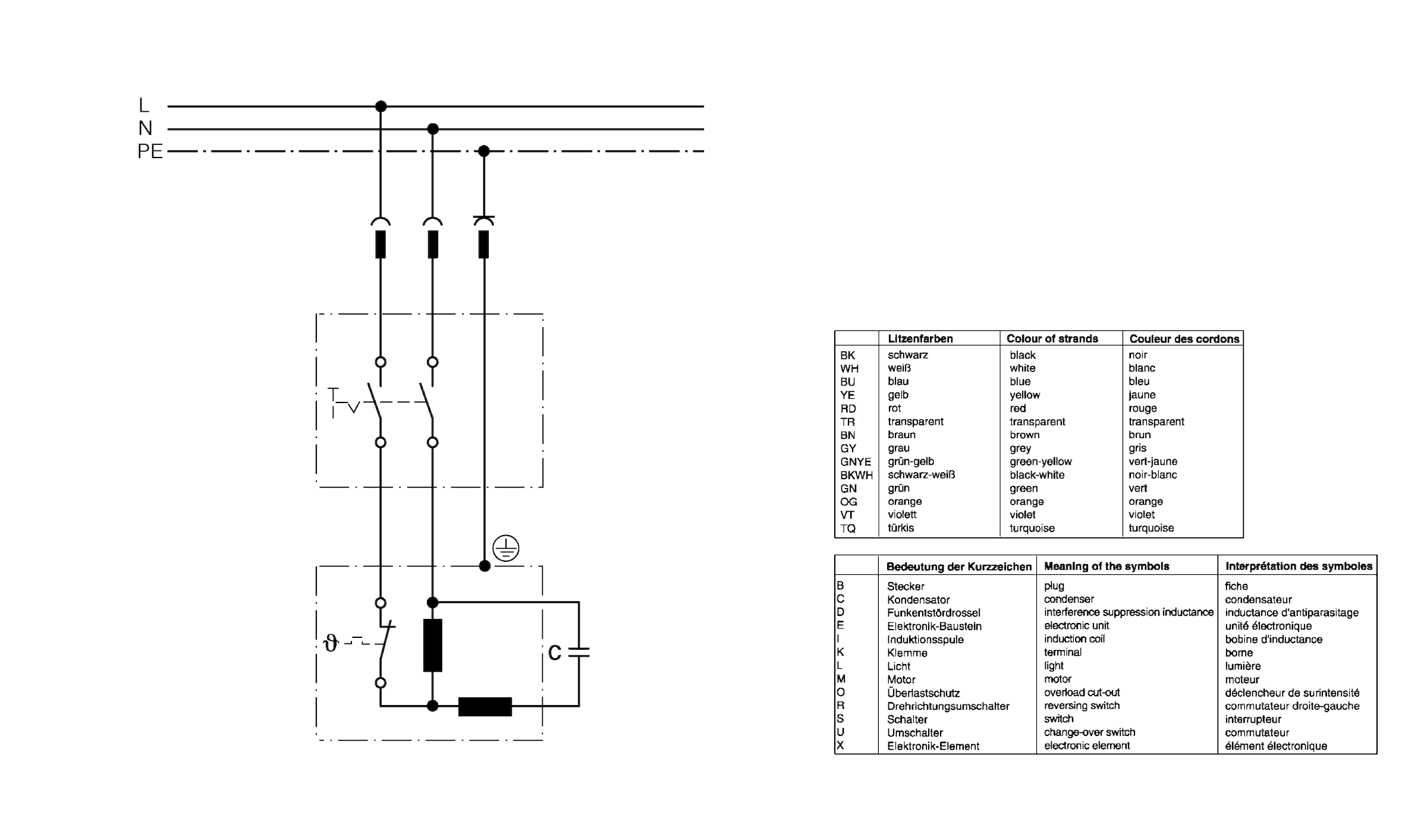
Dibujo técnico de los/las Metabo 0250550006-11 ( P5500M )
Lista de las piezas de repuesto de Metabo 0250550006-11 ( P5500M )
| Pos. | Descripción | Precio con el IVA excluido | Precio con el IVA incluido | |
| Los precios mostrados incluyen el IVA | ||||
| MEDIA ESCALA COMPLETA 2 PZ. CON INTERRUPTOR | ||||
| 1 | 1341676025 | 43.15 | 52.21 | |
| ANELLO DE ACEITE ET | ||||
| 2 | 1349148818 | 1.56 | 1.89 | |
| RODAMIENTO DE BOLAS | ||||
| 3 | 7100136915 | 7.22 | 8.74 | |
| Rotor ET | ||||
| 4 | 1349676520 | 148.53 | 179.72 | |
| Motor completo | ||||
| 6 | 317004340 | 268.64 | 325.05 | |
| Ya no disponible, sin reemplazo | ||||
| 9 | 1349148893 | |||
| TAPA DEL COJINETE ET | ||||
| 10 | 1349148869 | 13.48 | 16.31 | |
| VENTILADOR ET | ||||
| 11 | 1349148877 | 3.02 | 3.65 | |
| CAJA DEL VENTILADOR ET | ||||
| 12 | 1349148885 | 7.22 | 8.74 | |
| Ya no disponible, sin reemplazo | ||||
| 13 | 1343610838 | |||
| CIERRE ET | ||||
| 14 | 1349676687 | 32.27 | 39.05 | |
| No hay información disponible, no se puede pedir | ||||
| 15 | 7632149217 | |||
| Sello deslizante ET | ||||
| 16 | 1349676679 | 26.95 | 32.61 | |
| RUEDA DE TRANSPORTE ET | ||||
| 17 | 1349676660 | 13.48 | 16.31 | |
| RODILLO GUIA ET | ||||
| 18 | 1349148753 | 26.95 | 32.61 | |
| No hay información disponible, no se puede pedir | ||||
| 19 | 6109610443 | |||
| CILINDRO DE LA BOMBA ET | ||||
| 20 | 1349676598 | 148.53 | 179.72 | |
| Tornillo hexagonal | ||||
| 21 | 6103001178 | 1.56 | 1.89 | |
| O-RING ET | ||||
| 22 | 7632676608 | 3.02 | 3.65 | |
| ADAPTADOR ET | ||||
| 23 | 1349676547 | 18.80 | 22.75 | |
| TAPA DEL CILINDRO DE LA BOMBA ET | ||||
| 24 | 1349676555 | 32.27 | 39.05 | |
| TORNILLO RUEDA ET | ||||
| 25 | 1349148729 | 1.67 | 2.02 | |
| RUEDA ET | ||||
| 26 | 1349148745 | 18.80 | 22.75 | |
| Interruptor de Encendido/Apagado | ||||
| 29 | 8112148966 | 13.48 | 16.31 | |
| Ya no disponible, sin reemplazo | ||||
| 32 | 1349148850 | |||