Aquí encontrará todas las piezas y dibujos técnicos disponibles de 'Metabo 00671000 ( SBE650 )'. Desde aquí podrá pedir todas las piezas deseadas directamente. Para muchas piezas de repuesto, es necesario pasar un pedido al fabricante. Dependiendo de la marca, el plazo de entrega puede variar entre una y cuatro semanas. Toda la información que tenemos está en nuestro sitio web. No podremos aconsejarle sobre lo que necesita hasta que entregue la máquina para su reparación. Tenga en cuenta lo siguiente a la hora de cursar su pedido:
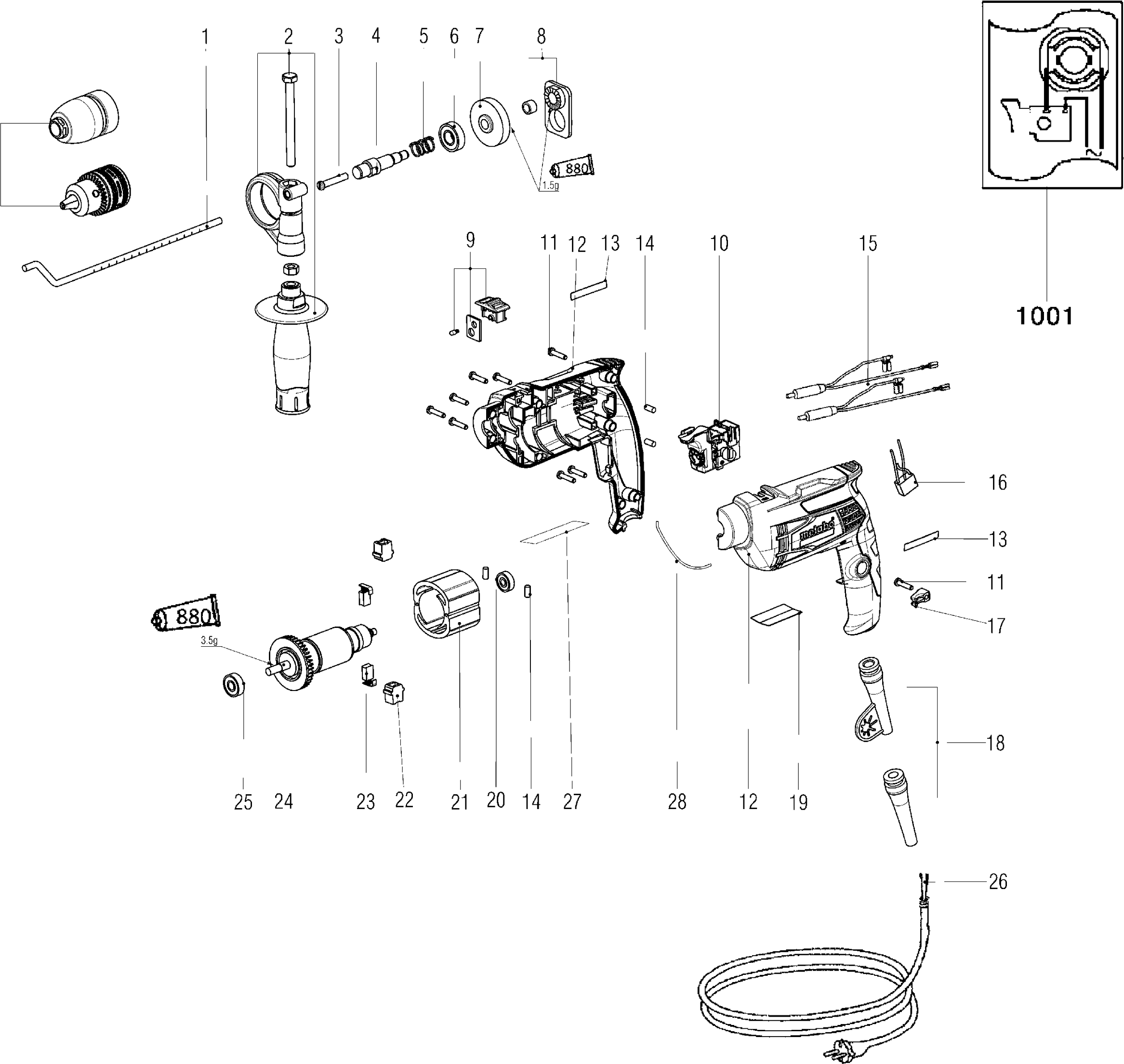
Dibujo técnico de los/las Metabo 00671000 ( SBE650 )
Lista de las piezas de repuesto de Metabo 00671000 ( SBE650 )
| Pos. | Descripción | Precio con el IVA excluido | Precio con el IVA incluido | |
| Los precios mostrados incluyen el IVA | ||||
| Tope de profundidad | ||||
| 1 | 341511630 | 4.51 | 5.46 | |
| No hay información disponible, no se puede pedir | ||||
| 2 | 631052000 | |||
| TORNILLO M4X35 | ||||
| 3 | 341705050 | 1.56 | 1.89 | |
| Husillo | ||||
| 4 | 340037410 | 8.89 | 10.76 | |
| Resorte de compresión | ||||
| 5 | 342010910 | 1.56 | 1.89 | |
| Rodamiento de bolas 12x28x8 | ||||
| 6 | 143115640 | 2.28 | 2.76 | |
| ENGANCHE | ||||
| 7 | 340037400 | 10.38 | 12.56 | |
| Brida del motor | ||||
| 8 | 316093310 | 11.74 | 14.21 | |
| Interruptor de presión completo | ||||
| 9 | 316093330 | 5.87 | 7.10 | |
| Set de interruptor electrónico, Defond 230V | ||||
| 10 | 343410920 | 10.38 | 12.56 | |
| TORNILLO M4X35 | ||||
| 11 | 141116020 | 1.68 | 2.03 | |
| Caja con tapa | ||||
| 12 | 343410930 | 32.27 | 39.05 | |
| Etiqueta | ||||
| 13 | 338126820 | 1.56 | 1.89 | |
| Tope de goma | ||||
| 14 | 344092220 | 1.56 | 1.89 | |
| Restrictor TN19/11/10-3E25 | ||||
| 15 | 343253940 | 5.87 | 7.10 | |
| CONDENSADOR | ||||
| 16 | 343254980 | 1.68 | 2.03 | |
| ABRAZADERA DE CABLE | ||||
| 17 | 343362490 | 1.68 | 2.03 | |
| Funda de cable | ||||
| 18 | 344113130 | 1.56 | 1.89 | |
| Placa de tipo HK 85 EB 230V | ||||
| 19 | 338064760 | 1.56 | 1.89 | |
| Rodamiento de bolas 6x19x6 | ||||
| 20 | 143115660 | 2.28 | 2.76 | |
| Campo | ||||
| 21 | 311012340 | 21.64 | 26.18 | |
| Soporte de Cepillo de Carbono | ||||
| 22 | 343003110 | 1.56 | 1.89 | |
| CEPILLO 12X8 M. RESORTE U-CONTACTO | ||||
| 23 | 316093320 | 10.38 | 12.56 | |
| Rotor completo, 230v | ||||
| 24 | 310011630 | 32.27 | 39.05 | |
| Rodamiento de bolas 8x22x 7 | ||||
| 25 | 143114880 | 3.02 | 3.65 | |
| Cable con enchufe 230 V | ||||
| 26 | 344498420 | 7.22 | 8.74 | |
| No hay información disponible, no se puede pedir | ||||
| 27 | 399999990 | |||
| Anillo de sellado | ||||
| 28 | 344101880 | 1.56 | 1.89 | |
| Lata de grasa UNIM GL402 | ||||
| 880 | 344130650 | 11.74 | 14.21 | |