Aquí encontrará todas las piezas y dibujos técnicos disponibles de 'Metabo 03034000 ( TAM3034 )'. Desde aquí podrá pedir todas las piezas deseadas directamente. Para muchas piezas de repuesto, es necesario pasar un pedido al fabricante. Dependiendo de la marca, el plazo de entrega puede variar entre una y cuatro semanas. Toda la información que tenemos está en nuestro sitio web. No podremos aconsejarle sobre lo que necesita hasta que entregue la máquina para su reparación. Tenga en cuenta lo siguiente a la hora de cursar su pedido:
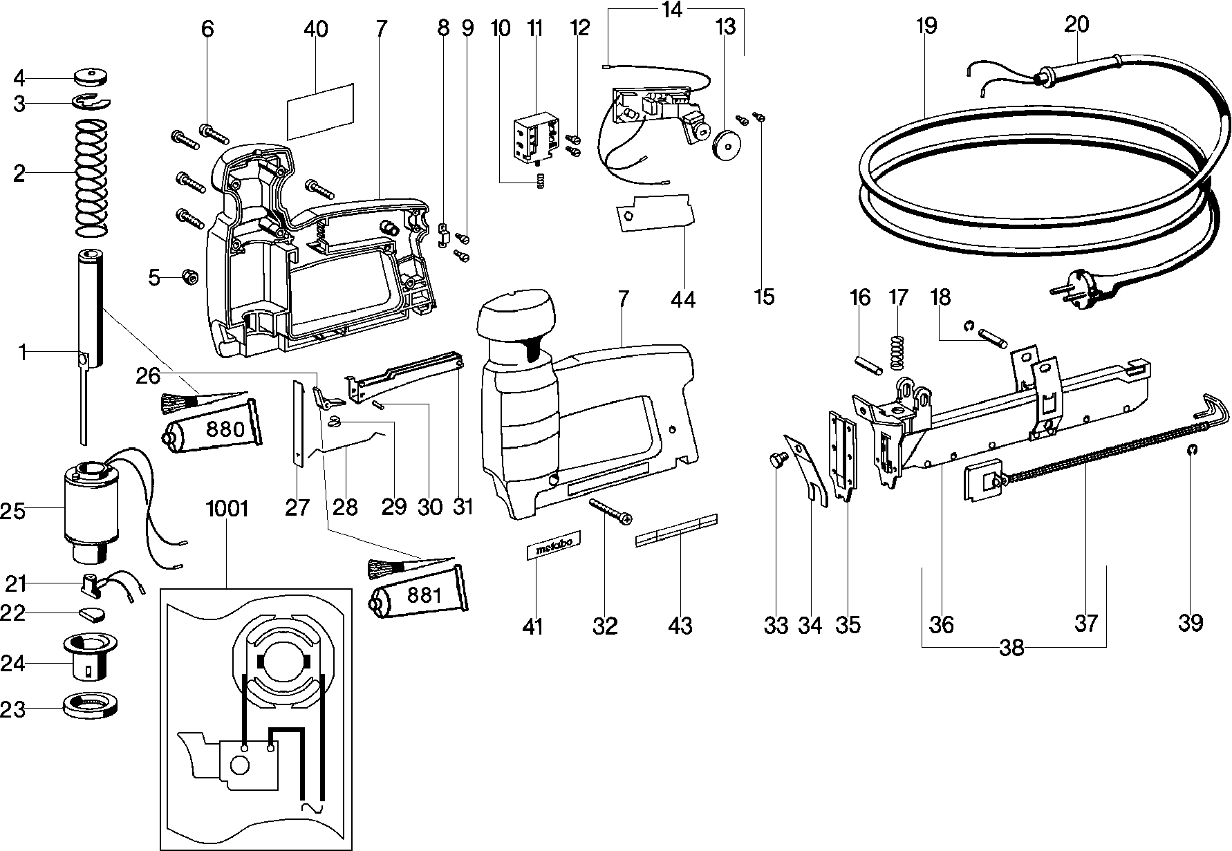
Dibujo técnico de los/las Metabo 03034000 ( TAM3034 )
Lista de las piezas de repuesto de Metabo 03034000 ( TAM3034 )
| Pos. | Descripción | Precio con el IVA excluido | Precio con el IVA incluido | |
| Los precios mostrados incluyen el IVA | ||||
| Ariete con guía | ||||
| 1 | 341143180 | 16.25 | 19.66 | |
| No hay información disponible, no se puede pedir | ||||
| 2 | 342001410 | |||
| No hay información disponible, no se puede pedir | ||||
| 3 | 341142780 | |||
| Buffer de recogida | ||||
| 4 | 344092760 | 5.18 | 6.27 | |
| Tuerca de seguridad hexagonal | ||||
| 5 | 141131220 | 1.56 | 1.89 | |
| TORNILLO M4X35 | ||||
| 6 | 341701700 | 5.18 | 6.27 | |
| Caja con tapa | ||||
| 7 | 343360910 | 80.81 | 97.78 | |
| ABRAZADERA DE CABLE | ||||
| 8 | 339180070 | 1.68 | 2.03 | |
| No hay información disponible, no se puede pedir | ||||
| 9 | 341701370 | |||
| Resorte de compresión | ||||
| 10 | 342001420 | 5.18 | 6.27 | |
| Interruptor | ||||
| 11 | 343403390 | 18.80 | 22.75 | |
| TORNILLO M4X35 | ||||
| 12 | 141116970 | 1.68 | 2.03 | |
| Rueda de ajuste | ||||
| 13 | 343360920 | 1.68 | 2.03 | |
| Unidad electrónica 220 V | ||||
| 14 | 343071410 | 107.70 | 130.32 | |
| Tornillo de cabeza cilíndrica | ||||
| 15 | 341701630 | 1.56 | 1.89 | |
| Disco de distancia 40x50x0,5 DIN 988 | ||||
| 16 | 341003580 | 1.68 | 2.03 | |
| Resorte de compresión | ||||
| 17 | 342001390 | 5.87 | 7.10 | |
| PASADOR | ||||
| 18 | 341513680 | 12.23 | 14.80 | |
| Cable con enchufe CEE | ||||
| 19 | 344493180 | 21.64 | 26.18 | |
| Manga de cable | ||||
| 20 | 344100330 | 5.87 | 7.10 | |
| Parada de guía | ||||
| 21 | 341144110 | 94.12 | 113.89 | |
| Buffer de impacto | ||||
| 22 | 344092860 | 5.18 | 6.27 | |
| Relleno intermedio | ||||
| 23 | 344092770 | 5.18 | 6.27 | |
| Sartén | ||||
| 24 | 339122590 | 8.89 | 10.76 | |
| Bobina completa | ||||
| 25 | 311007510 | 87.60 | 106.00 | |
| Bloqueo | ||||
| 26 | 343360930 | 3.02 | 3.65 | |
| Pasador de transmisión | ||||
| 27 | 343360940 | 5.87 | 7.10 | |
| Muelle | ||||
| 28 | 342001440 | 5.87 | 7.10 | |
| Resorte de compresión | ||||
| 29 | 342001430 | 1.68 | 2.03 | |
| BARRA TOMMY | ||||
| 30 | 341142830 | 1.56 | 1.89 | |
| Alivio de tensión (ru-1435) | ||||
| 31 | 343360950 | 3.71 | 4.49 | |
| TORNILLO M4X35 | ||||
| 32 | 141118140 | 1.56 | 1.89 | |
| Tornillo hexagonal | ||||
| 33 | 341701690 | 13.48 | 16.31 | |
| No hay información disponible, no se puede pedir | ||||
| 34 | 342050330 | |||
| Placa frontal | ||||
| 35 | 339122450 | 16.25 | 19.66 | |
| CARRUAJE SA | ||||
| 36 | 341142770 | 161.61 | 195.55 | |
| Manga deslizante completa | ||||
| 37 | 341142810 | 16.25 | 19.66 | |
| Deslizador compl. | ||||
| 38 | 341142820 | 201.99 | 244.41 | |
| Disco de bloqueo | ||||
| 39 | 141181710 | 1.56 | 1.89 | |
| Placa de identificación | ||||
| 40 | 338106820 | 3.02 | 3.65 | |
| Etiqueta Metabo | ||||
| 41 | 338122410 | 1.56 | 1.89 | |
| Placa de tipo HK 85 EB 230V | ||||
| 43 | 338021920 | 1.56 | 1.89 | |
| Aislamiento | ||||
| 44 | 339111170 | 1.56 | 1.89 | |
| Tubo de grasa 50 gr. 1,8oz | ||||
| 880 | 344131030 | 13.48 | 16.31 | |
| Tubo de grasa 100 gr. GF 001 | ||||
| 881 | 344130270 | 11.74 | 14.21 | |
| No hay información disponible, no se puede pedir | ||||
| 1001 | 338503720 | |||