Aquí encontrará todas las piezas y dibujos técnicos disponibles de 'Metabo 00854000 ( UHE2250MULTI )'. Desde aquí podrá pedir todas las piezas deseadas directamente. Para muchas piezas de repuesto, es necesario pasar un pedido al fabricante. Dependiendo de la marca, el plazo de entrega puede variar entre una y cuatro semanas. Toda la información que tenemos está en nuestro sitio web. No podremos aconsejarle sobre lo que necesita hasta que entregue la máquina para su reparación. Tenga en cuenta lo siguiente a la hora de cursar su pedido:
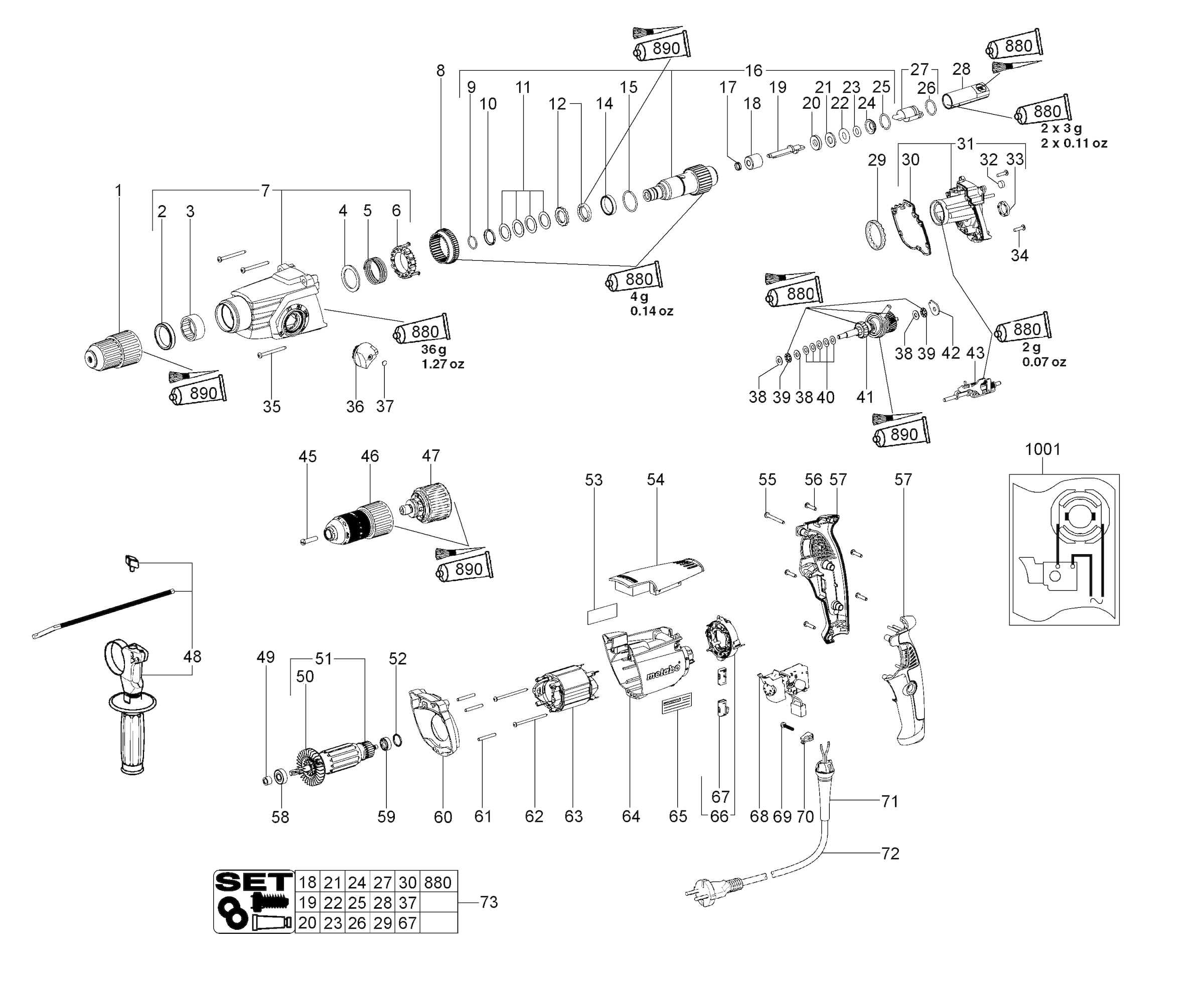
Dibujo técnico de los/las Metabo 00854000 ( UHE2250MULTI )
Lista de las piezas de repuesto de Metabo 00854000 ( UHE2250MULTI )
| Pos. | Descripción | Precio con el IVA excluido | Precio con el IVA incluido | |
| Los precios mostrados incluyen el IVA | ||||
| Adaptador SDS-Plus | ||||
| 1 | 316051000 | 60.59 | 73.31 | |
| Anillo de sellado del eje | ||||
| 2 | 143195160 | 8.89 | 10.76 | |
| Manga de aguja, 30x37x16 | ||||
| 3 | 143115090 | 7.22 | 8.74 | |
| Arandela | ||||
| 4 | 339007150 | 1.68 | 2.03 | |
| Resorte de presión, 34.7x38.3x1.8x27.7 | ||||
| 5 | 342003490 | 1.56 | 1.89 | |
| Anillo de bloqueo | ||||
| 6 | 343397820 | 1.56 | 1.89 | |
| Caja de engranajes completa | ||||
| 7 | 316047830 | 74.13 | 89.70 | |
| Bloque deslizante | ||||
| 8 | 340004030 | 8.89 | 10.76 | |
| Anillo de retención | ||||
| 9 | 141156380 | 1.56 | 1.89 | |
| Anillo de soporte | ||||
| 10 | 341013060 | 4.51 | 5.46 | |
| Resorte de disco | ||||
| 11 | 342070620 | 1.56 | 1.89 | |
| Set de discos de leva | ||||
| 12 | 316064060 | 5.87 | 7.10 | |
| Anillo de soporte | ||||
| 14 | 343431000 | 1.56 | 1.89 | |
| Anillo de retención | ||||
| 15 | 141156360 | 1.56 | 1.89 | |
| No hay información disponible, no se puede pedir | ||||
| 16 | 316047850 | |||
| Anillo de sellado del eje | ||||
| 17 | 143195200 | 2.28 | 2.76 | |
| MANGUITO ROSCADO | ||||
| 18 | 341005810 | 12.23 | 14.80 | |
| Pistón | ||||
| 19 | 341059030 | 11.74 | 14.21 | |
| Anillo de soporte | ||||
| 20 | 341012980 | 3.71 | 4.49 | |
| Anillo O | ||||
| 21 | 143195150 | 1.68 | 2.03 | |
| Arandela | ||||
| 22 | 339007190 | 1.56 | 1.89 | |
| Anillo O | ||||
| 23 | 143195210 | 1.56 | 1.89 | |
| Manguito captador | ||||
| 24 | 341058950 | 3.71 | 4.49 | |
| Arandela de bloqueo | ||||
| 25 | 141181840 | 1.56 | 1.89 | |
| Anillo de pistón de perfil | ||||
| 26 | 344093140 | 4.51 | 5.46 | |
| Émbolo Completo | ||||
| 27 | 316043350 | 21.64 | 26.18 | |
| Casquillo de excitación completo | ||||
| 28 | 341058680 | 21.64 | 26.18 | |
| Sostenedor de la Bola | ||||
| 29 | 320050480 | 3.02 | 3.65 | |
| Embalaje moldeado | ||||
| 30 | 344098640 | 1.56 | 1.89 | |
| Brida de engranaje cpl. | ||||
| 31 | 316047860 | 43.15 | 52.21 | |
| Fieltro de sellado | ||||
| 32 | 344070670 | 1.56 | 1.89 | |
| Buffer de goma | ||||
| 33 | 344095920 | 1.56 | 1.89 | |
| TORNILLO M4X35 | ||||
| 34 | 141123400 | 1.56 | 1.89 | |
| TORNILLO M4X35 | ||||
| 35 | 141123610 | 1.56 | 1.89 | |
| Ya no disponible, sin reemplazo | ||||
| 36 | 316044470 | |||
| Almohadilla | ||||
| 37 | 343376750 | 1.68 | 2.03 | |
| Arandela | ||||
| 38 | 339129610 | 1.56 | 1.89 | |
| Rodamiento de agujas axial | ||||
| 39 | 143114280 | 5.87 | 7.10 | |
| Resorte de disco | ||||
| 40 | 141152550 | 1.68 | 2.03 | |
| Eje de piñón compl. | ||||
| 41 | 316047870 | 94.12 | 113.89 | |
| Placa de guía completa CED Plus | ||||
| 42 | 339134350 | 1.56 | 1.89 | |
| Elemento de cambio completo | ||||
| 43 | 316044460 | 16.25 | 19.66 | |
| Tornillo de cabeza cilíndrica | ||||
| 45 | 341703360 | 5.18 | 6.27 | |
| Mandril de apriete rápido con adaptador | ||||
| 46 | 316050870 | 94.12 | 113.89 | |
| Adaptador de cambio rápido | ||||
| 47 | 316050880 | 37.65 | 45.56 | |
| Manija extra completa | ||||
| 48 | 316052270 | 26.95 | 32.61 | |
| Anillo de sellado | ||||
| 49 | 343376040 | 1.68 | 2.03 | |
| JUNTA | ||||
| 50 | 330001830 | 10.38 | 12.56 | |
| Anker 220 V | ||||
| 51 | 310009220 | 67.33 | 81.47 | |
| Anillo O | ||||
| 52 | 143192430 | 1.68 | 2.03 | |
| No hay información disponible, no se puede pedir | ||||
| 53 | 338054910 | |||
| Cubierta sin electrónica | ||||
| 54 | 343394070 | 3.02 | 3.65 | |
| TORNILLO M4X35 | ||||
| 55 | 141116990 | 1.68 | 2.03 | |
| TORNILLO M4X35 | ||||
| 56 | 141116020 | 1.68 | 2.03 | |
| Empuñadura de Pistola de 2 piezas, con Goma | ||||
| 57 | 343398530 | 10.38 | 12.56 | |
| Rodamiento de bolas 8x22x 7 | ||||
| 58 | 143114880 | 3.02 | 3.65 | |
| Rodamiento de bolas,6x19x6 | ||||
| 59 | 143115690 | 2.28 | 2.76 | |
| Brida Intermedia | ||||
| 60 | 343399780 | 2.28 | 2.76 | |
| Pasador cilíndrico | ||||
| 61 | 341520230 | 1.56 | 1.89 | |
| TORNILLO M4X35 | ||||
| 62 | 141118260 | 1.56 | 1.89 | |
| Campo | ||||
| 63 | 311009800 | 18.80 | 22.75 | |
| Carcasa del motor | ||||
| 64 | 315013250 | 12.23 | 14.80 | |
| No hay información disponible, no se puede pedir | ||||
| 65 | 399999990 | |||
| Módulo portacepillos de carbono, 230V - V-EI. 85 | ||||
| 66 | 316051990 | 12.23 | 14.80 | |
| Juego de cepillos de carbono, 230 V | ||||
| 67 | 316046950 | 12.23 | 14.80 | |
| Interruptor electrónico con dial | ||||
| 68 | 343409220 | 18.80 | 22.75 | |
| TORNILLO M4X35 | ||||
| 69 | 141117060 | 1.68 | 2.03 | |
| ABRAZADERA DE CABLE | ||||
| 70 | 343362490 | 1.68 | 2.03 | |
| Funda de cable | ||||
| 71 | 343394300 | 1.68 | 2.03 | |
| Cable con enchufe CEE | ||||
| 72 | 344486730 | 18.80 | 22.75 | |
| No hay información disponible, no se puede pedir | ||||
| 73 | 316047890 | |||
| Tubo de grasa 50 gr. SF 126 | ||||
| 880 | 344130800 | 18.80 | 22.75 | |
| Tubo de grasa, 50g Klueber Microlube GL 261 | ||||
| 890 | 344131210 | 24.23 | 29.32 | |