Aquí encontrará todas las piezas y dibujos técnicos disponibles de 'Metabo 0102900000-12 ( UK290 )'. Desde aquí podrá pedir todas las piezas deseadas directamente. Para muchas piezas de repuesto, es necesario pasar un pedido al fabricante. Dependiendo de la marca, el plazo de entrega puede variar entre una y cuatro semanas. Toda la información que tenemos está en nuestro sitio web. No podremos aconsejarle sobre lo que necesita hasta que entregue la máquina para su reparación. Tenga en cuenta lo siguiente a la hora de cursar su pedido:
Dibujo técnico de los/las Metabo 0102900000-12 ( UK290 )
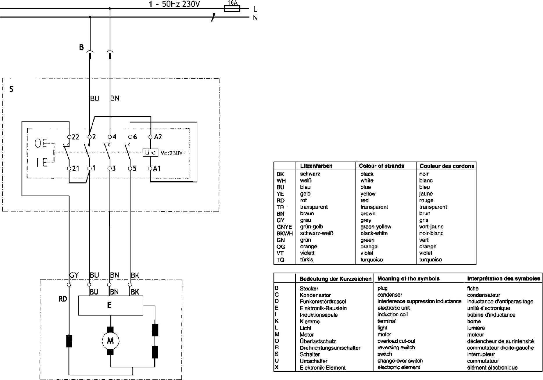
Lista de las piezas de repuesto de Metabo 0102900000-12 ( UK290 )
| Pos. | Descripción | Precio con el IVA excluido | Precio con el IVA incluido | |
| Los precios mostrados incluyen el IVA | ||||
| Cubierta protectora completa | ||||
| 1 | 316052430 | 12.23 | 14.80 | |
| Tapa caja de sujeción motor AM21 | ||||
| 2 | 1331700076 | 1.68 | 2.03 | |
| Motor de la caja de abrazadera AM21 | ||||
| 3 | 1331700068 | 3.71 | 4.49 | |
| TORNILLO DE CHAPA CON CABEZA HEXAGONAL | ||||
| 4 | 6123612815 | 1.56 | 1.89 | |
| TORNILLO M4X35 | ||||
| 5 | 1485221570 | 3.71 | 4.49 | |
| BOLA DE ACERO RD 7,938 | ||||
| 6 | 7123148635 | 1.55 | 1.88 | |
| SOPORTE V.SPOUWMES UK290 | ||||
| 7 | 1380728555 | 18.80 | 22.75 | |
| Cuchillo de hendido CS 50 EBG | ||||
| 8 | 1482221587 | 18.80 | 22.75 | |
| Placa para cuchilla separadora | ||||
| 9 | 1482221595 | 1.68 | 2.03 | |
| No hay información disponible, no se puede pedir | ||||
| 10 | 8012728930 | |||
| Sello | ||||
| 11 | 1382725634 | 7.22 | 8.74 | |
| Tornillo avellanado | ||||
| 12 | 6132175169 | 1.56 | 1.89 | |
| BRIDA DE HOJA DE SIERRA | ||||
| 13 | 1485221618 | 12.23 | 14.80 | |
| Contratuerca de hoja de sierra | ||||
| 14 | 1482221900 | 5.18 | 6.27 | |
| Tornillo de cabeza cilíndrica | ||||
| 15 | 6121000839 | 5.87 | 7.10 | |
| Tuerca de brida | ||||
| 16 | 6209620098 | 1.56 | 1.89 | |
| AMORTIGUADOR | ||||
| 20 | 1010728530 | 32.27 | 39.05 | |
| Llave de Casquillo Hexagonal | ||||
| 21 | 9102689833 | 4.51 | 5.46 | |
| No hay información disponible, no se puede pedir | ||||
| 22 | 9104727252 | |||
| MANGUITO EXCÉNTRICO | ||||
| 23 | 1485728542 | 2.28 | 2.76 | |
| Tornillo hexagonal | ||||
| 24 | 141113290 | 1.56 | 1.89 | |
| Límite de rotación | ||||
| 26 | 1381726114 | 1.56 | 1.89 | |
| Tornillo de placa hexagonal | ||||
| 27 | 141122680 | 1.56 | 1.89 | |
| Buffer de inserción | ||||
| 29 | 2391203906 | 1.56 | 1.89 | |
| Tuerca de seguridad hexagonal | ||||
| 31 | 141130650 | 1.68 | 2.03 | |
| Espaciadores | ||||
| 32 | 6442059304 | 1.56 | 1.89 | |
| Cubierta de Polvo | ||||
| 33 | 1382729397 | 7.22 | 8.74 | |
| Ya no disponible, sin reemplazo | ||||
| 34 | 141110270 | |||
| TAPA UK290 | ||||
| 35 | 1381726777 | 2.28 | 2.76 | |
| Perno ranurado con inserción cuadrada | ||||
| 36 | 6110000608 | 1.56 | 1.89 | |
| Arandela | ||||
| 37 | 141150140 | 1.56 | 1.89 | |
| Tornillo de cabeza cilíndrica | ||||
| 38 | 6123002014 | 1.56 | 1.89 | |
| Placa Guía de Chip | ||||
| 39 | 1382729540 | 12.23 | 14.80 | |
| No hay información disponible, no se puede pedir | ||||
| 40 | 1482701368 | |||
| Tornillo de cabeza cilíndrica | ||||
| 41 | 6123666494 | 1.56 | 1.89 | |
| Tuerca de brida | ||||
| 42 | 6209114230 | 1.56 | 1.89 | |
| Anillo de retención RD 8 VERZ. | ||||
| 43 | 6404091580 | 1.56 | 1.89 | |
| VARILLA ROSCADA | ||||
| 44 | 1485728429 | 21.64 | 26.18 | |
| Arandela de resorte | ||||
| 45 | 6720008511 | 1.55 | 1.88 | |
| CASQUILLO DESLIZANTE | ||||
| 46 | 7637727561 | 5.87 | 7.10 | |
| No hay información disponible, no se puede pedir | ||||
| 47 | 1381099233 | |||
| Tuerca hexagonal plana | ||||
| 48 | 6205726061 | 1.56 | 1.89 | |
| ARANDELA | ||||
| 49 | 6300686603 | 1.56 | 1.89 | |
| No hay información disponible, no se puede pedir | ||||
| 50 | 1382725677 | |||
| BARRA TOMMY | ||||
| 51 | 1485725683 | 18.80 | 22.75 | |
| Engranaje Cónico | ||||
| 52 | 1380613626 | 4.51 | 5.46 | |
| RUEDA MANUAL COMPLETA | ||||
| 53 | 1010701704 | 16.25 | 19.66 | |
| Varilla de acoplamiento DF 700 | ||||
| 54 | 1485725900 | 16.25 | 19.66 | |
| Resorte de tiro | ||||
| 55 | 7051074232 | 1.67 | 2.02 | |
| Tornillo de cabeza cilíndrica con hex. | ||||
| 56 | 6143075247 | 1.68 | 2.03 | |
| MANGUITO DE GUÍA | ||||
| 57 | 1381726939 | 2.28 | 2.76 | |
| Tuerca de brida | ||||
| 58 | 6209110995 | 1.56 | 1.89 | |
| PLACA DE CIERRE | ||||
| 59 | 1482725925 | 10.38 | 12.56 | |
| MANGO DE PLÁSTICO | ||||
| 60 | 1388698264 | 5.18 | 6.27 | |
| Placa de tensión | ||||
| 61 | 1482725690 | 16.25 | 19.66 | |
| BOTÓN | ||||
| 62 | 7005658068 | 2.28 | 2.76 | |
| Tornillo de cabeza cilíndrica con hexágono interio | ||||
| 63 | 6127729555 | 2.28 | 2.76 | |
| Tuerca hexagonal | ||||
| 65 | 141132030 | 1.56 | 1.89 | |
| Engranaje en ángulo recto | ||||
| 66 | 1381215330 | 3.71 | 4.49 | |
| TAPA DE PLÁSTICO CON MANIJA GIRATORIA | ||||
| 67 | 1381212846 | 1.56 | 1.89 | |
| CEPILLO DE FILTRO UK290 | ||||
| 68 | 9132726768 | 3.02 | 3.65 | |
| No hay información disponible, no se puede pedir | ||||
| 69 | 1482725810 | |||
| Ya no disponible, sin reemplazo | ||||
| 70 | 7100726097 | |||
| Tornillo de cabeza cilíndrica con hexágono interio | ||||
| 71 | 6127059193 | 1.56 | 1.89 | |
| Tornillo hexagonal | ||||
| 72 | 6143124744 | 1.56 | 1.89 | |
| VÁLVULA ROTATORIA | ||||
| 73 | 1381726106 | 3.71 | 4.49 | |
| Tornillo hexagonal | ||||
| 74 | 141110280 | 1.56 | 1.89 | |
| RODILLO D30X13,5 CON COJINETE DE BOLAS | ||||
| 75 | 7102726078 | 16.25 | 19.66 | |
| Rascador | ||||
| 76 | 1381726084 | 11.74 | 14.21 | |
| Arandela | ||||
| 78 | 141150130 | 1.56 | 1.89 | |
| Tuerca Estriada | ||||
| 80 | 6241125058 | 1.68 | 2.03 | |
| Clip de cable | ||||
| 81 | 7052078118 | 2.28 | 2.76 | |
| Tuerca hexagonal plana | ||||
| 83 | 6205028046 | 1.56 | 1.89 | |
| Tornillo de cabeza cilíndrica con hexágono interio | ||||
| 84 | 6143729816 | 1.56 | 1.89 | |
| CUBIERTA PARA CASA DE SIERRA | ||||
| 85 | 1382725839 | 10.38 | 12.56 | |
| TORNILLO AUTORROSCANTE CON CABEZA CRUZADA | ||||
| 86 | 6174001900 | 1.56 | 1.89 | |
| ARANDELA | ||||
| 87 | 6305713714 | 1.56 | 1.89 | |
| Perno ranurado con inserción cuadrada | ||||
| 88 | 6110000594 | 1.56 | 1.89 | |
| GUIA | ||||
| 92 | 1385221491 | 13.48 | 16.31 | |
| Pieza de extracción UK333 | ||||
| 94 | 1381701324 | 7.22 | 8.74 | |
| AJUSTE DE ALTURA | ||||
| 95 | 1010729358 | 134.27 | 162.47 | |
| Pared trasera TURBO II | ||||
| 100 | 1382725898 | 67.33 | 81.47 | |
| Tornillo de cabeza de lente m.flens | ||||
| 101 | 6143661561 | 1.56 | 1.89 | |
| INTERRUPTOR COMPLETO UC230V K570B/NKA9/KA | ||||
| 102 | 8133728920 | 100.74 | 121.90 | |
| SOPORTE DE CABLE UK290/333 | ||||
| 103 | 1381706881 | 1.56 | 1.89 | |
| No hay información disponible, no se puede pedir | ||||
| 104 | 1382728463 | |||
| Placa de bloqueo UK290 | ||||
| 106 | 1382726185 | 5.87 | 7.10 | |
| STARLOCK Z.TAPA | ||||
| 107 | 7016056183 | 1.55 | 1.88 | |
| Tornillo de ojo | ||||
| 108 | 6141701671 | 2.28 | 2.76 | |
| TUERCA DE BOTÓN DE ESTRELLA | ||||
| 109 | 7000017730 | 1.67 | 2.02 | |
| MANGUITO EXCÉNTRICO | ||||
| 110 | 1485700877 | 4.51 | 5.46 | |
| MANGUITO EXCÉNTRICO | ||||
| 111 | 1485700850 | 3.71 | 4.49 | |
| Tornillo | ||||
| 112 | 6632123360 | 2.28 | 2.76 | |
| Tornillo de cabeza plana | ||||
| 113 | 6110015990 | 1.56 | 1.89 | |
| ATRAVESAR | ||||
| 114 | 1382726037 | 18.80 | 22.75 | |
| Pata CS 50 EBG | ||||
| 115 | 1383726014 | 32.27 | 39.05 | |
| PIE DE SOPORTE | ||||
| 116 | 1381726173 | 3.02 | 3.65 | |
| Pata CS 50 EBG | ||||
| 119 | 1383725972 | 32.27 | 39.05 | |
| Varilla de empuje | ||||
| 120 | 1394201630 | 7.22 | 8.74 | |
| Tornillo de placa | ||||
| 121 | 6143726140 | 1.56 | 1.89 | |
| Placa Lateral | ||||
| 122 | 1382728455 | 37.65 | 45.56 | |
| Tornillo de placa | ||||
| 124 | 6143726132 | 1.56 | 1.89 | |
| PIE DE GOMA 57,3X13,4X14 NEGRO | ||||
| 125 | 7057706400 | 3.71 | 4.49 | |
| Tornillo avellanado m. tornillo de cabeza de lente | ||||
| 126 | 6186602763 | 1.56 | 1.89 | |
| Tornillo de placa | ||||
| 127 | 6143726159 | 2.28 | 2.76 | |
| No hay información disponible, no se puede pedir | ||||
| 130 | 1382725863 | |||
| GRUPO DE PIE AJUSTABLE | ||||
| 131 | 2010200787 | 16.25 | 19.66 | |
| Pata CS 50 EBG | ||||
| 132 | 1383725999 | 32.27 | 39.05 | |
| GUÍA UNIVERSAL | ||||
| 140 | 1010727355 | 242.14 | 292.99 | |
| PERFIL DE GUÍA | ||||
| 141 | 1010720490 | 21.64 | 26.18 | |
| Arandela | ||||
| 142 | 141150020 | 1.56 | 1.89 | |
| Resorte de disco | ||||
| 143 | 141150540 | 1.56 | 1.89 | |
| No hay información disponible, no se puede pedir | ||||
| 144 | 1382727343 | |||
| MEDIDA DE ÁNGULO | ||||
| 145 | 1142216716 | 11.74 | 14.21 | |
| Ya no disponible, sin reemplazo | ||||
| 146 | 1482643350 | |||
| RESORTE DE PRESIÓN GUIA DE ÁNGULO | ||||
| 148 | 7051148694 | 1.55 | 1.88 | |
| Ya no disponible, sin reemplazo | ||||
| 149 | 2391202772 | |||
| PASADOR DE BLOQUEO GUÍA DE ÁNGULO RECTO | ||||
| 150 | 1485215979 | 3.71 | 4.49 | |
| PIEZA DE SUJECIÓN UK333 | ||||
| 151 | 1381698285 | 1.68 | 2.03 | |
| Pieza de ajuste | ||||
| 152 | 1380215981 | 7.22 | 8.74 | |
| STARLOCK | ||||
| 153 | 7016122305 | 1.55 | 1.88 | |
| PASADOR | ||||
| 154 | 1485727325 | 26.95 | 32.61 | |
| Tornillo de brida TSF 55 | ||||
| 155 | 1485209480 | 2.28 | 2.76 | |
| TORNILLO CON ROSCA A | ||||
| 156 | 6175174166 | 1.56 | 1.89 | |
| Arandela | ||||
| 157 | 141150130 | 1.56 | 1.89 | |
| Pasador cónico con cono Morse | ||||
| 158 | 6161183502 | 1.56 | 1.89 | |
| Guía de cola de milano | ||||
| 159 | 1383221990 | 26.95 | 32.61 | |
| Palanca de apriete con rosca interior | ||||
| 160 | 7006028653 | 7.22 | 8.74 | |
| Pasador cónico con cono Morse | ||||
| 161 | 6161029120 | 1.68 | 2.03 | |
| Gancho de Sujeción | ||||
| 162 | 1380216031 | 8.89 | 10.76 | |
| Puntero guía de ángulo recto | ||||
| 163 | 1482216010 | 1.68 | 2.03 | |
| GRIFO DE CLAVIJA | ||||
| 164 | 6163198736 | 3.71 | 4.49 | |
| CUERPO DE LA MORDAZA UK333 | ||||
| 165 | 1380701983 | 60.59 | 73.31 | |
| TORNILLO AVELLANADO CON INTERIOR | ||||
| 166 | 6131714953 | 1.56 | 1.89 | |
| No hay información disponible, no se puede pedir | ||||
| 167 | 1383726049 | |||
| MANGUITO ROSCADO | ||||
| 168 | 1381728443 | 3.02 | 3.65 | |
| Tornillo avellanado | ||||
| 169 | 6172028215 | 1.56 | 1.89 | |
| ETIQUETA AMARILLO/NEGRO | ||||
| 171 | 1142725793 | 5.87 | 7.10 | |
| No hay información disponible, no se puede pedir | ||||
| 172 | 1010710835 | |||
| TUERCA DE JAULA | ||||
| 174 | 6264714948 | 1.68 | 2.03 | |
| MESA COMPLETA | ||||
| 175 | 1010725735 | 321.76 | 389.33 | |
| Tuerca de seguridad hexagonal | ||||
| 177 | 141130930 | 1.56 | 1.89 | |
| Tornillo de posicionamiento M. Cabeza Cruzada | ||||
| 178 | 6123002049 | 1.56 | 1.89 | |
| Abrazadera de fijación | ||||
| 179 | 1381655616 | 2.28 | 2.76 | |
| Arandela | ||||
| 180 | 141150050 | 1.56 | 1.89 | |
| No hay información disponible, no se puede pedir | ||||
| 181 | 1382725723 | |||
| No hay información disponible, no se puede pedir | ||||
| 182 | 1482725658 | |||
| Anillo O | ||||
| 183 | 7632194654 | 1.55 | 1.88 | |
| Arandela | ||||
| 184 | 141151940 | 1.56 | 1.89 | |
| ABRAZADERA 1,5 mm Nr.134S / VDE | ||||
| 185 | 8216628625 | 1.67 | 2.02 | |
| TORNILLO AVELLANADO M.CRUCERO | ||||
| 186 | 6131059530 | 1.56 | 1.89 | |
| TORNILLO M4X35 | ||||
| 187 | 141116840 | 1.56 | 1.89 | |
| Alivio de tensión | ||||
| 188 | 8242033664 | 1.55 | 1.88 | |
| Manguito de protección contra dobleces tipo 15-561 | ||||
| 189 | 1341016980 | 1.68 | 2.03 | |
| Brida para cables | ||||
| 190 | 8490108506 | 1.55 | 1.88 | |
| Disco de relleno 16X22X0,2 ver. | ||||
| 191 | 6306670482 | 1.56 | 1.89 | |