Aquí encontrará todas las piezas y dibujos técnicos disponibles de 'Milwaukee 4000392271 ( 2500 )'. Desde aquí podrá pedir todas las piezas deseadas directamente. Para muchas piezas de repuesto, es necesario pasar un pedido al fabricante. Dependiendo de la marca, el plazo de entrega puede variar entre una y cuatro semanas. Toda la información que tenemos está en nuestro sitio web. No podremos aconsejarle sobre lo que necesita hasta que entregue la máquina para su reparación. Tenga en cuenta lo siguiente a la hora de cursar su pedido:
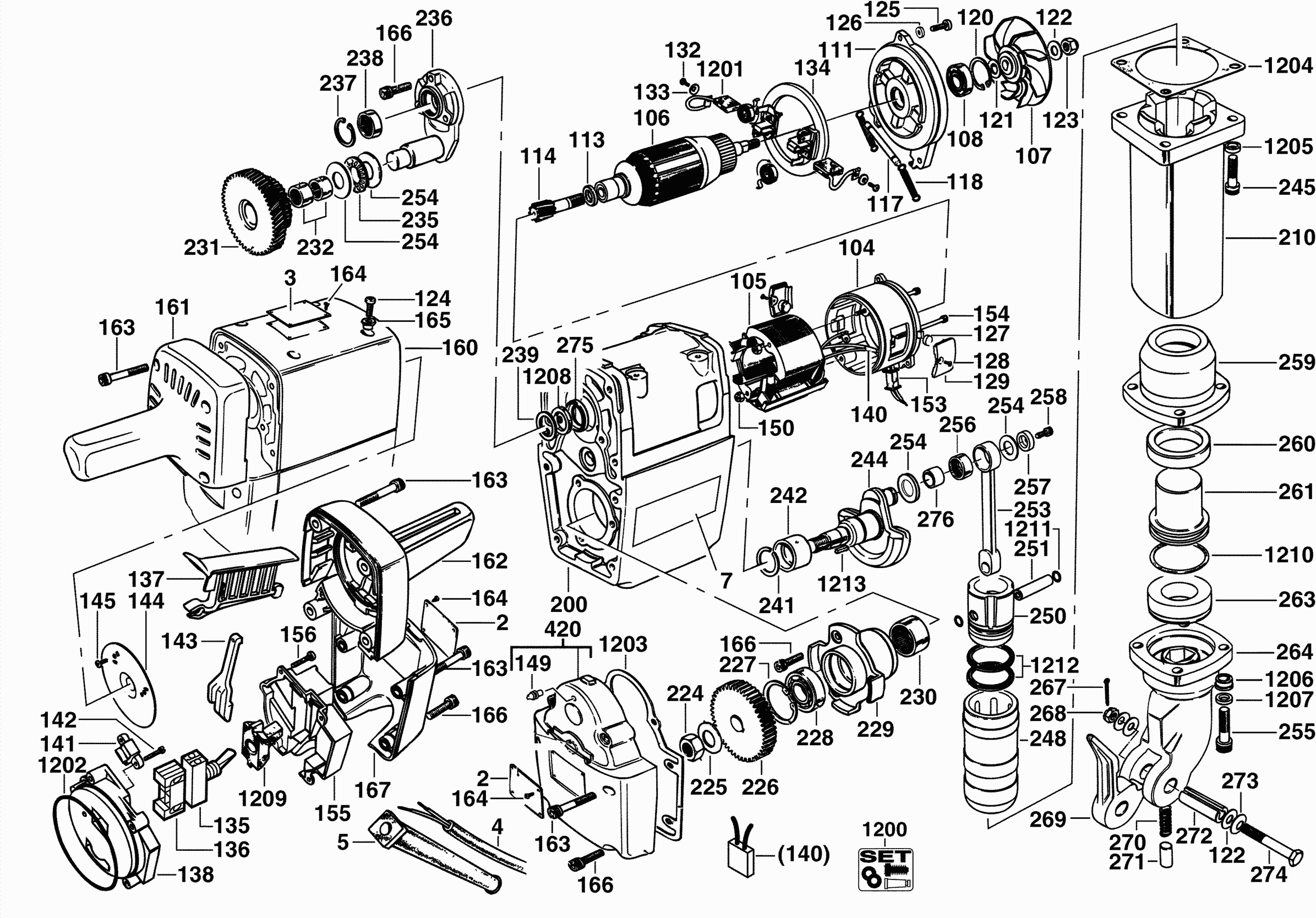
Dibujo técnico de los/las Milwaukee 4000392271 ( 2500 )
Lista de las piezas de repuesto de Milwaukee 4000392271 ( 2500 )
| Pos. | Descripción | Precio con el IVA excluido | Precio con el IVA incluido | |
| Los precios mostrados incluyen el IVA | ||||
| No hay información disponible, no se puede pedir | ||||
| 0005 | 9170052310 | |||
| No hay información disponible, no se puede pedir | ||||
| 0107 | 9170050490 | |||
| Ya no disponible, sin reemplazo | ||||
| 0108 | 9170021400 | |||
| Ya no disponible, sin reemplazo | ||||
| 0111 | 9170051430 | |||
| No hay información disponible, no se puede pedir | ||||
| 0113 | 9170050250 | |||
| Arandela (1) | ||||
| 0122 | 9170051330 | 1.80 | 2.18 | |
| No hay información disponible, no se puede pedir | ||||
| 0123 | 9170051170 | |||
| No hay información disponible, no se puede pedir | ||||
| 0127 | 9170043200 | |||
| No hay información disponible, no se puede pedir | ||||
| 0135 | 9170320410 | |||
| No hay información disponible, no se puede pedir | ||||
| 0137 | 9170053640 | |||
| No hay información disponible, no se puede pedir | ||||
| 0138 | 9170052530 | |||
| No hay información disponible, no se puede pedir | ||||
| 0143 | 9170052330 | |||
| No hay información disponible, no se puede pedir | ||||
| 0149 | 9170314091 | |||
| TORNILLO D 912 M 4X10 SSI | ||||
| 0163 | 4931624074 | 1.80 | 2.18 | |
| TORNILLO D 912 M 4X10 SSI | ||||
| 0166 | 4931624072 | 1.80 | 2.18 | |
| Ya no disponible, sin reemplazo | ||||
| 0228 | 9170050580 | |||
| RODAMIENTO DE AGUJAS | ||||
| 0232 | 4931941156 | 6.31 | 7.64 | |
| No hay información disponible, no se puede pedir | ||||
| 0238 | 4931621542 | |||
| Ya no disponible, sin reemplazo | ||||
| 0239 | 9170051980 | |||
| No hay información disponible, no se puede pedir | ||||
| 0242 | 9170050600 | |||
| Ya no disponible, sin reemplazo | ||||
| 0250 | 9170292890 | |||
| Ya no disponible, sin reemplazo | ||||
| 0251 | 9170037050 | |||
| No hay información disponible, no se puede pedir | ||||
| 0253 | 9170050220 | |||
| No hay información disponible, no se puede pedir | ||||
| 0255 | 9170320750 | |||
| No hay información disponible, no se puede pedir | ||||
| 0256 | 9170252431 | |||
| No hay información disponible, no se puede pedir | ||||
| 0263 | 9170051960 | |||
| No hay información disponible, no se puede pedir | ||||
| 0267 | 9170022960 | |||
| No hay información disponible, no se puede pedir | ||||
| 0268 | 9170069570 | |||
| No hay información disponible, no se puede pedir | ||||
| 0269 | 9170050340 | |||
| No hay información disponible, no se puede pedir | ||||
| 0272 | 9170050640 | |||
| Ya no disponible, sin reemplazo | ||||
| 0274 | 9170053350 | |||
| Ya no disponible, sin reemplazo | ||||
| 0275 | 9170051990 | |||
| No hay información disponible, no se puede pedir | ||||
| 1201 | 4931384420 | |||
| Ya no disponible, sin reemplazo | ||||
| 1202 | 9170051040 | |||
| No hay información disponible, no se puede pedir | ||||
| 1203 | 9170051110 | |||
| Ya no disponible, sin reemplazo | ||||
| 1204 | 9170051120 | |||
| No hay información disponible, no se puede pedir | ||||
| 1205 | 9170051320 | |||
| No hay información disponible, no se puede pedir | ||||
| 1207 | 9170051940 | |||
| Ya no disponible, sin reemplazo | ||||
| 1208 | 9170051950 | |||
| No hay información disponible, no se puede pedir | ||||
| 1209 | 9170052320 | |||
| Ya no disponible, sin reemplazo | ||||
| 1211 | 9170072110 | |||
| Ya no disponible, sin reemplazo | ||||
| 1213 | 9170051810 | |||