Aquí encontrará todas las piezas y dibujos técnicos disponibles de 'Milwaukee 4000383676 ( AG10-125 )'. Desde aquí podrá pedir todas las piezas deseadas directamente. Para muchas piezas de repuesto, es necesario pasar un pedido al fabricante. Dependiendo de la marca, el plazo de entrega puede variar entre una y cuatro semanas. Toda la información que tenemos está en nuestro sitio web. No podremos aconsejarle sobre lo que necesita hasta que entregue la máquina para su reparación. Tenga en cuenta lo siguiente a la hora de cursar su pedido:
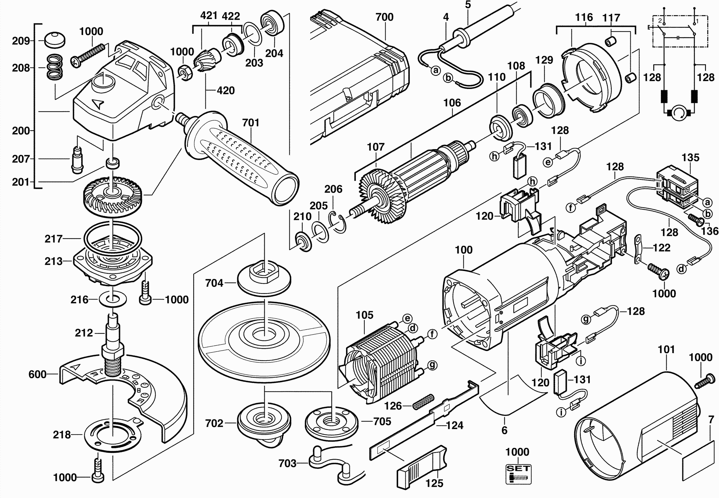
Dibujo técnico de los/las Milwaukee 4000383676 ( AG10-125 )
Lista de las piezas de repuesto de Milwaukee 4000383676 ( AG10-125 )
| Pos. | Descripción | Precio con el IVA excluido | Precio con el IVA incluido | |
| Los precios mostrados incluyen el IVA | ||||
| CABLE DE CONEXION | ||||
| 0004 | 4931623861 | 12.60 | 15.25 | |
| MANGUITO DE ENTRADA DE CABLE | ||||
| 0005 | 4931218785 | 5.40 | 6.53 | |
| PLACA DE NOMBRE | ||||
| 0007 | 4931382311 | 1.80 | 2.18 | |
| CAJA DEL MOTOR | ||||
| 0100 | 4931383013 | 12.60 | 15.25 | |
| CAPUCHA DE LA VIVIENDA | ||||
| 0101 | 4931407395 | 6.31 | 7.64 | |
| CAMPO ELÉCTRICO | ||||
| 0105 | 4931426594 | 34.85 | 42.17 | |
| Ya no disponible, sin reemplazo | ||||
| 0106 | 4931426513 | |||
| VENTILADOR | ||||
| 0107 | 4931341088 | 5.40 | 6.53 | |
| RODAMIENTO DE BOLAS | ||||
| 0108 | 4931901253 | 9.00 | 10.89 | |
| DISCO AISLANTE | ||||
| 0110 | 4931271823 | 5.40 | 6.53 | |
| ANILLO DEFLECTOR DE AIRE | ||||
| 0116 | 4931326933 | 4.49 | 5.43 | |
| DISPOSITIVO DE SUJECIÓN | ||||
| 0117 | 4931409768 | 5.40 | 6.53 | |
| PORTACEPILLOS | ||||
| 0120 | 4931326923 | 5.40 | 6.53 | |
| Collar de cable | ||||
| 0122 | 4931256500 | 5.40 | 6.53 | |
| PIEZA DE GUÍA | ||||
| 0124 | 4931326959 | 5.40 | 6.53 | |
| Deslizador (1) | ||||
| 0125 | 4931442821 | 3.60 | 4.36 | |
| RESORTE DE PRESIÓN | ||||
| 0126 | 4931326981 | 5.40 | 6.53 | |
| ESPACIADOR/CABLE DE ACERO | ||||
| 0128 | 4931624660 | 1.80 | 2.18 | |
| FUNDA DE RODAMIENTO | ||||
| 0129 | 4931326953 | 5.40 | 6.53 | |
| JUEGO DE ESCOBILLAS DE CARBÓN | ||||
| 0131 | 4931369477 | 14.40 | 17.42 | |
| INTERRUPTOR | ||||
| 0135 | 4931326976 | 14.40 | 17.42 | |
| TORNILLO D 85 AM 3,5X5 | ||||
| 0136 | 4931617313 | 1.80 | 2.18 | |
| CAJA DE CAMBIOS | ||||
| 0200 | 4931412193 | 49.10 | 59.41 | |
| CASQUILLO/TRANSMISIÓN/HERRAMIENTAS ELÉCTRICAS | ||||
| 0201 | 4931912093 | 5.40 | 6.53 | |
| Arandela (1) | ||||
| 0203 | 4931362085 | 1.80 | 2.18 | |
| RODAMIENTO DE BOLAS RANURADO/MOTOR/HERRAMIENTA ELÉ | ||||
| 0204 | 4931368037 | 5.40 | 6.53 | |
| DISCO (se necesitan 5) | ||||
| 0205 | 4931622761 | 5.40 | 6.53 | |
| ANILLO DE BLOQUEO | ||||
| 0206 | 4931616614 | 5.40 | 6.53 | |
| Tornillo de bloqueo | ||||
| 0207 | 4931326929 | 5.40 | 6.53 | |
| RESORTE DE PRESIÓN | ||||
| 0208 | 4931326942 | 5.40 | 6.53 | |
| BOTÓN DE EMPUJE | ||||
| 0209 | 4931326930 | 5.40 | 6.53 | |
| Arandela (1) | ||||
| 0210 | 4931624287 | 1.80 | 2.18 | |
| HUSILLO | ||||
| 0212 | 4931409808 | 9.00 | 10.89 | |
| PLACA FINAL DEL COJINETE | ||||
| 0213 | 4931378310 | 9.00 | 10.89 | |
| DISCO (se necesitan 5) | ||||
| 0216 | 4931623480 | 5.40 | 6.53 | |
| ANILLO DE SELLO | ||||
| 0217 | 4931623590 | 5.40 | 6.53 | |
| Arandela de resorte | ||||
| 0218 | 4931345965 | 1.80 | 2.18 | |
| PAR DE ENGRANAJES CÓNICOS | ||||
| 0420 | 4931369937 | 26.93 | 32.59 | |
| PAR DE ENGRANAJES CÓNICOS | ||||
| 0421 | 4931369937 | 26.93 | 32.59 | |
| ANILLO DE SELLO | ||||
| 0422 | 4931369774 | 5.40 | 6.53 | |
| Capota de protección/Sierra circular de mano | ||||
| 0600 | 4931407642 | 9.00 | 10.89 | |
| MANGO | ||||
| 0701 | 4932409546 | 12.10 | 14.64 | |
| Opspansleutel recht tbv slijpmachines | ||||
| 0703 | 4932367712 | 8.16 | 9.87 | |
| Brida | ||||
| 0704 | 4932449324 | 8.28 | 10.02 | |
| Spanmoer M14, 3 mm tbv slijpmachines | ||||
| 0705 | 4932345628 | 9.84 | 11.91 | |
| JUEGO DE TORNILLOS | ||||
| 1000 | 4931362838 | 14.40 | 17.42 | |