Aquí encontrará todas las piezas y dibujos técnicos disponibles de 'Milwaukee 4000407585 ( AGV16-180XC )'. Desde aquí podrá pedir todas las piezas deseadas directamente. Para muchas piezas de repuesto, es necesario pasar un pedido al fabricante. Dependiendo de la marca, el plazo de entrega puede variar entre una y cuatro semanas. Toda la información que tenemos está en nuestro sitio web. No podremos aconsejarle sobre lo que necesita hasta que entregue la máquina para su reparación. Tenga en cuenta lo siguiente a la hora de cursar su pedido:
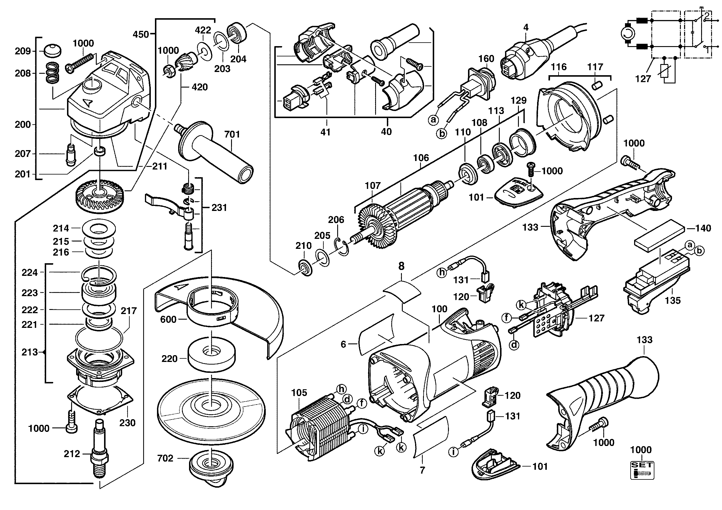
Dibujo técnico de los/las Milwaukee 4000407585 ( AGV16-180XC )
Lista de las piezas de repuesto de Milwaukee 4000407585 ( AGV16-180XC )
| Pos. | Descripción | Precio con el IVA excluido | Precio con el IVA incluido | |
| Los precios mostrados incluyen el IVA | ||||
| CABLE DE CONEXIÓN IN2 | ||||
| 0004 | 4931624171 | 33.00 | 39.93 | |
| PLACA DE TIPO | ||||
| 0007 | 4931378806 | 5.40 | 6.53 | |
| PEGATINA EN PAPEL, AUTOADHESIVA | ||||
| 0008 | 4931442232 | 1.80 | 2.18 | |
| Snoer 230V QUIK-LOK, reparatieset | ||||
| 0040 | 4931380758 | 40.26 | 48.71 | |
| ENCHUFE DE CABLE p./10 | ||||
| 0041 | 4931380763 | 25.34 | 30.66 | |
| CAJA DEL MOTOR | ||||
| 0100 | 4931378768 | 10.80 | 13.07 | |
| CUBIERTA | ||||
| 0101 | 4931378566 | 5.40 | 6.53 | |
| CAMPO ELÉCTRICO | ||||
| 0105 | 4931426580 | 36.05 | 43.62 | |
| ARMADURA | ||||
| 0106 | 4931442661 | 79.20 | 95.83 | |
| VENTILADOR | ||||
| 0107 | 4931341088 | 5.40 | 6.53 | |
| RODAMIENTO DE BOLAS | ||||
| 0108 | 4931624662 | 9.00 | 10.89 | |
| DISCO AISLANTE | ||||
| 0110 | 4931271823 | 5.40 | 6.53 | |
| DISCO MAGNÉTICO | ||||
| 0113 | 4931426570 | 5.40 | 6.53 | |
| ANILLO DEFLECTOR DE AIRE | ||||
| 0116 | 4931378135 | 5.40 | 6.53 | |
| DISPOSITIVO DE SUJECIÓN | ||||
| 0117 | 4931409768 | 5.40 | 6.53 | |
| PORTACEPILLOS | ||||
| 0120 | 4931382268 | 5.40 | 6.53 | |
| Elemento electrónico | ||||
| 0127 | 4931378141 | 36.43 | 44.08 | |
| FUNDA DE RODAMIENTO | ||||
| 0129 | 4931326953 | 5.40 | 6.53 | |
| JUEGO DE ESCOBILLAS DE CARBÓN | ||||
| 0131 | 4931381391 | 14.40 | 17.42 | |
| MANGO | ||||
| 0133 | 4931378762 | 9.00 | 10.89 | |
| INTERRUPTOR | ||||
| 0135 | 4931378949 | 19.01 | 23.00 | |
| SELLO | ||||
| 0140 | 4931407251 | 5.40 | 6.53 | |
| INSERTAR | ||||
| 0160 | 4931364437 | 9.00 | 10.89 | |
| CAJA DE CAMBIOS | ||||
| 0200 | 4931407067 | 49.10 | 59.41 | |
| CASQUILLO/TRANSMISIÓN/HERRAMIENTAS ELÉCTRICAS | ||||
| 0201 | 4931912093 | 5.40 | 6.53 | |
| Arandela (1) | ||||
| 0203 | 4931362086 | 1.80 | 2.18 | |
| RODAMIENTO DE BOLAS RANURADO/MOTOR/HERRAMIENTA ELÉ | ||||
| 0204 | 4931368037 | 5.40 | 6.53 | |
| Arandela (1) | ||||
| 0205 | 4931362085 | 1.80 | 2.18 | |
| ANILLO DE BLOQUEO | ||||
| 0206 | 4931616614 | 5.40 | 6.53 | |
| Tornillo de bloqueo | ||||
| 0207 | 4931326929 | 5.40 | 6.53 | |
| RESORTE DE PRESIÓN | ||||
| 0208 | 4931326942 | 5.40 | 6.53 | |
| BOTÓN DE EMPUJE | ||||
| 0209 | 4931326930 | 5.40 | 6.53 | |
| Tuerca (1) | ||||
| 0210 | 4931325518 | 5.40 | 6.53 | |
| Arandela de compensación | ||||
| 0211 | 4931254894 | 1.80 | 2.18 | |
| HUSILLO DE MOLIENDA | ||||
| 0212 | 4931426010 | 87.85 | 106.30 | |
| PLACA FINAL DEL COJINETE | ||||
| 0213 | 4931407142 | 30.10 | 36.42 | |
| DISCO (se necesitan 5) | ||||
| 0214 | 4931623862 | 5.40 | 6.53 | |
| Lavadora, acero inoxidable | ||||
| 0215 | 4931925940 | 5.40 | 6.53 | |
| Arandela, acero inoxidable | ||||
| 0216 | 4931808473 | 5.40 | 6.53 | |
| ANELLO DI GUARNIZIONE N874701 40X2 | ||||
| 0217 | 4931623679 | 4.49 | 5.43 | |
| DRIVE GEAR | ||||
| 0220 | 4931426542 | 99.00 | 119.79 | |
| ANILLO DE SELLO | ||||
| 0221 | 4931623655 | 5.40 | 6.53 | |
| Arandela de compensación | ||||
| 0222 | 4931621817 | 1.80 | 2.18 | |
| RODAMIENTO DE BOLAS | ||||
| 0223 | 4931623908 | 9.00 | 10.89 | |
| ANILLO DE BLOQUEO | ||||
| 0224 | 4931920048 | 4.49 | 5.43 | |
| Placa de resorte (1) | ||||
| 0230 | 4931426499 | 5.40 | 6.53 | |
| PIEZA DE BLOQUEO | ||||
| 0231 | 4931407605 | 19.01 | 23.00 | |
| PAR DE ENGRANAJES CÓNICOS | ||||
| 0420 | 4931407029 | 68.11 | 82.41 | |
| DRIVE GEAR | ||||
| 0450 | 4931426542 | 99.00 | 119.79 | |
| Capota de protección/Sierra circular de mano | ||||
| 0600 | 4931395290 | 12.60 | 15.25 | |
| MANGO | ||||
| 0701 | 4932409546 | 12.10 | 14.64 | |
| Tuerca Fixtec M14 P1a | ||||
| 0702 | 4932358225 | 34.03 | 41.18 | |
| JUEGO DE TORNILLOS | ||||
| 1000 | 4931378570 | 15.84 | 19.17 | |