Aquí encontrará todas las piezas y dibujos técnicos disponibles de 'Milwaukee 4000380724 ( B4-32 )'. Desde aquí podrá pedir todas las piezas deseadas directamente. Para muchas piezas de repuesto, es necesario pasar un pedido al fabricante. Dependiendo de la marca, el plazo de entrega puede variar entre una y cuatro semanas. Toda la información que tenemos está en nuestro sitio web. No podremos aconsejarle sobre lo que necesita hasta que entregue la máquina para su reparación. Tenga en cuenta lo siguiente a la hora de cursar su pedido:
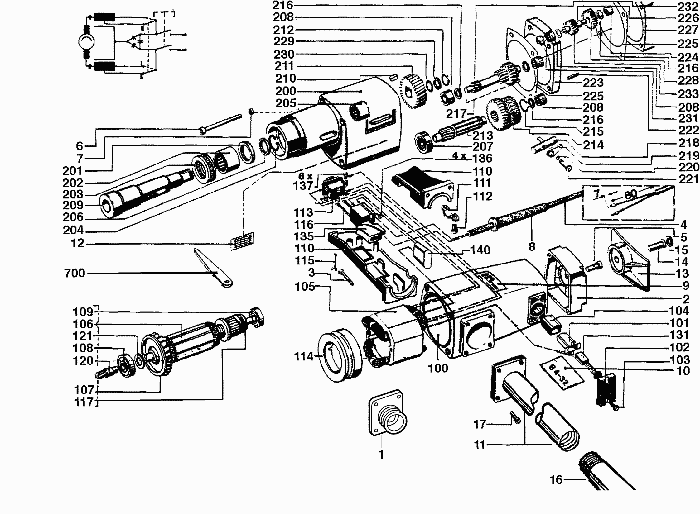
Dibujo técnico de los/las Milwaukee 4000380724 ( B4-32 )
Lista de las piezas de repuesto de Milwaukee 4000380724 ( B4-32 )
| Pos. | Descripción | Precio con el IVA excluido | Precio con el IVA incluido | |
| Los precios mostrados incluyen el IVA | ||||
| BRIDA/SIERRA DE CORTE Y INGLETE | ||||
| 0001 | 4931426311 | 31.68 | 38.33 | |
| CAPUCHA DE LA VIVIENDA | ||||
| 0002 | 4931426309 | 61.78 | 74.75 | |
| TORNILLO D 912 M 5X30 8G | ||||
| 0005 | 4931616793 | 1.80 | 2.18 | |
| TORNILLO D 7985 M 5X135 8G | ||||
| 0006 | 4931616680 | 3.60 | 4.36 | |
| ANILLO D127 B5 | ||||
| 0007 | 4931603768 | 4.49 | 5.43 | |
| PLACA DE CLASIFICACIÓN | ||||
| 0009 | 4931442033 | 1.20 | 1.45 | |
| PLACA DE NOMBRE | ||||
| 0010 | 4931382311 | 1.80 | 2.18 | |
| PLACA INDICADORA DE VELOCIDAD | ||||
| 0012 | 4931228524 | 4.49 | 5.43 | |
| CAJA DEL MOTOR | ||||
| 0100 | 4931426049 | 113.30 | 137.09 | |
| PORTACEPILLOS | ||||
| 0101 | 4931222529 | 4.49 | 5.43 | |
| TAPA DEL PORTACEPILLOS | ||||
| 0102 | 4931222532 | 4.49 | 5.43 | |
| Tornillo | ||||
| 0103 | 4931623591 | 1.80 | 2.18 | |
| PORTACEPILLOS AISLADO | ||||
| 0104 | 4931232582 | 4.49 | 5.43 | |
| CAMPO ELÉCTRICO | ||||
| 0105 | 4931432765 | 114.05 | 138.00 | |
| ARMADURA 46x50 ASSY | ||||
| 0106 | 4931426280 | 115.63 | 139.91 | |
| Ya no disponible, sin reemplazo | ||||
| 0107 | 4931243281 | |||
| Rodamiento de Bolas Ranuradas. | ||||
| 0108 | 4931398189 | 5.40 | 6.53 | |
| RODAMIENTO DE BOLAS | ||||
| 0109 | 4931624101 | 9.00 | 10.89 | |
| ANILLO DEFLECTOR DE AIRE | ||||
| 0114 | 4931218031 | 9.00 | 10.89 | |
| DISCO AISLANTE | ||||
| 0117 | 4931226193 | 4.49 | 5.43 | |
| Ya no disponible, sin reemplazo | ||||
| 0120 | 4931263058 | |||
| Arandela, acero inoxidable | ||||
| 0121 | 4931620042 | 4.49 | 5.43 | |
| JUEGO DE ESCOBILLAS DE CARBÓN | ||||
| 0131 | 4931392571 | 15.84 | 19.17 | |
| CAJA DE CAMBIOS PARA PRESIÓN DE CARTUCHO | ||||
| 0200 | 4931426303 | 144.14 | 174.41 | |
| ANILLO DE SELLO N874724 30X40X4 | ||||
| 0201 | 4931928554 | 5.40 | 6.53 | |
| RODAMIENTO DE AGUJAS | ||||
| 0202 | 4931928527 | 15.84 | 19.17 | |
| RODAMIENTO DE BOLAS | ||||
| 0203 | 4931928515 | 14.40 | 17.42 | |
| ANILLO DE RESORTE N874266 J 30X1,2 | ||||
| 0204 | 4931942134 | 5.40 | 6.53 | |
| RODAMIENTO DE AGUJAS N874989 NK 22/16 | ||||
| 0205 | 4931928530 | 14.40 | 17.42 | |
| ANILLO DE SELLO N874724 22X30X4 | ||||
| 0206 | 4931928566 | 9.00 | 10.89 | |
| RODAMIENTO DE BOLAS D 625 6300 | ||||
| 0207 | 4931928593 | 12.60 | 15.25 | |
| COJINETE DE AGUJA N874989 NK 10/12 | ||||
| 0208 | 4931805728 | 12.60 | 15.25 | |
| HUSILLO DE TALADRO | ||||
| 0209 | 4931221711 | 77.62 | 93.92 | |
| Llave paralela | ||||
| 0210 | 4931224742 | 5.40 | 6.53 | |
| RUEDA DE HUSILLO DE TALADRO | ||||
| 0211 | 4931221712 | 23.76 | 28.75 | |
| ANILLO D471 20X1,2 | ||||
| 0212 | 4931605267 | 4.49 | 5.43 | |
| Ya no disponible, sin reemplazo | ||||
| 0213 | 4931221714 | |||
| RUEDA INTERMEDIA | ||||
| 0214 | 4931221722 | 42.77 | 51.75 | |
| ANILLO DE BLOQUEO D 471 A22X1,2 | ||||
| 0215 | 4931617301 | 4.49 | 5.43 | |
| Arandela, acero inoxidable (5 necesita) | ||||
| 0216 | 4931939634 | 4.49 | 5.43 | |
| ENGRAJE DE REDUCCIÓN | ||||
| 0217 | 4931221723 | 39.60 | 47.92 | |
| VARILLA DE INTERRUPTOR | ||||
| 0218 | 4931223605 | 16.20 | 19.60 | |
| Palanca de cambio | ||||
| 0219 | 4931328580 | 11.69 | 14.14 | |
| Arandela, acero inoxidable | ||||
| 0220 | 4931928821 | 4.49 | 5.43 | |
| TORNILLO D 923 M 5X12 GAL | ||||
| 0221 | 4931616742 | 1.80 | 2.18 | |
| PASADOR | ||||
| 0222 | 4931600328 | 4.49 | 5.43 | |
| PLACA FINAL DEL COJINETE | ||||
| 0223 | 4931426305 | 87.12 | 105.42 | |
| RODAMIENTO DE AGUJAS N874989 HK 1012 | ||||
| 0224 | 4931928717 | 9.00 | 10.89 | |
| JUNTA | ||||
| 0225 | 4931221850 | 5.40 | 6.53 | |
| Ya no disponible, sin reemplazo | ||||
| 0226 | 4931222048 | |||
| PLACA FINAL DEL COJINETE | ||||
| 0227 | 4931426304 | 104.54 | 126.49 | |
| ENGRAJE DE REDUCCIÓN | ||||
| 0228 | 4931221717 | 9.00 | 10.89 | |
| Arandela, acero inoxidable | ||||
| 0229 | 4931937440 | 4.49 | 5.43 | |
| Arandela, acero inoxidable | ||||
| 0230 | 4931808624 | 4.49 | 5.43 | |
| RODAMIENTO DE BOLAS D 615 E 5 | ||||
| 0231 | 4931805110 | 17.11 | 20.70 | |
| ARBOL DE REDUCCION | ||||
| 0232 | 4931221713 | 23.76 | 28.75 | |
| Ya no disponible, sin reemplazo | ||||
| 0233 | 4931222047 | |||
| Uitdrijfspie voor morseconus | ||||
| 0700 | 4932604226 | 12.54 | 15.17 | |