Aquí encontrará todas las piezas y dibujos técnicos disponibles de 'Milwaukee 4000383721 ( CS75 )'. Desde aquí podrá pedir todas las piezas deseadas directamente. Para muchas piezas de repuesto, es necesario pasar un pedido al fabricante. Dependiendo de la marca, el plazo de entrega puede variar entre una y cuatro semanas. Toda la información que tenemos está en nuestro sitio web. No podremos aconsejarle sobre lo que necesita hasta que entregue la máquina para su reparación. Tenga en cuenta lo siguiente a la hora de cursar su pedido:
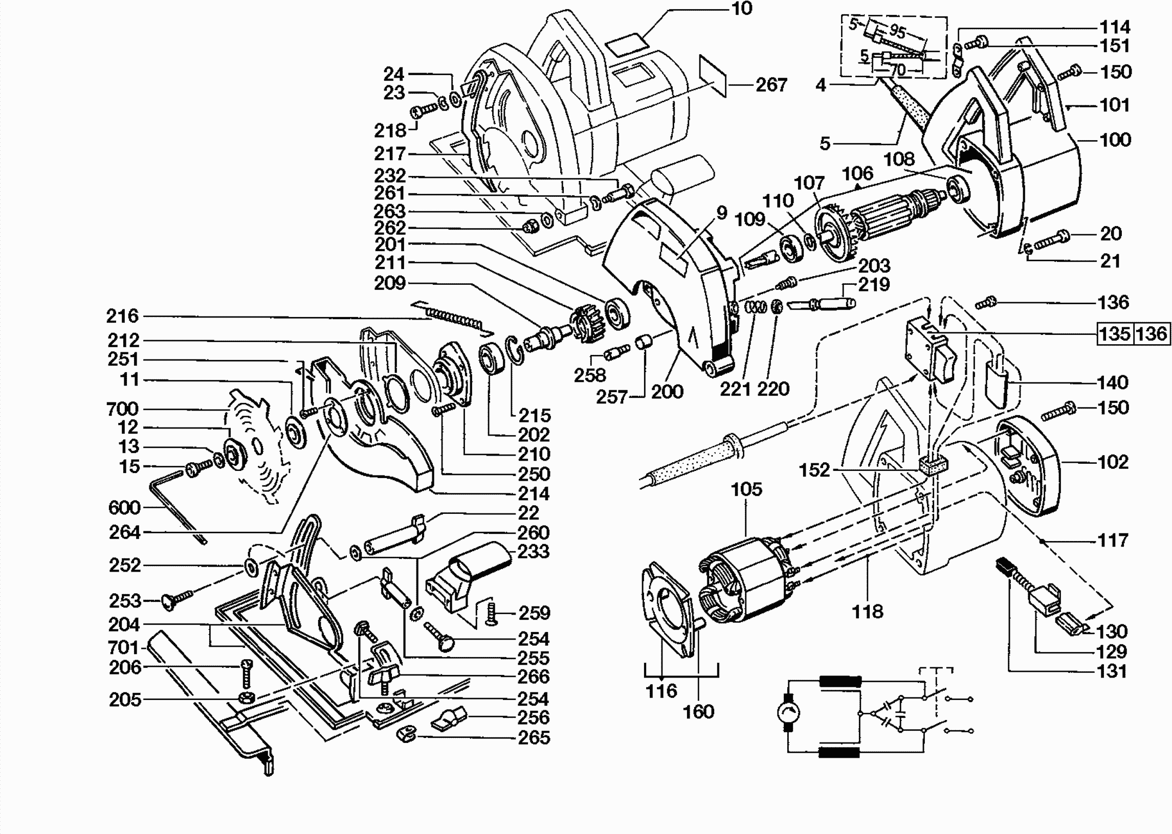
Dibujo técnico de los/las Milwaukee 4000383721 ( CS75 )
Lista de las piezas de repuesto de Milwaukee 4000383721 ( CS75 )
| Pos. | Descripción | Precio con el IVA excluido | Precio con el IVA incluido | |
| Los precios mostrados incluyen el IVA | ||||
| MANGUITO DE ENTRADA DE CABLE | ||||
| 0005 | 4931322536 | 9.00 | 10.89 | |
| PLACA DE NOMBRE | ||||
| 0009 | 4931382710 | 1.80 | 2.18 | |
| DISCO (se necesitan 5) | ||||
| 0011 | 4931317023 | 4.49 | 5.43 | |
| No hay información disponible, no se puede pedir | ||||
| 0012 | 4931317024 | |||
| Arandela (1) | ||||
| 0013 | 4931276977 | 1.80 | 2.18 | |
| Tornillo | ||||
| 0015 | 4931621490 | 1.80 | 2.18 | |
| Ya no disponible, sin reemplazo | ||||
| 0021 | 4931615407 | |||
| Ya no disponible, sin reemplazo | ||||
| 0024 | 4931303910 | |||
| Ya no disponible, sin reemplazo | ||||
| 0100 | 4931383714 | |||
| Cubierta de la carcasa (1) | ||||
| 0102 | 4931259153 | 5.40 | 6.53 | |
| Ya no disponible, sin reemplazo | ||||
| 0107 | 4931317671 | |||
| RODAMIENTO DE BOLAS | ||||
| 0108 | 4931341741 | 9.00 | 10.89 | |
| RODAMIENTO DE BOLAS D 625 6001 ZTH LDS | ||||
| 0109 | 4931804500 | 9.00 | 10.89 | |
| Disco N874237 12,1X22X0,5 | ||||
| 0110 | 4931907954 | 4.49 | 5.43 | |
| Collar de cable | ||||
| 0114 | 4931256500 | 5.40 | 6.53 | |
| Ya no disponible, sin reemplazo | ||||
| 0116 | 4931317676 | |||
| Ya no disponible, sin reemplazo | ||||
| 0129 | 4931317223 | |||
| Ya no disponible, sin reemplazo | ||||
| 0130 | 4931259031 | |||
| Tornillo | ||||
| 0136 | 4931621772 | 1.80 | 2.18 | |
| Tornillo | ||||
| 0150 | 4931618253 | 1.80 | 2.18 | |
| Tornillo | ||||
| 0151 | 4931624538 | 1.80 | 2.18 | |
| Ya no disponible, sin reemplazo | ||||
| 0152 | 4931259091 | |||
| Ya no disponible, sin reemplazo | ||||
| 0202 | 4931623202 | |||
| No hay información disponible, no se puede pedir | ||||
| 0204 | 4931303898 | |||
| TUERCA DE SEGURIDAD/ACERO INOXIDABLE | ||||
| 0205 | 4931621424 | 5.40 | 6.53 | |
| Tornillo, acero inoxidable (se requieren 4) | ||||
| 0206 | 4931620737 | 1.80 | 2.18 | |
| Ya no disponible, sin reemplazo | ||||
| 0210 | 4931317829 | |||
| Ya no disponible, sin reemplazo | ||||
| 0214 | 4931276584 | |||
| ANILLO D472 35X1,5 | ||||
| 0215 | 4931605484 | 4.49 | 5.43 | |
| Resorte, acero inoxidable | ||||
| 0216 | 4931273224 | 1.80 | 2.18 | |
| RESORTE DE PRESIÓN | ||||
| 0221 | 4931303788 | 4.49 | 5.43 | |
| MANGO | ||||
| 0233 | 4931346578 | 5.40 | 6.53 | |
| Ya no disponible, sin reemplazo | ||||
| 0251 | 4931620636 | |||
| Tornillo | ||||
| 0253 | 4931617010 | 1.80 | 2.18 | |
| Ya no disponible, sin reemplazo | ||||
| 0254 | 4931615497 | |||
| Ya no disponible, sin reemplazo | ||||
| 0255 | 4931259173 | |||
| Mango en T | ||||
| 0256 | 4931259174 | 4.49 | 5.43 | |
| Parar | ||||
| 0257 | 4931259183 | 3.60 | 4.36 | |
| ARANDELA DE SELLADO | ||||
| 0260 | 4931615511 | 1.80 | 2.18 | |
| No hay información disponible, no se puede pedir | ||||
| 0262 | 4931621502 | |||
| Ya no disponible, sin reemplazo | ||||
| 0265 | 4931259175 | |||
| Tornillo | ||||
| 0266 | 4931259185 | 1.80 | 2.18 | |
| Ya no disponible, sin reemplazo | ||||
| 0600 | 4931616068 | |||
| Cirkelzaagblad hout 210 x 30 x 2,4 Thin Kerf ATB 1 | ||||
| 0700 | 4932471324 | 73.37 | 88.78 | |
| No hay información disponible, no se puede pedir | ||||
| 0701 | 4932276288 | |||