Aquí encontrará todas las piezas y dibujos técnicos disponibles de 'Milwaukee 4000409195 ( DE13RP )'. Desde aquí podrá pedir todas las piezas deseadas directamente. Para muchas piezas de repuesto, es necesario pasar un pedido al fabricante. Dependiendo de la marca, el plazo de entrega puede variar entre una y cuatro semanas. Toda la información que tenemos está en nuestro sitio web. No podremos aconsejarle sobre lo que necesita hasta que entregue la máquina para su reparación. Tenga en cuenta lo siguiente a la hora de cursar su pedido:
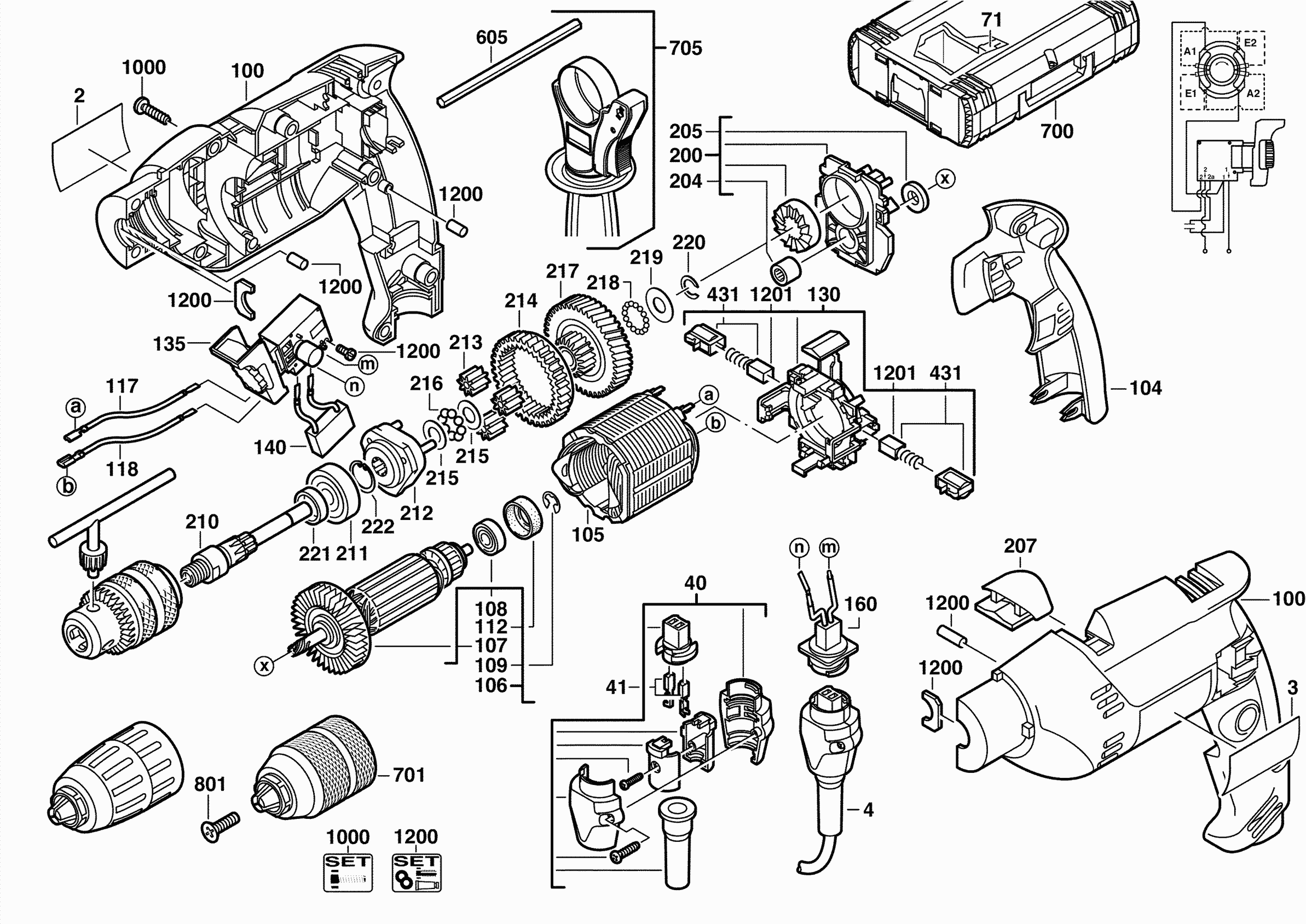
Dibujo técnico de los/las Milwaukee 4000409195 ( DE13RP )
Lista de las piezas de repuesto de Milwaukee 4000409195 ( DE13RP )
| Pos. | Descripción | Precio con el IVA excluido | Precio con el IVA incluido | |
| Los precios mostrados incluyen el IVA | ||||
| Ya no disponible, sin reemplazo | ||||
| 0002 | 4931409198 | |||
| PLACA DE NOMBRE | ||||
| 0003 | 4931382311 | 1.80 | 2.18 | |
| CABLE DE CONEXIÓN IN2 | ||||
| 0004 | 4931624171 | 33.00 | 39.93 | |
| Snoer 230V QUIK-LOK, reparatieset | ||||
| 0040 | 4931380758 | 40.26 | 48.71 | |
| ENCHUFE DE CABLE p./10 | ||||
| 0041 | 4931380763 | 25.34 | 30.66 | |
| ESTUCHE DE TRANSPORTE | ||||
| 0071 | 4931415355 | 30.10 | 36.42 | |
| CUERPO | ||||
| 0100 | 4931380430 | 14.40 | 17.42 | |
| Cubierta de la carcasa (1) | ||||
| 0104 | 4931380436 | 5.40 | 6.53 | |
| CAMPO ELÉCTRICO | ||||
| 0105 | 4931426175 | 16.50 | 19.96 | |
| ARMADURA | ||||
| 0106 | 4931442649 | 66.53 | 80.50 | |
| ARMADURA | ||||
| 0106 | 4931426325 | 52.27 | 63.25 | |
| VENTILADOR | ||||
| 0107 | 4931330633 | 4.49 | 5.43 | |
| RODAMIENTO DE BOLAS | ||||
| 0108 | 4931902888 | 9.00 | 10.89 | |
| Arandela (1) | ||||
| 0109 | 4931621834 | 1.80 | 2.18 | |
| Manga de goma (1) | ||||
| 0112 | 4931306351 | 1.80 | 2.18 | |
| ESPACIADOR/CABLE DE ACERO | ||||
| 0117 | 4931253700 | 5.40 | 6.53 | |
| Collar de conjunto | ||||
| 0130 | 4931380433 | 9.91 | 11.99 | |
| TABLERO DE INTERRUPTORES | ||||
| 0135 | 4931372529 | 16.20 | 19.60 | |
| CONDENSADOR | ||||
| 0140 | 4931311062 | 4.49 | 5.43 | |
| INSERTAR | ||||
| 0160 | 4931364437 | 9.00 | 10.89 | |
| PLACA FINAL DEL COJINETE | ||||
| 0200 | 4931330999 | 15.29 | 18.50 | |
| RODAMIENTO DE AGUJAS | ||||
| 0204 | 4931219424 | 3.60 | 4.36 | |
| ARANDELA DE FIELTRO | ||||
| 0205 | 4931357000 | 1.80 | 2.18 | |
| TAPA PROTECTORA | ||||
| 0207 | 4931357206 | 4.49 | 5.43 | |
| HUSILLO DE TALADRO | ||||
| 0210 | 4931409805 | 19.01 | 23.00 | |
| RODAMIENTO DE BOLAS D 625 6001 ZTH LDS | ||||
| 0211 | 4931804500 | 9.00 | 10.89 | |
| JAULA DE PIÑÓN | ||||
| 0212 | 4931357173 | 6.60 | 7.99 | |
| RUEDA PLANETARIA | ||||
| 0213 | 4931357172 | 1.80 | 2.18 | |
| RUEDA DENTADA INTERNA | ||||
| 0214 | 4931357093 | 5.40 | 6.53 | |
| Arandela (1) | ||||
| 0215 | 4931357269 | 1.80 | 2.18 | |
| BOLA | ||||
| 0216 | 4931805413 | 1.80 | 2.18 | |
| ENGANCHE | ||||
| 0217 | 4931364131 | 23.76 | 28.75 | |
| BOLA | ||||
| 0218 | 4931623449 | 1.80 | 2.18 | |
| Arandela (1) | ||||
| 0219 | 4931364128 | 1.80 | 2.18 | |
| ANILLO DE RESORTE | ||||
| 0220 | 4931623066 | 5.40 | 6.53 | |
| Manga/Acero inoxidable/Herramienta eléctrica | ||||
| 0221 | 4931324482 | 4.49 | 5.43 | |
| ANILLO D471 12X1 | ||||
| 0222 | 4931605142 | 5.40 | 6.53 | |
| JUEGO DE ESCOBILLAS DE CARBÓN | ||||
| 0431 | 392563 | 13.68 | 16.55 | |
| CALIBRADOR DE PROFUNDIDAD | ||||
| 0605 | 4931384434 | 5.40 | 6.53 | |
| HD Box Transportkoffer Milwaukee (maat 1) | ||||
| 0700 | 4932378986 | 47.85 | 57.90 | |
| Boorkop snelspan 1,5 - 13 mm, 1/2" x 20 met veilig | ||||
| 0701 | 4932376533 | 49.56 | 59.97 | |
| MANGO AUXILIAR | ||||
| 0705 | 4931417907 | 13.75 | 16.64 | |
| TORNILLO DE BLOQUEO | ||||
| 0801 | 4931401643 | 1.80 | 2.18 | |
| JUEGO DE TORNILLOS | ||||
| 1000 | 4931320180 | 5.40 | 6.53 | |
| Kit de mantenimiento | ||||
| 1200 | 4931364145 | 20.59 | 24.91 | |
| JUEGO DE ESCOBILLAS DE CARBÓN | ||||
| 1201 | 4931392602 | 10.80 | 13.07 | |