Aquí encontrará todas las piezas y dibujos técnicos disponibles de 'Milwaukee 4000446515 ( HD18H-402CIN2 )'. Desde aquí podrá pedir todas las piezas deseadas directamente. Para muchas piezas de repuesto, es necesario pasar un pedido al fabricante. Dependiendo de la marca, el plazo de entrega puede variar entre una y cuatro semanas. Toda la información que tenemos está en nuestro sitio web. No podremos aconsejarle sobre lo que necesita hasta que entregue la máquina para su reparación. Tenga en cuenta lo siguiente a la hora de cursar su pedido:
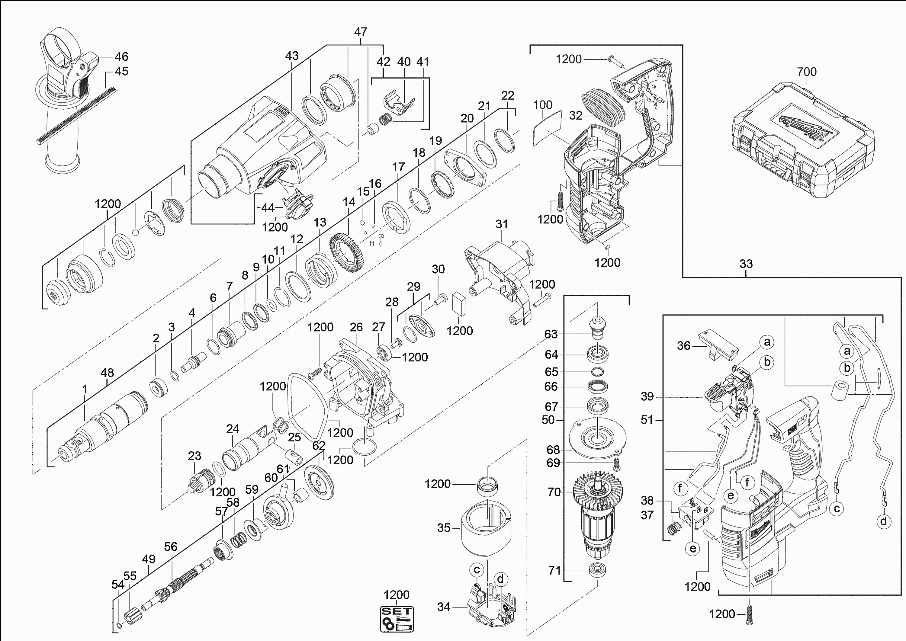
Dibujo técnico de los/las Milwaukee 4000446515 ( HD18H-402CIN2 )
Lista de las piezas de repuesto de Milwaukee 4000446515 ( HD18H-402CIN2 )
| Pos. | Descripción | Precio con el IVA excluido | Precio con el IVA incluido | |
| Los precios mostrados incluyen el IVA | ||||
| Ya no disponible, sin reemplazo | ||||
| 0001 | 621199001 | |||
| Ya no disponible, sin reemplazo | ||||
| 0002 | 692725001 | |||
| Anillo O | ||||
| 0003 | 4931454454 | 1.80 | 2.18 | |
| YUNQUE/ACERO INOXIDABLE/HERRAMIENTA ELÉCTRICA | ||||
| 0004 | 692590001 | 10.81 | 13.08 | |
| Anillo O | ||||
| 0006 | 562594001 | 1.80 | 2.18 | |
| Manga/Acero inoxidable/Herramienta eléctrica | ||||
| 0007 | 692722001 | 9.00 | 10.89 | |
| Anillo O | ||||
| 0008 | 562595001 | 1.80 | 2.18 | |
| Arandela (1) | ||||
| 0009 | 633518001 | 1.80 | 2.18 | |
| Anillo O | ||||
| 0010 | 562597001 | 3.60 | 4.36 | |
| Arandela | ||||
| 0011 | 672632001 | 4.49 | 5.43 | |
| Arandela (1) | ||||
| 0012 | 633517001 | 1.80 | 2.18 | |
| Resorte, acero inoxidable | ||||
| 0013 | 692735001 | 1.80 | 2.18 | |
| ENGRAJE DE REDUCCIÓN | ||||
| 0014 | 611291001 | 9.00 | 10.89 | |
| PASADOR | ||||
| 0015 | 681235001 | 4.49 | 5.43 | |
| BOLA | ||||
| 0016 | 611405001 | 1.80 | 2.18 | |
| DISCO DE EMBRAGUE | ||||
| 0017 | 4931435089 | 5.68 | 6.87 | |
| No hay información disponible, no se puede pedir | ||||
| 0018 | 672634002 | |||
| Rodamiento | ||||
| 0019 | 681480001 | 9.00 | 10.89 | |
| Rodamiento | ||||
| 0020 | 692838001 | 14.40 | 17.42 | |
| Arandela (1) | ||||
| 0021 | 633516001 | 1.90 | 2.30 | |
| Arandela | ||||
| 0022 | 633529001 | 4.49 | 5.43 | |
| CUERPO DE PERCUSIÓN | ||||
| 0023 | 692698001 | 18.98 | 22.97 | |
| CILINDRO | ||||
| 0024 | 692717001 | 18.80 | 22.75 | |
| PERNO CILÍNDRICO | ||||
| 0025 | 4931436807 | 7.20 | 8.71 | |
| SOPORTE | ||||
| 0026 | 641710001 | 27.66 | 33.47 | |
| RODAMIENTO DE BOLAS | ||||
| 0027 | 681383001 | 9.00 | 10.89 | |
| Tornillo | ||||
| 0028 | 661504001 | 1.80 | 2.18 | |
| PLACA FINAL DEL COJINETE | ||||
| 0029 | 201879001 | 7.20 | 8.71 | |
| TORNILLO DE BLOQUEO | ||||
| 0030 | 661286001 | 1.90 | 2.30 | |
| TAPA DE LA CAJA DE ENGRANAJES | ||||
| 0031 | 591125001 | 4.49 | 5.43 | |
| Manga de goma (1) | ||||
| 0032 | 562680001 | 1.90 | 2.30 | |
| Ya no disponible, sin reemplazo | ||||
| 0033 | 201836001 | |||
| Ya no disponible, sin reemplazo | ||||
| 0034 | 290627001 | |||
| CAMPO ELÉCTRICO | ||||
| 0035 | 4931454082 | 83.95 | 101.58 | |
| PALANCA | ||||
| 0036 | 591123001 | 1.80 | 2.18 | |
| RESORTE DE PRESIÓN | ||||
| 0037 | 4931408243 | 5.40 | 6.53 | |
| INSERTAR | ||||
| 0038 | 4931416290 | 5.40 | 6.53 | |
| Ya no disponible, sin reemplazo | ||||
| 0039 | 4931433316 | |||
| Placa | ||||
| 0040 | 4931448985 | 5.40 | 6.53 | |
| Resorte, acero inoxidable | ||||
| 0041 | 692732001 | 1.80 | 2.18 | |
| Placa | ||||
| 0042 | 201877001 | 8.09 | 9.79 | |
| Ya no disponible, sin reemplazo | ||||
| 0043 | 340124001 | |||
| INTERRUPTOR | ||||
| 0044 | 4931448984 | 7.20 | 8.71 | |
| CALIBRADOR DE PROFUNDIDAD | ||||
| 0045 | 4931384434 | 5.40 | 6.53 | |
| MANGO AUXILIAR | ||||
| 0046 | 304389001 | 17.11 | 20.70 | |
| Ya no disponible, sin reemplazo | ||||
| 0047 | 201756001 | |||
| HUSILLO | ||||
| 0048 | 201878001 | 93.46 | 113.09 | |
| Eje del engranaje | ||||
| 0049 | 4931446523 | 53.86 | 65.17 | |
| No hay información disponible, no se puede pedir | ||||
| 0050 | 4931446524 | |||
| Ya no disponible, sin reemplazo | ||||
| 0051 | 201881001 | |||
| Arandela (1) | ||||
| 0054 | 633525001 | 1.80 | 2.18 | |
| ENGANCHE | ||||
| 0055 | 4931453917 | 4.49 | 5.43 | |
| Ya no disponible, sin reemplazo | ||||
| 0056 | 4931446527 | |||
| RUEDA DENTADA INTERNA | ||||
| 0057 | 611288001 | 4.49 | 5.43 | |
| Resorte, acero inoxidable | ||||
| 0058 | 692733001 | 4.49 | 5.43 | |
| MANGUITO DE ACOPLAMIENTO | ||||
| 0059 | 611289001 | 9.00 | 10.89 | |
| RODAMIENTO DE BOLAS | ||||
| 0060 | 681236001 | 19.01 | 23.00 | |
| No hay información disponible, no se puede pedir | ||||
| 0061 | 4931446532 | |||
| ENGRAJAJE CÓNICO | ||||
| 0062 | 4931446533 | 19.01 | 23.00 | |
| Piñón (1) | ||||
| 0063 | 4931446534 | 15.84 | 19.17 | |
| RODAMIENTO DE BOLAS | ||||
| 0064 | 4931446535 | 3.60 | 4.36 | |
| Ya no disponible, sin reemplazo | ||||
| 0065 | 4931446536 | |||
| Ya no disponible, sin reemplazo | ||||
| 0066 | 4931446537 | |||
| Ya no disponible, sin reemplazo | ||||
| 0067 | 4931446538 | |||
| Ya no disponible, sin reemplazo | ||||
| 0068 | 4931446539 | |||
| Tornillo | ||||
| 0069 | 4931446540 | 1.80 | 2.18 | |
| Ya no disponible, sin reemplazo | ||||
| 0070 | 4931446541 | |||
| RODAMIENTO DE BOLAS | ||||
| 0071 | 681383001 | 9.00 | 10.89 | |
| No hay información disponible, no se puede pedir | ||||
| 0100 | 4931446589 | |||
| ESTUCHE DE TRANSPORTE | ||||
| 0700 | 304112002 | 42.77 | 51.75 | |
| Kit de mantenimiento | ||||
| 1200 | 4931433266 | 49.10 | 59.41 | |